Охранная сигнализация
На основе этой сирены можно сделать охранную сигнализацию, которая будет включаться каждый раз, когда кто-то открывает дверь в вашу комнату (рис. 6). Охранный датчик контактный, работающий на размыкание.
На дверной лудке со стороны двери нужно установить два контакта, например, шурупа и вывести от них провода к схеме. Еще нужна металлическая пластина.
Все нужно сделать, чтобы при закрывании двери в щель можно было заложить эту пластину так, чтобы она замкнула контакты-шурупы. А при открывании двери пластина должна вываливаться.
Рис. 6. Схема охранной сигнализации, которая включается каждый раз, когда кто-то открывает дверь комнаты.
Когда пластина замыкает контакты-шурупы, на выводе 1 элемента D1.1 напряжение равно нулю. То есть, логический ноль. Прерывающий мультивибратор на элементах D1.1-D1.2 заблокирован и на его выходе (вход D1 2) так же, — ноль.
А этот ноль (с выхода D1.2) блокирует тональный мультивибратор на элементах D1.3-D1.4 и сигнализация молчит. Если открыть дверь пластина выпадет и, следовательно, перестанет замыкать шурупы-контакты.
На вывод 1 D1.1 через резистор R6 поступит напряжение логической единицы (от источника питания). Мультивибратор D1.1-D1.2 заработает и зазвучит сирена. Для того чтобы сирена на звучала пока вы возитесь с пластиной закрывая дверь, есть цепь C3-R5.
В момент включения питания C3 разряжен и медленно заряжается через R5. Пока напряжение на C3 не достигнет порогового значения мультивибратор на элементах D1.3-D1 4 будет заблокирован и у вас есть время (около 10 секунд) чтобы правильно вставить пластину и закрыть дверь.
Светодиод HL1 показывает, правильно ли вставлена пластина. Когда пластина замыкает контакты-шурупы, он гаснет, а когда не замыкает, — он мигает.
Конденсатор С4 служит для развязки по постоянному напряжению выхода элемента D1.4 и усилителя на VT1. Дело в том, что когда C3 не заряжен на выходе D1 4 будет единица, которая откроет VT1 и через динамик потечет достаточно большой ток. А это приведет к быстрому разряду батарейки Чтобы этого не произошло и существует С4.
Он быстро зарядится через R7, R6 и базу транзистора и выключит транзистор. А когда от мультивибратора будут поступать импульсы С4 их беспрепятственно пропустит на базу VТ1.
Идея №2 – Используем радиоприемник

Еще один вариант простого, но не менее функционального металлоискателя можно собрать, используя следующие подручные средства:
- коробка от компакт-диска;
- радиоприемник, который работает в диапазоне «АМ»;
- калькулятор;
- двухсторонний скотч.
Подробное описание того, как быстро, просто и легко сделать металлоискатель из радио:
- На внутренних стенках коробки прикрепляем калькулятор и приемник, используя двухсторонний скотч.
- Включаем оба устройства, причем радиоприемник настраиваем на максимальную частоту (при этом, чтобы шум от радиостанций обязательно отсутствовал).
- Закрываем коробку и потихоньку открываем до появления более-менее чистого звука. В таком положении самодельный металлоискатель настроен на поиск.
Как Вы видите, изготовить самоделку можно не дольше, чем за 5 минут. Такой вариант подойдет для чайников в электрике, т.к. тут можно обойтись без чертежей и никакие микросхемы подсоединять не нужно.
Можно дополнительно сделать ручку, чтобы облегчить процесс пользования. С помощью такой самоделки можно проверить стену перед установкой розетки, а то вдруг при штроблении Вы попадете в старую проводку!
Вот, собственно, и есть те способы, которые наиболее разумно использовать, чтобы сделать металлоискатель в домашних условиях своими руками. Что касается паяния более сложной модели, по типу бабочки либо терминатора, тут уже дело Ваше. С одной стороны можно сэкономить не менее 5000 рублей (стоимость бюджетной модели устройства), но с другой стороны отзывы многих любителей самоделок говорят о том, что редко такие устройства работают так, как хотелось бы.
Также читают:

Кто не мечтал однажды найти клад и разбогатеть? Разница между людьми лишь в том, что одни дальше мечтаний не идут, а другие ищут. Но есть только единицы тех, кто что-либо находит в земле, а большинство, потратившись на дорогое оборудование, так и остается ни с чем.
Вот это и удерживает человека от приобретения металлоискателей, которые стоят приличных денег, но не дают гарантии того, будет что либо найдено или нет.
А с другой стороны, если бы такой прибор достался практически даром, то не обязательно ходить по лесам в поисках мифических сокровищ. Даже на приусадебном участке возможно выкопать несколько метров трубы или брошенного кабеля, который при сдаче его в пункт приема может принести деньги. А ведь они, как известно, лишними не бывают.
В таком случае необходимо разобраться, возможно ли сделать металлоискатель из радиоприемника или дисков своими руками без применения микросхем, насколько сложен этот процесс и требует ли он каких либо определенных знаний, сложны ли схемы простых металлоискателей, что для этого потребуется, и каков алгоритм подобной работы.
Популярные статьи 3D очки
Идея №2 – Используем радиоприемник

Еще один вариант простого, но не менее функционального металлоискателя можно собрать, используя следующие подручные средства:
- коробка от компакт-диска;
- радиоприемник, который работает в диапазоне «АМ»;
- калькулятор;
- двухсторонний скотч.
Подробное описание того, как быстро, просто и легко сделать металлоискатель из радио:
- На внутренних стенках коробки прикрепляем калькулятор и приемник, используя двухсторонний скотч.
- Включаем оба устройства, причем радиоприемник настраиваем на максимальную частоту (при этом, чтобы шум от радиостанций обязательно отсутствовал).
- Закрываем коробку и потихоньку открываем до появления более-менее чистого звука. В таком положении самодельный металлоискатель настроен на поиск.
Как Вы видите, изготовить самоделку можно не дольше, чем за 5 минут. Такой вариант подойдет для чайников в электрике, т.к. тут можно обойтись без чертежей и никакие микросхемы подсоединять не нужно.
Можно дополнительно сделать ручку, чтобы облегчить процесс пользования. С помощью такой самоделки можно проверить стену перед установкой розетки, а то вдруг при штроблении Вы попадете в старую проводку!
Вот, собственно, и есть те способы, которые наиболее разумно использовать, чтобы сделать металлоискатель в домашних условиях своими руками. Что касается паяния более сложной модели, по типу бабочки либо терминатора, тут уже дело Ваше. С одной стороны можно сэкономить не менее 5000 рублей (стоимость бюджетной модели устройства), но с другой стороны отзывы многих любителей самоделок говорят о том, что редко такие устройства работают так, как хотелось бы.
Также читают:

Кто не мечтал однажды найти клад и разбогатеть? Разница между людьми лишь в том, что одни дальше мечтаний не идут, а другие ищут. Но есть только единицы тех, кто что-либо находит в земле, а большинство, потратившись на дорогое оборудование, так и остается ни с чем.
Вот это и удерживает человека от приобретения металлоискателей, которые стоят приличных денег, но не дают гарантии того, будет что либо найдено или нет.
А с другой стороны, если бы такой прибор достался практически даром, то не обязательно ходить по лесам в поисках мифических сокровищ. Даже на приусадебном участке возможно выкопать несколько метров трубы или брошенного кабеля, который при сдаче его в пункт приема может принести деньги. А ведь они, как известно, лишними не бывают.
В таком случае необходимо разобраться, возможно ли сделать металлоискатель из радиоприемника или дисков своими руками без применения микросхем, насколько сложен этот процесс и требует ли он каких либо определенных знаний, сложны ли схемы простых металлоискателей, что для этого потребуется, и каков алгоритм подобной работы.
Популярные статьи Деревья из бисера
Монтаж схемы управления
Электрическая схема состоит из микросхемы K561ЛА7, ее обвязки для регулировки, усилителя, питания и динамика. Микросхема имеет 4 логических элемента. Двое из них создают нужную частоту, третий играет роль поисковой части. Конечный логический элемент сравнивает обе частоты и при разных значениях выдает положительный сигнал на усилитель, который подает усиленный сигнал на динамик.
Схема металлоискателя на микросхеме, описанной выше, изображена на рисунке 8.

Собирать электрические принципиальные схемы очень удобно на макетной плате с отверстиями (рис.9). Или изготавливаем самодельную печатную плату, изображенную на рисунке 10. Изготовить плату можно лазерно-утюжным методом или обычным рисованием. Травлю производим любым известным способом.

Производим пайку деталей и припаиваем проводками все выносные детали – регуляторы, разъем для наушников, датчика и батарейки.
После сборки схемы, закрепляем ее в корпусе. Туда же помещаем батарейку. В качестве корпуса подойдет пластмассовая, монтажная, самодельная из дерева и другие коробки на ваш выбор (рис. 11).

Для трех регуляторов и разъема датчика необходимо проделать соответствующие размерам отверстия. Можно последовательно батарейке добавить выключатель и так же вынести его на корпус. Необходимо предусмотреть маленькие отверстия для динамика, или, в случае с наушниками, плотно закрепить разъем.
Главным условием при сборке корпуса является доступность, например для смены батареи, и, в то же время, герметичность – от внезапного дождя. Можно закрепить красивые колпачки на регуляторы, разукрасить коробку и подписать регуляторы с выключателем.
Монтаж схемы управления
Электрическая схема состоит из микросхемы K561ЛА7, ее обвязки для регулировки, усилителя, питания и динамика. Микросхема имеет 4 логических элемента. Двое из них создают нужную частоту, третий играет роль поисковой части. Конечный логический элемент сравнивает обе частоты и при разных значениях выдает положительный сигнал на усилитель, который подает усиленный сигнал на динамик.
Схема металлоискателя на микросхеме, описанной выше, изображена на рисунке 8.
Собирать электрические принципиальные схемы очень удобно на макетной плате с отверстиями (рис.9). Или изготавливаем самодельную печатную плату, изображенную на рисунке 10. Изготовить плату можно лазерно-утюжным методом или обычным рисованием. Травлю производим любым известным способом.
Производим пайку деталей и припаиваем проводками все выносные детали – регуляторы, разъем для наушников, датчика и батарейки.
После сборки схемы, закрепляем ее в корпусе. Туда же помещаем батарейку. В качестве корпуса подойдет пластмассовая, монтажная, самодельная из дерева и другие коробки на ваш выбор (рис. 11).
Для трех регуляторов и разъема датчика необходимо проделать соответствующие размерам отверстия. Можно последовательно батарейке добавить выключатель и так же вынести его на корпус. Необходимо предусмотреть маленькие отверстия для динамика, или, в случае с наушниками, плотно закрепить разъем.
Главным условием при сборке корпуса является доступность, например для смены батареи, и, в то же время, герметичность – от внезапного дождя. Можно закрепить красивые колпачки на регуляторы, разукрасить коробку и подписать регуляторы с выключателем.
Комплектующие для схемы
Ниже описаны основные детали и требования к ним, необходимые для качественной сборки схемы:
- Конденсаторы рекомендуется закупать в радиомагазине, но если хочется получить их бесплатно из старых схем, то измеряйте емкость перед использованием. Главное требование к ним – температурная устойчивость, это спасет вас от постоянных сбоев металлоискателя. Отлично подойдут керамические или слюдяные. При сборке не забываем учитывать полярность электролитических конденсаторов – на бочонке в стороне минуса нарисованы одна или несколько полосок (рис. 5). Понадобятся следующие конденсаторы: электролитический 100 мкФ х 16 В – 1 шт.; 1000 пФ – 3 шт.; 22 нФ – 2 шт.; 300 пФ – 1 шт.
Постоянные резисторы можно использовать старые, так как они не теряют свои характеристики с течением времени. Переменные лучше всего купить новые, чтобы обеспечить точную настройку частоты на микросхемах
Особое внимание стоит уделить контактам переменного резистора, так как по схеме два контакта должны быть соединены между собой, а опыт показывает, что многие новички этого не замечают. Так же необходимо заземлить их корпус для исключения помех при регулировке
Понадобятся 5 постоянных резисторов номиналами 22 Ом, 1кОм, 4,7 кОм, 10 кОм, 470 кОм и 3 переменных резистора номиналами 1, 5 и 20 кОм.
Микросхема K561ЛА7 в DIP корпусе. Отсчет ног на микросхемах начинается сверху против часовой стрелке от ключа – специальной выемки на корпусе. В качестве аналога можно сделать металлоискатель на микросхеме K561ЛЕ5 или CD4011.
Транзистор KT315 очень распространен в старой радиоаппаратуре. Но его можно заменить множеством других транзисторов: KT3102, BC546, 2SC639 и схожие по характеристикам маломощные низкочастотные транзисторы. Внимательно изучаем выводы транзистора перед пайкой, у KT315 они расположены слева направо от лицевой части – эмиттер, коллектор, база (рис. 6):
- Диод выбираем любой маломощный из отечественных или импортных производителей – кд522Б, кд105, кд106, in4148, in4001 и другие. Перед пайкой прозванием его мультиметром, чтобы не перепутать местами анод и катод.
- Стандартные наушники от телефона или mp3 плеера, или миниатюрный динамик со старой техники. В случае использования наушников можно использовать разъем или прямую пайку.
- Батарейка крона 9 В и контакты для нее (рис. 7):
- Разъем для штекера кабеля датчика подбираем заранее, при изготовлении датчика.
После сборки всех необходимых деталей, можно смело приступать к монтажу их по схеме, описанной ниже.
Временная диаграмма работы счетчика К561ИЕ8

На рисунке ниже приведено условное обозначение микросхемы К561ИЕ8:
Несколько примеров применения счетчика К561ИЕ8
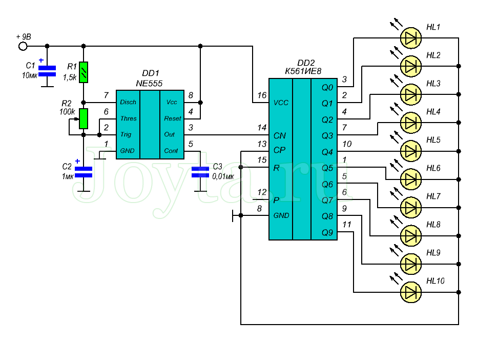
Бегущие огни на светодиодах
Если вы хотите построить бегущие огни на 10 светодиодах, то для этого можно использовать микросхему К561ИЕ8 совместно с таймером NE555.
Паяльная станция 2 в 1 с ЖК-дисплеем
Мощность: 800 Вт, температура: 100…480 градусов, поток возду…
Подробнее

Схема позволяет организовать быстрое поочередное свечение каждого светодиода. Источник тактовых импульсов построен на таймере NE555, который включен в схему как генератор прямоугольных импульсов. Частота импульсов на выходе NE555, а следовательно и скорость бегущих огней, регулируется переменным резистором R2.
Так же можно увеличить число светодиодов путем каскадного подключения счетчиков. Такую работу К561ИЕ8 вы можете посмотреть в программе Proteus.

3 счетчика К561ИЕ8 каскадом (Proteus) (13,5 KiB, скачано: 3 530)
Таймер на К561ИЕ8
С помощью десятичного счетчика К561ИЕ8 можно собрать простой таймер. При нажатии кнопки SА1 происходит разряд конденсатора С1 через резистор R1. Когда кнопка SА1 отпущена, конденсатор C1 будет заряжаться через резистор R2, вызывая нарастающий фронт на тактовом входе (14) счетчика К561ИЕ8. Это приведет к тому, что на выходе Q1 появляется высокий логический уровень (практически напряжение питания), в результате чего будет светиться светодиод HL1.

В то же время конденсатор С2 начнет заряжаться через сопротивления R4 и R5. Когда напряжение на нем достигнет примерно половины напряжения питания, это приведет к сбросу счетчика. Выход Q1 перейдет в низкий уровень, светодиод погаснет и конденсатор С2 будет разряжаться через диод VD1 и резистор R3. После этого схема будут оставаться в таком стабильном состоянии, пока кнопка SА1 не будет нажата снова.
Изменяя сопротивление R4 можно выбирать необходимый интервал таймера в диапазоне от 5 секунд и 7 минут. Ток потребления данной схемы в состоянии ожидания составляет несколько микроампер, в режиме работы примерно 8 мА в основном за счет свечения светодиода.
Полицейский проблесковый маячок
Эта схема имитирует огни полицейского проблескового маячка. В результате работы устройства, чередуется мигание красных и синих светодиодов, причем каждый цвет мигает по три раза.

Генератор тактовых импульсов для счетчика К561ИЕ8 построен на таймере NE555. Ширина этих импульсов может быть изменена путем подбора сопротивлений R1, R2 и емкости C2. Импульсы с выхода счетчика, через диоды, поступают на два транзисторных ключа, которые управляют миганием светодиодов.
Изготовление датчика
Схемы металлоискателей для разных устройств полностью отличаются друг от друга. Однако качественно собранный датчик может использоваться как универсальный для различных металлоискателей, работающих по одному принципу работы.
Для обмотки датчика используем лакированный провод ПЭВ или ПЭЛ диаметром 0,5 – 0,7 мм, который без проблем можно найти в магазине или старых кинескопных телевизорах и мониторах (рис. 2).
При диаметре катушки 20 см наматываем 100 витков провода. При других диаметрах изменяем количество витков, рассчитывая, что при 25 и 15 см диаметра наматывается 80 и 120 витков соответственно. После выполнения обмотки плотно обматываем ее изолентой, оставляя с запасом начало и конец провода.
Изготавливаем экран Фарадея, чтобы исключить различные помехи в катушке и микроконтроллерах. Необходимо обмотать катушку поверх изоленты пищевой фольгой. В конце обмотки фольгу не соединяем и оставляем разрыв в 2-3 см. Поверх фольги наматываем вразброс немного неизолированного провода маленького сечения (рис. 3).
В нескольких местах можно выполнить пайку провода и фольги. Все это снова обматываем изолентой.
После произведенных действий у нас должна получиться изолированная катушка с двумя вывода обмотки и выводом экрана. Соединяем их с экранированным кабелем от видео или аудиоаппаратуры. Экран кабеля соединяем с проводом от фольги, а жилы кабеля с проводами от катушки. Все это пропаиваем и надежно изолируем изолентой. На конце кабеля приделываем штекер с качественными контактами. Лучший вариант, если они позолоченные или серебряные. Штекер можно найти в кабелях для различной аппаратуры, там же берем и разъем.
Остается сделать корпус для катушки. Можно использовать два круглых диска из диэлектрического материала – фанеры, толстого картона или пластика. Между дисками помещаем обмотку. Затем пластмассовыми креплениями, которые можно приобрести в сантехническом магазине, плотно скрепляем эти два диска. Для поиска в водной среде можно герметизировать датчик эпоксидной смолой или специальными герметиками.
На верхнем диске прикручиваем или приклеиваем ушки из пластика или другого диэлектрического материала. Они понадобятся для крепления к штанге (рис. 4).
Сборка и настройка устройства
Когда датчик и блок управления готовы, необходимо связать их в готовый металлоискатель. Для этого понадобится штанга. Сделать ее можно из ПВХ труб и переходников, которые путем подогрева подогнуть под нужные размеры и форму. Можно так же воспользоваться обычным деревянным шестом, костылем или телескопической удочкой. Какие материалы выбрать зависит от ваших предпочтений – учитывайте вес, гибкость и длину. Для удобства можно соорудить ручку и подлокотник, а так же сделать штангу разборной (рис. 12).
Далее закрепляем датчик с готовыми ушками к штанге. Воспользуйтесь пластиковым крепежом, надежным клеем или сантехническими переходниками. Таким же образом закрепляем блок управления.
Чтобы произвести настройку, подключаем батарейку и датчик. Так как металлоискатели являются чувствительными устройствами, то для правильной настройки необходимо убрать все металлические предметы вокруг. Включаем его и наблюдаем один из двух вариантов:
Если после включения идеальная тишина или еле слышный писк, то тут два варианта:
а) Генераторы работают на одной частоте. Такие случаи редкие, но бывают. Попробуйте покрутить регуляторы плавной R7 и грубой R8 настройки. Если тишина сменится на громкий тональный звук, то схема работает. Возвращаем регуляторы в начальное положение и пытаемся плавным регулятором R7 добиться наилучших результатов, например полного отсутствия звука;
б) Неисправность схемы. Внимательно перепроверяем всю схему и радиодетали.
Если после включения идет гул или высокий тон
, то пробуем уменьшить его вращением регулятора грубой настройки R8, а достигнув лучшего результата, подстраиваем R7. Если металлоискатель не реагирует на вращение регуляторов, то частота эталонного генератора слишком отличается от частоты поисковой цепи. В таком случае пробуем поймать нужную частоту изменением конденсатора С6 и резистора R6.
Всю настройку значительно может упростить осциллограф. Суть настройки заключается в том, чтобы добиться одинаковой или близкой по величине частоты выводов 5 и 6 на микроконтроллере. Регулировку частоты можно производить вышеописанными способами.
Если вы осилили сборку данного устройства, можете смело попробовать собрать более сложный металлоискатель на трех микросхемах или микроконтроллере.
Устройство металлодетектора
Металлоискатель – самый главный инструмент ручного поиска металлов в хаотичной природной или искусственной среде. С помощью такого прибора можно искать не только чёрный металл, но и золото, серебро, другие драгоценные металлы. Принцип устройства любого металлоискателя основан на электромагнитных эффектах.
Вот как работает типичная технология поиска металла:
- Прибор создаёт электромагнитное поле.
- Металлический объект, скрытно расположенный в инородной среде, оказывает воздействие на такое поле, когда попадает в сферу его влияния.
- Прибор улавливает воздействие объекта на электромагнитное поле и сигнализирует об этом.
Большее количество моделей металлоискателей работают именно на таком принципе.
Технические различия такой аппаратуры позволяют получить более полную информацию о факте обнаружения металлического объекта, например:
- оценить массу находки;
- получить данные о форме, размерах и конфигурации объекта;
- уточнить место расположения, в том числе – по глубине.
Самые простые, примитивные металлоискатели (обычно это самодельные конструкции для поиска золота, серебра и других металлов энтузиастов-любителей) собирают из готовых устройств и изделий, работающих с использованием электромагнитных эффектов.
Многие знакомы с примитивной, но вполне работоспособной схемой металлоискателя, в котором электромагнитное поле создаёт импульсный элемент обычного калькулятора.
Популярные статьи Заколка с цветком
Реакцию создаваемого поля на обнаруженные металлические объекты улавливает самый простой бытовой радиоприёмник. Сигнал о такой находке — звуковой, достаточно отчётливый и понятный.
Более сложные любительские и профессиональные устройства поиска металлов сохраняют логическую основу технологии в виде трёх компонентов:
- генератора электромагнитного поля;
- датчика изменений этого поля;
- аппаратуры оценки обнаруженных аномалий, сигнализирующей об этом.
Устройства разного уровня сложности и функционального потенциала могут быть условно разделены на группы. Классификация на основе профессионализма и специализации пользователей – одна из общепризнанных:
- любительская аппаратура, собранная собственноручно и используемая в качестве инструмента хобби или новичками в деле поиска металлов;
- полупрофессиональная аппаратура, необходимая увлечённым любителям и фанатикам;
- профессиональные металлоискатели для постоянно работающих в этой сфере;
- специальные аппараты для мастеров поиска металла в сложных условиях – на глубине, под водой, с выделением драгоценных металлов.
Распространение аппаратуры поиска металлов таково, что многие устройства этого типа можно приобрести в магазинах садового и дачного инвентаря.
Аппарат для поиска и обнаружения металла нужен не только в деле рециклинга, в поиске артефактов и кладов. Многочисленные системы безопасности, всем известные рамки – одна из версий технологии поиска металла. Настройки этих рамок ориентированы на поиск оружия и аналогичных опасных предметов.
Катушка
Очень важный узел аппаратуры поиска металлов – катушка или рамка. Это чаще всего обмотка специальной конфигурации, задача которой сформировать электромагнитное поле и уловить его реакцию на обнаружение инородного для среды поиска металлического тела.
Многие любители изготавливают каркасы катушек самостоятельно. Это делается из соображений экономии средств или в надежде получить более качественный инструмент авторской конструкции.
Для этого используются подручные средства – пластмассовые изделия, фанера и даже заполнение монтажной строительной пеной собранной обмотки.
Оператор поиска или кладоискатель стремится найти наиболее эффективную технику работы с металлоискателем, выбирая нужные режимы работы электроники и правильные приёмы манипуляций катушкой.
Электронная схема
Логический элемент металлоискателя – электронная схема. Она выполняет много функций:
- Первая задача этого компонента заключается в создании электромагнитного сигнала нужного формата, который при помощи катушки преобразуется в поле.
- Вторая задача электронной схемы – анализ улавливаемых рамкой изменений поля, их обработка.
- Третья задача – подача информирующего сигнала оператору – звуком, светом, показаниями индикаторов и приборов.
Многие электронные устройства достаточно просты, их сборку может выполнить даже новичок. Полученное устройство будет работоспособным без настройки, если сборщик в точности выполнил рекомендации разработчика такой схемы.
Сборка и настройка устройства
Когда датчик и блок управления готовы, необходимо связать их в готовый металлоискатель. Для этого понадобится штанга. Сделать ее можно из ПВХ труб и переходников, которые путем подогрева подогнуть под нужные размеры и форму. Можно так же воспользоваться обычным деревянным шестом, костылем или телескопической удочкой. Какие материалы выбрать зависит от ваших предпочтений – учитывайте вес, гибкость и длину. Для удобства можно соорудить ручку и подлокотник, а так же сделать штангу разборной (рис. 12).
Далее закрепляем датчик с готовыми ушками к штанге. Воспользуйтесь пластиковым крепежом, надежным клеем или сантехническими переходниками. Таким же образом закрепляем блок управления.
Чтобы произвести настройку, подключаем батарейку и датчик. Так как металлоискатели являются чувствительными устройствами, то для правильной настройки необходимо убрать все металлические предметы вокруг. Включаем его и наблюдаем один из двух вариантов:
Если после включения идеальная тишина или еле слышный писк, то тут два варианта:
а) Генераторы работают на одной частоте. Такие случаи редкие, но бывают. Попробуйте покрутить регуляторы плавной R7 и грубой R8 настройки. Если тишина сменится на громкий тональный звук, то схема работает. Возвращаем регуляторы в начальное положение и пытаемся плавным регулятором R7 добиться наилучших результатов, например полного отсутствия звука;
б) Неисправность схемы. Внимательно перепроверяем всю схему и радиодетали.
Если после включения идет гул или высокий тон
, то пробуем уменьшить его вращением регулятора грубой настройки R8, а достигнув лучшего результата, подстраиваем R7. Если металлоискатель не реагирует на вращение регуляторов, то частота эталонного генератора слишком отличается от частоты поисковой цепи. В таком случае пробуем поймать нужную частоту изменением конденсатора С6 и резистора R6.
Всю настройку значительно может упростить осциллограф. Суть настройки заключается в том, чтобы добиться одинаковой или близкой по величине частоты выводов 5 и 6 на микроконтроллере. Регулировку частоты можно производить вышеописанными способами.
Если вы осилили сборку данного устройства, можете смело попробовать собрать более сложный металлоискатель на трех микросхемах или микроконтроллере.
Детали самодельного металлоискателя:
- Микросхемы; К176ЛА7, К176ЛА9
- Кварцевый резонатор; 1 МГц
- Варикап; Д901Е
- Резисторы; 150к-3шт., 30к-1шт.
- Резистор переменного сопротивления; 10к-1шт.
- Конденсатор электролитический;50Мкф/15 вольт
- Конденсаторы; 0.047-2шт., 100-4шт., 0,022, 4700, 390
Большинство деталей расположены на печатной плате:
Всё устройство я разместил в обычной мыльнице, экранировав от помех алюминиевой фольгой, которую соединил с общим проводом:
Так как для кварца не предусмотрено место на печатной плате, то он располагается отдельно. Гнездо под наушники и регулятор частоты для удобства я вывел с торца мыльницы:
Весь блок металлодетектора при помощи двух хомутиков разместил на отрезке лыжной палки:
Осталась самая ответственная часть: изготовить поисковую катушку.
Катушка для металлоискателя
От качества изготовления катушки будет зависеть чувствительность устройства, стойкость к ложным срабатываниям, так называемым фонтонам. Хотелось бы сразу заметить, что от размера катушки напрямую зависит глубина обнаружения предмета. Так, чем больше диаметр, тем глубже прибор сможет обнаружить цель, но размер этой цели также должен быть больше, например, канализационный люк (маленький предмет с большой катушкой металлоискатель просто не увидит). И наоборот, катушка маленького диаметра способна обнаружить маленький предмет, но находящийся не очень глубоко ( например, маленькая монета или кольцо).
Поэтому я сначала намотал катушку среднего размера, так сказать, универсальную. Забегая вперёд, хочу сказать, что металлоискатель задумывался на все случаи жизни, то есть катушки должны быть разного диаметра и их можно менять. Чтобы быстро сменить катушку, я поставил на штангу разъём, который выдернул из старого лампового телевизора:
Ответную часть разъёма я закрепил на катушке:
В качестве каркаса для будущей катушки я использовал пластмассовый ковш, который был куплен в хозяйственном магазине. Диаметр ковша следует подобрать приблизительно равным 200 мм. От ковша следует отрезать часть ручки и днища так, чтобы остался пластмассовый ободок, на который следует намотать 50 витков провода ПЭЛШО диаметром 0,27 миллиметров. На часть оставшейся ручки следует закрепить разъем. Получившуюся катушку изолируем при помощи изоленты в один слой. Затем нам нужно эту катушку заэкранировать от помех. Для этого нам понадобится алюминиевая фольга в виде полосы, которой мы обмотаем сверху так, чтобы концы получившегося экрана не замкнулись и расстояние между ними было приблизительно 20 миллиметров. Получившийся экран следует соединить с общим проводом. Сверху я также обмотал изолентой. Конечно, можно все это пропитать эпоксидным клеем, но я оставил так.
После испытаний большой катушки я понял, что нужно изготовить маленькую, так называемую снайперку, чтобы было легче обнаруживать предметы небольших размеров.
Готовые катушки выглядят вот так:
Настройка готового металлоискателя
Прежде чем начать настраивать металлоискатель, нужно убедиться в отсутствии металлических предметов вблизи поисковой катушки. Настройка заключается в подборе емкости конденсатора C2, для того чтобы получить максимальный уровень биений, который мы слышим в наушниках, так как в сигнале присутствуют множество гармоник(нужно выделить самую сильную). При этом движок переменного резистора R2 должен находиться как можно ближе к середине:
Штанга у меня получилась из двух частей, трубки были подобраны таким образом, что они входят друг в друга очень плотно, благодаря чему не пришлось придумывать специального крепления для этих трубок. Также были изготовлены подлокотник и рукоятка, чтобы было удобно выполнять проводку над землей. Как показала практика, это очень удобно: рука совершенно не устает. В разобранном виде металлоискатель получился очень компактный и умещается буквально в пакет:
Внешний вид готового прибора выглядит вот так:
В заключение хотелось бы сказать, что данный металлоискатель не подходит лицам, которые собираются работать по старине. Так как в нем нет дискриминации по металлам, вам придется копать все подряд. Скорее всего, вы очень сильно разочаруетесь. А вот любителям собирать металлолом данное устройство будет в помощь. Да и просто как развлечение детям.
https://youtube.com/watch?v=PUf0AuG0SXw
https://youtube.com/watch?v=IQHpgs-2Po4
https://youtube.com/watch?v=-RyOnRLYIJ4





