Импульсный блок питания 12 V своими руками — схема
Существует большое количество различных схем блоков питания, имеющих различные технические характеристики и собранных на различных электронных компонентах. Ниже представлена схема импульсного БП с вторичным напряжением 12 Вольт.
Принципиальная схема импульсного блока питания
При самостоятельном изготовлении подобных устройств необходимо помнить, что для обеспечения заданной пульсации напряжения на выходе ёмкость конденсаторов должна приниматься из расчёта 1 мкФ на 1 Вт выходной мощности. Электролитические конденсаторы должны быть рассчитаны на напряжение не менее 350 В. Оптимальное соотношение мощности БП и технических характеристик электронных компонентов приведено в следующей таблице:
| Блок питания | Элементы схемы | ||
| Мощность, кВт | Ток, А | Ток диода, А | Ёмкость конденсатора, мкФ |
| 0,1 | 0,4 | 0,2 | 100 |
| 0,2 | 0,8 | 0,4 | 200 |
| 0,3 | 1,2 | 0,6 | 300 |
| 0,5 | 2 | 1 | 500 |
| 1 | 4 | 2 | 1 000 |
| 2 | 8 | 4 | 2 000 |
| 3 | 12 | 6 | 3 000 |
| 5 | 20 | 10 | 5 000 |
Получаем 12 Вольт из 220
Наиболее часто стоит задача получить 12 вольт из бытовой электросети 220В. Это можно сделать несколькими способами:
- Понизить напряжение без трансформатора.
- Использовать сетевой трансформатор 50 Гц.
- Использовать импульсный блок питания, возможно в паре с импульсным или линейным преобразователем.
Понижение напряжения без трансформатора
Преобразовать напряжение из 220 Вольт в 12 без трансформатора можно 3-мя способами:
- Понизить напряжение с помощью балластного конденсатора. Универсальный способ используется для питания маломощной электроники, например светодиодных ламп, и для заряда небольших аккумуляторов, как в фонариках. Недостатком является низкий косинус Фи у схемы и невысокая надежность, но это не мешает её повсеместно использовать в дешевых электроприборах.
- Понизить напряжение (ограничить ток) с помощью резистора. Способ не очень хороший, но имеет право на существование, подойдет, чтобы запитать какую-то очень слабую нагрузку, типа светодиода. Его основной недостаток – это выделение большого количества активной мощности в виде тепла на резисторе.
- Использовать автотрансформатор или дроссель с подобной логикой намотки.
Гасящий конденсатор
Прежде чем приступить к рассмотрению этой схемы предварительно стоит сказать об условиях, которые вы должны соблюдать:
- Блок питания не универсальный, поэтому его рассчитывают и используют только для работы с одним заведомо известным прибором.
- Все внешние элементы блока питания, например регуляторы, если вы будете использовать дополнительные компоненты для схемы, должны быть изолированы, а на металлических ручках потенциометров надеты пластиковые колпачки. Не касайтесь платы блока питания и проводов для подключения выходного напряжения, если к ним не подключена нагрузка или если в схеме не установлен стабилитрон или стабилизатор для низкого постоянного напряжения.
Тем не менее, такая схема вряд ли вас убьёт, но удар электрическим током получить можно.
Схема изображена на рисунке ниже:
R1 – нужен для разрядки гасящего конденсатора, C1 – основной элемент, гасящий конденсатор, R2 – ограничивает токи при включении схемы, VD1 – диодный мост, VD2 – стабилитрон на нужное напряжение, для 12 вольт подойдут: Д814Д, КС207В, 1N4742A. Можно использовать и линейный преобразователь.
Или усиленный вариант первой схемы:
Номинал гасящего конденсатора рассчитывают по формуле:
С(мкФ) = 3200*I(нагрузки)/√(Uвход²-Uвыход²)
С(мкФ) = 3200*I(нагрузки)/√Uвход
Но можно и воспользоваться калькуляторами, они есть в онлайн или в виде программы для ПК, например как вариант от Гончарука Вадима, можете поискать в интернете.
Конденсаторы должны быть такими – пленочными:
Остальные перечисленные способы рассматривать не имеет смысла, т.к. понижение напряжения с 220 до 12 Вольт с помощью резистора не эффективно ввиду большого тепловыделения (размеры и мощность резистора будут соответствующие), а мотать дроссель с отводом от определенного витка чтобы получить 12 вольт нецелесообразно ввиду трудозатрат и габаритов.
Блок питания на сетевом трансформаторе
Классическая и надежная схема, идеально подходит для питания усилителей звука, например колонок и магнитол. При условии установки нормального фильтрующего конденсатора, который обеспечит требуемый уровень пульсаций.
В дополнение можно установить стабилизатор на 12 вольт, типа КРЕН или L7812 или любой другой для нужного напряжения. Без него выходное напряжение будет изменяться соответственно скачкам напряжения в сети и будет равно:
Uвых=Uвх*Ктр
Ктр – коэффициент трансформации.
Здесь стоит отметить, что выходное напряжение после диодного моста должно быть на 2-3 вольта больше, чем выходное напряжение БП – 12В, но не более 30В, оно ограничено техническими характеристиками стабилизатора, и КПД зависит от разницы напряжений между входом и выходом.
Трансформатор должен выдавать 12-15В переменного тока. Стоит отметить, что выпрямленное и сглаженное напряжение будет в 1,41 раз больше входного. Оно будет близко к амплитудному значению входной синусоиды.
Также хочется добавить схему регулируемого БП на LM317. С его помощью вы можете получить любое напряжение от 1,1 В до величины выпрямленного напряжения с трансформатора.
Проблемы при подключении

Принципиальная схема подключения светодиодов.
Принципиальная схема подключения светодиодов:
- Не использовать токоограничивающий резистор. Поскольку через светодиод будет проходить слишком большой ток, он вскоре выйдет из строя.
- Последовательное включение без резистора. Даже если вам кажется, что запитать четыре 3-вольтовых резистора к 12-вольтовой сети – это хорошая идея, вы заблуждаетесь. Из-за слабого контроля силы тока элементы быстро разрушаются.
- Использование одного резистора при параллельном подключении диодов. Из-за отличий в характеристиках диоды будут светить с разной интенсивностью. Увеличивается скорость разрушения.
https://youtube.com/watch?v=4jAnsqTsfNU
Как упростить конструкцию
Как уже говорилось, DC-DC инвертор имеет функцию автоматического отключения. Но можно при желании от нее отказаться, что неплохо упростит конструкцию. Резистор R14 тогда надо заменить перемычкой, а операционный усилитель U2 и элементы, которые с ним работают, не будут нужны вообще. Не нужна также установка транзистора T4. Вместо кнопки можно использовать любой переключатель соответствующей мощности, что позволит включить преобразователь тумблером. В случае, если схема будет работать в постоянном режиме, не нужен и транзистор T1 — соедините его эмиттер с коллектором с помощью перемычки.
Как сделать своими руками
Умея работать с паяльником и имея начальные знания в электротехнике и зная, как работают электронные устройства, можно изготовит преобразователь напряжения своими руками.
В зависимости от наличия радиодеталей и возможности их приобретения, схемы собираемого инвертора, могут быть различны. Наиболее просто изготовить выпрямитель на основе ШИМ-контроллера марки TLT494 (схема приведена ниже):
При такой конфигурации, устройство, после сборки, будет обладать следующими техническими характеристиками: мощность – до 0,3 кВт, сигнал на выходе – модифицированная синусоида, напряжение на выходе – 220 В, частотой несколько выше 50,0 Гц.
Используя генератор импульсов, в качестве которого может выступать микросхема КР1211ЕУ1, также можно собрать преобразователь напряжения. Подобная схема приведена ниже:
Мощность инвертора, собранного по этой схеме, может достигать 0,4 кВт.
Преобразователь 12/220 В, на транзисторах, это еще один вариант самостоятельного изготовления подобного устройства. Вариант схемы, при использовании транзисторов, приведен на ниже следующем рисунке:
В данной схеме использованы транзисторы IRFZ44, которые в случае необходимости заменить на IRFZ40/46/48 или IRF3205/IRL3705, и транзисторы TIP41 (КТ819), которые также заменяемы, при необходимости, на КТ805, КТ815, КТ817 и подобные.
Собранная схема (устройство), обладает следующими характеристиками: мощность – до 0,3 кВт, входное напряжение — 3,5-18 В, выходное напряжение – 220 В, частотой 57 Гц, форма выходных импульсов – прямоугольная.
Достоинствами данной схемы являются: простота и возможность сборки даже человеку с начальными знаниями и умениями, малая стоимость комплектующих, компактные размеры монтажной платы и устройства в целом, возможность замены комплектующих.
Недостатками можно считать: в схеме не предусмотрена защита от токов короткого замыкания, КПД ниже, чем у изделий заводской сборки, при работе трансформатор шумит.
ЗАГЛУШАЮЩИЙ ТЕПЛОПРИЕМНИК
Перед тем как мы разберем эту тему, расскажем о правилах которые требуется выполнять:
- Питательный блок предназначен для работы только с одним прибором.
- Каждый из внешних элементов должен быть закрыт изоляцией. Не трогайте электронную схему блока, если к ней не подсоединена нагрузка или к нему не подключен стабилизатор для понижения постоянного тока.
Эта последовательность не может привести к смерти, но гарантировано неприятное действие электричества.
Значение уменьшающего охладителя выясняется по уравнению:
Ц (микрофарад)=3200 x I(нагрузки)/ корень из(U вход кв.-U выход кв.) или Ц (мкФ)=3200 x I(нагрузки)/ корень из U вход
Другими способами получать бесполезно, из-за снижения интенсивности с 220 до 12 В, резистором, выделяется очень много тепла, а выполнять обмотку дросселя для получения нужных Вольт не имеет смысла, потому что это очень затратно и трудновыполнимо.
Преобразователь с 12В на 220В своими руками: пошаговое описание как сделать инвертор правильно (схемы, 95 фото + видео)
В местах далёких от цивилизации и её благ нередко хочется иметь доступ к хоть какой ни будь розетке. Если ночью требуется осветить местность, то для этого хорошо подойдут светодиодные лампы, но вот розетку для их подключения посреди леса будет найти весьма не просто.
Или например если внезапно отключили электричество на даче, поставить на огонь кипятиться электрочайник, увы не лучший вариант.
Выкрутиться из подобной ситуации помогут весьма распространённые в последнее время преобразователи.
Многие видели в машине у друзей или на фото, преобразователи с 12 на 220 вольт. Этот спасительный прибор помогает справиться с возникшими трудностями и улучшить качество отдыха на природе.
Какие бывают преобразователи
В современно мире существует множество видов преобразователей тока, как небольших для минимальных потребностей, так и крупных способных обеспечить энергией несколько электроприборов.
Для самых простых нужд можно использовать преобразователи работающие от прикуривателя в автомобиле. Работу холодильника они конечно обеспечить не смогут, но вот радио или зарядку телефона, планшета, ноутбука вполне осилят.
Благодаря ШИМ контролерам преобразователи заметно шагнули вперёд. Вырос коэффициент полезного действия, а форма тока приблизилась к привычным для приборов форме чистого синуса. А максимальная мощность выросла до нескольких кило ватт.
https://youtube.com/watch?v=UjQ_4Ea4iUk
Конечно всё это касается лишь дорогих и массивных преобразователей. Но и более простые, тоже не стояли на месте и улучшали свои характеристики.
Время работы будет ограниченно мощностью и ёмкостью аккумулятора. И если вы на долго отправляетесь в путешествие, то не следует слишком сильно нагружать аккумулятор и ограничивать себя в потреблении электроэнергии.
Для отдыха не природе лучше всего подойдёт компактный маломощный преобразователь. Его вполне хватит для бытовых нужд в походе.
Не каждый бытовой прибор сможет работать с такой формой тока и может вовсе прийти в негодность. Поэтому следует внимательно подходить к выбору приборов для поездок на природу.
Существует три вида преобразователей напряжения с 12 на 220 В:
- Автомобильный;
- Компактный;
- Стационарный тип.
Также нельзя забывать, что чем выше нагрузка на преобразователь, тем ниже его КПД. И если в этом нет необходимости, нагружать его следует минимально, чтобы не расходовать драгоценную энергию впустую.
Характеристики преобразователей
Прежде чем идти в магазин за преобразователем необходимо определиться с моделью. Для этого следует хорошо понимать под какие задачи он приобретается. И после этого изучив характеристики можно определиться с выбором.
В рекламе часто говорят об их чудесной максимальной мощности, но забывают рассказать, что работать в таком режиме преобразователь сможет лишь 5-10 минут, после чего перегреется и уйдёт в защитный режим остывать.
Давайте подробно разберёмся с возможными характеристиками и их влиянием.
Рабочая мощность
Пожалуй самый важный аспект при выборе. Стоит внимательно обдумать для чего вам преобразователь, какие приборы он будет питать.
Покупать прибор мощностью в 5 кВт для зарядки телефона будет просто не рационально. А преобразователь работающий от прикуривателя, попросту не справится с «тяжёлой» электротехникой.
КПД
Может показаться не столь значительным параметром, но в боевых условиях именно от него будет зависеть комфорт. Показатель КПД говорит о том, сколько энергии будет утеряно.
Если при зарядке смартфона этот показатель не окажет сильного влияния, то при подключении бытовых приборов потерять 1 кВт энергии из 5 будет очень не приятно.
Тип охлаждения
Тут есть два варианта активный и пассивный тип охлаждения. Если это маломощный преобразователь, то естественного отвода тепла вполне хватит. Но более серьёзные требуют хорошего охлаждения. Будет неприятно если через каждые 10 минут работы, преобразователь будет отключаться чтобы остыть.
Начинка
Тут всё просто чем дороже преобразователь, тем лучше его начинка. Различные уровни защиты, качество деталей. Всё это влияет на качество и долговечность прибора.
Не стоит максимально экономить на выборе, ведь от «неправильного» тока, могут пострадать электроприборы.
Преобразователь своими руками
Если вы постоянный посетитель радио рынка, а паяльник давно стал вашим продолжением руки. При помощи схемы простого инвертора тока, вы можете своими руки собрать небольшой прибор, который сможет питать карманные устройства.
Обзор производителей
Различные торговые точки могут предложить довольно широкий ассортимент инверторов-преобразователей напряжения 12-220 В. Инверторы выпускаются в различных странах — большинство из них производится в Китае, но это совсем не значит что они плохого качества. Ведь многие известные бренды из-за высокой конкуренции стремятся снизить себестоимость своей продукции, поэтому и переносят свои производственные мощности на территорию Китая.
Изучая предлагаемые рынком модели можно обратить внимание, что некоторые изделия имеют одинаковые характеристики, но при этом значительно различаются в цене. Связанно это с использованием той или иной радиоэлементной базы. Устройства, соответствующие заявленным характеристикам, собранные на качественной элементной базе и оборудованные необходимой защитой, надёжны в эксплуатации, поэтому стоят дороже
Устройства, соответствующие заявленным характеристикам, собранные на качественной элементной базе и оборудованные необходимой защитой, надёжны в эксплуатации, поэтому стоят дороже.
Наиболее популярными брендами являются:
- Wenchi. Тайваньский производитель радиоэлектронного оборудования. Присутствует на рынке уже более 23 лет. Его продукция сертифицирована во многих странах мира, включая Россию. Компания имеет свою лабораторию, в которой проводится испытание приборов и внедрение в их работу новых технологий. Спросом пользуются модели INS-1000W-12 и INS-200W-12.
- Mean Well. Ведущий разработчик импульсных блоков питания. Фирма постоянно модернизирует и расширяет ассортимент своей продукции. Хорошие технические характеристики и демократичная цена позволяют каждому покупателю выбрать оптимальное оборудование этой марки. Популярными моделями являются: A301−2K5-F3 PBF, A301−150-F3, TN-1500−212B.
- Gembird. Основанная в Голландии в 1997 году компания стала лидером в производстве компьютерной периферии источников питания. Хотя цех по производству инверторов находится в Китае, продукция проходит тщательный контроль и соответствует международным стандартам. Сервисные центры фирмы расположены во многих странах, что позволяет довольно быстро получить качественную помощь. Потребители часто выбирают инверторы серии Gembird I.
- Robiton. Российская компания, специализирующая на производстве элементов питания. Её продукция соответствует требованиям безопасности Европейского союза. На все свои изделия фирма предоставляет три года гарантии. Повышенным спросом пользуются модели R300 и R500.
https://youtube.com/watch?v=6UJhvvEnbDk
Простейший повышающий DC-DC преобразователь
Рубрики:
Своими руками
Yuriy
Здравствуйте, дорогие друзья. Сегодня я хочу поделиться с вами еще одной, гениальной в своей простоте, схемой повышающего DC-DC преобразователя (о первой схеме я писал в статье Простейшая схема питания светодиода от батарейки АА или ААА). Основываясь на этой схеме, я собрал два устройства. Первое устройство я обозвал «Модуль Чаплыгина«. Изображение этого модуля вы видите выше. Второе устройство представляет собой имитацию батареи «Крона«.
Автором приведенной ниже схемы (в несколько измененном виде) является А. Чаплыгин. Смотрите: А. Чаплыгин «ПРОСТОЙ ПРЕОБРАЗОВАТЕЛЬ НАПРЯЖЕНИЯ», журнал «Радио» №11 2001г.
Двухтактный генератор импульсов, в котором за счет пропорционального токового управления транзисторами существенно уменьшены потери на их переключение и повышен КПД преобразователя, собран на транзисторах VT1 и VT2 (КТ837К). Ток положительной обратной связи протекает через обмотки III и IV трансформатора Т1 и нагрузку, подключенную к конденсатору С2. Роль диодов, выпрямляющих выходное напряжение, выполняют эмиттерные переходы транзисторов. Особенностью генератора является срыв колебаний при отсутствии нагрузки, что автоматически решает проблему управления питанием. Проще говоря, такой преобразователь будет сам включаться тогда, когда от него потребуется что-нибудь запитать, и выключаться, когда нагрузка будет отключена. То есть, батарея питания может быть постоянно подключена к схеме и практически не расходоваться при отключенной нагрузке! При заданных входном UВx. и выходном UBыx. напряжениях и числе витков обмоток I и II (w1) необходимое число витков обмоток III и IV (w2) с достаточной точностью можно рассчитать по формуле: w2=w1 (UВых. — UBх. + 0,9)/(UВx — 0,5). Конденсаторы имеют следующие номиналы. С1: 10-100 мкф, 6.3 В. С2: 10-100 мкф, 16 В.
Транзисторы следует выбирать, ориентируясь на допустимые значения тока базы (он не должен быть меньше тока нагрузки!!!) и обратного напряжения эмиттер — база (оно должно быть больше удвоенной разности входного и выходного напряжений!!!).
Модуль Чаплыгина я собрал для того, чтобы сделать устройство для подзарядки своего смартфона в походных условиях, когда смартфон нельзя зарядить от розетки 220 В. Но увы… Максимум, что удалось выжать, используя 8 батареек соединенных параллельно, это около 350-375 мА зарядного тока при 4.75 В. выходного напряжения! Хотя телефон Nokia моей жены удается подзаряжать таким устройством. Без нагрузки мой Модуль Чаплыгина выдает 7 В. при входном напряжении 1.5 В. Он собран на транзисторах КТ837К.
А. Чаплыгин «ПРОСТОЙ ПРЕОБРАЗОВАТЕЛЬ НАПРЯЖЕНИЯ», журнал «Радио» №11 2001г.
Самодельный импульсный преобразователь напряжения из 1,5 в 9 Вольт для мультиметра
Успешные компании по производству АКБ в 12V
Чтобы электронное устройство служило как можно дольше, надо использовать в нем качественное аккумуляторное устройство.
Известные производители помогают продлевать жизнь таким приборам. В списках, зарекомендовавших себя с положительной стороны, считаются следующие производители:
- energizer – лидер данной продукции. При потреблении большого количества энергии данный тип аккумуляторных батарей просто незаменим. Позволяют продолжительное время поддерживать на высоте многие устройства;
- duracell – не менее мощный производитель. При правильном использовании товара срок его службы будет около пяти лет;
- camelion – немного уступает предыдущим компаниям, но цена на товар данного производителя значительно ниже. Качество изделий неплохое. Приборы, потребляющие много энергии, могут спокойно использовать данную продукцию в деле;
- panasonic – производитель хорошего качества. Батарейки обладают повышенной емкостью и немаленькой силой тока. Обычно их используют в устройствах для брелоков сигнализации;
- космос – уверенно держится на позиции, не уступающей иностранным лидерам. Батарейки данной компании обладают долговечны и эффективны;
- GP – 20 V АКБ данной фирмы не из дешевых, но они стоят того. Даже при огромных нагрузках щелочные аккумуляторы способны выдерживать напряжение и экономно расходовать энергию;
- varta – ценится многими покупателями. Несмотря на то, что цена ее выше, чем у батареек «космос» и «GP», считается ходовым товаром. Продукция данного производителя выпускается по современным технологиям и имеет длительный срок службы.
Каждая продукция, из перечисленных брендовых производителей, может гарантированно использоваться в оборудованиях, с напряжением в 12V.
Интегральный стабилизатор и стабилитрон
На Трехвыводных стабилизаторах напряжения построить стабильный источник нестандартного напряжения. Схемы в студию!

Что мы в результате видим? Видим стабилизатор напряжения и стабилитрон, подключенный к среднему выводу стабилизатора. ХХ – это две последние цифры, написанные на стабилизаторе. Там могут быть цифры 05, 09, 12 , 15, 18, 24. Может уже есть даже больше 24. Не знаю, врать не буду. Эти две последние цифры говорят нам о напряжении, которое будет выдавать стабилизатор по классической схеме включения:

Здесь стабилизатор 7805 выдает нам по такой схеме 5 Вольт на выходе. 7812 будет выдавать 12 Вольт, 7815 – 15 Вольт. Более подробно про стабилизаторы можно прочитать здесь.
U стабилитрона – это напряжение стабилизации на стабилитроне. Если мы возьмем стабилитрон с напряжением стабилизации 3 Вольта и стабилизатор напряжение 7805, то на выходе получим 8 Вольт. 8 Вольт – уже нестандартный ряд напряжения ;-). Получается, что подобрав нужный стабилизатор и нужный стабилитрон, можно с легкостью получить очень стабильное напряжение из нестандартного ряда напряжений ;-).
Давайте все это рассмотрим на примере. Так как я просто замеряю напряжение на выводах стабилизатора, поэтому конденсаторы не использую. Если бы я питал нагрузку, тогда бы использовал и конденсаторы. Подопытным кроликом у нас является стабилизатор 7805. Подаем на вход этого стабилизатора 9 Вольт от балды:

Следовательно, на выходе будет 5 Вольт, все таки как-никак стабилизатор 7805.
Теперь берем стабилитрон на Uстабилизации =2,4 Вольта и вставляем его по этой схеме, можно и без конденсаторов, все-таки делаем просто замеры напряжения.

Опа-на, 7,3 Вольта! 5+2,4 Вольта. Работает! Так как у меня стабилитроны не высокоточные (прецизионные), то и напряжение стабилитрона может чуточку различаться от паспортного (напряжение, заявленное производителем). Ну, я думаю, это не беда. 0,1 Вольт для нас погоды не сделают. Как я уже сказал, таким образом можно подобрать любое значение из ряда вон.
Получаем 12 Вольт из 220
Наиболее часто стоит задача получить 12 вольт из бытовой электросети 220В. Это можно сделать несколькими способами:
- Понизить напряжение без трансформатора.
- Использовать сетевой трансформатор 50 Гц.
- Использовать импульсный блок питания, возможно в паре с импульсным или линейным преобразователем.
Понижение напряжения без трансформатора
Преобразовать напряжение из 220 Вольт в 12 без трансформатора можно 3-мя способами:
- Понизить напряжение с помощью балластного конденсатора. Универсальный способ используется для питания маломощной электроники, например светодиодных ламп, и для заряда небольших аккумуляторов, как в фонариках. Недостатком является низкий косинус Фи у схемы и невысокая надежность, но это не мешает её повсеместно использовать в дешевых электроприборах.
- Понизить напряжение (ограничить ток) с помощью резистора. Способ не очень хороший, но имеет право на существование, подойдет, чтобы запитать какую-то очень слабую нагрузку, типа светодиода. Его основной недостаток – это выделение большого количества активной мощности в виде тепла на резисторе.
- Использовать автотрансформатор или дроссель с подобной логикой намотки.
Гасящий конденсатор
Прежде чем приступить к рассмотрению этой схемы предварительно стоит сказать об условиях, которые вы должны соблюдать:
- Блок питания не универсальный, поэтому его рассчитывают и используют только для работы с одним заведомо известным прибором.
- Все внешние элементы блока питания, например регуляторы, если вы будете использовать дополнительные компоненты для схемы, должны быть изолированы, а на металлических ручках потенциометров надеты пластиковые колпачки. Не касайтесь платы блока питания и проводов для подключения выходного напряжения, если к ним не подключена нагрузка или если в схеме не установлен стабилитрон или стабилизатор для низкого постоянного напряжения.
Тем не менее, такая схема вряд ли вас убьёт, но удар электрическим током получить можно.
Схема изображена на рисунке ниже:
R1 – нужен для разрядки гасящего конденсатора, C1 – основной элемент, гасящий конденсатор, R2 – ограничивает токи при включении схемы, VD1 – диодный мост, VD2 – стабилитрон на нужное напряжение, для 12 вольт подойдут: Д814Д, КС207В, 1N4742A. Можно использовать и линейный преобразователь.

Или усиленный вариант первой схемы:

Номинал гасящего конденсатора рассчитывают по формуле:
С(мкФ) = 3200*I(нагрузки)/√(Uвход²-Uвыход²)
Или:
С(мкФ) = 3200*I(нагрузки)/√Uвход
Но можно и воспользоваться калькуляторами, они есть в онлайн или в виде программы для ПК, например как вариант от Гончарука Вадима, можете поискать в интернете.
Конденсаторы должны быть такими – пленочными:

Или такие:

Остальные перечисленные способы рассматривать не имеет смысла, т.к. понижение напряжения с 220 до 12 Вольт с помощью резистора не эффективно ввиду большого тепловыделения (размеры и мощность резистора будут соответствующие), а мотать дроссель с отводом от определенного витка чтобы получить 12 вольт нецелесообразно ввиду трудозатрат и габаритов.
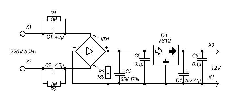
Блок питания на сетевом трансформаторе
Классическая и надежная схема, идеально подходит для питания усилителей звука, например колонок и магнитол. При условии установки нормального фильтрующего конденсатора, который обеспечит требуемый уровень пульсаций.

В дополнение можно установить стабилизатор на 12 вольт, типа КРЕН или L7812 или любой другой для нужного напряжения. Без него выходное напряжение будет изменяться соответственно скачкам напряжения в сети и будет равно:
Uвых=Uвх*Ктр
Ктр – коэффициент трансформации.

Здесь стоит отметить, что выходное напряжение после диодного моста должно быть на 2-3 вольта больше, чем выходное напряжение БП – 12В, но не более 30В, оно ограничено техническими характеристиками стабилизатора, и КПД зависит от разницы напряжений между входом и выходом.
Трансформатор должен выдавать 12-15В переменного тока. Стоит отметить, что выпрямленное и сглаженное напряжение будет в 1,41 раз больше входного. Оно будет близко к амплитудному значению входной синусоиды.
Также хочется добавить схему регулируемого БП на LM317. С его помощью вы можете получить любое напряжение от 1,1 В до величины выпрямленного напряжения с трансформатора.

Преобразование постоянного напряжения 24В или другого в 12В
О том, как сделать генератор на 12 вольт, рассказывается далее. Для этого используется метод линейной или импульсной стабилизации.

Такая потребность может появиться при необходимости запитать устройство с напряжением входа 12В и наличии напряжения 24В в бортовой электросети грузового автомобиля или автобуса.

При работающем двигателе автомобиля и мотоцикла напряжение может повыситься до 14,7 вольт, при норме 12В и, следовательно, этот метод стабилизации можно применять на любых средствах передвижения с двигателем.

В схемах с линейной стабилизацией ток нагрузки может достигать 1,5А. Для усиления выходного тока применяют проходной транзистор. Использование такой схемы приведет к уменьшению напряжения выхода на 0,5 вольта.

Также применяются стабилизаторы LDO, аналогичные линейным стабилизаторам AMS-1117-12v, с незначительным падением напряжения, а также их импульсные аналоги.





