Проектирование АС
Перед тем, как приступить к изготовлению АС, нужно подготовить проект колонок. Сначала необходимо правильно выбрать форму. Лучше остановиться на более простом классическом прямоугольном исполнении или кубическом, если планируется сделать сабвуфер.
Важно! Если колонка будет низкочастотная, нужно максимально точно вычислить ее объем, а также форму и положение фазоинвертора. В противном случае басы будут некачественными, а значит, эффекта от самодельного сабвуфера не будет.. После выбора формы нужно определиться с габаритами
Если внутри конструкции будет несколько динамиков, устройство должно быть высоким. Можно сделать колонку узкой, внутреннего объема хватит для обеспечения качественного звука. Рассчитывать объем следует достаточно приблизительно, отталкиваясь от диаметра и мощности низкочастотного динамика, если он присутствует в колонке. Точность в данном случае не имеет смысла, так как отклонения звуковой амплитуды от идеальной прямой линии услышать не может практически никто
После выбора формы нужно определиться с габаритами. Если внутри конструкции будет несколько динамиков, устройство должно быть высоким. Можно сделать колонку узкой, внутреннего объема хватит для обеспечения качественного звука. Рассчитывать объем следует достаточно приблизительно, отталкиваясь от диаметра и мощности низкочастотного динамика, если он присутствует в колонке. Точность в данном случае не имеет смысла, так как отклонения звуковой амплитуды от идеальной прямой линии услышать не может практически никто.
Следующий шаг – это подбор материала. Для корпуса лучше купить МДФ, но можно и другой материал, если он будет достаточно жестким, чтобы стенки не деформировались от вибрации динамиков, а также легким и иметь подходящую цену. Например, можно использовать многослойную фанеру, легко поддающуюся обработке. После сборки ее можно задекорировать шпоном. Недостаток данного материала – слабая твердость, поэтому внутрь потребуется установить ребра жесткости. Также можно использовать ГВЛ или ЦСП. Они имеют высокие звукоизолирующие свойства, что позволит сэкономить на материале для внутренней отделки, но при этом сложны в обработке и достаточно тяжелы.
Как выбрать лучшую автомобильную акустику
Основной параметр – это тип акустики:
- широкополосные;
- коаксильные;
- компонентные.
Широкополосная акустика состоит из одного динамика. Он проигрывает музыку во всех частотах (низкие, средние, верхние). Такой вариант подходит для прослушивания радио или негромкой музыки. Колонки этого типа – самые доступные, из-за чего автопроизводители встраивают их в свои машины. Покупать такую колонку рекомендуется только в случае, если в авто вообще нет динамиков. Тогда как менять ее на штатку, как правило, не имеет смысла.
Следующий тип – коаксильная акустика. Этот вид колонок считается продвинутым. Вместо одного динамика здесь сразу несколько, размещенных внутри одного корпуса. Отдельный динамик воспроизводит отдельный диапазон частот. Это делает воспроизводимый звук объемнее, повышает его чистоту.
Компонентные колонки, как и коаксильные, имеют одинаковый набор динамиков. Но размещены они в отдельных корпусах. Из-за этого звучание насыщенное, детализованное. Сегодня компонентные колонки – самые продвинутые, но и цена у них соответствующая.
Когда определились с типом акустики, переходят к остальным критериям:
- Номинальная и пиковая мощность. Номинальная – мощность, на которой динамик работает долгое время без искажения звука. Пиковая мощность обозначает пиковый уровень звука, выдаваемый колонкой. При этом на таком колонка работает лишь короткое время.
- Число полос. «Полосностью» обозначается ширина диапазона и количество динамиков, используемых в акустике для разделения звуков на частоты. Если не касаться теории, то принцип выбора прост: чем больше полос, тем чище и детализованнее звучат динамики.
- Частотный диапазон. Этот параметр определяет то, звуки в каких частотах воспроизводят динамики. В простеньких моделях диапазон частот составляет от 50 до 20000 Гц. Если для владельца авто качество звука стоит на первом месте, тогда диапазон должен быть не меньше 30-35000 Гц. Чем шире диапазон, тем лучше звучит акустика у его границ.
Автомобильные модификации
Колонки для автомобилей выпускаются на два или три динамика. Для самостоятельной сборки модели понадобятся листы фанеры. В некоторых случаях используется шпон, покрытый лаком. Чтобы зафиксировать динамик, необходимо сделать отверстие на панели. Следующим шагом устанавливается фазоинвертор. Некоторые модификации изготавливаются с низкочастотными сердечниками. Если рассматривать колонки (самодельные) небольшой мощности, то фазоинвертор разрешается устанавливать без усилителя.
В данном случае для регулировки звуком используется многоканальный кроссовер. Некоторые специалисты клеммники устанавливают за фазоинвертором. Если рассматривать колонки с мощность более 50 Вт, то микросхемы применяются на два усилителя. Диффузор стандартно устанавливается импульсного типа
Перед скреплением корпуса важно позаботиться о виброизоляционном слое. Для клеммника на пластине нужно сделать отдельное отверстие
Некоторые считают, что корпус в обязательном порядке следует зачистить. Провода для колонок подойдут двухжильного типа.
Виды автомобильной акустики
Сегодня на рынке есть два вида акустических систем:
Коаксиальная акустика сделана в форме колонок. В ее составе 2-3 динамика различной частоты. Главное преимущество техники — легкость в монтаже. Здесь не нужно ничего сверлить и делать дополнительные отверстия в панелях. Но из-за стремления упростить конструкцию «выплывает» главный недостаток таких систем — низкое качество изготовления. Но здесь нет однозначности. Если подобрать акустику от известного бренда и по доступной цене, то дизайн и качество будут отменными
Главное при выборе — обращать внимание на технические характеристики, материал и качество изготовления основы для колонок.
Компонентная акустика относится к категории составных. Это значит, что динамики придется монтировать по отдельности, и каждый из них будет иметь свою частоту звучания
У такой системы выделяется несколько недостатков:
- высокая цена;
-
необходимость монтажа динамиков, что требует выполнения специальных креплений и вырезания подходящих отверстий.
Но есть и плюсы — при правильной установке можно добиться чистоты и максимальной силы звука
Главное — обращать внимание на чувствительность и мощность устройства. Немаловажный вопрос — габариты колонок, которые должны хорошо смотреться в интерьере салона
Устройства на 50 Вт
Колонки (самодельные) на 50 Вт подойдут для обычных акустических проигрывателей. В данном случае корпус можно сделать из обычной фанеры. Многие специалисты также рекомендуют использовать шпон из натурального дерева
Однако важно отметить, что он боится повышенной влажности

После выбора материала следует заняться динамиками. Устанавливаться они обязаны рядом с фазоинвертором. В данном случае без усилителя не обойтись. Многие эксперты рекомендуют подбирать только низкочастотные кроссоверы. Если рассматривать модификации с регулятором, то у них используется импульсный диффузор. Клеммник в данном случае устанавливается в последнюю очередь. Для оформления колонок всегда можно использовать кожзаменитель. Более простым вариантом считается покрытие поверхности лаком.
Модели с одним динамиком
Колонки с одним динамиком являются очень распространенными. Чтобы собрать модель, придется в первую очередь заняться корпусом. С этой целью часто используется фанера. В конце работы ее придется обшить. Однако в первую очередь следует изготовить боковые стойки. Для этой цели придется воспользоваться лобзиком. Динамик для колонки можно подобрать небольшой мощности.
Внутренняя сторона фанеры в обязательном порядке прошивается виброизоляционной лентой. После закрепления динамика фиксируется уплотнитель. С этой целью используется клей. Далее останется лишь прикрепить диффузор. Некоторые для него изготавливают отдельную полку и фиксируют стогующими шурупами. Чтобы подсоединить динамик к штекеру, устанавливается клеммник. Как включить колонки? С этой целью используется кабель от клеммника, который должен вести к источнику питания.
https://youtube.com/watch?v=tng_gOnxbPI
https://youtube.com/watch?v=5gThlDjT8So
https://youtube.com/watch?v=nUs6aOaurq4
Из чего состоит автомобильная акустика?
1. Кроссовер (разделительный частотный фильтр)
Это специальное устройство для разделения звука на несколько полос. По внешнему виду кроссовер — компактная коробка, которая монтируется в цепи между динамиками и усилителем. В зависимости от конструкции, кроссоверы производятся пассивными и активными.

Кроссовер для акустики
2. Усилитель
При покупке этого устройства учтите, какие функции будут возлагаться на устройство. Если магнитола нужна для создания общего фона и прослушивания новостей, то тратиться на усилитель для автомобиля бессмысленно. В случае, когда задача — получить качественный и мощный звук, без специального устройства не обойтись.

Усилитель для акустики
При выборе усилителя учитывайте такие параметры — мощность (должна быть от 100 Ватт), объем салона и имеющуюся в распоряжении акустику. Если установить усилитель мощностью 100 Вт при динамиках 10-15 Вт, то последние долго не «проживут». Первая же попытка накрутить громкость приведет к повреждению диффузора, восстановить который уже не удастся. Мощность усилителя должна быть на 10-15% меньше, чем аналогичный параметр у сабвуфера и динамиков.
Мощность — не единственный параметр, которому стоит уделить внимание при выборе. Обратите внимание на следующие моменты:
диапазон рабочих частот — не меньше, чем 30-20000 Гц;
отношение сигнала и шума (уровень фона) должен быть в диапазоне от 96 до 98 дБ. В противном случае постоянные шумы в промежутках между песнями заставят вас идти за покупкой нового усилителя;
количество каналов. Современные устройства для усиления звука производятся 1-но, 2-х, 4-х, 5-ти, 6-ти канальными
Обратите внимание, чтобы был отдельный выход для сабвуфера.
3. Сабвуфер
Главная задача устройства — выдача звука низкой частоты. Главный параметр при выборе устройства — мощность. Сам сабвуфер выпускается двух видов:
- пассивный. В таком устройстве нет встроенного усилителя;
-
активный — с усилителем в корпусе устройства.
Для полноценной работы сабвуфера стоит обеспечить правильное звуковое оформление, а именно идеальное взаимодействие фронтальных и тыловых волн. Решить задачу можно тремя способами:
- сделать бесконечный экран. Главное преимущество такого способа — простота монтажа и высокое качество баса. Минус — низкий уровень звукового давления и появление отличий в звуковых эффектах при разном заполнении багажного отсека;
- фазоинвертор представляет собой закрытую коробку со специальным отверстием (тоннелем), выполняющим роль соединителя внешнего и внутреннего звука. Недостаток такого способа — сложность расчета, монтажа коробки и большой объем готового изделия (найти ему место в багажнике — сложная задача). Преимущество такого исполнения — минимальные искажения звука и наибольшая отдача низких частот;
- закрытый ящик отличается простотой конструкции, отличным качеством басов и надежной защитой динамика от случайных механических воздействий. С другой стороны, снижается КПД, поэтому усилитель и динамики лучше подбирать с большей мощностью.
4. Динамики
Если делать отверстия в кузове не хочется, то лучше отдать предпочтение коаксиальной акустике (о ней мы уже говорили выше). В случае, если ради качественного звука вы готовы пойти на определенные «жертвы» и потратить личное время на переделку салона, то придется позаботиться о выборе правильного места для монтажа. В той же 3-х полосной системе придется устанавливать шесть динамиков и все их нужно правильно расположить. В противном случае лаже дорогая автомобильная акустика не обеспечит должного эффекта.

Динамики в авто
При покупке компонентной системы продумайте монтаж задних (тыловых) динамиков, ведь они должны обеспечивать ощущение объема. Люди часто делают ошибку и монтируют полноразмерную акустику возле заднего стекла. Это неправильно. Там достаточно установки двух широкополосных динамиков. При этом учтите, что тыльная акустика не должна воспроизводить низкие частоты.
Какие динамики лучшие
Для определения лучших динамиков потребуется их номинирование в зависимости от вида.
Коаксиальные
- Pioneer TS-1339 – большое число автолюбителей признают эти динамики лучшими. Их размер составляет 13 см, что позволяет устанавливать колонки в специально предназначенные для этого места. Они выдают чистый звук и правильные басы, передаваемые без искажений. Если ваши требования к звуку не очень придирчивые, то эти динамики являются оптимальным выбором, так как они обладают доступной ценой и приемлемыми характеристиками.
- Morel Tempo Coax 6 – возможность создания двухполосной системы с уникальным качеством звучания. Комфорт звука достигается за счет разворота «высокочастотника» на 20 градусов. Мягкий купол ВЧ-колонки и ее невысокий уровень резонанса – это условия для воспроизведения частот в широком диапазоне. Под положительными моментами этой системы понимается мощность, а также оптимальный баланс звука и тот факт, что искажения практически отсутствуют. В то же время низким частотам не хватает так называемого бархатного звучания.
- JBL GTO-938 – серьезная сила звука как отличительный признак этих динамиков, которым также присуща высокая чувствительность. Имеют овальную форму, что содействует стильному оформлению. Отличаются сбалансированностью частот (высоких и низких).
Компонентные
- Morel Tempo 6 – полноценная акустика, характеризуемая высокими техническими параметрами и сборкой на высоком уровне. Ее комплектация предусматривает наличие 2 твитеров, 2 кроссоверов, основных динамиков и бонуса в виде дополнительной чаши. Высокая детализация звука.
- Focal Performance PS 165 – система с феноменальным звучанием, гарантирующая сбалансированный звук, имеющий высокую насыщенность. Подходит для использования в качестве фронтальных колонок. В рамках этого бренда производится выпуск действительно качественных динамиков, способных удовлетворить запросы даже заядлых скептиков.
- Mystery MJ 105BX – одна из лучших колонок среди себе подобных. Доступная стоимость, высокие технические характеристики и отличное звучание. Под плюсами этой корпусной колонки следует понимать ее компактность и простоту монтажа.
Устройства с тремя динамиками
Колонки (самодельные) с тремя динамиками встречаются очень редко. Данные устройства больше всего подходят для акустической системы многоканального типа. Для сборки модели в первую очередь подбираются листы фанеры. Некоторые также советуют использовать шпоны. Однако модели из натурального дерева стоят на рынке довольно дорого. Динамики следует устанавливать в горизонтальном положении. Также к устройству потребуется усилитель.
Для его фиксации используются металлические уголки. Для соединения пластин понадобятся стягивающие шурупы. В некоторых случаях пластины крепятся клеем. Далее модель придется частично обтянуть кожзаменителем. Следующим этапом устанавливается клеммник. С целью его фиксации на корпусе потребуется сделать отдельное отверстие
Также важно отметить, что есть модели с регуляторами. Микросхемы для них применяются конденсаторного типа
Когда фонят колонки, нужно менять диффузор.
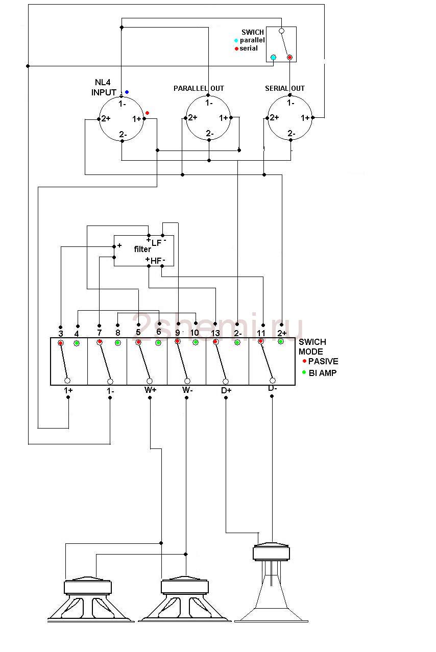
Схема кроссоверов АС
Кроссоверы сделаны на основе измерений, вот схема.





Собираем все вместе — вставляем звукоизоляцию, кроссоверы, кабели и т. д. Надеваем прокладки для громкоговорителей, ручек и входа кабеля. Устанавливаем динамики (тут на шестигранные винты с гайками).

Туннели BR (бассрефлектора) из трубы ПВХ, у них закругляют выходы, чтобы они не гудели проветрите, затем покрасьте в черный цвет баллончиком, затем вдавите в паз решетку черного цвета (желательно с порошковым покрытием), приклейте полоски черного войлока на опоры решетки, чтобы они не гудели и на этом сборка окончена.

В результате динамики звучат очень хорошо. Прошла боевая проверка на свадьбе, и все очень их хвалили за звук и возможности, никто даже не верил что эти АС не магазинные!
Модели для компьютеров
Колонки для компьютеров часто делают на один динамик. Для сборки модели подбираются листы шпона небольшой толщины. На передней панели вырезается отверстие для динамика. Фазоинвертор должен располагаться в задней части корпуса. Если рассматривать модели небольшой мощности, то усилитель можно использовать без резистора.
С целью регулировки громкости колонок применяются специальные кроссоверы. Данные элементы разрешается устанавливать на фазоинверторе. Если рассматривать устройства с мощностью более 100 Вт, то усилители можно брать только с резисторами. Некоторые для модели подбирают импульсные диффузоры. В конце работы всегда устанавливается клеммник.
Изготовление своими руками
Процесс изготовления домашней АС предполагает использование одной пары динамиков, воспроизводящих средние частоты. Акустика высокого класса обычно имеет несколько полос и включает в себя ряд компонентов: среднечастотные и высокочастотные динамики, а также сабвуфер.
Домашняя АС
Акустическую систему для дома можно изготовить из автомобильных динамиков мощностью 3Вт каждый. Для этого необходимо выполнить определенную последовательность действий.
- Зачистить концы проводов и припаять их к усилителю звука. Запомнить, где плюс и минус.
- Соблюдая полярность, разделить провода на левый и правый каналы, припаять их к динамикам, а затем обмотать изолентой, чтобы закрепить между собой.
- Припаять два провода к усилителю для подключения питания и определить, где плюс и минус.
- Зачистить жилы кабеля с USB штекером и один из концов припаять к кнопке включения. Затем, соблюдая полярность, один из проводов питания, подключенных к усилителю, припаять ко второму контакту кнопки, а оставшийся соединить со свободным проводом USB штекера. Изолировать провода термоусадкой.
- Припаять к 3,5 мм штекеру трехжильный кабель. Затем свободные концы провода припаять к аудиоусилителю, соблюдая порядок каналов. Сделать изоляцию с помощью термоусадки и термоклея.
- На листе фанеры или другого выбранного материала начертить прямоугольник, выпилить его и разделить на два одинаковых квадрата. В каждом из них начертить окружность и вырезать отверстия, таким образом изготовив посадочные места для динамиков.
- Вырезать две трапецевидные боковые панели и еще две прямоугольные большей длины (верхняя и нижняя грани).
- Собрать каркас.
- На передней панели закрепить усилитель. Для этого необходимо высверлить отверстие под размер детали, а изнутри сделать небольшое углубление под плату. Прикрепить переднюю панель к каркасу саморезами.
- Отшлифовать корпус.
- Установить динамики и усилитель. Первые крепятся саморезами, второй – с помощью встроенной гайки.
- Вырезать посадочное место для кнопки включения и углубление для вывода проводов.
- Сделать заднюю крышку, закрыть корпус. Теперь можно приступить к проверке самодельной домашней компьютерной акустики.
АС высокого класса
Чтобы сделать в домашних условиях двухполосную или трехполосную акустику высокого класса, рекомендуется предварительно поискать в Сети готовые проекты и фото такой техники и скачать чертежи колонок с размерами. Это необходимо, чтобы самостоятельно не рассчитывать нужные габариты, внутренний объем акустики и другие параметры. Определившись, какая необходима мощность и тип АС (например, система 2.1 общей мощностью на 50 ватт), можно отыскать соответствующий шаблон и работать непосредственно с ним.
Далее, когда проект выбран, нужно подобрать подходящий материал (МДФ или другой), перенести на него чертежи и вырезать детали самостоятельно или, для большей точности, отдав резчикам по дереву. Затем следует собрать корпус, герметизировать все стыки и выполнить отделку звукоизоляционным материалом. Следующий шаг — внутрь корпуса устанавливаются динамики, усилитель и другие комплектующие. После сборки конструкции все стыки и щели, а также места установки динамиков закрываются посредством герметика. Все, можно приступать к проверке акустической системы.
Акустические системы – конструктивное устройство и принцип действия
Чтобы самостоятельно собрать акустическую систему (АС), нужно понимать ее устройство. В общем случае в конструкцию АС входят динамики, заключенные в корпус, и усилитель.
Корпус
Корпус – это первый важный элемент колонок, в который помещены остальные комплектующие. Он отвечает за воспроизведение звука на низких частотах и разделяет динамики, препятствуя их воздействию друг на друга, а также играет эстетическую роль.
Чтобы добиться звука высокого класса, нужно грамотно выбрать форму корпуса. Стандартные колонки выполнены в виде прямоугольника (куба, параллелепипеда), но такие устройства не позволяют достичь идеального звука, потому что прямые углы создают резонанс и сопутствующие отрицательные эффекты. Также АС изготавливаются в форме конструкций с острыми или тупыми углами (пирамиды, трапеции) и окружности (шара, эллипса), оптимальной для широкополосной акустики.
На заметку! Чтобы добиться наилучшего звучания от недорогих колонок, воспроизводящих основной диапазон частот, разработчики часто используют круглые формы. Передняя панель при этом выполняется ровной, а боковые стенки вместе с задней формируют изогнутую поверхность, эффективно отражающую и направляющую волны в сторону пользователя.
Сабвуферы воспроизводят низкочастотный звук, поэтому для них чаще используют кубическую форму. В сабах обычно устанавливают фазоинвертор, являющийся полой трубой, фокусирующей звуковые волны и проходящей сквозь одну из панелей.
Материал корпуса также бывает разным. Для качественного звука используют ДВП, ДСП, неплотную фанеру. Хорошо подходит дерево, но такая акустика получается тяжелой и массивной, поэтому деревянными обычно делают напольные колонки. Хороший корпус получается из специальных полимеров, но качество звука немного ухудшается. Дешевые АС выполняют из простого пластика. Такой материал плохо поглощает звук, что приводит к образованию лишних шумов. А если увеличить громкость до максимума, будут слышны гудение и гул.
Динамики
Динамики – основная составляющая часть акустической системы, так как именно они производят звуковые волны. В их конструкцию входит постоянный магнит, создающий непрерывное магнитное поле независимо от окружающих условий. Чаще всего он ферритовый. На дорогой акустике используются неодимовые магниты.
Магнитное поле окружает вторую важную составляющую динамиков – медную катушку, на которую воздействует переменный ток от розетки, батареи или USB разъема. Под воздействием тока и в окружении магнитного поля она совершает перпендикулярные колебания. Это заставляет вибрировать диффузор, что влечет колебания воздушных масс, воспринимаемые человеческими органами слуха как звуковые волны. Диффузорная мембрана изготавливается из полимеров или натуральных материалов, например, целлюлозы. На дорогой акустике используются тонкие пластинки из титана. От свойств материала зависит качество звучания.
На заметку! В зависимости от воспроизводимых частот, динамики бывают низкочастотными (сабвуферы, 20-120 Гц), среднечастотными (основной звуковой диапазон, до 5 кГц) и высокочастотными (твиттеры, от 2 до 20 кГц). Сабвуферы имеют самые большие размеры, твиттеры — самые маленькие.
Усилитель
АС бывает активной или пассивной. В первом случае в колонки встраивается отдельный усилитель, преобразовывающий сигнал под мощность динамиков. Без этой детали звук будет очень тихим. Тогда как пассивная акустика подключается к внешнему усилителю звука специальным кабелем с клеммами. Данные аудиоусилители могут не только преобразовывать мощность сигнала, но и собирать и объединять аудиодорожки от нескольких колонок в многоканальной акустике.
На заметку! Для преобразования аудиосигнала может использоваться не только усилитель, но и ресивер.
Общий принцип работы
Схематически принцип действия АС выглядит следующим образом. Источник звука отправляет аудиосигнал на усилитель. Последний его обрабатывает и посылает на динамики в виде электрических импульсов. Ток поступает на катушку и вместе с магнитным полем воздействует на нее. В результате этого катушка движется вверх и вниз с различной амплитудой. От этого с такой же синхронностью движется диффузор, создавая звуковые волны различной громкости.
Стоимость
Не является неоспоримым фактом, что только дорогая акустика гарантирует качественное звучание. В некоторых случаях высокая оплата берется за бренд. Альтернативой дорогой системы могут стать отдельные динамики по доступной цене, характеризуемые вполне приемлемыми характеристиками. Нижний порог цен коаксиальной акустики, имеющей удовлетворительные параметры, – 1500 руб. Если вы хотите получить по настоящему качественное звучание, то надо настраиваться на ценник от 5000 руб.
Внимание! Чтобы исключить ненужные траты, надо подбирать колонки, которые подходят именно вашей автомагнитоле. Обращайте внимание на ее штатные отверстия, ориентированные на подключение динамиков
Компонентную акустику дешевле 3000 рублей не стоит рассматривать как возможный вариант приобретения. Качественные системы не могут стоить дешевле 5000–7000 руб. При выборе отдельных динамиков следует иметь в виду, что здесь можно сэкономить. Две колонки, имеющие удовлетворительное звучание, могут обойтись в 2000 руб. За более мощные образцы подобной продукции придется выложить значительно больше.
Затраты на аппаратуру высокого класса обычно укладываются в диапазон 20–30 тыс. руб. Такие системы способны удовлетворить запросы большинства автолюбителей. Те, кто стремится к максимальному качеству звука и готов нести соответствующие траты, должны ориентироваться на профессиональные системы с ценником от 40 тыс. руб.
Каким должен быть подиум
Как следует из изложенного выше, подиум для среднечастотника или мидбаса не простой декоративный элемент, а необходимый компонент аудиосистемы, влияющий на качество звучания. Чтобы эффективно выполнять возложенную на него задачу — гашение ненужных вибраций — подиум должен быть тяжёлым. Чем тяжелее, тем лучше.
Чтобы деталь была тяжёлой, её следует изготовить из соответствующего материала. Но на практике чаще всего используют фанеру, так как её несложно обрабатывать в домашних условиях.
Фанера — относительно лёгкий материал. Для увеличения веса подиумы делают по возможности большими. Конечно, учитывая особенности салона автомобиля.
Определяя размеры, ориентируются не только на качество звука, но и следят, чтобы дополнительный элемент не препятствовал работе основных устройств. Например, установленный в дверь динамик не должен мешать использованию ручек.
Подиум для динамика не следует крепить к обшивке, только к жёстким металлическим элементам. Во-первых, слабое основание не способствует гашению вибраций. Во-вторых, тяжёлый подиум с динамиком оно не выдержит.
Внутренний подиум
Различают внутренние и наружные подиумы. Первые устанавливают, когда хотят сохранить заводской внешний вид без изменения. Например, когда меняют штатный динамик на близкий по диаметру диффузора.
Внутренний подиум целиком скрыт во внутренней полости двери или потолка под обшивкой, которая должна плотно прилегать к динамику. В противном случае возможны искажения, так как динамик будет «играть под обшивку».
Внешняя обшивка должна плотно прилегать к динамику, установленному на внутренний подиум
Таблица: достоинства и недостатки внутренних подиумов
| Достоинства | Недостатки |
|
|
Внешний подиум
Наружный или внешний подиум позволяет установить любой динамик больше или меньше штатного. Кроме того, головку можно разместить как параллельно плоскости двери, так и под наклоном, направив в сторону слушателя. Дополнительный плюс внешнего подиума — он плотно прижимает обшивку, уменьшая вибрацию.
Таблица: достоинства и недостатки внешних подиумов
| Достоинства | Недостатки |
|
|
Внешний подиум не просто подставка, а единая конструкция. Его составные части необходимо подгонять и крепить плотно, без зазоров и щелей. Это обеспечивает максимальную жёсткость конструкции и предотвращает «уход» звука под обшивку.
Компоненты подиума должны быть подогнаны без щелей и зазоров
Элементы акустического оформления, в том числе подиум, не должны препятствовать свободному движению воздуха через окна корзины динамика. Помехи могут ухудшить воспроизведение низких частот.
Компоненты подиума не должны создавать препятствий движению воздуха через окна корзины динамика
Когда динамик сильно утоплен в подиум, диффузор работает через тоннель, что заметно влияет на качество звука при глубине всего 1 см.
Детали подиума не должны образовывать туннель перед диффузором
Ухудшает качество звука и слишком длинный тоннель со стороны магнита динамика. Лучше избегать подобной конструкции, но если она необходима, проём делают как можно шире.





