КАК ПО ПЛАТЕ С ДЕТАЛЯМИ НАРИСОВАТЬ СХЕМУ
Человек надумал разобраться с работой электронного устройства. В принципе в этом нет ничего предосудительного. Однако он даже ещё не «чайник», он только «кандидат в чайники». До сих пор не слышал про такой «титул», но надо вводить. Если раньше сначала ходили в радиокружок, слушали, что там говорят, а потом уже задавали вопросы, то сейчас включают компьютер и сразу задают вопросы. Например, по фото печатной платы просят объяснить, как работает данная схема. Винить человека нельзя. Его увлекла электроника. Вся такая изящная, современная и доступная. А ему кроме возможности ею обладать захотелось ещё её и понять, заглянуть в «душу».
Для достижения понимания того как работает электронное устройство необходима его принципиальная электрическая схема. Рассматриваем вариант, когда в готовом виде схему найти не удалось, зато есть в наличии печатная плата. Не буду предлагать фотографировать эту плату хорошим цифровым фотоаппаратом, причем, строго в проекции «ось объектива, перпендикулярна плоскости платы», с обеих сторон, габариты платы по размеру кадра.

Так же как и скачать программу Sprint-Layout (ссылки будут ниже), в которую затем можно вставить сделанные фото и отрисовать, сначала со стороны печатных проводников, затем рисунок зеркально перевернуть и «расставить» по местам изображения электронных компонентов. Хочется-то, прямо сейчас, ничего не скачивая, не изучая и дополнительно не во что, не вникая взять и нарисовать.
Как действовать — нужны лист тетрадной бумаги в клеточку, карандаш, ластик и линейка.
Рисование начинаем со стороны печатных проводников платы. В первую очередь изображаем размещённые там смд компоненты. Их и расстояние между ними рисуем с четырёхкратным увеличением (иначе потом там ничего не разглядишь), также должно быть сохранено их взаимное расположение и пропорциональное расстояние на плоскости. Затем жирными точками отмечаются контакты пайки.

Соединения контактов между собой прорисовываем не спеша, толстыми линиями. Тут лучше вообще использовать карандаш с мягким грифелем. На этом этапе стирательная резинка очень пригодится.

Теперь нужно отзеркалить изображение. Лист переворачивается рисунком вниз и кладётся на стекло, снизу стекло подсветить фонариком (в дневное время можно просто прислонить его к оконному стеклу) и обвести просвечивающиеся контуры смд деталей и печатных проводников. Здесь уже лучше использовать шариковую авторучку.

Теперь к полученной картинке необходимо дорисовать внешние электронные компоненты (желательно выполнить их другим цветом) и указать их порядковые обозначения, приведённые на плате. Полученное уже в полной мере отображает порядок размещения деталей на печатной плате и соединение их между собой. По проводникам не лишним будет еще, и пройтись не толстым фломастером. Осталось составить список электронных компонентов, в котором будут указаны их номиналы и можно смело обращаться к знатокам за разъяснениями. В помощи, поверьте не откажут.

В заключении сделал ещё полшажка вперёд, получилась вот такая принципиальная схема, конечно же, не идеальная, но не это стояло на повестке дня. Рисовал её в программе Splan, можно конечно было это сделать и от руки, но не хватило выдержки. Даже для показательного действа.

А это плата отрисованная в Sprint-Layout, если делать наперегонки с рисованием в ручную, то успею отработать только две (против одной от руки), потому как редко рисую, кто занимается этим чаще сделает четыре.

Мораль: если это для вас действительно разовое мероприятие, то сделать всё можно и на тетрадном листочке (один раз попробовать даже надо). Во второй же раз, большая просьба, не будьте мазохистом. Автор инструкции — Babay iz Barnaula.
Форум по схемам
Самый простой усилитель звука
В настоящий момент большая часть потребительской аудиотехники производится с использованием микросхем, в частности TDA, производимых Phillips.

Сейчас они повсеместно используются в автомобильной аудиотехнике, магнитолах, сабвуферах, системах домашних кинотеатров и других вариантах аудиоусилителей. Их популярность и дешевизна сделали их доступными в любом магазине радиоэлектронных компонентов, самых разных конфигураций и мощности.

Чтобы собрать из них своими руками «усилок», достаточно припаять несколько деталей к ножкам, прикрепить конструкцию к радиатору, поскольку схема очень сильно греется, и сделать выводы на плеер, динамики и сеть. Готово.
Поэтому – осторожность и терпение

Вариант одноканального усилителя на TDA7396

Характеристики усилителя: при нагрузке в 2 Ом до 45 Ватт. Хватит чтобы устроить дискотеку в комнате, да и с соседями поделиться настроением.

Датчик дождя
Что может быть неприятнее, чем прийти и увидеть кузов любимого автомобиля в разводах?
Да и владельцам частных домов или постоянно живущим на дачах эта штука может пригодиться.
Увы, устройство по этой схеме нельзя ставить в автомобиль, но это и не нужно – подобные не стоят только на совсем древних автомобилях типа «копейки». Для сборки такого приспособления понадобится:
- замыкаемый датчик при контакте с водой, который ставится на открытое место;
- резисторы на 10кОм и 330кОм;
- транзисторы VT1, VT2, в этой схеме это BC548 и BC 558;
- блок батареек или иной источник питания на 3 вольта;
- конденсатор емкостью 100 мкФ;
- по предпочтению владельца – датчик в виде лампочки или зуммера.
Почему полезно разбираться в автоэлектрике
Даже если у вас не технический склад ума или ваш доход позволяет вам не задумываться о таких мирских мелочах — замена обычного сгоревшего предохранителя в долгом пути позволит вам значительно облегчить жизнь. Я уж не говорю о тех случаях, когда сервисмэны, не желая разбираться в проблеме вашего автомобиля, призывают вас менять все датчики подряд, тратя на эту «карусель» значительные суммы денег (что кстати иногда не гарантирует положительного результата). Поэтому, я предлагаю вам не сдаваться раньше времени и попробовать самостоятельно диагностировать поломку вашего автомобиля, а для этого было бы неплохо иметь под рукой электрические схемы, и самое главное — уметь их читать и понимать.
Описание панели инструментов для рисования электрических схем.
Таблицы входных и выходных цепей могут быть выполнены разнесенным способом см. Общие точки соединений нескольких элементов на схеме имеют один и тот же номер. Порядок расположения контактов в таблице определяется удобством построения схемы. Программа XL Pro распространяется бесплатно и доступна для загрузки зарегистрированными пользователями Extranet.
Рисунок 2.
На электрической принципиальной схеме показываются все электрические связи между входящими в нее элементами электрооборудования производственного механизма. Программа бесплатна, но так же как и в случае с Legrand она отсутствует в свободном доступе.
Есть демоверсия с ограничениями.
Форматы листов схем выбирают в соответствии с требованиями, установленными ГОСТ 2. Схема электрическая принципиальная Однако перед нами встаёт небольшая проблема: а никаких, собственно, электронных элементов мы и не знаем… Что, например, за прямоугольники или параллельные черточки нарисованы на рисунке 7.
В настоящей учебной работе этот этап не рассматривается Далее следуют два тесносвязанных этапа — компоновка размещение компонентов на ПП и разводка трассировка электрических связей согласно принципиальной схеме.
Основные процедуры создания электрической схемы в Schematic p-cad. EasyEDA — Сервис по созданию электронных схем и печатных плат онлайн
Читайте дополнительно: Можно ли самому ремонтировать электрику
Обозначение источников питания
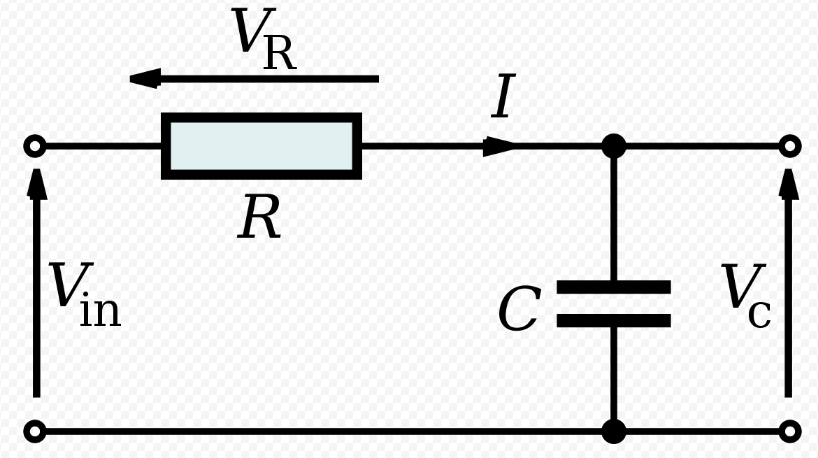
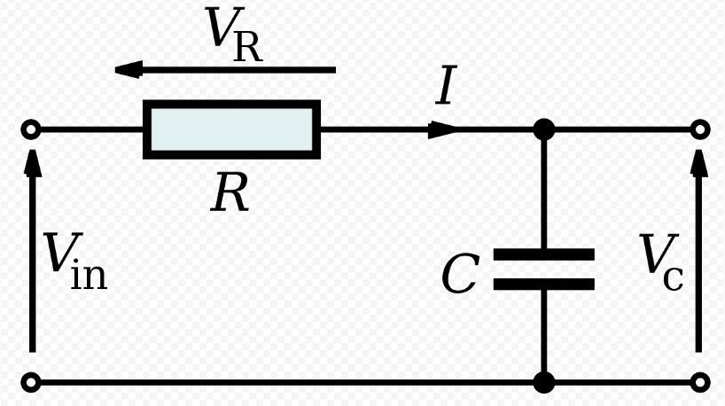
Любое радиоэлектронное устройство способно выполнять свои функции только при наличии электроэнергии. Принципиально выделяют два типа источников электроэнергии: постоянного и переменного тока. В данной статье рассматриваются исключительно источниках постоянного тока. К ним относятся батарейки или гальванические элементы, аккумуляторные батареи, различного рода блоки питания и т.п.
В мире насчитывается тысячи тысяч разных аккумуляторов, гальванических элементов и т.п., которые отличаются как внешним видом, так и конструкцией. Однако всех их объединяет общее функциональное назначение – снабжать постоянным током электронную аппаратуру. Поэтому на чертежах электрических схем источники они обозначаются единообразно, но все же с некоторыми небольшими отличиями.
Электрические схемы принято рисовать слева на право, то есть так, как и писать текст. Однако такого правила далеко не всегда придерживаются, особенно радиолюбители. Но, тем не менее, такое правило следует взять на вооружение и применять в дальнейшем.
Гальванический элемент или одна батарейка, неважно «пальчиковая», «мизинчиковая» или таблеточного типа, обозначается следующим образом: две параллельные черточки разной длины. Черточка большей длины обозначает положительный полюс – плюс «+», а короткая – минус «-»
Также для большей наглядности могут проставляться знаки полярности батарейки. Гальванический элемент или батарейка имеет стандартное буквенное обозначение G.

Однако радиолюбители не всегда придерживаются такой шифровки и часто вместо G пишут букву E, которая обозначает, что данный гальванический элемент является источником электродвижущей силы (ЭДС). Также рядом может указываться величина ЭДС, например 1,5 В.
Иногда вместо изображения источника питания показывают только его клеммы.
Группа гальванических элементов, которые могут повторно перезаряжаться, аккумуляторной батареей. На чертежах электрических схем они обозначается аналогично. Только между параллельными черточками находится пунктирная линия и применяется буквенное обозначение GB. Вторая буква как раз и обозначает «батарея».
Автоматический выключатель
Выключатель, гасящий свет сам – очень полезная вещь.

Схема востребована и в подвале с консервами, где не нужно возиться часами, и в личном санузле, который периодически нужно проветрить.

Принцип действия устройства по данной схеме следующий: при нажатии выключателя SB в цепь включается потребитель электроэнергии HL. По прошествии определенного времени цепь размыкается, источник, соответственно, гаснет.

Для пайки данной электросхемы взят конденсатор в 10 000 мкФ. При нажатии выключателя конденсатор получает заряд от источника питания, к примеру, с 12-вольтового батарейного блока либо аккумулятора.

После этого конденсатор разряжается через цепь R на базу транзистора, с него на эмиттер и на минус.
Поскольку до включения между коллектором и эмиттером транзистора сопротивление было очень большим, то после включения задействовалась цепь с катушкой реле на 12 вольт, которая создала магнитное поле, притянувшее контакты на 220 вольт. Выключатель штатно сработал, включив лампочку/вентилятор/что-то еще.

Единственная разница в том, что через какое-то время лампочка потухнет сама. А как долго схема будет включена, зависит уже от значения конденсатора и резистора. Пока конденсатор разряжается, на базе транзистора напряжение падает вместе с силой проходящего тока.

Схема удобна тем, что в ней можно заменять кондер и сопротивление, чтобы играть с временной задержкой. Однако резистор лучше использовать в значении от 100 Ом и до 5 КилоОм.

Иначе транзистору, в нашем случае КТ815Б, может не хватить напряжения. Такое взаимодействие конденсатора и резистора в радиоэлектронике называется RC-цепь.

Как правильно читать электрические схемы
Принципиальная схема представляет собой графическое изображение всех элементов, частей и компонентов, между которыми выполнено электронное соединение с помощью токоведущих проводников. Она является основой разработок любых электронных устройств и электрических цепей. Поэтому каждый начинающий электрик должен в первую очередь овладеть способностями чтения разнообразных принципиальных схем.
Именно правильное чтение электрических схем для новичков, позволяет хорошо усвоить, каким образом необходимо выполнять соединение всех деталей, чтобы получился ожидаемый конечный результат. То есть устройство или цепь должны в полном объеме выполнять назначенные им функции. Для правильного чтения принципиальной схемы необходимо, прежде всего, ознакомиться с условными обозначениями всех ее составных частей. Каждая деталь отмечена собственным условно-графическим обозначением – УГО. Обычно такие условные знаки отображают общую конструкцию, характерные особенности и назначение того или иного элемента. Наиболее ярким примером служат конденсаторы, резисторы, динамики и другие простейшие детали.
Гораздо сложнее работать с полупроводниковыми электронными компонентами, представленными транзисторами, симисторами, микросхемами и т.д. Сложная конструкция таких элементов предполагает и более сложное отображение их на электрических схемах.
Например, в каждом биполярном транзисторе имеется минимум три вывода – база, коллектор и эмиттер. Поэтому для их условного изображения требуются особые графические условные знаки. Это помогает различить между собой детали с индивидуальными базовыми свойствами и характеристиками. Каждое условное обозначение несет в себе определенную зашифрованную информацию. Например, у биполярных транзисторов может быть совершенно разная структура – п-р-п или р-п-р, поэтому изображения на схемах также будут заметно отличаться. Рекомендуется перед тем как читать принципиальные электрические схемы, внимательно ознакомиться со всеми элементами.
Условные изображения очень часто дополняются уточняющей информацией. При внимательном рассмотрении, можно увидеть возле каждого значка латинские буквенные символы. Таким образом обозначается та или иная деталь
Это важно знать, особенно, когда мы только учимся читать электрические схемы. Возле буквенных обозначений расположены еще и цифры
Они указывают на соответствующую нумерацию или технические характеристики элементов.
Автоматический выключатель
Выключатель, гасящий свет сам – очень полезная вещь.

Схема востребована и в подвале с консервами, где не нужно возиться часами, и в личном санузле, который периодически нужно проветрить.

Принцип действия устройства по данной схеме следующий: при нажатии выключателя SB в цепь включается потребитель электроэнергии HL. По прошествии определенного времени цепь размыкается, источник, соответственно, гаснет.

Для пайки данной электросхемы взят конденсатор в 10 000 мкФ. При нажатии выключателя конденсатор получает заряд от источника питания, к примеру, с 12-вольтового батарейного блока либо аккумулятора.

После этого конденсатор разряжается через цепь R на базу транзистора, с него на эмиттер и на минус.
Поскольку до включения между коллектором и эмиттером транзистора сопротивление было очень большим, то после включения задействовалась цепь с катушкой реле на 12 вольт, которая создала магнитное поле, притянувшее контакты на 220 вольт. Выключатель штатно сработал, включив лампочку/вентилятор/что-то еще.

Единственная разница в том, что через какое-то время лампочка потухнет сама. А как долго схема будет включена, зависит уже от значения конденсатора и резистора. Пока конденсатор разряжается, на базе транзистора напряжение падает вместе с силой проходящего тока.

Схема удобна тем, что в ней можно заменять кондер и сопротивление, чтобы играть с временной задержкой. Однако резистор лучше использовать в значении от 100 Ом и до 5 КилоОм.

Иначе транзистору, в нашем случае КТ815Б, может не хватить напряжения. Такое взаимодействие конденсатора и резистора в радиоэлектронике называется RC-цепь.

Как научиться читать электрическую схему
Любая радиоаппаратура включает в себя отдельные радиодетали, которые спаяны между собой при помощи определенного способа. Все эти элементы отражаются на электрической схеме условными графическими значениями.
Чтобы научиться читать документ, необходимо понимать условное обозначение всех проводниковых элементов электроцепи. Каждая деталь имеет свое графическое обозначение и включает в себя условную конструкцию с характерными особенностями.

Проще всего работать с таким элементом как электронный конденсатор с резисторами, динамиками и другим электрооборудованием с автоматизацией. Как правило, их легко узнать без всякой таблицы с условными обозначениями. Учиться на них проще. Сложнее осуществлять работу с полупроводниками, а именно транзисторами, симисторами и микросхемами.
К примеру, каждый биполярный транзистор имеет в себе три вывода, а именно, базу, коллектор и эмиттер. По этой причине необходимы условные изображения и уточняющая информация в виде латинских букв. Изучение их может занять много дней, как и обучение их опознания.
Обратите внимание! Кроме букв на каждой схеме есть цифры. Они говорят о нумерации и технических характеристиках
Стоит указать, что самостоятельно научиться читать документ невозможно, и поэтому нужны уроки и обучающие пособия.

Основные правила
В ответ на вопрос, как читать электросхемы, стоит уточнить, что это нужно делать слева направо, от начала до самого конца. В этом заключается основное правило. Следующее правило заключается в расчленении единого чертежа на небольшие картинки или простые цепи. Она состоит из источника электротока, приемника тока, прямого привода, обратного провода и одного контакта аппарата.
Поэтому, начиная изучать документ, нужно разбить его на части
Далее обязательно нужно принимать во внимание все детали, с замечаниями, экспликациями, пояснениями и спецификациями. Если в чертеже находятся ссылки, то нужно изучить и их
Обратите внимание! Чертежи, которые отражают момент работу электропитания, электрозащиты, управления и сигнализации, должны быть изучены на количество источников питания, взаимодействие, согласованность совместной работы, оценку последствий вероятных неисправностей, нарушение проводной изоляции, проверку схемы с отсутствием ложных цепей, оценку надежности электрического питания, режим работы оборудования и проверку выполнения мер, которые обеспечивают безопасное проведение работ

Условные обозначения
Согласно нормативным документам, есть стандартные графические условные обозначения в однолинейных и двухлинейных схемах. Далее представлена таблица с подобными символами под названием электрические схемы для начинающих условные обозначения. Стоит указать, что в чертежах используются также цифры и буквы. Подобная маркировка регулируется с помощью нормативных документов, а именно гостов.

Как читать электрические схемы – графические, буквенные и цифровые обозначения
Обозначение предохранителей на электросхемах Еще один элемент электрической схемы, передающий энергию — предохранитель. Главная отличительная особенность колодки Splice от разъема Connector в том, что соединяется группа проводов: есть один входящий провод и группа исходящих потребителей, как правило, это шины питания
Важно: Нумерация деталей на схемах идет столбцами сверху вниз, слева направо. Другие источники питания показаны на следующей картинке
Кроме того, не допускается пересечение позиционного обозначения линиями связи, УГО элемента или любыми другими надписями и линиями. Начинают сборку от фазы
В некоторых электросхемах есть отдельное описание каждой колодки и расписано назначение проводов, подводимых к ней. Вам потребуется не только знание УЗО, но и знание, касающиеся параметров каждого элемента, его структуры и конструкции, а также принципа работы, и для чего он необходим. Рассматривая схемы по электрике, перечисленные обозначения, по названию электросхемы определяют тип и вид. Изучают всевозможные цепи каждого электроприемника: электродвигателя, обмотки магнитного пускателя, реле, прибора и т. Дело в том, то не всегда те или иные детали могут использоваться в привычной роли. При этом, если линии пересекаются — то контакта между этими проводниками нет, а если в месте пересечения присутствует точка — это узел соединения нескольких проводников. На рисунке в правом нижнем углу показана группа из трёх экранированных проводников. Не секрет, что многие узлы радиоаппаратуры чувствительны к воздействию внешних или «соседствующих» электромагнитных полей. Как читать электрические схемы
Электронная игрушка
Одна из самых простых самоделок. Больше подходит тем, кто только начинает мастерить. Если есть старый, но рабочий сотовый кнопочный телефон с кнопкой включения плеера, из него можно сделать, например, дверной звонок в свою комнату. Преимущества такого звонка:
- можно менять мелодию;
- регулировать громкость звонка вплоть до отключения (и такое может понадобиться);
- звонок будет работать и при отсутствии электричества в сети;
- собрать такой звонок может каждый, кто хоть немного может пользоваться паяльником и отвертками.
Для начала нужно убедиться, что выбранный телефон способен выдавать достаточно громкую мелодию, после чего его необходимо полностью разобрать
В основном детали крепятся винтами или скобами, которые осторожно отгибаются. При разборке нужно будет запомнить, что за чем идет, чтобы потом можно было все собрать
https://youtube.com/watch?v=VsbkDUJ7UFk
Условное графическое обозначение радиодеталей
Основу любого электронного устройства составляют радиодетали. К ним относятся резисторы, светодиоды, транзисторы, конденсаторы, различные микросхемы и т. д. Чтобы научиться читать электрические схемы нужно хорошо знать условные графические обозначения всех радиодеталей.
Для примера рассмотрим следующий чертеж. Он состоит из батареи гальванических элементов GB1, резистора R1 и светодиода VD1. Условное графическое обозначение (УГО) резистора имеет вид прямоугольника с двумя выводами. На чертежах он обозначается буквой R, после которой ставится его порядковый номер, например R1, R2, R5 и т. д.

Поскольку важным параметром резистора помимо сопротивления является мощность рассеивания, то ее значение также указывается в обозначении.
УГО светодиода имеет вид треугольника с риской у его вершины; и двумя стрелочками, острия которых направлены от треугольника. Один вывод светодиода называется анодом, а второй – катодом.

Светодиод, как и «обычный» диод, пропускает ток только в одном направлении – от анода к катоду. Данный полупроводниковый прибор обозначается VD, а его тип указывается в спецификации или в описании к схеме. Характеристики конкретного типа светодиода приводятся в справочниках или «даташитах».
Архивы статей
Архивы статейВыберите месяц Сентябрь 2021 (4) Август 2021 (4) Июль 2021 (5) Июнь 2021 (4) Май 2021 (5) Апрель 2021 (5) Март 2021 (4) Февраль 2021 (5) Январь 2021 (5) Декабрь 2020 (6) Ноябрь 2020 (5) Октябрь 2020 (6) Сентябрь 2020 (6) Август 2020 (5) Июль 2020 (4) Июнь 2020 (5) Май 2020 (5) Апрель 2020 (7) Март 2020 (5) Февраль 2020 (5) Январь 2020 (6) Декабрь 2019 (5) Ноябрь 2019 (6) Октябрь 2019 (5) Сентябрь 2019 (4) Август 2019 (5) Июль 2019 (5) Июнь 2019 (5) Май 2019 (6) Апрель 2019 (7) Март 2019 (8) Февраль 2019 (6) Январь 2019 (7) Декабрь 2018 (8) Ноябрь 2018 (5) Октябрь 2018 (7) Сентябрь 2018 (7) Август 2018 (7) Июль 2018 (7) Июнь 2018 (6) Май 2018 (7) Апрель 2018 (7) Март 2018 (7) Февраль 2018 (7) Январь 2018 (8) Декабрь 2017 (9) Ноябрь 2017 (8) Октябрь 2017 (9) Сентябрь 2017 (9) Август 2017 (7) Июль 2017 (8) Июнь 2017 (7) Май 2017 (10) Апрель 2017 (8) Март 2017 (8) Февраль 2017 (7) Январь 2017 (6) Декабрь 2016 (10) Ноябрь 2016 (7) Октябрь 2016 (5) Сентябрь 2016 (7) Август 2016 (9) Июль 2016 (8) Июнь 2016 (8) Май 2016 (7) Апрель 2016 (7) Март 2016 (7) Февраль 2016 (6) Январь 2016 (8) Декабрь 2015 (7) Ноябрь 2015 (8) Октябрь 2015 (8) Сентябрь 2015 (8) Август 2015 (5) Июль 2015 (6) Июнь 2015 (10) Май 2015 (6) Апрель 2015 (10) Март 2015 (8) Февраль 2015 (9) Январь 2015 (11) Декабрь 2014 (10) Ноябрь 2014 (9) Октябрь 2014 (8) Сентябрь 2014 (13) Август 2014 (10) Июль 2014 (8) Июнь 2014 (6) Май 2014 (7) Апрель 2014 (8) Март 2014 (21) Февраль 2014 (13) Январь 2014 (14) Декабрь 2013 (11) Ноябрь 2013 (16) Октябрь 2013 (12) Сентябрь 2013 (13) Август 2013 (11) Июль 2013 (10) Июнь 2013 (11) Май 2013 (14) Апрель 2013 (10) Март 2013 (11) Февраль 2013 (11) Январь 2013 (18) Декабрь 2012 (23) Ноябрь 2012 (25) Октябрь 2012 (31) Сентябрь 2012 (32) Август 2012 (33) Июль 2012 (16) Июнь 2012 (15) Май 2012 (32) Апрель 2012 (44) Март 2012 (49) Февраль 2012 (44) Январь 2012 (34) Декабрь 2011 (5)
Номиналы радиодеталей
Вообще, в этом плане есть разногласия. Согласно ГОСТУ на текущий момент, номиналы деталей на принципиальных схемах не указывается. Это сделано ради того, чтобы не нагромождать схему информацией.
К принципиальной схеме прилагается список деталей, монтажная и структурные схемы, а также печатная плата.
Есть еще один общепринятый стандарт. На схемах указываются номиналы некоторых деталей и их рабочие напряжения.
Рассмотрим на схеме два конденсатора.
В данном случае C5 это неполярный конденсатор с емкостью 0,01 мкФ. Микрофарады могут обозначаться как мкФ, так и uF. А конденсатор С6 полярный и электролитический. На это указывает знак плюс возле УГО. Емкость С6 равна 470 мкФ. Номинальное рабочее напряжение указывается в вольтах. Здесь для С6 это 16 В.
Если на схеме нет приставки микрофарад (мкФ, uF), или нанофарад (нФ, nF) то емкость этого конденсатора измеряется в пикофарадах (пФ, pF). Такое условие не общепринятое, поэтому тщательно изучите схему, которую вы собираетесь читать или собирать. В фарадах (F) емкостей мало, поэтому используются мкФ, нФ и пФ.





