Простой металлоискатель на базе Arduino
Для постройки понадобятся:
- одноплатный компьютер Arduino Nano;
- зуммер (небольшой динамик-«пищалка»);
- катушка индуктивности — покупная или намотанная самостоятельно;
- конденсатор на 10 нФ;
- резистор на 330 Ом;
- резистор на 1 кОм;
- диод типа 1N4148;
- светодиод;
- макетная плата;
- источник питания на 9 В;
- провода для соединения.
Схема устройства
Готовый металлоискатель на Arduino схематически выглядит так:

Всеми процессами управляет микрокомпьютер Arduino. О нахождении в поле «зрения» металла сигнализирует дополненный светодиодом зуммер, а катушка с конденсатором служат непосредственно для обнаружения. Импульсный диод в схеме нужен для понижения напряжения, а резистор ограничивает ток на контактах Ардуино.
Все элементы монтируются на макетной плате. Вид в сборе:

Схема действует следующим образом:
- на выходе Ардуино мы создаем импульсы прямоугольной формы;
- они поступают на LR фильтр верхних частот;
- с каждым переходом уровня на катушке возникнет быстрый остроконечный импульс. Долгота его пропорциональна значению индуктивности нашей катушки.
Измеряя ширину импульса, можно замерить и саму индуктивность
Но важно учесть, что длина импульсов всего около 0.5 микросекунды, и «поймать» их по отдельности с помощью Arduino затруднительно. Поэтому в систему внедрен конденсатор: он заряжается импульсами до уровня считывания напряжения контроллером через аналоговый контакт A5
На аналогово-цифровом преобразователе из него будет получено цифровое значение. Когда напряжение считано, конденсатор разряжается подачей низкого напряжения на А5 — так называемый «логический нуль» (перед этим программа переводит контакт из режима «ввода» на «вывод».
Цикл занимает примерно 200 мс. Для большей точности его можно повторить его несколько раз и получить среднее значение, с каковым и работать. Зная приближенное значение индуктивности, плата анализирует его и выдает заданные сигналы на диод и динамик.
Прошивка
Поскольку мы делаем импульсный металлоискатель на Ардуино, мало его собрать — нужно еще залить управляющее ПО. В терминологии Arduino оно называется «скетч» и прошивается в плату при помощи входящей в комплект среды разработки.

Пример простого скетча для описанной выше схемы:
Здесь:
- инициализируются два контакта контроллера. Первый генерирует идущие на катушку импульсы, второй — читает напряжение с конденсатора;
- также включаются два контакта — они управляют диодом и звуковым зуммером.
При попадании в область детекции катушки зуммер издает звук, а диод часто мигает.
Прибор может быть собран в любом удобном корпусе, покупном или самодельном. В самом простом случае его можно смонтировать даже на селфи-палке.

Схема проекта
Схема металлоискателя на Arduino c дискриминацией металлов представлена на следующем рисунке.
При обнаружении металла устройство будет издавать звуковой сигнал, а на ЖК дисплее с помощью столбчатой диаграммы (bar graph) будет отображать степень близости металла, а также указываться тип металла – железо (ferrous) или цветной (nonferrous).
Устройство представляет собой индукционно-балансный металлодетектор, работающий на очень низкой частоте (very low frequency, VLF). Металлоискатель содержит передающую и приемную катушки индуктивности. Как и во всех схемах подобных детекторов, для нашего прибора очень важен баланс между катушками. Потенциометр в схеме детектора используется для устранения влияния противофазного компонента (out-of-phase component) сигнала – приводит сдвиг по фазе к нулю, а синфазный компонент (in-phase component) обнуляется с помощью соответствующего расположения катушек – по принципу работы IB-детекторов.
Каждая катушка индуктивности изготовляется при помощи намотки 64 витков провода сечением 0,5 мм2 из эмалированной меди на D форму (D shape) диаметром 11 см. После этого конструкция катушки обматывается лентой и экранируется алюминиевой фольгой, после чего к ней к ней прикрепляется луженая медная проволока – необходимо оставить небольшой пропуск в фольге чтобы ее прикрепить. После чего обе катушки закрепляются на пластиковое основание. Внешний вид собранных катушек индуктивности для металлоискателя показан на следующем рисунке.
Более подробно процесс их сборки вы можете посмотреть на видео, приведенном в конце статьи. Внешний вид собранной конструкции металлоискателя показан на следующем рисунке.
Для настройки работы проекта нам первым делом необходимо определить резонансную частоту колебательного контура в нашей схеме. Для этого можно использовать известную из курса физики формулу, online калькуляторы, либо же ее можно измерить с помощью осциллографа. Если собрали катушки описанным способом, то резонансная частота нашего контура должна составлять примерно 7.64 кГц. Если вы получили другое значение резонансной частоты, то вам необходимо внести соответствующие изменения в следующую строчку программы:
Arduino
#define TIMER1_TOP (249) // fine-tune the frequency
| 1 | #define TIMER1_TOP (249) // fine-tune the frequency |
Как вы можете посмотреть на далее представленном видео, результаты работы металлоискателя получились весьма впечатляющими. В отсутствии металла прибор показывает устойчивую работу. Металлический круг диаметром 15 см обнаруживается на расстоянии более 30 см. Металлические предметы большего размера обнаруживаются на расстояниях, превышающих 40-50 см. Маленькую монету можно обнаружить на расстоянии 15 см (в воздухе).
Для питания металлоискателя автор проекта использовал два литиевых аккумулятора, которые при последовательном соединении обеспечивают питающее напряжение 7.4 В – это напряжение подается на контакт Vin платы Arduino. Энергопотребление устройства не превышает 20mA, поэтому от таких аккумуляторов оно будет работать достаточно долго.
Для значительного увеличения чувствительности металлоискателя автор проекта предлагает осуществлять управление передающей катушкой с помощью мощного MOSFET транзистора – в дальнейшем он на странице проекта планирует опубликовать результаты подобного эксперимента.
Необходимые материалы
Изначальной целью этого проекта было желание поэкспериментировать, исследуя возможгости нескольких поисковых
катушек и использовать свет, а не звук для индикации обнаружения. Ну и конечно удачно разместить все это в
симпатичном корпусе металлодетектора.
Сердце данного металлодетектора — Arduino Nano Atmega328, которая используется для измерения ширины импульса
сигнала, проходящего через каждую поисковую катушку. Arduino генерирует прямоугольный импульс, который подается
в цепь LC Tank, которая производит затухающий синусоидальный сигнал с частотой, определяемой резонансной
частотой L&C. Этот сигнал очищается через компаратор напряжения LM339, который фактически производит серию
импульсов, которые подаются на цифровой входной вывод Arduino. Чтобы измерить длительность ширины импульса,
используется функция pulseIn. После долгой возни, анализа и тюнинга, удалось таки получить стабильный результат,
усредняя несколько образцов на каждой катушке. Когда металл находится рядом с катушкой, индуктивность катушки
изменяется, что приводит к изменению резонансной частоты LC-контура и, следовательно, ширины импульса. Если
происходит изменение ширины импульса по сравнению с базовым значением, то непосредственно над катушкой загорается
светодиод.
Для проекта вам понадобятся:
- ЮArduino Nano ATmega328
- LM339 Quad Voltage Comparator x 2
- Veroboard 50 мм x 80 мм
- Резисторы 1 кОм x 5
- Резисторы 100 Ом x 5
- Сигнальный диод IN4148 x 5
- Конденсатор 0,1 мкФ x 5
- Керамический конденсатор 330 пф x 5 (установлен на для повышения стабильности)
- Резистор 10K x 1
- Светодиодная лента 3 В с присоединенным резистором 150 Ом x 5
- Подходящая ручка для швабры с пластиковым гибким шарниром
- Древесина МДФ толщиной 6мм, 2 штуки 22см х 23см
- Медный провод 0,26 мм длиной примерно 25 м
- Мячи для пинг-понга x 3
- Пластиковый лист A4 синего цвета
- Двухкомпонентный клей на основе эпоксидной смолы
- Одножильный экранированный кабель 2-3 мм длиной около 30 см
Металлодетектор и его структура
Эффективный поисковой прибор отечественного и зарубежного производителя стоит около 30 тысяч рублей: многим такая трата не по карману. Изучив устройство металлоискателя, можно без особого труда собрать простейший прибор дома из подручных составляющих. Для изготовления простых устройств понадобятся детали из радиоприёмника. Как сделать металлоискатель, мы расскажем подробно в этой статье.Принцип работы МД построен на передаче сигнала, где с помощью магнитных импульсов прибор чувствует в земле металлические предметы.Простой металлоискатель работает по принципу «приём-передача» и имеет примитивную конструкцию. Металлоискатель бабочка является ярким представителем данного класса и легко собирается в домашних условиях с помощью незамысловатых деталей.
Принцип работы устройства
Чтобы получить рабочий агрегат, необходимо понимать основы электромагнитной индукции. Так первая катушка устройства создает сигнал, проникающий сквозь почву. Вторая, принимающая, обрабатывает импульсы, переданные расположенными в грунте артефактами. Часто две катушки для удобства объединены в один узел — приемо-передающую катушку. Схема регулировки позволяет создавать звук определенной тональности, который говорит о том, что в зону поисков попал объект с металлической структурой. Дополнением выступает ЖК-панель, позволяющая проводить визуальную индикацию.
В конструкционном плане устройство включает в себя:
- Приемо-передающую катушку;
- Прибор для генерации электромагнитного излучения;
- Приёмник;
- Дешифратор;
- Штангу, которая выступает опорой для всех элементов детектора;
- Индикатор.
Для удобства перечисленные элементы расположены на штанге, длину которой выбирают, отталкиваясь от телосложения пользователя. Определитель встраивают в блок управления. Задача дискриминатора заключается в точном определении типа артефакта посредством возмущений в электромагнитном поле.
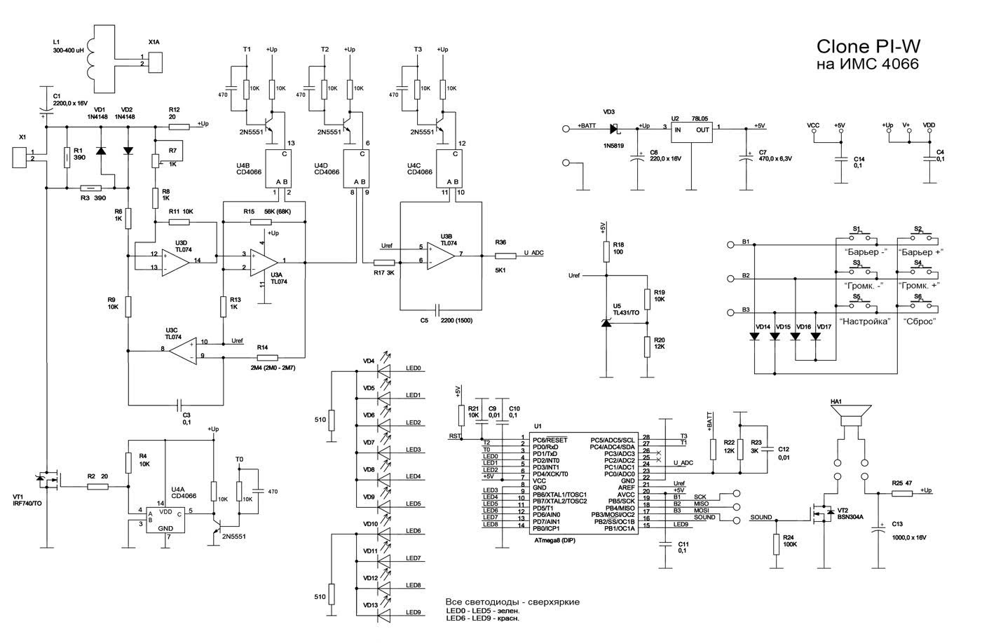
Металлоискатель Clone PI W своими руками
По сути, это удешевленный вариант профессионального искателя Clone PI-AVR, только вместо ЖК дисплея применяется линейка светодиодов. Это не так удобно, но по-прежнему позволяет контролировать глубину залегания артефактов.

Разумеется, под это решение есть и макет печатной платы, только кнопки управления выносятся на отдельную панель.

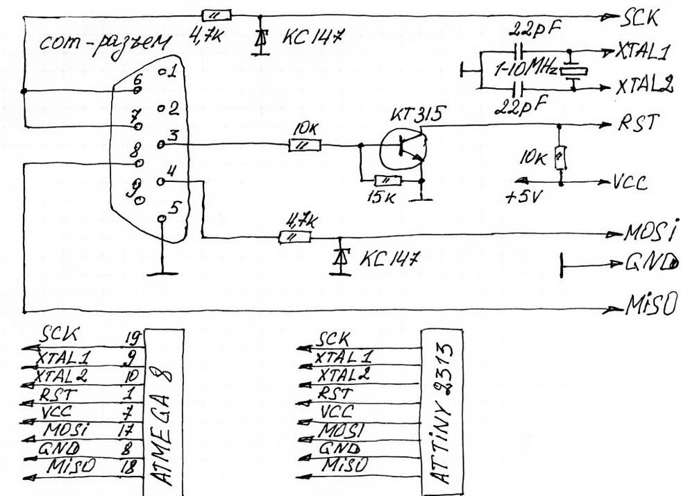
Программирование ATmega8 — это тема отдельной статьи, если вы работали с такими контроллерами, никаких сложностей не возникнет.
Мощный металлоискатель Clone PI W, сделанный своими руками, позволяет находить металл не глубине более метра, правда без дискриминации.
Плюсы и минусы самодельного импульсного металлоискателя “Пират”
Готовый металлоискатель Пират, изготовленный в домашних условиях
Минусы такого прибора ручной сборки очевидны:
- Данный тип металлоискателя не оснащен дискриминацией. И это основной минус для тех, кто занимается поиском исключительно определенного типа металла. МД будет реагировать и на чермет, и на цветмет – режим “все металлы”;
- Проблематично так же определять глубину залегания предмета и его размеры. Хотя этот пункт можно немного скорректировать настройкой.
Но плюсы металлоискателя, собранного в домашних условиях, заставляют пытливые умы и “очумелые ручки” вновь и вновь собирать прибор в спокойно домашней обстановке:
- Первым главным плюсом такого прибора в первую очередь является его стоимость. Все необходимые детали для его изготовления продаются в любом специализированном магазине. Стоят они в основном копейки. Самыми дорогими частями являются переменные резисторы (“крутилки”) и динамик. Но их можно смело снять со старых, ненужных приборов, как впрочем и остальное;
- Различить выпаянные из другой техники детали можно при помощи указанных на них специальных меток (кодов, цветовой маркировки);
- Важным преимуществом самодельного металлодетектора является простота его изготовления. Собирается прибор буквально за несколько часов;
- Использовать такое устройство одно удовольствие! “Пират” не дает ложных срабатываний, имеет неплохую чувствительность и соотношение цена-качество. Практика показывает, что приборный поиск с самодельным металлоискателем является весьма прибыльным делом;
- И если вы не готовы выложить внушительную сумму на покупку готового прибора, обязательно попробуйте собрать его сами!
• • • • •
Работа схемы
Схема металлоискателя на основе платы Arduino Nano представлена на следующем рисунке.
Плата Arduino используется для управления всеми процессами в схеме. Светодиод и зуммер используются как индикаторы обнаружения металла. Катушка и конденсатор используются для обнаружения металла. Импульсный диод используется для уменьшения напряжения. Резистор используется для ограничения тока на контакте платы Arduino.
Работа схемы достаточно проста. На выходе контакта платы Arduino мы формируем прямоугольную волну (импульсы), которая подается на LR фильтр верхних частот. В связи с этим при каждом переходе уровня катушка будет генерировать короткий остроконечный импульс, длительность которого будет пропорциональна величине индуктивности катушки. Поэтому измеряя ширину этих остроконечных импульсов можно определить индуктивность катушки. К сожалению, с помощью платы Arduino это сделать достаточно сложно поскольку импульсы очень короткие – около 0,5 микросекунды.
Вместо этого мы будем использовать конденсатор, который будет заряжаться этими импульсами. Необходимо всего лишь несколько импульсов чтобы зарядить конденсатор до такого уровня, чтобы напряжение на нем можно было считать с помощью аналогового контакта A5 платы Arduino. Это аналоговое значение напряжения плата Arduino преобразует в цифровое с помощью аналого-цифрового преобразования (АЦП), доступном на данном контакте. После считывания напряжения мы быстро разряжаем конденсатор подавая на контакт A5 напряжение низкого уровня (логический «0») – перед этим его нужно перевести из режима ввода данных в режим вывода данных. Весь этот процесс занимает около 200 микросекунд. Для достижения большей точности результатов мы можем производить подобную операцию несколько раз и затем использовать среднее значение полученных результатов. Таким образом мы получаем приближенное значение индуктивности катушки. После анализа этого результата мы выдаем соответствующие управляющие сигналы на светодиод и зуммер.
Самостоятельная сборка металлоискателя
Не обязательно получится идеальный внешний вид при создании изделия собственными руками. Тем не менее, хорошую функциональность на современной элементной базе создать не слишком сложно. Ниже рассмотрена модель с функцией дискриминации. Она способна различить алюминиевую пробку и фольгу сигаретной пачки, дешевые копейки из сплавов и ценные золотые монеты.
Таблица дискриминации
Конструкция
Катушку делают из двух спиральных обмоток (18 и 24 витка) с размерами по внешнему радиусу 21 и 16 мм, соответственно. Для нанесения разметки и создания каркаса применяют основу из материала с немагнитными свойствами. Герметизация эпоксидной смолой или другим составом продлит срок службы.

Материалы, детали и заготовки
Для катушки подойдет стандартный трансформаторный провод из меди диаметром 0,6-0,9 мм. Блок управления собирают на стандартных микросхемах. Основные узлы – процессор и преобразователь частоты MCP3201. Стабилитроны, транзисторы и другие электронные компоненты указаны на чертеже (картинка выше).
Порядок сборки и дизайн
Для надежного закрепления функциональных блоков подбирают подходящую прочную штагу. Блок электроники рекомендуется поместить в герметичном корпусе, чтобы предотвратить короткие замыкания в неблагоприятных погодных условиях. Оформление выполняют с учетом личных предпочтений, умений и навыков.
Программирование блока управления
Для прошивки устройства применяют специализированный программатор. Печатную плату несложно создать самому. Питание 5 V можно организовать от стандартного компьютерного порта USB.
Электрическая схема программатора
Сборка
В процессе сборки особое внимание уделяют герметичности и надежности закрепления отдельных компонентов. Следует помнить о сложных условиях эксплуатации в рабочем режиме, возможных ударных воздействиях при перевозке. Разборная конструкция упростит транспортировку и хранение
Разборная конструкция упростит транспортировку и хранение.
Настройка оповещений
- Загрузите план сценария, приведенный в этом шаге выше. Не забудьте сохранить файл с именем «MetalDetektor.json».
- Создайте сценарий, нажав синюю кнопку «Создать новый сценарий» (Create a new scenario) в верхнем правом углу, и нажмите «Продолжить» (Continue).
- Нажмите кнопку «Еще» (More) в нижней части экрана.
- Выберите «Импортировать проект» (Import Blueprint) и нажмите «Выбрать файл».
- Перейдите в папку, в которую вы скачивали файл «MetalDetektor.json», выберите файл и нажмите «Открыть» (Open). После этого нажмите Сохранить. Сценарий MetalDetektor будет загружен.
- Нажмите на название сценария и измените его на «Обнаружение металла».
Используйте следующие шаги для настройки сценария обнаружения металла.
- Получите ваш ключ API Bolt Cloud, нажав здесь. На рисунках ниже показано, как включить и скопировать ключ API.
- Вернитесь к сценарию Integromat, нажмите на первый кружок BoltIoT, а затем нажмите кнопку «Добавить».
- Вставьте ключ API, который вы скопировали ранее, и нажмите кнопку «Продолжить».
- Добавьте имя вашего устройства. Вы можете узнать имя устройства вашего WiFi-модуля Bolt, нажав здесь. Затем нажмите ОК.
- Для второго и третьего кружка BoltIoT вы можете нажать на выпадающее меню и выбрать «My Bolt Connection». Не забудьте добавить правильное имя устройства для каждого из них.
- Нажмите на математический кружок и измените значение 4 на высоту, на которой вы держите свой датчик. Затем нажмите ОК.
- Нажмите на красную точку между кружками математики и Gmail, замените 2 металлом, на который вы хотите получать оповещения, и нажмите ОК.
- Нажмите на кружок Gmail и нажмите кнопку редактирования.
- Добавьте свой адрес электронной почты и нажмите ОК.
- Нажмите кнопку «Добавить», затем продолжите и разрешите Integromat получить доступ к вашей учетной записи Gmail.
- Вы можете добавить больше получателей (англ. — recipients), нажав кнопку «Добавить получателя», а затем нажмите «ОК».
- Убедитесь, что ваша цепь включена, и нажмите кнопку Run. Сценарий будет выполняться и ждать фильтр, обозначенный «1» в кружке, который выглядит как «мысли».
На этом всё. Как только будет собран весь проект, всё, что вам нужно сделать, это установить систему таким образом, чтобы датчик указывал на пол, включить питание системы и обеспечить постоянный доступ Bolt к Интернету через ваш WiFi. Желаем вам найти побольше ценных предметов.
Подготовка “Пирата” к работе
Плату металлодетектора необходимо защитить от внешних воздействий. Для этого нужно поместить ее в пластиковую коробочку.
Штангу можно изготовить из отреза ПВХ трубы. Если сделать несколько соединяющихся друг с другом отрезов, получится портативная складная штанга.

ПВХ трубки для изготовления штанги металлоискателя
Катушку следует туго стянуть изоляционной лентой. Ее так же можно поместить в самодельную защиту.
Штангу можно не изготавливать вовсе. Ваш металлодетектор будет состоять из коробочки с платой и катушки с проводом. Его при необходимости можно крепить к любой подручной “палке” скотчем непосредственно на месте.
Один из простых металлоискателей с дискриминатором «Megatron»
Вот краткие характеристики устройстваПо принципу работы металлоискатель относится и импульсно-балансному. Рабочая частота составляет 8-15 кГц.
Что касается режима дискриминации, тот тут используется двух тональная озвучка. При обнаружении железа устройство подает низкий сигнал, а если попадется цветной металл, тон будет высоким.
Питается аппарат от источника в 9-12В.
Также присутствует возможность регулировки чувствительности и есть ручная отстройка от грунта.
Ну а теперь о главном, о глубине обнаружения металлоискателя. Прибор способен обнаруживать монеты диаметром 25 мм на расстоянии в 35 см по воздуху. Золотое кольцо можно поймать на расстоянии 30 см. Каску прибор обнаруживает на расстоянии порядка 1-го метра. Максимальная глубина обнаружения составляет 150 см. Что касается потребления, то без звука это порядка 35 мА.
Материалы и инструменты для сборки: – минидрель (у автора самодельная из моторчика);– провод для наматывания катушки;– четырех жильный экранированный кабель;– паяльник с припоем;– материалы для изготовления корпуса;– печатная плата;– все необходимые радиодетали и их номиналы можно увидеть на фото схемы.
Процесс изготовления металлоискателя:
Шаг первый. Изготовление платыПлата изготавливается методом травления. Далее можно сверлить отверстия, их диаметр составляет 0.8 мм. Для этих целей автор использует маленький моторчик с установленным сверлом.
Шаг второй. Сборка платыСборку нужно начинать с впаивания перемычек. После этого можно устанавливать панели под микросхемы и прочие впаивать прочие элементы
Очень важно иметь для качественной сборки тестер, который может замерить емкость конденсаторов. Поскольку в приборе используется два одинаковых канала усиления, то усиление по ним должно быть как можно ближе к одному значению, то есть быть одинаковым. На обоих каналах одного каскада должны быть одинаковые показания при измерении тестером
На обоих каналах одного каскада должны быть одинаковые показания при измерении тестером.
Как выглядит уже собранная схема, можно увидеть на фото. Автор не стал устанавливать узел, определяющий степень разрядки аккумулятора.
После сборки плату нужно проверить тестером. Нужно подключить к ней питание и проверить все стратегически важные входы и выходы. Везде питание должно быть точно таким, как на схеме.
Шаг третий. Собираем катушкуДатчик DD собирается по тому же принципу, что и для всех подобных балансников. Передающая катушка обозначается буквами TX, а приемная RX. Всего нужно сделать 30 витков проводом, сложенным вдвое. Провод используется эмалированный, диаметром 0.4 мм. И приемная, и передающая катушка формируются двойными проводами, в итоге на выходе должно получиться четыре провода. Далее тестером нужно определить плечи обмоток и соединить начало одного плеча с концом другого, в итоге образуется средний вывод катушки.
Для фиксирования катушки после наматывания нужно хорошо обмотать нитками и затем пропитать лаком. После того как лак засохнет, катушки обматываются изолентой.
Впоследствии сверху делается экран из фольги, между началом и концом нужно сделать зазор порядка 1 мм, чтобы избежать короткозамкнутого витка.
Средний вывод ТХ необходимо подключить к земле платы, иначе не запустится генератор. Что касается среднего выхода RX, то он нужен для настройки по частоте. После настройки резонанса его нужно заизолировать и приемная катушка превращается в обычную, то есть без вывода. Что касается приемной катушки, то ее подключают вместо передающей и настраивают на 100-150 Гц ниже, чем предающая. Каждую катушку нужно настраивать отдельно, при настройке возле катушки не должно быть никаких металлических предметов.
Чтобы свести баланс, катушки сдвигают, как можно увидеть на фото. Баланс должен находиться в пределах 20-30 мв, но не более 100 мв.
Рабочие частоты прибора находятся в пределе от 7 кГц, до 20 кГц. Чем ниже будет частота, тем глубже будет брать прибор, но при низкой частоте дискриминация становится хуже. И наоборот, чем выше частота, тем лучше дискриминация, но при этом меньше глубина обнаружения. Золотой серединой можно считать частоту 10-14 кГц.
Для подключения катушки используется четырех жильный экранированный провод. экран подключается к корпусу, два провода идут идут на передающую катушку и два на приемную.
Ну а в заключении останется лишь настроить прибор. При положении ручки дискриминатора на минимуме, прибор должен видеть все цветные металлы. Далее при накручивании дискриминатора должны вырезаться все металлы по порядку до меди, но медь вырезаться не должна. Если прибор работает именно так, как описано, значит, он собран верно.
https://youtube.com/watch?v=_IJ7rx_nK5k
Простой металлодетектор малыш FM-2 улучшенный
Представляю вашему вниманию схему более улучшенного металлоискателя Малыш FM-2. Металлоискатель малыш fm2 не так уж и сложно собрать своими руками, не смотря на его значительные изменения. Это пожалуй самый простой селективный металлоискатель, который сможет собрать даже начинающий радиолюбитель.
Вы наверное слышали, а быть может и собирали, такие металлоискатели как «Малыш» и «Малыш FM-2». Но прогресс не стоит на месте и поэтому у нас есть схема более улучшенного металлоискателя Малыш FM-2. В новой версии добавлена светодиодная индикация металлов, добавлена функция оповещения о включенном питании, усилен звук оповещения, прибор стал намного стабильней в работе.
Технические характеристики и особенности:
- Напряжение питания — 9 Вольт
- Глубина обнаружения металлов около 15 см.
- Селекция металлов — черный, цветной
- Светодиодная индикация металлов — черный, цветной
- Индикатор включенного питания
Итак, данная печатная плата металлоискателя Малыш FM-2 рассчитана на использования DIP компонентов, что бы было удобно всем, так как многие начинающие радиолюбители еще не сталкивались с SMD компонентами.
Конденсаторы С5-22нФ и С1-100нФ обязательно должны быть плёночными
Стабилизатор напряжения AMS1117 -3.3v
Вот так выглядит готовая плата металлоискателя «Малыш FM-2»
Вид со стороны дорожек
После сборки платы, приступаем к изготовлению катушки.
Стандартная катушка содержит 150 витков, диаметр провода 0,3, и намотанная на оправе 150 мм. Но я решил немного уменьшить диаметр до 10-11 см для того, что бы металлоискатель лучше видел мелкие предметы, глубина обнаружения при этом уменьшается но чувствительность увеличивается. У меня не было провода 0.3, и поэтому намотал 0,4 на оправе 10 см, 130 витков.
Итак, после того как катушка намотана, необходимо её очень плотно стянуть скотчем.
Теперь обязательно нужно экранировать катушку, для того что бы металлоискатель не реагировал на помехи и не было ложных срабатываний
Берем пищевую фольгу и плотно обматываем катушку. Обратите внимание, концы фольги не должны соприкасаться друг с другом!
Затем берём провод, зачищаем конец и приматываем к одному краю экрана катушки, затем стягиваем её и снова плотно обматываем скотчем.
Подключаем катушку к плате. Провод от экрана, нужно припаять к минусу платы.
Теперь осталось прошить микроконтроллер и на этом все, можно пользоваться )
Если вы все сделаете правильно, то прибор должен заработать без проблем, при первом включении. Внимательно проверяйте номиналы деталей и не забудьте, что конденсаторы С2-22нФ и С6-100нФ обязательно должны быть плёночными, НЕ керамические!
При включении, прибор должен издать характерный звук, похожий на «пик-фьють», это означает, что прибор включился и работает правильно.
ВАЖНО! «По схеме 8 сопротивлений, а на фото 9»- 9-й резистор (100 Ом) это я сам поставил дополнительно на второй светодиод, хотя его можно и не ставить! Диод 1N4007 тоже можно не ставить, как я и сделал!
Печатная плата, прошивка, а так же список деталей, которые можно очень дёшево купить на AliExpress с бесплатной доставкой, находится ниже под видео!
Где купить все необходимое
Мы собрали ссылки Aliexpress на стартовые наборы Arduino Starter Kit, в которых есть все самое необходимое для создания своих первых проектов.
Один из лучших и проверенных стартовых наборов для Ардуино на AliExpress!
Недорогой стартовый комплект для обучения Ардуино – от 1500 рублей!
Набор за 350 руб (!)
с платой Arduino Uno и всем необходимым!
Новинка! Робот-лягушка на Arduino от Keyestudio с управлением на Android и iOS
Робот-манипулятор на Ардуино с 4 степенями свободы. DIY конструктор с акриловыми деталями, контроллером и серво
Полный набор машинки 4WD на Ардуино с датчиками, экраном и дистанционным управлением
Как сделать несложный металлоискатель для поиска на пляже
В этой статье я расскажу, как собрать простой металлоискатель для поиска монет и драгоценностей на пляже. Он состоит из одной микросхемы — таймера NE555N, катушки и еще нескольких радиокомпонентов.
Рассчитывайте потратить на постройку этого металлоискателя до 300 рублей!
Требующиеся материалы

Для сборки металлоискателя вам потребуется:
- микросхема таймера NE555N, в корпусе DIP;
- резистор 47 кОм;
- два конденсатора 2.2 мкФ, 16 В;
- кусочек контактной макетной платы;
- батарейка на 9 вольт, переключатель, колодка для батареи;
- электромеханический звукоизлучатель;
- 100 метров медного провода диметром 0.2 миллиметра;
- немного плотного картона и клей.
Вместо электромеханического звукоизлучателя можете использовать конденсатор на 10 мкФ и любой динамик с импедансом 8 Ом, включенные последовательно.
Схема металлоискателя

Идея металлоискателя взята из книги «499 схем на таймере NE555
». Я только добавил выключатель между батареей и микросхемой, а так же я использую электромеханический звукоизлучатель из старого электронного будильника вместо динамика.
Поисковая катушка
Cамая сложная часть металлоискателя это его катушка. Я рассчитал, что катушка диаметром 90 мм должна иметь примерно 260 витков медного лакированного провода диаметром 0.2 мм. При этом ее индуктивность как раз будет примерно 10 миллигенри.
Наматывал катушку аккуратно, виток к витку. Чтобы провода не распускались, сверху обмотал намотку белой изолентой.
Если вы хотите сделать катушку большего диаметра, чтобы увеличить дальность обнаружения цели, то в сети есть несколько онлайн калькуляторов, с помощью которых вы сможете ее рассчитать.
Монтажная плата

Я разместил все электронные компоненты на кусочке макетной платы. Соединения выполнял самым обычным проводом, который был под рукой. Сама пайка платы заняла не более 15 минут.
Размер платы примерно получился равным размеру спичечного коробка.
Корпус
Ручку металлоискателя для упрощения я решил сделать из картона. В ручку устанавливается монтажная плата, выключатель и батарейка.
Все это вырезалась из плотного картона и склеивалось клеем ПВА. После того, как клей высох, я сделал отверстия в картоне под плату и провода.
Затем, я приклеил поисковую катушку к ручке термоклеем. Последним шагом я, так же используя термоклей приклеил плату и батарейку внутрь ручки.
Заключение

Работает металлоискатель следующим образом: пока рядом с катушкой нет металлических предметов, звукоизлучатель пищит с одинаковой частотой; при поднесении металлического предмета, тон звука изменяется в сторону более высокого.
Дальность обнаружения большой монеты по воздуху по моим измерениям составила 5 – 7 сантиметров!
zen.yandex.ru





