Что получилось
Сам процесс обновлённого монтажа занял времени ни сколько не больше чем предыдущий. При этом получен не простой регулятор напряжения, который подключается к блоку питания стабилизированного напряжения, собранная схема при подключении даже к сетевому понижающему трансформатору с выпрямителем на выходе сама даёт необходимое стабилизированное напряжение. Естественно, что выходное напряжение трансформатора должно соответствовать допустимым параметрам входного напряжения микросхемы КР142ЕН12А. Вместо неё можно использовать и импортный аналог интегральный стабилизатор LM317Т. Автор Babay iz Barnaula.
Как избежать 3 частых ошибок при работе с симистором.
- Буква, после кодового обозначения симистора говорит о его предельном рабочем напряжении: А – 100В, Б – 200В, В – 300В, Г – 400В. Поэтому не стоит брать прибор с буквой А и Б для регулировки 0-220 вольт — такой симистор выйдет из строя.
- Симистор как и любой другой полупроводниковый прибор сильно нагревается при работе, следует рассмотреть вариант установки радиатора или активной системы охлаждения.
- При использовании симистора в цепях нагрузок с большим потреблением тока, необходимо четко подбирать прибор под заявленную цель. Например, люстра, в которой установлено 5 лампочек по 100 ватт каждая будет потреблять суммарно ток величиной 2 ампера. Выбирая по каталогу необходимо смотреть на максимальный рабочий ток прибора. Так симистор МАС97А6 рассчитан всего на 0,4 ампера и не выдержит такой нагрузки, а МАС228А8 способен пропустить до 8 А и подойдет для этой нагрузки.
Принцип работы регулятора на симисторе
Напомним, что симистором принято называть модификацию тиристора, играющего роль полупроводникового ключа с нелинейной характеристикой. Его основное отличие от базового прибора заключается в двухсторонней проводимости при переходе в «открытый» режим работы, при подаче тока на управляющий электрод. Благодаря этому свойству симисторы не зависят от полярности напряжения, что позволяет их эффективно использовать в цепях с переменным напряжением.
Помимо приобретенной особенности, данные приборы обладают важным свойством базового элемента – возможностью сохранения проводимости при отключении управляющего электрода. При этом «закрытие» полупроводникового ключа происходит в момент отсутствия разности потенциалов между основными выводами прибора. То есть тогда, когда переменное напряжение переходит точку нуля.
Дополнительным бонусом от такого перехода в «закрытое» состояние является уменьшение числа помех на этой фазе работы
Обратим внимание, что не создающий помех регулятор может быть создан под управлением транзисторов
Благодаря перечисленным выше свойствам, можно управлять мощностью нагрузки путем фазового управления. То есть, симистор открывается каждый полупериод и закрывается при переходе через ноль. Время задержки включения «открытого» режима как бы отрезает часть полупериода, в результате форма выходного сигнала будет пилообразной.

Форма сигнала на выходе регулятора мощности: А – 100%, В – 50%, С – 25%
При этом амплитуда сигнала будет оставаться прежней, именно поэтому такие устройства неправильно называть регуляторами напряжения.
Резисторное регулирование
Для регулирования пускового тока и напряжения, подводимого к электродвигателю, в якорную цепь последовательно якорю (или якорю и обмотке возбуждения в случае двигателя последовательного возбуждения) подключают резисторы:

Таким образом, регулируется ток, подводимый к электрической машине. Контакторы К1, К2, К3 шунтируют резисторы при необходимости изменения какого-либо параметра или координаты электропривода. Этот способ довольно еще широко распространен, особенно в тяговых электроприводах, хотя ему сопутствуют большие потери в резисторах и, как следствие, довольно низкий КПД.
Вы здесь
Главная › Инженеру-конструктору › 3. Электрооборудование, электроустановки › 3. Раздел 3.
Для получения более постоянного напряжения на нагрузке при изменении потребляемого тока к выходу выпрямителя подключают стабилизатор, который может быть выполнен по схеме, приведенной на рис. 1. В таком устройстве работают стабилитрон V5 и регулирующий транзистор V6. Расчет позволит выбрать все элементы стабилизатора, исходя из заданного выходного напряжения Uн и максимального тока нагрузки Iн. Однако оба эти параметра не должны превышать параметры уже рассчитанного выпрямителя. А если это условие нарушается, тогда сначала рассчитывают стабилизатор, а затем — выпрямитель и трансформатор питания. Расчет стабилизатора ведут в следующем порядке.
1. Определяют необходимое для работы стабилизатора входное напряжение (Uвып) при заданном выходном (Uн):
Uвып = Uн + 3,
Здесь цифра 3, характеризующая минимальное напряжение между коллектором и эмиттером транзистора, взята в расчете на использование как кремниевых, так и германиевых транзисторов. Если стабилизатор будет подключаться к готовому или уже рассчитанному выпрямителю, в дальнейших расчетах необходимо использовать реальное значение выпрямленного напряжения Uвып.
2. Рассчитывают максимально рассеиваемую транзистором мощность:
Рmах = 1,3 (Uвып — Uн) Iн,
3. Выбирают регулирующий транзистор. Его предельно допустимая рассеиваемая мощность должна быть больше значения Рmax, предельно допустимое напряжение между эмиттером и коллектором — больше Uвып, а максимально допустимый ток коллектора — больше Iн.
4. Определяют максимальный ток базы регулирующего транзистора:
Iб.макс = Iн / h21Э min,
где: h21Эmin — минимальный коэффициент передачи тока выбранного (по справочнику) транзистора..
5. Подбирают подходящий стабилитрон. Его напряжение стабилизации должно быть равно выходному напряжению стабилизатора, а значение максимального тока стабилизации превышать максимальный ток базы Iб max.
6. Подсчитывают сопротивление резистора R1:
R1 = (Uвып — Uст) / (Iб max + Iст min),
Здесь R1 — сопротивление резистора R1, Ом; Uст — напряжение стабилизации стабилитрона, В; Iб.max — вычисленное значение максимального тока базы транзистора, мА; Iст.min — минимальный ток стабилизации для данного стабилитрона, указанный в справочнике (обычно 3…5 мА). .
7. Определяют мощность рассеяния резистора R1:
PR1 = (Uвып — Uст)2 / R1,
Может случиться, что маломощный стабилитрон не подойдет по максимальному току стабилизации и придется выбирать стабилитрон значительно большей мощности — такое случается при больших токах потребления и использовании транзистора с малым коэффициентом h21Э. В таком случае целесообразно ввести в стабилизатор дополнительный транзистор V7 малой мощности (рис. 2), который позволит снизить максимальный ток нагрузки для стабилитрона (а значит, и ток стабилизации) примерно в h21Э раз и применить, соответственно, маломощный стабилитрон.
В приведенных здесь расчетах отсутствует поправка на изменение сетевого напряжения, а также опущены некоторые другие уточнения, усложняющие расчеты. Проще испытать собранный стабилизатор в действии, изменяя его входное напряжение (или сетевое) на ± 10 % и точнее подобрать резистор R1 по наибольшей стабильности выходного напряжения при максимальном токе нагрузки.
Простое зарядное устройство для АКБ на основе тиристора
По сути, речь идёт о тиристорном регуляторе. В прилагаемой схеме нет блока защиты, контрольного модуля и иных наворотов. Простота и минимальное количество деталей обусловили популярность этой несложной конструкции.
Возникает вопрос: не проще ли приобрести готовое устройство на тиристорах в магазине? Вроде бы, так и нужно поступить. Но у заводских недорогих ЗУ есть некоторые проблемы. Например, ток настраивается солидным переключателем, элементарно убавляющим либо прибавляющим витки в обмотке II трансформатора. Благодаря этому ток возрастает или падает. Получается грубо, ступенчато. А более качественное ЗУ стоит достаточно дорого. Поэтому имеет смысл сделать простое зарядное устройство своими руками. Плюсы:
- доступность электронных компонентов и невысокая их стоимость;
- лёгкость в поиске требуемой схемы (через интернет);
- плавность регулировки тока зарядки (диапазон 1010 ампер);
- использование импульсного тока, продлевающего эксплуатационный срок аккумулятора;
- простая наладка;
- стабильное функционирование.
Принцип работы схемы и подбор деталей
Перед вами фазоимпульсный регулятор, где главными элементами являются тиристоры. Под текстом – доступная схема зарядного устройства для автомобильного аккумулятора:
Электронные компоненты зарядного устройства для автомобиля, которое вы хотите собрать своими руками, с учётом обозначения:
- С1 – от 047 до 1 мкФ на 63 В;
- R1 сопротивлением 6,8 кОм (Р = 0,25 Вт);
- R2 на 300 Ом;
- R3 на 3,3 кОм;
- R4: 110 Ом;
- R5: 15 кОм;
- R6: 50 Ом;
- R7 на 150 Ом мощностью 2 Вт;
- VD1 – диод импульсного типа, обратное напряжение от 50 В;
- VS1 – тиристор Т-160, 250 или КУ202;
- транзисторы с прямым переходом КТ315 или им подобные (КТ3107 и т. д.);
- транзисторы с обратным переходом КТ361, КТ 3102 и т. п.;
- FU1: предохранитель на 10 А (подойдёт деталь на 15–20 А, с запасом).
На тиристор воздействуют компоненты VT1 и VT2. Затем в работу вступает диод, защищающий цепь от скачков напряжения, возникающих на VS1. R5 в самодельном зарядном устройстве для аккумулятора «вычисляет» I = 1/10 ёмкости. При 60 А/ч используется зарядка в 6 А. Чтобы знать точно, на контактах, ведущим к заряжаемому изделию, желательно вставить амперметр. Это позволит держать контроль над процессом.
Теперь о питании. Схема самодельного зарядного устройства для автомобильного аккумулятора подразумевает применение трансформатора, выдающего от 18 до 22 В. При большем значении сопротивление R7 увеличьте до 200 Ом. Не забудьте элементы моста на диодах закрепить на охлаждающих алюминиевых радиаторах (применяйте специальную пасту). Стоит отметить: использование диодов старого образца типа Д242 подразумевает их установку на радиатор через изолирующие прокладки-шайбы. Номинал предохранителя должен соответствовать применяемому току. Если это до 6 А, то для FU1 вполне достаточно 6,3 А. Ниже – схема для зарядных устройств для автомобильного аккумулятора (обратная сторона печатной платы):
Помимо предохранителя, существуют электронные способы гарантии от замыкания и перепутывания полюсов, что ведёт к выходу из строя ЗУ. Например, у вас имеется изделие, где уже невозможно различить «плюс», «минус». Тогда поможет специальная схема, сигнализирующая о неправильном подключении клемм. Её нужно включать последовательно между АКБ и ЗУ:
Используемые детали:
- R1 и R2 – резисторы сопротивлением по 510 Ом;
- VD1 и МВ2 – диоды (например, 1N4148 или ему подобные);
- VD3 и МВ4 (можно не устанавливать);
- реле любое на 12 В и 15 А (можно вытащить из отслужившего своё UPS);
- светодиоды любые.
Схема работает просто. При соблюдении полярности заряд, ещё имеющийся в батарее, замкнёт контакты реле, процесс начнётся, что подтвердит загоревшийся зелёный светодиод. Если же контакты перепутаны, зажжётся красный сигнализатор. Ниже – печатная плата устройства, защищающего от несоблюдения полярности при зарядке:
Схема тиристорного регулятора
Выше вы можете видеть схему простейшего регулятор на 2 тиристорах с минимумов недефицитных деталей. Вы также можете сделать регулятор на симисторе, но наша практика показала, что тиристорный регулятор мощности долговечнее и работает более стабильно. Схема для сборки очень простая и по ней вы сможете довольно быстро собрать регулятор, имея минимальные навыки пайки.
Принцип действия данного регулятора тоже прост. У нас есть цепь первичной обмотки, в которую подключается регулятор. Регулятор состоит из транзисторов VS1 и VS2 (для каждой полуволны). RC-цепочка определяет момент, когда откроются тиристоры, вместе с тем меняется сопротивление R7. В результате мы получаем возможность изменять ток по первичке трансформатора, после чего ток меняется и во вторичке.
В принципе, вы можете использовать транзисторы старого образца. Это отличный способ сэкономить, поскольку такие транзисторы можно без проблем найти в старом радиоприемнике или на барахолке. Но учтите, что такие транзисторы должны использоваться на рабочем напряжении не менее 400 В. Если вы посчитаете нужным, можете поставить динисторы вместо транзисторов и резисторов, показанных на схеме. Мы динисторы не использовали, поскольку в данном варианте они работают не очень стабильно. В целом, эта схема регулятора сварочного тока на тиристорах неплохо зарекомендовала себя и на ее основе было изготовлено множество регуляторов, которые стабильно работают и хорошо выполняют свою функцию.
Также вы могли видеть в магазинах регулятор контактной сварки РКС-801 и регулятор контактной сварки РКС-15-1. Мы не рекомендуем изготавливать их самостоятельно, поскольку это займет много времени и несильно сэкономит вам деньги, но если есть такое желание, то можете изготовить РКС-801. Ниже вы видите схему регулятора и схему его подключения к сварочнику. Откройте картинки в новом окне, чтобы лучше видеть текст.
Регулятор мощности паяльника своими руками: проверенные рабочие схемы (6 шт)
Не всем нравится покупать неизвестно что. А некоторым приятнее сделать регулятор мощности паяльника своими руками, ведь это тоже опыт. Большинство схем собирается на симисторах и тиристорах, сейчас их найти проще чем транзисторы. Работать с ними тоже проще, так как они либо открыты, либо закрыты, что позволяет делать схемы проще.
Корпус подберите любой
Простые схемы на тиристоре
При выборе схемы регулятора мощности для паяльника важны две вещи: мощность и доступность деталей. Представленный ниже регулятор мощности паяльника собран на широко распространённых деталях, которые найти не проблема. Максимальный ток — 10 А, что более чем достаточно для выполнения работ любого рода и для паяльников мощностью до 100 Вт. Тиристор в данной схеме использован КУ202н
Обратите внимание на подключение моста. Есть много схем с ошибкой в подключении
Этот вариант рабочий. Проверен не раз.
Схема регулятора температуры для паяльника на тиристоре
При сборке схемы тиристор обязательно ставим на радиатор, чем он больше тем лучше. Схема проста, но когда она включена, создаёт помехи. Радио рядом не послушаешь и, чтобы убрать помехи, параллельно нагрузке подключаем конденсатор на 200 пФ, а последовательно дроссель. Параметры дросселя подбираются в зависимости от регулируемой нагрузки, но так как паяльники обычно не более чем на 80-100 Вт, то и дроссель можно сделать на 100 Вт. Для этого понадобится ферритовое кольцо наружным диаметром 20 мм, на которое намотано около 100 витков проводом сечением 0,4 мм².
Ещё один недостаток переведённой выше схемы — паяльник ощутимо «зудит». Иногда с этим мириться можно, иногда нет. Для устранения этого явления можно подобрав параметры конденсатора C1 так чтобы при выставленном на максимум переменном резисторе, подключённая лампа еле-еле светилась.
На других элементах но тоже без помех
Приведенный выше регулятор можно использовать для любой нагрузки. Приведем еще один аналог,но с использованием другой элементной базы. Регулировать можно не только мощность/температуру паяльника, но и любую другую нагрузку с небольшой индуктивной составляющей.
Видоизмененная схема для регулирования мощности паяльника и любой другой нагрузки с устраненным эффектом пульсации
Пульсация тут есть, но ее частота высока и она не будет восприниматься нашим зрением. Так что можно использовать не только как диммер для паяльника, но и для регулирования света от обычной лампы накаливания. Нужен ли диодный мост для регулировки мощности нагрева паяльника? Он не помешает, но необходимости в нем нет.
На тиристоре с высокой чувствительностью
Данная схема позволяет плавно изменять температуру паяльника от 50% до 100%. Есть два индикатора — питания и мощности. Светодиод наличия питания горит всегда во включенном состоянии, но при 75% мощности свечение более яркое. Индикатор мощности меняет интенсивность свечения в зависимости от режима работы.
Регулятор мощности для паяльника без помех
Чтобы регулятор поместился в корпус от зарядного устройства мобильного телефона, сопротивления используют СМД типа (1206). Все резисторы установлены на плате, кроме R 10. Некоторые могут быть составными (из последовательно соединенных резисторов собираем нужный номинал).
Для нормальной работы схемы требуется чувствительный тиристор (с малым током управления) и низким током удержания состояния (порядка 1 мА). Например, КТ503 (рассчитан на напряжение 400 В, Ток управления 1 мА). Остальная элементная база указана на схеме.
Если собрали, но напряжение не регулируется
Если собранный регулятор ничего не регулирует — не меняется температура паяльника — дело в тиристоре. Схема, вроде, работает, а ничего не происходит. Причина — тиристор с низкой чувствительностью. Токи, которые протекают в схеме, недостаточны для открытия. В таком случае стоит поставить аналог с более высокой чувствительностью (токи управления более низкие).
Один из вариантов корпуса, в который можно спрятать самодельный регулятор мощности для паяльника
Еще может регулятор работать, но паяльник начинает «зудеть». Решается такая проблема установкой дросселя на выходе (перед паяльником). Емкость надо подбирать — зависит от паяльника. Второй вариант решения — аналоговая схема управления, а это уже другая схема.
Ну, и при проблемах с работой ищите либо неисправные детали, либо неправильно подобранные компоненты. Обычно проблема в этом.
Схема номер 2

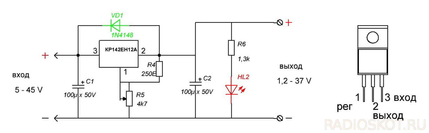
В новой схеме также присутствует трёхвыводной эл. компонент (но это уже не транзистор) постоянный и переменный резисторы, светодиод со своим ограничителем. Добавлено только два электролитических конденсатора. Обычно на типовых схемах указаны минимальные значения C1 и C2 (С1=0,1 мкФ и С2=1 мкФ) которые необходимы для устойчивой работы стабилизатора. На практике значения емкостей составляют от десятков до сотен микрофарад. Ёмкости должны располагаться как можно ближе к микросхеме. При больших емкостях обязательно условие C1>>C2. Если ёмкость конденсатора на выходе будет превышать ёмкость конденсатора на входе, то возникает ситуация при которой выходное напряжение превышает входное, что приводит к порче микросхемы стабилизатора. Для её исключения устанавливают защитный диод VD1.

У этой схемы уже совсем другие возможности. Входное напряжение от 5 до 40 вольт, выходное 1,2 — 37 вольт. Да, имеется падение напряжения вход — выход равное примерно 3,5 вольтам, однако роз без шипов не бывает. Зато микросхема КР142ЕН12А именуемая линейным регулируемым стабилизатором напряжения имеет неплохую защиту по превышению тока нагрузки и кратковременную защиту от короткого замыкания на выходе. Её рабочая температура до + 70 градусов по Цельсию, работает с внешним делителем напряжения. Выходной ток нагрузки до 1 А при длительной работе и 1,5 А при непродолжительной. Максимально допустимая мощность при работе без теплоотвода 1 Вт, если микросхему установить на радиатор достаточного размера (100 см.кв.) то Р макс. = 10 Вт.
Пролог

Я уже описывал конструкцию Некоторые радиолюбители приспособили этот регулятор напряжения для управления яркостью осветительных ламп. При правильном подборе элементов, регулятор позволяет управлять мощностью ламп накаливания и даже оборотами асинхронных двигателей, но всё же не так хорошо, как бы этого хотелось.

В связи с ремонтом подобных регуляторов, я испытал одну из схем, которая оказалось более помехоустойчивой и простой в настройке, чем описанная ранее.
Но, расскажу обо всём по порядку.
Так вот, пришлось мне ремонтировать электропроводку вдали от родного дома. А именно, нужно было поменять выключатели с регуляторами мощности, или, как их там называют, диммеры (Dimmer).

В магазине новые выключатели с индикацией и регулировкой мощности стоили слишком дорого (45$ до налога). Так что, было решено временно заменить их более дешёвыми и менее функциональными выключателями, а неисправные диммеры отремонтировать. Ну, а так как на месте не было ни радиодеталей, ни необходимого инструмента, пришлось привести их домой. Вот в связи с этими мытарствами и родилась статья.

Приехав домой, я первым делом купил на местном радиорынке симисторы подходящей мощности BT139-800 всего по 0,65$ за штуку и вычертил электрическую схему диммера.
Принцип стабилизации тока
Целевое назначение специальной схемы – регулирование источника питания в автоматическом режиме для поддержания стабильных параметров цепей нагрузки. Основной компонент – достаточно мощный полупроводниковый прибор, ограничитель силы тока на выходе блока питания.
Требования к управляющему элементу
Критерии выбора можно сформулировать, если известны параметры силы тока (ампер). Однако даже без конкретного технического задания несложно перечислить базовые требования:
- ток в контрольной цепи поддерживается с определенной точностью;
- следует компенсировать перепады потребляемой мощности;
- корректирующие изменения должны выполняться достаточно быстро;
- для автоматической настройки оптимального режима и улучшения защиты от помех нужна организация обратной связи.
Суть стабилизации
Для уточнения функциональности управляющего элемента необходимо отметить особенности типичной нагрузки. Интенсивность излучения светодиода, например, существенно зависит от температуры в процессе эксплуатации. Соответствующим образом изменяется мощность потребления. При увеличении тока уменьшается напряжение.
Важно! Если установить обратную связь (отрицательную), отмеченное изменение будет регулировать рабочий режим управляющего устройства. В частности, при увеличении напряжения между затвором и стоком полевого транзистора ток через исток уменьшается
Тем самым без иных дополнительных действий обеспечивается стабилизация выходных параметров источника.
Скачать печатную плату стабилизатора на LM317
Достоинства данного стабилизатора.
- простота в изготовлении
- надежность
- дешевизна
- доступность компонентов
Недостатки
- низкий КПД.
- необходимость использования массивных радиаторов.
- не смотря на компактность самой платы. Размеры стабилизатора с радиатором достаточно внушительного размера.
Для изготовления данного устройства Вам понадобится:
- Стабилизатор LM317 -1шт.
- Транзистор КТ818 -1шт. в пластиковом корпусе (TO-220)
- Диод КД522 или аналогичный -1шт.
- Резистор R1 -47ОМ желательно от 1Вт -1шт.
- Резистор R3 220Ом от 0.25 Вт -1шт.
- Переменный резистор линейный — 5кОм -1шт.
- Конденсатор электролитический 1000мФ от 50В -1шт.
- Конденсатор электролитический 100мФ от 50В -1шт.
- Диодный мост током от 5А
Данная схема не критична к точному соблюдению номиналов радио элементов. Например резистор R1 может быть от 30 до 50 Ом, резистор R3 от 200 до 240Ом. Диод можно не ставить.
Фильтрующие конденсаторы можно поставить и большей емкостью, однако стоит учитывать, что конденсатор дает небольшой прирост по напряжению.
Транзистор КТ818 можно заменить аналогичными импортного производства 2N5193, 2N6132, 2N6469, 2N5194, 2N6246, 2N6247.
Сборка стабилизатора на LM317
Сборка стабилизатора выполняется на одностороннем стеклотекстолите и выглядит примерно так.
Диодную сборку следует выбирать исходя из максимального тока способного дать трансформатор.
Транзистор и микросхему я установил на радиатор через изолирующие прокладки. Радиатор выбрал максимально большой из имеющихся и подходящий под мой корпус. Закрепил его двумя болтами к нижней крышке корпуса.
На радиатор установил кулер от старой видеокарты, для более эффективного охлаждения. В верхней и задней крышке просверлил вентиляционные отверстия.
У выбранного мной трансформатора для стабилизатора на LM317 только одна вторичная обмотка на 27В. По этому для питания вольтметра и вентилятора я использовал плату от зарядного устройства мобильного телефона. Она выдает напряжение 5В и ток до 900мА.
Готовый блок питания выглядит так.
На Сборки
транзисторах на транзисторах больше подходят для нагрузки индуктивной, ими можно регулировать обороты Простая.
электродвигателей схема
Данная сборка очень этот — практичная регулятор напряжения представляет собой блок простой питания, универсальный адаптер к радиоустройствам на напряжения разные (вольтаж). Собрать сможет даже начальными с пользователь познаниями и небольшим опытом.
Элементы:
- КТ815Г транзистор, можно и 817 Г;
- переменник на 10 кОм;
- стандартный резистор 0.125 Вт на 1 кОм
Спаять элементы без можно площадки, но покажем, как это ней с сделано. Создаем плату:
Пайка компонентов:
важно, Транзистор не перепутать его выводы (эмиттер и Резистор). базу на 1 кОм
Впаиваем с проводами переменник на 10 Можно. кОм применить и другой, припаять сразу, них без, если позволяет типоразмер. Четыре питанию — к вывода, к выходам.
Подсоединяем к питанию, выход светодиодом оснащаем, подключаем нагрузку (лампу), моторчик, светодиод же тот (в нашем примере он). Двигаем регулятор — изменение наблюдаем напряжения.
Особенность: диапазон обслуживаемой ток и мощность нагрузки ограничены предельными характеристиками примерно — транзистора половина 1 Ампера. Для увеличения такого диапазона регулируемого стабилизатора надо брать КТ805 транзисторы, 819.
Другие варианты маломощных схем транзисторных
С 2 деталями: транзистором и переменником. Алгоритм последний: элементарный указанный элемент индуцирует (отпирает) Чем. первый ниже номинал настроечного резистора, более тем плавная регулировка. Это вариант маломощной для нагрузки, например, для вентиляторов, электромоторчиков слабых, светодиодов. Транзистор нагревается сильно, радиатор поэтому желательный.
Мощная сборка
Опишем мощный особо регулятор для нагрузки в несколько Тут. кВт ток на нагрузку идет также симистор через, но управляется все через каскад Переменником. транзисторов настраивается ток, поступающий в базу транз первого. (маломощного), а тот посредством коллекторно-перехода эмиторного осуществляет управление базой уже транз мощного., который реализует открывание/закрывание Так. симистора создается возможность очень плавной огромных настройки токов на нагрузке.
Схема номер 2

В новой схеме также присутствует трёхвыводной эл. компонент (но это уже не транзистор) постоянный и переменный резисторы, светодиод со своим ограничителем. Добавлено только два электролитических конденсатора. Обычно на типовых схемах указаны минимальные значения C1 и C2 (С1=0,1 мкФ и С2=1 мкФ) которые необходимы для устойчивой работы стабилизатора. На практике значения емкостей составляют от десятков до сотен микрофарад. Ёмкости должны располагаться как можно ближе к микросхеме. При больших емкостях обязательно условие C1>>C2. Если ёмкость конденсатора на выходе будет превышать ёмкость конденсатора на входе, то возникает ситуация при которой выходное напряжение превышает входное, что приводит к порче микросхемы стабилизатора. Для её исключения устанавливают защитный диод VD1.

У этой схемы уже совсем другие возможности. Входное напряжение от 5 до 40 вольт, выходное 1,2 – 37 вольт. Да, имеется падение напряжения вход – выход равное примерно 3,5 вольтам, однако роз без шипов не бывает. Зато микросхема КР142ЕН12А именуемая линейным регулируемым стабилизатором напряжения имеет неплохую защиту по превышению тока нагрузки и кратковременную защиту от короткого замыкания на выходе. Её рабочая температура до + 70 градусов по Цельсию, работает с внешним делителем напряжения. Выходной ток нагрузки до 1 А при длительной работе и 1,5 А при непродолжительной. Максимально допустимая мощность при работе без теплоотвода 1 Вт, если микросхему установить на радиатор достаточного размера (100 см.кв.) то Р макс. = 10 Вт.
Как сделать стабилизатор тока для светодиодов самостоятельно
Изготовление стабилизатора для светодиодов своими руками осуществляется несколькими способами. Новичку целесообразно работать с простыми схемами.
На основе драйверов
Понадобится выбрать микросхему, которую трудно выжечь – LM317. Она будет выполнять роль стабилизатора. Второй элемент – переменный резистор с сопротивлением в 0,5 кОм с тремя выводами и ручкой регулировки.
Сборка осуществляется по следующему алгоритму:
- Припаять проводники к среднему и крайнему выводу резистора.
- Перевести мультиметр в режим сопротивления.
- Замерить параметры резистора – они должны равняться 500 Ом.
- Проверить соединения на целостность и собрать цепь.
На выходе получится модуль с мощностью 1,5 А. Для увеличения тока до 10 А можно добавить полевик.
Стабилизатор для автомобильной подсветки
Стабилизатор L7812
Для работы потребуется линейный прибор в виде микросхемы L7812, две клеммы, конденсатор 100n (1-2 шт.), текстолитовый материал и трубка с термоусадкой. Изготовление производится пошагово:
- Выбор схемы под L7805 из даташита.
- Вырезать из текстолита нужный по размеру кусок.
- Наметить дорожки, делая насечки отверткой.
- Припаять элементы так, чтобы вход был слева, а выход – справа.
- Сделать корпус из термотрубки.
Стабилизирующее устройство выдерживает до 1,5 А нагрузки, монтируется на радиатор.





