Предупреждение
Показанный в данной статье способ коррекции пригоден далеко не во всех случаях и может быть непреемлем для отдельного ряда задач!
ВНИМАНИЕ!!! Показанный способ коррекции следует использовать с особой осторожностью, зная принцип работы настраиваемого устройства и хорошо представляя, что Вы делаете! В других схемах при определённых положениях движка резисторов могут возникать недопустимые токи, способные вывести из строя резисторы или иные детали рабочего устройства!!! Используя описанный способ коррекции в своём устройстве вы действуете на свой страх и риск, а ещё лучше, представляете, что делаете. Ни какой ответственности за возможные причинённые неисправности Ваших устройств при применении корректирующего резистора по моей схеме лично я не несу
Данный способ коррекции в конкретной представленной схеме на рисунке 2 абсолютно безопасен при любых номиналах корректирующего резистора и любых положениях движков корректирующего и переменного резисторов R7 и R6.
Пользуйтесь и наслаждайтесь творческим процессом
Виды и особенности блоков питания
Встречаются два типа блоков питания:
- Импульсный;
- Линейный.
Блок импульсного типа может рождать помехи, которые буду отражаться на настройке приемников и других передатчиков. Блок питания линейного типа может оказаться неспособным для выдачи необходимой мощности.
Как правильно сделать лабораторный блок питания, от которого можно будет заряжать АКБ, и питать, чувствительны платы схем? Если взять простой блок питания линейного типа на 1,3-30 В, и мощностью тока не более 5 А, то получится хороший стабилизатор напряжения и тока.
Воспользуемся классической схемой для сборки блока питания своими руками. Она сконструирована на стабилизаторах LM317, которые регулируют напряжение в диапазоне 1,3-37В. Их работа совмещена с транзисторами КТ818. Это мощные радиодетали, которые способны пропустить большой ток. Защитную функцию схемы обеспечивают стабилизаторы LM301.
ЛАБОРАТОРНЫЙ БЛОК ПИТАНИЯ
Лабораторный блок питания ни что иное как высококачественный универсальный источник питания с нормированными и термостабильными характеристиками. Эти устройства имеются на любом предприятии, которое занимается разработкой, изготовлением или ремонтом и/или ремонтом радиоэлектронной аппаратуры.
Используют их во время проверки и/или калибровки различных приборов. Кроме того они необходимы в тех случаях, когда нужно с высокой точностью подать питающее напряжение и ток на радиотехническое устройство.
Как правило, лабораторные блоки питания оснащаются всевозможными устройствами защиты (перегрузка, защита от короткого замыкания и пр.) и органами регулировки выходных параметров (напряжение и ток).
Лабораторные блоки оснащают также специальными входами для подачи модулирующих сигналов, что позволяет пользователю формировать выходное напряжение и ток произвольной формы.
Серийно выпускаемые лабораторные источники питания могут быть как линейными, так и импульсными.
Линейные.
Линейные лабораторные БП строятся на базе больших низкочастотных трансформаторов, которые понижают сетевое напряжение ~220 В частотой 50 Гц до определенного значения. Частота переменного тока при этом остается без изменений. Затем синусоидальное напряжение выпрямляется, сглаживается емкостными фильтрами и доводится до заданного значения линейным полупроводниковым стабилизатором.
Приборы, работающие по такому принципу обеспечивают требуемое значение выходного напряжения с высокой точностью. Оно отличается стабильностью и отсутствием пульсаций. Однако они имеют ряд недостатков:
- большие габаритные размеры и вес, который может быть больше 20 кг. Из-за этого мощность на нагрузке у таких БП редко превышает 200 Вт.;
- низкий КПД (не более 60%), что обусловлено принципом работы линейного стабилизатора, где все избыточное напряжение преобразуется в тепло;
- наличие высокочастотных помех, проникающих из сети ~220 в, 50 Гц., для устранения которых необходим сетевой фильтр;
- относительно небольшое время наработки на отказ, вызванное старением электролитических конденсаторов.
Импульсные.
В основу работы импульсных лабораторных блоков питания положен принцип заряда сглаживающих конденсаторов импульсным током. Он образуется в момент подключения/отключения индуктивного элемента. Переключение происходит под действием специально оптимизированных транзисторов, а выходное напряжение регулируется путем изменения глубины широтно импульсной модуляции (ШИМ).
Основные преимущества импульсных лабораторных источников обеспечиваются за счет:
- плавного изменения глубины ШИМ, что в свою очередь, позволяет закачивать в сглаживающие конденсаторы такое количество энергии, которое соизмеримо с энергопотреблением нагрузки БП. При этом КПД блока питания может достигать 90 и более процентов;
- высокочастотной составляющей, которая дает возможность использования сглаживающих конденсаторов значительно небольшой емкости.
За счет этого габаритные размеры корпуса невелики. Кроме того, за счет более высокого КПД значительно уменьшается выделение тепла и улучшается температурный режим работы источника питания.
Существенным недостатком импульсных лабораторных блоков, несколько ограничивающих их применение являются:
- высокочастотные пульсации на выходе, которые достаточно тяжело отфильтровать;
- радиочастотные наводки и их гармоники, вызванные периодическими токовыми импульсами.
При работе с радиочастотными схемами импульсные блоки питания необходимо располагать на максимальном расстоянии от них или использовать трансформаторные схемотехнические решения.
Основным техническим параметром лабораторных источников электро энергии является мощность. Здесь существует такое подразделение:
- стандартные, мощностью до 700 Вт. Их максимальный вес не превышает 15 кг.;
- большой мощности.
Стандартные исполнения могут быть как трансформаторными, так и импульсными. Предназначены они для работы с напряжениями в диапазоне от 15 до 150 В. При этом максимальный ток ограничивается величиной порядка 25 А. Как правило, они имеют от одного до трех каналов, из которых два являются регулируемыми.
Схема
Импульсный БП состоит из следующих функциональных блоков:
- фильтр. Не пропускает помехи из сети и обратно (генерируются самим БП);
- выпрямитель со сглаживающим конденсатором. Обычный диодный мост, дает на выходе почти ровное (с низким коэффициентом пульсаций) постоянное напряжение, равное действующему значению переменного селевого напряжения — 311 В;
- инвертор. Состоит из быстро переключающихся силовых ключевых транзисторов и управляющей ими микросхемы. На выходе дает прямоугольный переменный ток. Процесс преобразования в инверторе называют широтно-импульсной модуляцией (ШИМ), а микросхему — ШИМ-контроллером. В рабочем режиме реализована обратная связь, потому в зависимости от мощности подключенной к БП загрузки, контроллер регулирует продолжительность открытия транзисторов, то есть ширину импульсов. Также благодаря обратной связи, компенсируются скачки напряжения на входе и броски, обусловленные коммутацией мощных потребителей. Это обеспечивает высокое качество выходного напряжения;
- импульсный высокочастотный трансформатор. Понижает напряжение до требуемых 12 или 24 В;
- выпрямитель со сглаживающим конденсатором. Преобразует высокочастотное переменное напряжение в постоянное.
Дроссель переменного тока
Основной элемент сетевого фильтра — дроссель. Его сопротивление (индуктивное) возрастает с увеличением частоты тока, потому высокочастотные помехи нейтрализуются, а ток частотой 50 Гц проходит свободно. Дроссель работает тем эффективнее, чем больше размеры магнитопровода, толщина проволоки и больше витков. Дополнительно установленные конденсаторы улучшают фильтрацию, закорачивая высокочастотные помехи и отводя их на «землю».
Также емкостные сопротивления не позволяют в/ч помехам, генерируемым БП, поступать в сеть. Высокочастотный трансформатор отличается от обычного материалом магнитопровода: используются ферриты или альсифер. Выпрямитель после трансформатора собирается на диодах Шоттки, отличающихся высоким быстродействием.
Существует два способа генерации высокочастотного переменного тока:
- однотактная схема. Применяется в БП небольшой мощности — до 50 Вт (зарядки телефонов, планшетов и т.п.). Конструкция простая, но у нее велика амплитуда напряжения на первичной обмотке трансформатора (защищается резисторами и конденсаторами);
-
двухтактная схема. Сложнее в устройстве, но выигрывает в экономичности (выше КПД). Двухтактная схема делится на три разновидности:
- двухполупериодная. Самый простой вариант;
- двухполярная. Отличается от предыдущей присутствием 2-х дополнительных диодов и сглаживающего конденсатора. Реализован обратноходовый принцип работы. Такие схемы широко применяются в усилителях мощности. Важная особенность: продлевается срок службы конденсаторов за счет того, что через них протекают меньшие токи;
- прямоходовая. Используется в БП большой мощности (В ПК и т.п. устройствах). Выделяется наличием габаритного дросселя, накапливающего энергию импульсов ШИМ (направляются на него через два диода, обеспечивающих одинаковую полярность).
2-тактные БП отличаются схемой силового каскада, есть три модификации:
- полумостовая: чувствительна к перегрузкам, потому требуется сложная защита;
- мостовая: более экономична, но сложна в наладке;
- пушпульная. Наиболее экономична и потому весьма востребована, особенно в мощных БП. Отличается присутствием среднего вывода у первичной и вторичной обмоток трансформатора. В течение периода работает то одна, то другая полуобмотка, подключаемая соответствующим ключевым транзистором.
Стабилизации выходного напряжения добиваются следующими способами:
- применением дополнительной обмотки на трансформаторе. Это самый простой способ, но и наименее действенный. Снимаемое с нее напряжение корректирует сигнал на первичной обмотке;
- применением оптопары. Это более эффективный способ. Основные элементы оптопары — светодиод и фототранзистор. Схема устроена так, что протекающий через светодиод ток пропорционален выходному напряжению. Свечение диода управляет работой фототранзистора, подающего сигналы ШИМ-контроллеру.
Таким образом, в данной методике контролируется непосредственно напряжение на вторичной обмотке, при этом отсутствует гальваническая связь с генератором ключевого каскада.
При подключении последовательно с оптопарой стабилитрона качество стабилизации становится еще выше.
Как сделать блок питания?
У начинающего радиолюбителя когда-нибудь возникнет вопрос: как сделать простой блок питания самостоятельно в домашних условиях.

Перво-наперво необходимо определить, какой именно блок питания нужен и для каких точно целей. Блоки питания могут использоваться в разных сферах многими домашними мастерами.

Для того, чтобы сделать самостоятельно блок питания, необходимо разобраться с тем, как он устроен и как работает. Это поможет в дальнейшем осуществлять небольшой ремонт устройства при необходимости.

Определяем, какой именно блок нужен – регулируемый либо нет. Заранее, перед выполнением работ, необходимо найти все инструкции и схемы блоков питания, которые помогут сделать нужный вам прибор.








Регулируемый – это прибор, у которого можно изменить выходное напряжение (допускается изменение в пределах от 3 до 12 вольт). Например, если мы хотим получить 7 или 10 вольт – нам нужно будет всего лишь повернуть ручку регулятора.

Нерегулируемый прибор – имеет фиксированное выходное напряжение, которое нельзя изменить. К примеру, блок питания «Электроника» Д2-27 нельзя регулировать, и он выдает на выходе всегда 12 вольт.


Самые интересные для радиолюбителей являются регулируемые блоки питания. Они позволяют запитать достаточно много устройств (самодельных либо промышленных), которым понадобится разное напряжение питания.

Фото самодельного блока питания можно найти в журналах для радиолюбителей либо в интернете.

Переделка БП ATX в регулируемый или лабораторный блок питания
А теперь самое время сделать из БП компьютера своими руками импульсный лабораторный блок питания. Дорабатывать будем блок питания, ШИМ контроллер которого собран на специализированной микросхеме TL494 (она же: μА494, μPC494, M5T494P, KIA494, UTC51494, AZ494AP, KA7500, IR3M02, AZ7500BP, КР1114ЕУ4, МВ3759 и подобные аналоги).
Для примера мы доработаем блок питания, схема которого приведена ниже. Поняв идею вносимых изменений, подобрать алгоритм переделки любого другого блока не составит особого труда.
Разбираем БП, вынимаем плату. Сразу же отпаиваем все ненужные провода шлейфов питания, оставив один желтый, один черный и зеленый.
Также выпаиваем сглаживающие электролитические конденсаторы по всем линиям питания. На схеме они обозначены как С30, С27, С29, С28, С35. Мы собираемся существенно (до 25 В по шине +12 В) поднять выходное напряжение, на которое эти конденсаторы не рассчитаны. На место того, что стоял по шине +12 В, устанавливаем конденсатор той же или большей емкости на напряжение не менее 35 В. Остальные места оставляем пустыми. Зеленый провод припаиваем на место, где был любой черный, чтобы разрешить блоку питания запускаться. Теперь можно заняться доработкой контроллера.
Взглянем на назначение выводов микросхемы TL494. Нас интересуют два узла – усилитель ошибки 1 и усилитель ошибки 2. На первом собран стабилизатор напряжения, на втором – контроллер тока. То есть нас интересует обвязка выводов 1, 2, 3, 4, 13, 14, 15, 16.
Изменим схему обвязки таким образом, чтобы усилитель ошибки 1 отвечал за регулировку выходного напряжения, а усилитель 2 – за регулировку тока. В первую очередь перережем дорожки, обозначенные на приведенной ниже схеме крестиками.
Теперь находим резисторы R17 и R18. Первый имеет сопротивление 2.15 кОм, второй 27 кОм. Меняем их на номиналы 1.2 кОм и 47 кОм соответственно. Добавляем в схему два переменных резистора, один постоянный на 10 кОм (отмечены зеленым), клеммы для подключения внешнего потребителя, амперметр и вольтметр. В результате у нас получится вот такая схема.
Как видно из схемы, резистор на 22 кОм позволяет плавно регулировать напряжение в пределах 3-24 В, резистор 330 Ом – ток от 0 до 8 А. Кл1 и КЛ2 служат для подключения нагрузки. Вольтметр имеет предел измерения 25-30 В, амперметр – 10 А. Приборы могут быть как стрелочными, так и с цифровыми шкалами, главное, малогабаритными – ведь они должны войти в корпус блока питания. Можно начинать проверку и градуировку.
Все в порядке? Включаем БП напрямую в сеть, выводим движки резисторов в нижнее по схеме положение. К клеммам КЛ1, Кл2 подключаем нагрузку – 2 лампы дальнего света, включенные последовательно. Вращаем резистор регулировки напряжения и убеждаемся по встроенному вольтметру, что напряжение плавно изменяется от 3 до 24 вольт. Для верности подключаем к клеммам контрольный вольтметр, к примеру, тестер. Градуируем ручку регулятора напряжения, ориентируясь по показаниям приборов.
Возвращаем движок в нижнее по схеме положение, выключаем блок питания, а лампы соединяем параллельно. Включаем блок питания, устанавливаем регулятор тока в среднее положение, а регулятор напряжения – на отметку 12 В. Вращаем ручку регулятора тока. При этом показания амперметра должны плавно изменяться от 0 до 8 А, а лампы – плавно менять яркость. Градуируем регулятор тока, ориентируясь по показаниям амперметра.
Отключаем устройство и собираем его. Наш лабораторный блок питания готов. С его помощью мы можем получить любое напряжение от 3 до 24 вольт и устанавливать ограничение тока через нагрузку в пределах 0-10 А.
Схема для лабораторного БП
Для преобразования ненужного блока питания компьютера в лабораторный источник с регулируемым выходным напряжением подойдут блоки питания ATX (но возможно и AT), выполненные по схеме ШИМ на микросхеме TL494 или ее аналогах.

Хотя все они построены по одной и той же структурной схеме и работают по схожему принципу, блоки питания могут быть физически реализованы по-разному. Поэтому первым делом нужно попытаться найти принципиальную схему реально существующего агрегата.
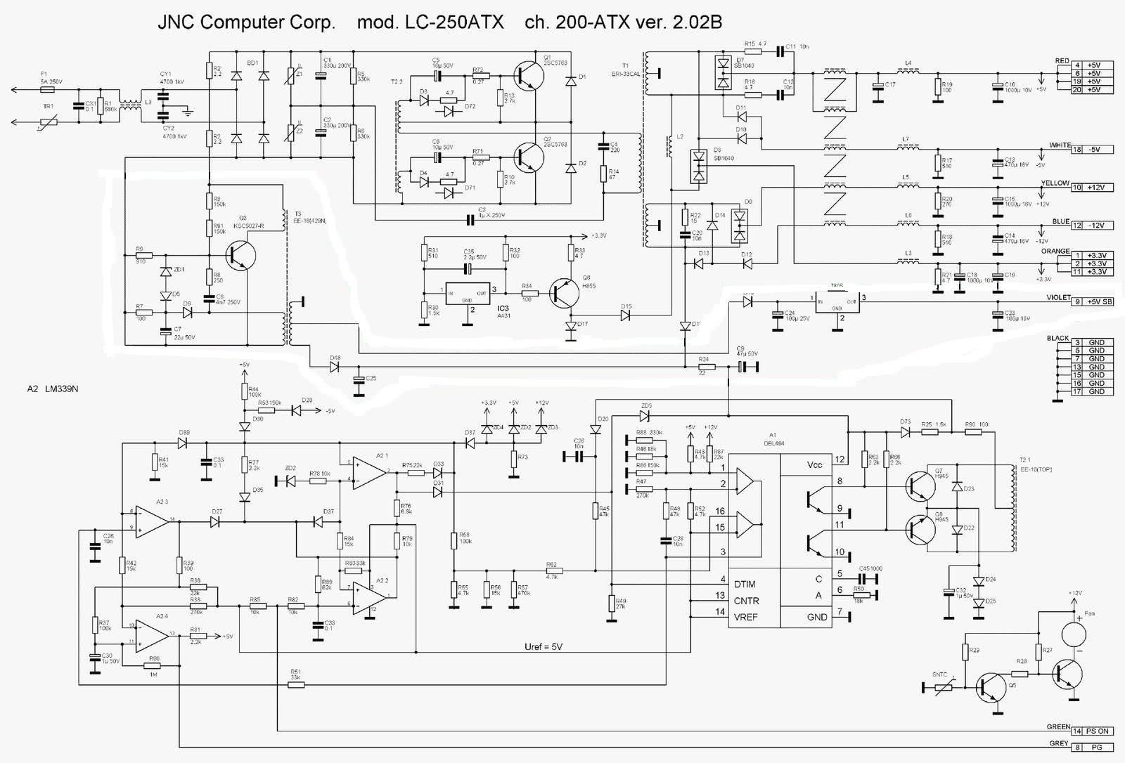
Процедуру конвертации можно увидеть на примере модели LC-250ATX. Разобравшись в принципе, можно будет работать с другими подобными блоками.

В основе LC-250ATX лежит принцип ШИМ, реализованный на стандартной для таких схем микросхеме TL494. Он генерирует импульсы, которые усиливаются ключами на транзисторах Q6, Q7, затем через трансформатор T2 с ключей на транзисторах Q1 формируются импульсы Q2 на первичной обмотке трансформатора T1. Эти импульсы преобразуются через вторичные обмотки и поступают на выпрямители различного напряжения, из которых только канал +12 вольт представляет интерес для изменения.
Цепь дежурного напряжения собирается на транзисторе Q3, трансформаторе Т3 и интегральном стабилизаторе 7805. Этот участок также понадобится для будущего проектирования. На операционном усилителе LM339 установлена схема для генерации сигнала PWR_OK и запуска источника питания с помощью сигнала с материнской платы.
Защита от неправильного использования
Когда выбирают лабораторный блок питания, в первую очередь обращают внимание на цену и максимальное значение напряжения и тока
Но наличие качественной защиты — это тоже очень важно, так как позволяет защитить не только блок питания, но и подлюченное к нему оборудование. В этом разделе мы расскажем о типах защит, которыми оснащаются серийные лабораторные блоки питания и рассмотрим несколько сопутствующих моментов
В этом разделе мы расскажем о типах защит, которыми оснащаются серийные лабораторные блоки питания и рассмотрим несколько сопутствующих моментов.
Защита от перегрузки по току (сокращённо OCP — Over Current Protection) должна мгновенно срабатывать при превышении выходным током заданного значения, что может произойти, например, при коротком замыкании выходных клемм блока питания. Такой тип защиты есть в большинстве хороших моделей
Но важно не только само наличие защиты, также важна скорость её срабатывания. В зависимости от реализации, защита от перегрузки по току может: полностью отключить выход блока питания от нагрузки, ограничить выходной ток заданным пороговым уровнем или перейти в режим стабилизации выходного тока (CC — Constant Current), сохранив то значение тока, которое было до перегрузки
В этом коротком видео показано как срабатывает защита маломощного лабораторного блока питания ITECH IT6720 при коротком замыкании его выходов.
https://youtube.com/watch?v=a_gqc3vbPx0
Демонстрация срабатывания защиты от перегрузки по току при коротком замыкании.
Защита от перегрузки по напряжению (сокращённо OVP — Over Voltage Protection) срабатывает при превышении уровня напряжения на выходных клеммах блока питания заданного значения. Такая ситуация может возникать при работе на нагрузку с повышенным сопротивлением в режиме стабилизации тока. Или при попадании на клеммы лабораторного блока питания внешнего напряжения. Ещё одно применение этого типа защиты — это ограничение выходного напряжения блока питания на безопасном для подключенного оборудования уровне. Например, при питании цифровой схемы с напряжением 5 Вольт, есть смысл в настройках блока питания установить 5,5 Вольт в качестве порога срабатывания защиты.
Защита от перегрузки по мощности (сокращённо OPP — Over Power Protection) есть во всех моделях с . Задача этой защиты — ограничить максимальную мощность, которую лабораторный блок питания отдаёт в нагрузку, для того, чтобы силовые компоненты блока питания работали в штатном режиме и не перегревались. Если при работе в режиме стабилизации выходного напряжения (CV — Constant Voltage) будет превышен ток потребления, то прибор автоматически перейдёт в режим стабилизации выходного тока (CC — Constant Current) и начнёт снижать напряжение на нагрузке.
Защита от перегрева (сокращённо OTP — Over Temperature Protection) срабатывает при повышенном нагреве силовых компонентов блока питания, находящихся внутри корпуса. В простых моделях используется один датчик температуры, который просто впаян в плату управления. Он отслеживает среднюю температуру внутри корпуса и не способен быстро реагировать на опасный нагрев силовых элементов. В хороших моделях используется несколько датчиков, расположенных прямо в точках максимального выделения тепла. Такая реализация обеспечивает гарантированную защиту прибора, даже при быстром локальном перегреве. Обычно в хороших моделях защита от перегрева работает совместно с вентиляторами охлаждения с изменяемой частотой вращения. Чем больше тепла выделяется внутри прибора, тем выше скорость вращения вентиляторов. Если внутренняя температура всё-таки приблизится к критической, то будет выдано предупреждение (звуковое и надпись на экране), а если произойдёт превышение, то лабораторный блок питания автоматически выключится.
Также в лабораторных блоках питания встречаются такие виды защиты: от смены полярности (реверса), от пониженного напряжения (UVP — Under Voltage Protection) и от аварийного отключения.
Схемы блоков питания
Напряжение лабораторного БП располагается в интервале от 0 до 35 вольт. Для этой цели подходят схемы, по которым можно собрать следующие БП:
- однополярный;
- двуполярный;
- лабораторный импульсный.
Конструкции подобных устройств обычно собраны либо на обычных трансформаторах напряжения (ТН), либо на импульсных трансформаторах (ИТ).
Внимание! Отличие ИТ от ТН в том, что на обмотки ТН подается синусоидальное переменное напряжение, а на обмотки ИТ приходят однополярные импульсы. Схема включения обоих абсолютно идентична
Импульсный трансформатор
Простой лабораторный
Однополярный БП с возможностью регулировать выходное напряжение можно собрать по схеме, в которую входят:
- понижающий трансформатор Tr ( 220/12…30 В);
- диодный мост Dr для выпрямления пониженного переменного напряжения;
- электролитический конденсатор С1 (4700 мкФ*50В) для сглаживания пульсации переменной составляющей;
- потенциометр для регулировки выходного напряжения Р1 5 кОм;
- сопротивления R1, R2, R3 номиналом 1кОм, 5,1 кОм и 10 кОм, соответственно;
- два транзистора: Т1 КТ815 и Т2 КТ805, которые желательно установить на теплоотводы;
- для контроля напряжения на выходе устанавливают цифровой вольтамперметр, с интервалом измерений от 1,5 до 30 В.
В коллекторную цепь транзистора Т2 включены: С2 10 мкф * 50 В и диод Д1.
Схема простого БП
К сведению. Диод устанавливают для защиты С2 от переполюсовки при подключении к аккумуляторам для подзарядки. Если такая процедура не предусмотрена, можно заменить его перемычкой. Все диоды должны выдерживать ток не менее 3 А.
Печатная плата простого БП
Двухполярный источник питания
Для питания усилителей низкой частоты (УНЧ), имеющих два “плеча” усиления возникает необходимость в применении двухполярного БП.
Важно! Если монтировать лабораторный БП, стоит остановить внимание именно на аналогичной схеме. Источник питания должен поддерживать любые форматы выдаваемого постоянного напряжения
Двухполярный ИП на транзисторах
Для такой схемы допустимо применять трансформатор с двумя обмотками на 28 В и одной на 12 В. Первые две – для усилителя, третья – для питания охлаждающего вентилятора. Если таковой не окажется, то достаточно двух обмоток равного напряжения.
Для регулировки выходного тока применены наборы резисторов R6-R9, подключаемые с помощью сдвоенного галетного переключателя (5 положений). Резисторы подбирают такой мощности, чтобы они выдерживали ток более 3 А.
Переменный резистор R нужно брать сдвоенный номиналом 4.7 Ом. Так проще осуществлять регулировку по обоим плечам. Стабилитроны VD1 Д814 соединены последовательно для получения 28 В (14+14).
Для диодного моста можно взять диоды подходящей мощности, рассчитанные на ток до 8 А. Допустимо устанавливать диодную сборку типа KBU 808 или аналогичную. Транзисторы КТ818 и КТ819 необходимо установить на радиаторы.
Подбираемые транзисторы должны иметь коэффициент усиления от 90 до 340. БП после сборки не требует специальной наладки.
Лабораторный импульсный бп
Отличительной чертой ИПБ является рабочая частота, которая в сто раз выше частоты сети. Это дает возможность получить большее напряжение при меньшем количестве витков обмотки.
Информация. Чтобы получить 12 В на выходе ИПБ с током 1 А для сетевого трансформатора достаточно 5 витков при сечении провода 0,6-0,7 мм.
Простой полярный ИП можно собрать, используя импульсные трансформаторы от компьютерного БП.
Лабораторный блок питания своими руками можно собрать по схеме приведенной ниже.
Схема импульсного блока питания
Данный источник питания собран на микросхеме TL494.
Важно! Для управления Т3 и Т4 используется схема, в которую входит управляющий Тr2. Это связано с тем, что встроенные ключевые элементы микросхемы не имеют достаточной мощности
Трансформатор Тr1 (управляющий) берут от компьютерного БП, он «раскачивается» при помощи транзисторов Т1 и Т2.
Особенности сборки схемы:
- для минимизации потерь при выпрямлении используют диоды Шоттки;
- ESR электролитов в фильтрах на выходе должен быть как можно ниже;
- дроссель L6 от старых БП применяют без изменения обмоток;
- дроссель L5 перематывают, намотав на ферритовое кольцо медный провод диаметром 1,5 мм, набрав 50 витков;
- Т3, Т4 и D15 крепят на радиаторы, предварительно отформатировав выводы;
- для питания микросхемы, управления током и напряжением применяют отдельную схему на Tr3 BV EI 382 1189.
Вторичная обмотка выдает 12 В, которые выпрямляются и сглаживаются при помощи конденсатора. Микросхема линейного стабилизатора 7805 стабилизирует его до 5 В для питания схемы индикации.
Внимание! Допустимо использовать в этом БП любую схему вольтамперметра. В таком случае микросхема для стабилизации 5 В не понадобится
Файлы
Схема достаточно проста для повторения даже начинающими радиолюбителями, но, если кого интересует готовая печатка, качайте файл — Регулируемый БП 24 В 5 А
Кроме схемы и печатки в архиве содержится файл таблица с графиком, визуально отражающий изменение харауеристики равномерности регулирования при введении в схему корректирующего резистора, может кому то будет интересно, или даже полезно. Там в красных ячейках можно задавать величину сопротивлений переменного и корректирующего резистора. Изменение характеристики визуально можно наблюдать по представленным в файле графикам.
Фото блоков питания своими руками







































https://youtube.com/watch?v=ETArHgrN05A
https://youtube.com/watch?v=plJ0uUZJkVU
Также рекомендуем просмотреть:
- Вентилятор своими руками
- Прикормка своими руками
- Откатные ворота своими руками
- Ремонт компьютера своими руками
- Станок по дереву своими руками
- Столешница своими руками
- Брусья своими руками
- Лампа своими руками
- Котел своими руками
- Установка кондиционера своими руками
- Отопление своими руками
- Фильтр для воды своими руками
- Как сделать нож своими руками
- Усилитель сигнала своими руками
- Ремонт телевизора своими руками
- Зарядное для аккумулятора своими руками
- Точечная сварка своими руками
- Дымогенератор своими руками
- Металлоискатель своими руками
- Ремонт стиральных машин своими руками
- Ремонт холодильника своими руками
- Антенна своими руками
- Ремонт велосипеда своими руками
- Сварочный аппарат своими руками
- Холодная ковка своими руками
- Трубогиб своими руками
- Дымоход своими руками
- Заземление своими руками
- Стеллаж своими руками
- Светильник своими руками
- Жалюзи своими руками
- Светодиодная лента своими руками
- Нивелир своими руками
- Замена ремня ГРМ своими руками
- Лодка своими руками
- Как сделать насос своими руками
- Компрессор своими руками
- Усилитель звука своими руками
- Аквариум своими руками
- Сверлильный станок своими руками
Как сделать блок питания?
У начинающего радиолюбителя когда-нибудь возникнет вопрос: как сделать простой блок питания самостоятельно в домашних условиях.

Перво-наперво необходимо определить, какой именно блок питания нужен и для каких точно целей. Блоки питания могут использоваться в разных сферах многими домашними мастерами.

Для того, чтобы сделать самостоятельно блок питания, необходимо разобраться с тем, как он устроен и как работает. Это поможет в дальнейшем осуществлять небольшой ремонт устройства при необходимости.

Определяем, какой именно блок нужен – регулируемый либо нет. Заранее, перед выполнением работ, необходимо найти все инструкции и схемы блоков питания, которые помогут сделать нужный вам прибор.








Регулируемый – это прибор, у которого можно изменить выходное напряжение (допускается изменение в пределах от 3 до 12 вольт). Например, если мы хотим получить 7 или 10 вольт – нам нужно будет всего лишь повернуть ручку регулятора.

Нерегулируемый прибор – имеет фиксированное выходное напряжение, которое нельзя изменить. К примеру, блок питания «Электроника» Д2-27 нельзя регулировать, и он выдает на выходе всегда 12 вольт.


Самые интересные для радиолюбителей являются регулируемые блоки питания. Они позволяют запитать достаточно много устройств (самодельных либо промышленных), которым понадобится разное напряжение питания.

Фото самодельного блока питания можно найти в журналах для радиолюбителей либо в интернете.

Индикатор для блока питания
Провёл у себя ревизию, нашёл пару простеньких стрелочных головок М68501 для этого БП. Просидел пол дня над созданием экрана для него, но таки нарисовал его и точно настроил под требуемые выходные напряжения.
Сопротивление используемой головки индикатора и применённый резистор указаны в прилагаемом файле на индикаторе. Выкладываю переднюю панель блока, если кому понадобится для переделки корпус от блока питания АТХ, проще будет переставить надписи и что-то добавить, чем создавать с нуля. Если потребуются другие напряжения, шкалу можно просто подкалибровать, это уже проще будет. Вот готовый вид регулируемого источника питания:
Плёнка — самоклейка типа «бамбук». Индикатор имеет подсветку зелёного цвета. Красный светодиод Attention указывает на включившуюся защиту от перегрузки.





