Регулировка напряжения
Вместо одного из двух резисторов можно использовать потенциометр к КР142ЕН12А и получить схему включения с регулировкой. C его помощью на выходе микросхемы добиваются необходимого напряжения. Таким образом, в домашних условиях, можно сделать простейший регулируемый стабилизатор постоянного электропитания.
На рисунке ниже представлена упрощённая схема включения крен12а для стабилизации 12V. При таком подключении ток в нагрузке ограничен максимальными параметрами микросхемы и не превышает 1 А. Рассеиваемая мощность определяется площадью радиатора — чем она больше, тем лучше.
В данной схеме для понижения выходного напряжения сопротивление R2 уменьшают. И наоборот, для повышения – увеличивают R2. Минимальное возможное значение R2 составляет 1 Ом (1.25 В), а максимальное теоретически — до 6.2 кОм (35 В).
Конечно, для полноценного регулируемого блока питания (БП) указанных компонентов будет недостаточно. Например, для подключения от сети 220 В необходимы еще трансформатор, выпрямительный диодный мост и сглаживающие конденсаторы. Упрощенную схему БП можно скачать по следующей
или
— более продвинутая конструкция БП с возможностью получения фиксированных напряжений.
Для повышения тока в нагрузке на выходе микросхемы устанавливают мощные транзисторы, однако есть еще возможность параллельного включения.
О стабилизаторах напряжения и стабилизаторах тока «Крен» привет
В обсуждениях электрических схем часто встречаются термины «стабилизатор напряжения» и «стабилизатор тока». Но какая между ними разница? Как работают эти стабилизаторы? В какой схеме нужен дорогой стабилизатор напряжения, а где достаточно простого регулятора? Ответы на данные вопросы вы найдёте в этой статье. Рассмотрим стабилизатор напряжения на примере устройства LM7805.В его характеристиках указано: 5В 1,5А. Это значит стабилизирует он именно напряжение и именно до 5В. 1,5А — это максимальный ток, который может проводить стабилизатор. Пиковая сила тока. То есть от может отдать и 3 миллиампера, и 0,5 ампер, и 1 ампер. Столько, сколько тока требует нагрузка. Но не больше полутора. Это главное отличие стабилизатора напряжения от стабилизатора тока.
КР142ЕН12
Регулируемый стабилизатор положительного напряжения
Микросхема КР142ЕН12 регулируемый трехвыводный стабилизатор положительного напряжения, позволяющий питать
устройства током до 1.5А в диапазоне напряжений от 1.2В до 37В. Этого легко достичь, используя всего два
внешних навесных резистора для установки необходимого выходного напряжения. Линейность нагрузочной
характеристики лучше, чем в стандартных фиксированных стабилизаторах.КР142ЕН12А собран в стандартном
транзисторном корпусе, позволяющем легко монтировать его на плате и теплоотводе. В дополнение к
более высоким, чем у фиксированных стабилизаторов характеристикам,КР142ЕН12А имеет полную защиту от
перегрузок, включающую внутрисхемное ограничение по току, защиту от перегрева и защиту выходного
транзистора. Все системы защиты от перегрузок остаются полностью работоспособными даже если вход
регулирования отключен. Обычно входной конденсатор не нужен, если корпус стабилизатора находится
в пределах 15 см от входной фильтрирующей емкости,в противном случае он необходим. В дополнение может
быть добавлен выходной конденсатор для сглаживания переходных процессов.Для достижения очень высокого
значения коэффициента подавления пульсаций вход регулирования может быть зашунтирован емкостью. Помимо
тех случаев, в которых используются фиксированные стабилизаторы, КР142ЕН12А находит применение в
широком диапазоне других приложений. Например, переключаемый стабилизатор, стабилизатор с программи
руемым выходом, а с присоединением постоянного резистора между выходом и входом регулирования
КР142ЕН12А может использоваться как прецизионный токовый стабилизатор. Источники с электронным
выключением можно получить закорачиванием вывода регулирования на землю, при этом на выходе получается
напряжение 1.2В, которое позволяет уменьшить ток в нагрузке.
|
|
Электрические характеристики
Все параметры приведены при Vin-Vo=5В, Io=0,5A, 0°C<Tj<125°C, Cin=0.33mF,
Cout=0.1mF если не оговорено другое.
| Наименование | Обозначение | Условия измерения | Мин. | Тип. | Макс. | Ед. измерения | |
| Нестабильность по входному напряжению | REGIN | Ta=25°C3B<(Vin-Vo)<40B Io=0.1A(Прим.) |
— | 0.01 | 0.04 | %В | |
| 0°C<Tj<+125°C3B<(Vin-Vo) <40BIo=0.1A(Прим.) |
— | 0.02 | 0.07 | ||||
| Нестабильность по току нагрузки | REGL | Vo<5B | Ta=25°C10мА<Io<1.5A(Прим.) | — | 5 | 25 | мВ |
| Vo>5B | — | 0.1 | 0.5 | % | |||
| Vo<5B | 0°C<Tj+125°C (Прим.) 10мА<Io<1.5A | — | 20 | 70 | мВ | ||
| Vo>5B | — | 0.3 | 1.5 | % | |||
| Температурная нестабильность | REGTH | Ta=25°C, 0,2мс<t<20мс | — | 0.01 | 0.07 | %/Вт | |
| Ток по входу регулирования | IADJ | 50 | 100 | мкА | |||
| Нестабильность тока повходу регулирования | IADJ | 10мА<Io<1.5A3B<(Vin -Vo)<40BPT<20Вт |
— | 0.4 | 5 | мкА | |
| Опорное напряжение | VREF | 10мА<IO<1.5A3B<(Vin— Vo)<40BPT<20Вт |
1.20 | 1.25 | 1.30 | В | |
| Температурная нестабильностьопорного напряжения | VREF/T | 0°C<Tj<+125°C | — | 0.7 | 1.0 | % | |
| Минимальный ток нагрузки | IOMIN | (Vin-Vo)=40B | — | 4.7 | 10 | мА | |
| 5В<(Vin-Vo)<15B | 1.5 | 2.2 | 3.4 | A | |||
| Максимальный выходной ток | IOpeak | (Vin-Vo)=40B | 0.15 | 0.8 | — | ||
| Напряжение шума на выходе | Vn | Ta=25°C10Гц<f<10кГц | — | 0.003 | — | % RMS | |
| Коэффициент подавления пульсаций | RR | CADJ=0 | VO=10VTa=25°C f=120 ГцVin=1BRMS |
— | 60 | — | дБ |
| CADJ=10мкФ | 56 | 78 | — |
Примечание: Измерение постоянной температуры перехода производится с использованием тестовых
импульсов с низким коэффициентом заполнения. Длительность импульса = 10мсек., коэффициент заполнения
< 2%.RMS — среднеквадратический.
Предельные параметры
| Параметр | Обозначение | Величина | Ед.измерения |
| Максимальное напряжение между входом-выходом | Vin-VOUT | 40 | BDC |
| Температура пайки | TLEAD | 230 | °C |
| Мощность рассеивания | PD | 20 | Вт |
| Диапазон рабочих температур | Tj | 0 до +125 | °C |
| Диапазон температур хранения | TSTG | -65 до +150 | °C |
Технические характеристики
В блоках питания от сети 220В линейный стабилизатор обычно устанавливается сразу после выпрямительного диодного моста, где выполняет свою основную роль источника вторичного электропитания (ИВЭП). Рекомендуемая производителями величина входного напряжения у КРЕН8Б находится в диапазоне 14,5 … 18 В. В любом случае, должно быть на 2,5-3 В больше от опорного.
Максимальные параметры
Изготовителями заявлены следующие максимальные параметры КР142ЕН8Б, при температуре корпуса (ТК) от -45 до +70оС, если не указано иного:
- входное напряжение (при ТК от -45 до +100оС) — до 30 В;
- мощность рассеивания – до 1,5 Вт; до 8 Вт (c теплоотводом);
- ток в нагрузке – до 1500 мА (c использованием теплоотвода).
Электрические параметры
Если ток в нагрузке будет более 100 мА, то рекомендуется применение теплоотвода. На практике его величина может достигать 900 мА, что на много меньше значения заявленного отдельными производителями в даташит, но вполне достаточного для большинства современных слаботочных систем. Сведения о электрических параметрах КРЕН8Б, при температуре окружающей среды +25оС, представлены в таблице ниже.
Типовое включение
Устойчивая работа электронных приборов обеспечивается стабильностью поданного на них электропитания. Отсюда и возникает потребность в его выравнивании до необходимого уровня. Превышение или снижение питающих значений недопустимо, так как приводит к неисправности в работе оборудования. Самый очевидный способ — использовать популярную отечественную микросхему из серии КР142.
КР142ЕН8Б является одним из линейных стабилизаторов указанной серии. Его типовая схема подключения очень простая и подходит для всех КР142ЕН. Она включает в себя саму КРЕНку (еще одно неофициальное название 142ЕН8Б) и пару сглаживающих конденсаторов. В даташит рекомендовано применение небольших ёмкостей с величиной 0,33 и 1,0 мкФ. Обычно используют керамические или танталовые версии.
Если для проекта выбраны алюминиевые электролитические конденсаторы, то они должны быть не менее 10 мкФ. Их лучше подсоединять как можно ближе к выводам микросхемы. Многие радиолюбители делают это навесным монтажом, спаивая ножки радиоэлементов между собой.
Разновидности 12В стабилизаторов
Существует несколько вариаций схем такого устройства для 12 Вольт, но самые распространенные – линейный и импульсный. Чем же они, по сути, отличаются?
- Линейный стабилизатор является по своим свойствам обычным делителем напряжения, который получает входящее напряжение на одно из плеч, а на другом изменяет сопротивление, чтобы в результате на выходе получалось заданное напряжение. Если дельта входа/выхода слишком велика, КПД такого прибора резко падает, так как значительная часть энергии рассеивается в виде тепла — это приводит к необходимости охлаждения.
- В импульсном варианте ток поступает в накопитель (конденсатор или же дроссель) короткими импульсами, сформированными ключом. Когда электронный ключ замыкается, накопленная энергия поступает на нагрузку, при этом значение напряжения остается стабильным. Сам процесс стабилизации происходит контролем длительности импульсов при помощи ШИМ. Такой вариант прибора имеет высокий КПД, однако наводит импульсные помехи на выходе, что не всегда приемлемо.
Также существуют автотрансформаторные и феррорезонансные аппараты, использующиеся преимущественно для переменного тока, но они относительно сложны.
Благодаря наличию множества электронных компонентов и радиодеталей в свободной продаже, любой, даже начинающий радиолюбитель, при необходимости может дома собрать для своих нужд стабилизатор напряжения на 12 Вольт – была бы схема.
Что из себя представляют стабилизаторы напряжения КРЕН 142
Микросхемы серии 142 завоевали популярность из-за простоты получения стабильного напряжения – несложная обвязка, отсутствие регулировок и настроек. Достаточно подать питание на вход, и получить стабилизированное напряжение на выходе. Наибольшую известность и распространение получили нерегулируемые интегральные стабилизаторы в корпусах ТО-220 на напряжение до 15 вольт:
- КР142ЕН5А, В – 5 вольт;
- КР142ЕН5Б, Г – 6 вольт;
- КР142ЕН8А, Г – 9 вольт;
- КР142ЕН8Б, Д – 12 вольт;
- КР142 ЕН8В, Е – 15 вольт;
- КР142 ЕН8Ж, И – 12,8 вольт.
В случаях, когда надо получить более высокое стабильное напряжение, применяются приборы:
- КР142ЕН9А – 20 вольт;
- КР42ЕН9Б – 24 вольта;
- КР142ЕН9В – 27 вольт.
Эти микросхемы также выпускаются в планарном исполнении с несколько отличающимися электрическими характеристиками.
Серия 142 включает в себя и другие интегральные стабилизаторы. К микросхемам с регулируемым выходным напряжением относятся:
- КР142ЕН1А, Б – с пределами регулирования от 3 до 12 вольт;
- КР142ЕН2Б – с пределами 12…30 вольт.
Эти приборы выпускаются в корпусах с 14 выводами. Также в эту категорию входят трехвыводные стабилизаторы с одинаковым выходным диапазоном 1,2 – 37 вольт:
- КР142ЕН12 положительной полярности;
- КР142ЕН18 отрицательной полярности.
В серию входит микросхема КР142ЕН6 – двуполярный стабилизатор с возможностью регулировки выходного напряжения от 5 до 15 вольт, а также включение в качестве нерегулируемого источника ±15 вольт.
Все элементы серии имеют встроенную защиту от перегрева и короткого замыкания на выходе. А переполюсовку по входу и подачу внешнего напряжения на выход они не любят – время жизни в таких случаях исчисляется секундами.
https://youtube.com/watch?v=ktMI-NlOgjE
https://youtube.com/watch?v=FNwH1PVVDaY
https://youtube.com/watch?v=uhssRbXdvu8
Технические характеристики
Начнём знакомство с техническими характеристиками микросхемы крен8б с рассмотрения предельно допустимых параметров устройства
Знание этих параметров важно при проектировании новых электронных устройств. Если их значения выйдут за пределы нормы, устройство может выйти из строя
- предельно допустимое напряжение на входе – 35 В;
- максимально возможный выходной ток при Тк = -25…+75ОС – 1,5 А;
-
наибольшая рассеиваемая мощность на радиаторе:
- при Тк = -45…+70ОС – 8 Вт;
- при Тк +75ОС – 5 Вт;
- мощность без радиатора 1,5 Вт;
- температура хранения — -55 …+150 ОС.
Теперь можно детально рассмотреть остальные характеристики микросхемы. Значения вех параметров были измерены при температуре +25 ОС. Остальные условия проведения тестирования можно найти в колонке «Условия тестирования» приведённой ниже таблицы.
| Электрические характеристики стабилизатора крен8б (при Т = +25 оC) | |||||
| Название параметра | Обозн | Условия тестирования | мин | макс | Ед. изм |
| Напряжение на выходе | Uвых | Uвх=20 В; Iвых=10мA | 11,64 | 12,36 | В |
| К-т нестабильности по напряжению | Кui | Uвх=20 В; Iвых=10мA | 0,05 | %/В | |
| Температурный к-т нестабильности напряжения | α uo |
Uвх=20 В; Iвых=10мA
Т = -45…+85ОС |
0,02 | %/В | |
| К-т нестабильности по току | Кio | 1,33 | %/А | ||
| Наименьшее падение напряжения | Uвх = Uвых + 2,5 В | ≤ 2,5 | В | ||
| Потребляемый ток | Uвх = 35 В | ≤ 10 | мА | ||
| Дрейф выходного напряжения за 500 часов |
Т = +100ОС
Iвых=0,5 A |
≤ 1 | % | ||
| К-т сглаживания пульсаций | Uвх=20 В;Iвых=10мA | ≥30 | дБ |
Кроме приведённых выше сведений в технической документации имеются рекомендации по применению:
- на выход КР142ЕН8Б может быть подано напряжение величиной не более 15 В, при условии, если напряжение на входе отсутствует;
- монтаж стабилизатора можно проводить не более двух раз, а демонтаж до одного;
- наименьшая резонансная частота – 8 кГц.
Подключать КР142ЕН8Б рекомендуется по стандартной трёхвыводной схеме подключения стабилизаторов.
Стабилизатор содержит 0,0178 грамм золота и 0,0376 грамм серебра.
Стабилизатор КР142ЕН5А характеристики и особенности прибора
КР142ЕН5А характеристики и схемы включения этого стабилизатора напряжения будут приведены в статье ниже. Узнаете где применяются КР142ЕН5А и особенности прибора.
Что представляет из себя данный элемент? Это объединенный чип линейного стабилизатора, выпускаемого на отечественных производствах, специализирующихся на изготовлении радиоэлектронных компонентов. ИМС выполнена в корпусе TO-220 с тремя контактными выводами. Его выходная цепь обеспечивает фиксированное напряжение постоянной полярности 5v и рабочий ток 2А. В КРЕНке предусмотрены схемы защита от КЗ, от превышения максимального тока и чрезмерного нагрева.
Применяется эта микросхема, благодаря своим характеристикам, во многих электронных устройствах и выполняет там функции источника постоянного напряжения. Сфера ее использования довольно широкая, эти приборы часто можно встретить в модулях измерительных систем, логических схемах, гаджетах воспроизведения высокого качества. В случае необходимости замены данного стабилизатора, существуют доступные аналогичные приборы стабилизации напряжения зарубежного производства, такие как: 7805 (78L05).
Основные параметры КР142ЕН5А
- Стабилизированное напряжение на выходе: 5v
- Рабочий ток на выходе: 2 А
- Предельное напряжение на входе: 15v
- Перепад напряжения относительно входа-выхода составляет: 2,4v
- Рассеиваемая мощность ИМС установленной на теплоотводе равняется: 12 Вт
- Допустимая погрешность напряжения на выходе: 0,05v
Другие характеристики работы источника питания КР142ЕН5А:
- Нет необходимости в обвязке дополнительными элементами;
- Встроенная схема температурной защиты;
- Защита транзистора установленного в выходной цепи;
- Схема ограничения тока при коротком замыкании.
Стандартная схема включения микросхемы
Разумеется, главная цель применения данного чипа — это обеспечение постоянным, стабилизированным пяти вольтовым напряжением необходимую электронную схему. Однако, кроме этого, стабилизирующая ИМС может быть использована в качестве обычного источника питания
И, что немаловажно, эта ИМС обладает возможностью изменять напряжение в выходной цепи. Диапазон регулирования составляет 5,5…12v
Чтобы реализовать эту возможность, нужно будет добавить определенные дополнительные элементы.
Принцип работы схемы такой: С выпрямителя устройства напряжение +15v подается во входную цепь стабилизатора фиксированного питания. С выходного контакта на вывод управления микросхемы приходит напряжение снимаемое с транзистора VT1. На управляющий вывод (2) поступает напряжение с выхода (3) стабилизатора через транзистор VT1. Значение данного напряжения устанавливается подстроечным резистором R2. Если выставить регулятор резистора в верхнее положение, то уровень напряжения в выходной цепи источника питания будет самым малым (5.5v).
Создается самое низкое напряжение на выходе из штатного значения стабилизатора 5v, f также добавляется напряжение из цепочки коллектора-эмиттера находящегося в открытом состоянии транзистора VT1.
Конденсатор С2 имеющий номинал 10µF фильтрует искажения, конденсатор С1 10µF ограничивает возможное появление высоко-частотного сигнала. Максимальный ток в выходном тракте стабилизатора может составлять до 2А, следовательно, для создания комфортных условий для работы микросхемы, необходимо ее разместить на теплоотводе.
Предыдущая запись Морель Темпо 6 — установка автомобильной акустики
Следующая запись Bowers Wilkins 702 S2 — тест флагманской серии напольной акустики
Стабилизатор крен8б
В настоящее время интегральные стабилизаторы напряжения распространены достаточно широко. Источники питания с использованием таких стабилизаторов имеют небольшое количество дополнительных элементов, низкую стоимость и обладают отличными техническими характеристиками. Линейный стабилизатор крен8б – один из наиболее распространённых вариантов отечественного производства, являющийся аналогом импортных стабилизаторов линейки 78хх.

Действие стабилизатора
Стабилизатор кр1428б даёт возможность снабжения каждой платы сложного прибора отдельным стабилизирующим устройством и воспользоваться для его питания общим источником, не обеспеченным стабилизацией.
Поскольку поломка одного из стабилизаторов приводит к выходу из строя только подключенного к нему блока, это повышает общую надёжность устройств. Также такая схема подключения смогла решить проблему борьбы с помехами импульсного характера и наводками на длинные питающие провода.

Следует знать, что превышение значения тока, на которое рассчитано устройство, может повлечь за собой выход стабилизатора из строя. Однако современные стабилизаторы имеют защиту по току – в случае превышения максимальной нагрузки тока они просто отключаются.
К минусам линейных стабилизаторов можно отнести и сильный нагрев при повышенной нагрузке. Так повышение входного напряжения влечёт за собой перегрев стабилизатора. При разработке стабилизаторов крен8б эта проблема была решена обеспечением защиты по перегреву.

Технические характеристики:
- Стабилизатор кр1428б имеет следующие характеристики:
- допустимая величина выходного тока 1 Ампер;
- наличие внутренней термозащиты;
- защищённый выходной транзистор;
- отсутствие необходимости во внешних компонентах;
- внутренние ограничения токов короткого замыкания.
Применение
Применяться такой стабилизатор может в таких устройствах, как:
- в радиоэлектронных устройствах как источник питания логических систем;
- в устройствах воспроизведения высокого качества;
- в измерительных приборах.
При добавление в типовые схемы дополнительных элементов можно превратить стабилизатор из источника напряжения в источник с регулировкой как напряжения, так и тока.

Если длина соединительных проводов стабилизатора с фильтрующими конденсатами выпрямителя превышает 1 метр, тогда на его входе требуется установка электролитического конденсатора.

Выбор линейного стабилизатора крен1428б поможет решить проблему со стабилизацией напряжения в большом спектре радиоэлектронный и других устройств и продлит срок использования приборов.

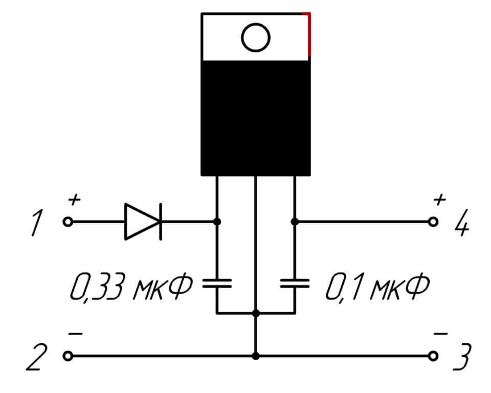
Регулировка напряжения
Вместо одного из двух резисторов можно использовать потенциометр к КР142ЕН12А и получить схему включения с регулировкой. C его помощью на выходе микросхемы добиваются необходимого напряжения. Таким образом, в домашних условиях, можно сделать простейший регулируемый стабилизатор постоянного электропитания.
На рисунке ниже представлена упрощённая схема включения крен12а для стабилизации 12V. При таком подключении ток в нагрузке ограничен максимальными параметрами микросхемы и не превышает 1 А. Рассеиваемая мощность определяется площадью радиатора — чем она больше, тем лучше.
В данной схеме для понижения выходного напряжения сопротивление R2 уменьшают. И наоборот, для повышения – увеличивают R2. Минимальное возможное значение R2 составляет 1 Ом (1.25 В), а максимальное теоретически — до 6.2 кОм (35 В).
Конечно, для полноценного регулируемого блока питания (БП) указанных компонентов будет недостаточно. Например, для подключения от сети 220 В необходимы еще трансформатор, выпрямительный диодный мост и сглаживающие конденсаторы. Упрощенную схему БП можно скачать по следующей
или
— более продвинутая конструкция БП с возможностью получения фиксированных напряжений.
Для повышения тока в нагрузке на выходе микросхемы устанавливают мощные транзисторы, однако есть еще возможность параллельного включения.
Какие существуют аналоги
Для некоторых приборов серии 142 существуют полные зарубежные аналоги:
| Микросхема К142 | Зарубежный аналог |
| КРЕН12 | LM317 |
| КРЕН18 | LM337 |
| КРЕН5А | (LM)7805C |
| КРЕН5Б | (LM)7805C |
| КРЕН8А | (LM)7806C |
| КРЕН8Б | (LM)7809C |
| КРЕН8В | (LM)78012C |
| КРЕН6 | (LM)78015C |
| КРЕН2Б | UA723C |
Полный аналог означает, что микросхемы совпадают по электрическим характеристикам, по корпусу и расположению выводов. Но существуют еще и функциональные аналоги, которые во многих случаях замещают проектную микросхему. Так, 142ЕН5А в планарном корпусе не является полным аналогом 7805, но по характеристикам ей соответствует. Поэтому, если есть возможность установить один корпус вместо другого, то такая замена не ухудшит качество работы всего устройства.
Другая ситуация – КРЕН8Г в «транзисторном» исполнении не считается аналогом 7809 из-за того, что имеет меньший ток стабилизации (1 ампер против 1,5). Если это не критично и фактический потребляемый ток по цепи питания меньше 1 А (с запасом), то смело можно менять LM7809 на КР142ЕН8Г. И в каждом конкретном случае всегда надо прибегать к помощи справочника – зачастую можно подобрать что-то похожее по функционалу.
Настройка работы схемы блока питания:
Для удобства настройки схемы на рисунке №1 я пометил контрольные точки (зелёным цветом). Если всё собрано правильно и адекватно подобраны элементы, то сема сразу заработает и в точке «1» ваш вольтметр покажет напряжение около 4,75-5,25 В или 11,75-12,25 В – стандартное напряжение предусмотренное заводом производителем КРЕНов.
Если вообще нет никаких признаков работы схемы, то проверьте целостность плавкого предохранителя FU1 (точка «2») – для этого необходимо его вытащить и прозвонить, обесточив перед этим схему!!!
Если предохранитель цел, то вам необходимо замерять напряжение в точке «3» — оно должно соответствовать номинальному входному напряжению используемого КРЕНа (посмотрите по справочнику). После выхода диодного моста (точка «4») напряжение может несколько увеличится в 1,4 раза – это нормально, если оно меньше необходимого или равно нулю проверьте исправность диодного моста.
Учтите без нагрузки КРЕН не должен греться – если он нагрелся, значит, в схеме есть ошибки, или крен вышел из строя.
R1* ограничивает ток светодиода VD5* – служат для индикации работы схемы, при её включении светодиод загорается, их можно не использовать.
P.S.: Я постарался наглядно показать и описать не хитрые советы. Надеюсь, что хоть что-то вам пригодятся. Но это далеко не всё что возможно выдумать, так что дерзайте, и штудируйте сайт
Трехвыводные стабилизаторы напряжения бывают фиксированные или регулируемые. Первые разработаны на конкретное выходное напряжение (в нашем случае 5 В). Вторые – регулируемые стабильники, которые позволяют установить необходимое напряжение в заявленных пределах.
Если вам не нужно ограничивать выходные параметры или настраивать сигнал на нестандартные параметры, то обратите внимание на стабилизатор с фиксированным напряжением КРЕН 142, который позволит использовать меньше деталей и поэтому станет лучшим выбором
Цоколевка
Внешний вид напоминает транзистор размещенный в стандартном корпусе ТО-220 (отечественный КТ-28-2). Вместе с тем, функционал и распиновка КРЕН8Б имеют совсем другое назначение. Если смотреть на лицевую часть пластиковой упаковки, то левая ножка является — «входом» (17), правая — «выходом» (8), а «общий» (2) находится посередине.
Металлическая подложка корпуса ТО-220 имеет физическое соединение с общим выводом. Символы «8Б», в конце маркировке указывают на возможное напряжение стабилизации в районе 12 В (±3%). Не путайте с восьмивольтовым КР142ЕН8А, с которого получают 8 В (±3%).
Производители
На сегодняшний день производством микросхемы КР142ЕН8Б (datasheet можно скачать кликнув на название) а России занимается предприятие ЗАО «Группа Кремний Эл». Это акционерное общество является преемником Брянского завода полупроводниковых приборов, которое было построено ещё при советском союзе. Оно является крупнейшим производителем полупроводниковых приборов, выпускающим изделия не только гражданского, но и военного применения.
Еще одним предприятием, выпускающим рассматриваемый стабилизатор напряжения, является Белорусский завод УП «Завод Транзистор» из г. Минск. Данный завод является филиалом компании ОАО «Интеграл».
Регулируемый блок питания
Довольно часто, с применением КР142ЕН5А, делают регулируемый блок питания. На выходе приведенной ниже схеме, можно настроить положительное напряжение в диапазоне от 5.6 до 13 вольт.

Напряжение +15 В подается на вход стабилизатора. С выхода микросхемы (ножка 3), через транзистор VT1 КТ502А, оно поступает на общий вывод микросхемы (ножка 2). Его величина регулируется переменным резистором R2. При изменении сопротивления на R2, на выходе стабилизатора можно добиться 5.6 В. Оно получаются из суммы напряжений: на выходе (5 В) и между выводами коллектором-эмиттером транзистора VT1. Так как VT1 в данном случае полностью открыт, напряжение на нем равно 0.6 В. Емкость С1 нужна для предотвращения возбуждения микросхемы, а С2 для сглаживания пульсаций.
Рекомендуем также посмотреть видео со схемой регулируемого блока питания, с помощью можно менять полярность напряжения на выходе от +5В до -5В и наоборот.
https://youtube.com/watch?v=Ta1RrgBpQyA
Схема типичного блока питания на интегральном стабилизаторе напряжения типа КРЕН:
Если вам нужен недорогой, примитивный, надёжный и простой в настройке блок питания со стабильным выходным напряжением рекомендую вам обратить внимание на схему рисунок №1. Рисунок №1 – Схема типичного блока питания на стабилизаторе типа КРЕН
Рисунок №1 – Схема типичного блока питания на стабилизаторе типа КРЕН
S1 – Сетевой тумблер на 220 В (выключатель);
FU1 – Плавкий предохранитель 0,5А;
T1 – Понижающий трансформатор (220/5 или 220/12 В) на 1,5 А;
VD — VD4 – Полупроводниковые выпрямительные диоды (любые лишь бы подходили по току и напряжению);
VD5* – Любой светодиод;
C1 – 2200 мкФ (электролит) 16В;
C2-C3 – 0,22 мкФ;
C4 – 100 мкФ (электролит) 16В;
DA1 – Интегральный стабилизатор напряжения типа КРЕН (7805 для +5В, или 7812 для +12 В, максимальный ток 1А);
R1* – подбирается в зависимости от параметров VD5*.





