Усилители мощности
С выхода каждого канала фильтра сигналы ВЧ-СЧ-НЧ подаются на входы усилителй мощности, которые, также, можно собрать по любой из известных схем в зависимости от необходимой мощности всего усилителя. Я делал УМЗЧ по известной давно схеме из журнала «Радио», №3, 1991 г., стр.51. Здесь даю ссылку на «первоисточник», так как по поводу этой схемы существует много мнений и споров по повод её «качественности». Дело в том, что на первый взгляд это схема усилителя класса «B» с неизбежным присутствием искажений типа «ступенька», но это не так. В схеме применено токовое управление транзисторами выходного каскада, что позволяет избавиться от этих недостатков при обычном, стандартном включении. При этом схема очень простая, не критична к применяемым деталям и даже транзисторы не требует особого предварительного подбора по параметрам К тому же схема удобна тем, что мощные выходные транзисторы можно ставить на один теплоотвод попарно без изолирующих прокладок, так как выводы коллекторов соединены в точке «выхода», что очень упрощает монтаж усилителя:
При настройке лишь ВАЖНО подобрать правильные режимы работы транзисторов предоконечного каскада (подбором резисторов R7R8) — на базах этих транзисторов в режиме «покоя» и без нагрузки на выходе (динамика) должно быть напряжение в пределах 0,4-0,6 вольт. Напряжение питания для таких усилителей (их, соответственно, должно быть 6 штук) поднял до 32 вольт с заменой выходных транзисторов на 2SA1943 и 2SC5200, сопротивление резисторов R10R12 при этом следует также увеличить до 1,5 кОм (для «облегчения жизни» стабилитронам в цепи питания входных ОУ)
ОУ также были заменены на ВА4558, при этом становится не нужна цепь «установки нуля» (выходы 2 и 6 на схеме) и, соответственно меняется цоколёвка при пайке микросхемы. В результате при проверке каждый усилитель по этой схеме выдавал мощность до 150 ватт (кратковременно) при вполне адекватной степени нагрева радиатора.
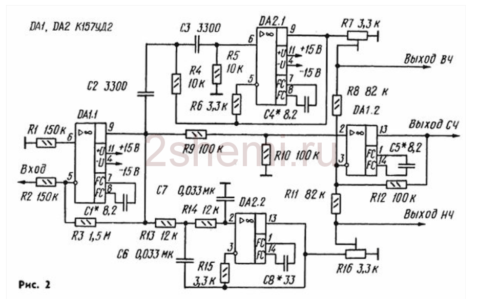
Блок фильтров
Схем фильтров, также, при желании можно найти множество, так как публикаций на тему многополосных усилителей сейчас достаточно. Для облегчения этой задачи и просто для примера, я приведу здесь несколько возможных схем, найденных в различных источниках:

— схема, которая была применена мной в этом усилителе, так как частоты раздела полос оказались как раз такие, которые и нужны были «заказчику» — 500 Гц и 5 кГц и ничего пересчитывать не пришлось.

— вторая схема, попроще на ОУ.
И ещё одна возможная схема, на транзисторах:

Как уже писал ваше, выбрал первую схему из-за довольно качественной фильтрации полос и соответствии частот разделения полос заданным. Только на выходах каждого канала (полосы) были добавлены простые регуляторы уровня усиления (как это сделано, например, в третьей схеме, на транзисторах). Регуляторы можно поставить от 30 до 100 кОм. Операционные усилители и транзисторы во всех схемах можно заменить на современные импортные (с учётом цоколёвки!) для получения лучших параметров схем. Никакой настройки все эти схемы не требуют, если не требуется изменить частоты раздела полос. К сожалению, дать информацию по пересчёту этих частот раздела я не имею возможности, так как схемы искались для примера «готовые» и подробных описаний к ним не прилагалось.
N5532 datasheet на русском
Даташит поиск по электронным компонентам в формате pdf на русском языке. Бесплатная база содержит более 1 000 000 файлов доступных для скачивания. Воспользуйтесь приведенной ниже формой или ссылками для быстрого поиска (datasheet) по алфавиту.Если вы не нашли нужного Вам элемента, обратитесь к администрации проекта .
Статистика
Усилитель на NE5532N + TDA2050.

Усилитель на NE5532N_TDA2050
Предлагаем вашему вниманию принципиальную схему стереофонического усилителя. Каскад предварительного усиления собран на микросхеме NE5532N, усилитель мощности реализован на микросхемах TDA2050. Мощность усилителя 2 х 32 Ватта. Принципиальная схема показана ниже:
Максимальные параметры TDA2050 взяты из datasheet:
Характеристики микросхемы TDA2050:
Исходники печатной платы усилителя на NE5532N и TDA2050:
Печатная плата усилителя на NE5532N и TDA2050 в формате LAY6 имеет следующий вид:
Фото-вид печатной платы усилителя:
Размеры печатной платы 66 х 108 мм, фольгированный стеклотекстолит – односторонний.
В блоке питания микросхемы предварительного усилителя применены интегральные стабилизаторы 7812 и 7912, вместо них можно поставить 7815 и 7915 соответственно.
В качестве выпрямителя применена диодная сборка типа KBL, ниже показан пример диодных сборок:
Фильтрующие емкости в блоке питания могут быть от 4700 до 10000 mF на напряжение не ниже 35 Вольт.
Регулятор громкости – спаренный потенциометр 47k/47k с логарифмической зависимостью.
На плате установлен светодиод – контроль наличия питающего напряжения.
Микросхемы TDA2050 крепятся к радиатору через прокладки или слюду с применением термопасты типа КПТ и изоляционных втулок.
• R1, R2 — 120k • R3, R4, R7 – 10k • R5, R6, R8, R9, R12, R13 – 22k • R10, R11 – 680R • R14, R15 – 2R2
• С1, С2 – 10mF/25V – лектролит • С3, С4 – 220p – керамика • С5, С6 – 22mF/25V (35V) – электролит • C7, С8 – 4700mF/35V – электролит • С9, С10, С17, С18 – 0,1mF (100n) • C11, С12 – 47mF/35V – электролит • С13, С14 – 100mF/35V – электролит • С15, С16 – 10mF/25V – электролит • C19, С20 – 0,22mF (220n)
• IC1 — NE5532N – операционный усилитель • IC2 – 7812 – интегральный стабилизатор 12 Вольт (или 7815 на 15 Вольт) • IC3 – 7912 – интегральный стабилизатор 12 Вольт (или 7915 на 15 Вольт) • IC4, IC5 – TDA2050 – усилитель мощности
• KBL02 – диодная сборка • LED1 – светодиод 5 мм
• Спаренный потенциометр 47 / 47 кОм с логарифмической зависимостью.
Трансформатор 12-0-12 или 18-0-18 на ток вторички порядка 3 Ампер.
Принципиальная схема УНЧ
Здесь приводится схема самодельного весьма бюджетного стерео-УНЧ с вполне приличным качеством звучания (на уровне недорогого стационарного компактного музыкального центра). Усилитель двухканальный, выдающий по 6W на канал при КНИ на частоте 1000 Гц не более 0,6%. Максимальная мощность 9W на канал.
В усилителе есть аналоговые регуляторы тембра по НЧ и ВЧ, регулятор громкости и стереобаланса. При работе можно пользоваться как ими, так и органами регулировки источника сигнала (МП-3 плеера).
Входное сопротивление УНЧ относительно велико (100 кОм), поэтому если сигнал будет подаваться на вход УНЧ не с линейного, а с телефонного выхода МП-3 плеера может потребоваться создать эквивалент головных телефонов для нагрузки телефонного усилителя источника сигнала. Сделать это можно включив параллельно каждому входу этого УНЧ по одному сопротивлению 30-100 Ом.
Эти сопротивления будут играть роль катушек головных телефонов. Однако, эквивалента нагрузки может и не потребоваться, — все зависит от схемы выходного каскада телефонного усилителя конкретной модели МП-3 плеера.
Рис. 1. Принципиальная схема усилителя НЧ на TDA2003 для смартфона или плеера.
Схема УНЧ показана на рисунке. Она построена на основе двух микросхем TDA2003. Это интегральные УМЗЧ, аналогичные микросхемам К174УН14.
Практически микросхема TDA2003 представляет собой мощный операционный усилитель, работающих с однополярным питанием, и коэффициент усиления его определяется параметрами цепи ООС, включенной между инверсным входом и выходом. Здесь тоже самое. В частности изменять коэффициент усиления можно подбором сопротивления R18 или R22 (для другого канала).
Это может потребоваться для корректировки коэффициента усиления под конкретный источник сигнала (изменение чувствительности), а так же, если это необходимо, для выставления равенства чувствительности в каналах (например, с учетом акустической обстановки помещения, где данный УНЧ будет работать). Впрочем, для регулировки соотношения усиления в каналах есть регулятор стереобаланса на переменном резисторе R8 которым регулируется соотношения шунтирования полу-резисторов сдвоенного R7 (регулятора громкости).
Входной сигнал поступает через два разъема L и R. Это «азиатские» разъемы. Для подключения к выходу МП-3 плеера нужно сделать кабель, — на одном конце соответствующий телефонный штекер, на другом два «азиатских» штекера. Со входа сигнал поступает на пассивную схему регулировок.
Сначала регулятор тембра по ВЧ (R1) и НЧ (R6). Затем регулятор громкости на сдвоенном переменном резисторе R7 и регулятор стереобаланса R8.
Со схемы регулировки сигналы каналов поступают на два УМЗЧ на микросхемах А1 и А2.
Изготовление корпуса
Готовую схему темброблока обязательно нужно поместить в экранированный корпус, иначе не избежать фона. В качестве корпуса можно использовать обычную консервную банку. Переменные резисторы вывести наружу и надеть на них ручки. По краям банки обязательно установить разъёмы jack 3.5 для входа и выхода звука.
Саму банку следует соединить с минусом схемы для создания защитного экрана, тогда сигнальный провод не будет ловить внешние наводки. Корпус может быть и пластиковым, но в этом случае изнутри его обязательно нужно обклеить алюминиевым скотчем, который так же соединить с минусом схемы.
Предварительный усилитель-темброблок
В качестве него была применена схема, не раз проверенная до этого, которая при своей простоте и доступности деталей показывает довольно хорошие характеристики. Схема (как и все последующие) в своё время была опубликована в журнале «Радио» и затем не раз публиковалась на различных сайтах в интернете:

Входной каскад на DA1 содержит переключатель уровня усиления (-10; 0; +10 дБ), что упрощает согласование всего усилителя с различными по уровню источниками сигнала, а на DA2 собран непосредственно регулятор тембров. Схема не капризна к некоторому разбросу номиналов элементов и не требует никакого налаживания. В качестве ОУ можно применить любые микросхемы, применяемые в звуковых трактах усилителей, например здесь (и в последующих схемах) пробовал импортные ВА4558, TL072 и LM2904. Подойдёт любая, но лучше, конечно, выбирать варианты ОУ с возможно меньшим уровнем собственного шума и высоким быстродействием (коэффициентом нарастания входного напряжения). Эти параметры можно посмотреть в справочниках (даташитах). Конечно, здесь вовсе не обязательно применять именно эту схему, вполне можно, например, сделать не трёхполосный, а обычный (стандартный) двухполосный темброблок. Но не «пассивную» схему, а с каскадами усиления-согласования по входу и выходу на транзисторах или ОУ.
↑ И снова немного истории
Первым претендентом на роль предварительного усилителя с регулятором тембра стала схема Д. Стародуба (рис. 1) . Но конструкция так и не «прижилась» в усилителе мощности: требовалась тщательная экранировка и источник питания с чрезвычайно малым уровнем пульсаций (порядка 50 мкВ). Однако главной причиной стало отсутствие ползунковых переменных резисторов.
Рис. 1. Схема высококачественного блока регуляторов тембра
Путем проб и ошибок я пришел к простой схеме предварительного усилителя (рис. 2), с которой, однако, система звуковоспроизведения намного превзошла в звучании серийно выпускавшуюся аппаратуру, по крайней мере, имевшуюся у моих друзей и знакомых.
Рис. 2. Принципиальная схема одного канала предварительного усилителя для УМЗЧ С. Батя и В. Середы
За основу взята схема предварительного усилителя стереофонического электрофона Ю. Красова и В. Черкунова, демонстрировавшегося на 26 – й Всесоюзной выставке радиолюбителей – конструкторов. Это левая часть схемы, включая регуляторы тембра.
Появление каскада на транзисторах разной проводимости в предварительном усилителе (VT3, VT4) связано с обсуждением усилителей с преподавателем лаборатории телевизионной техники на кафедре Радиосистем А. С. Мирзоянцем, с которым я работал, будучи студентом. В ходе работ понадобились линейные каскады для усиления телевизионного сигнала, и Александр Сергеевич сообщил, что по его опыту наилучшими характеристиками обладают структуры «шиворот – навыворот», как он выразился, то есть усилители на транзисторах противоположной структуры с непосредственной связью. В процессе экспериментов с УМЗЧ я выяснил, что это касается не только телевизионной техники, но и звукоусилительной. Впоследствии я часто применял подобные схемы в своих конструкциях, в том числе пары полевой транзистор – биполярный транзистор.
Попытка применить транзисторы разной структуры в первом каскаде (составном эмиттерном повторителе VT1, VT2) не принесла успехов, т. к. при всех замечательных характеристиках (низком уровне шума, малых искажениях) схема имела существенный недостаток – меньшую перегрузочную способность по сравнению с эмиттерным повторителем. Характеристики предварительного усилителя:
Входное сопротивление, кОм=300 Чувствительность, мВ=250 Глубина регулировок тембра, дБ: на частоте 40 Гц=±15 на частоте 15 кГц=±15 Глубина регулировок стереобаланса, дБ=±6 Поскольку в ходе конструирования усилителей возникали новые идеи, старые конструкции я дарил кому-нибудь, или продавал по твердому курсу ватт выходной мощности / рубль. В одну из поездок в Ленинград я захватил с собой этот усилитель, чтобы продать его знакомому друга. Володька сказал, что у этого парня куча всякой западной техники, и увез аппарат к нему на прослушивание. Вечером он сообщил мне результаты: молодой человек включил усилитель, послушал пару вещей и был так удовлетворен звучанием, что без слов отдал положенные деньги.
Честно сказать, когда я узнал, что сравнение будет проходить с импортной техникой, особенно не надеялся, что усилитель произведет впечатление. К тому же, он не был до конца доделан – отсутствовали верхняя и боковые крышки.
Рассмотрим принципиальную схему одного канала предварительного усилителя (рис. 2). На входе установлены высокоомные регуляторы громкости (R2.1) и баланса (R1.1). Со среднего вывода резистора R2.1 через переходной конденсатор С2 звуковой сигнал поступает на составной эмиттерный повторитель VT1, VT2, необходимый для нормальной работы пассивного регулятора тембра, выполненного по мостовой схеме. Для того чтобы устранить вносимое темброблоком затухание и усилить сигнал до необходимого уровня, установлен двухкаскадный усилитель на транзисторах VT3, VT4.
Питание предварительного усилителя нестабилизированное, от положительного плеча усилителя мощности. На каскады VT3, VT4 питающее напряжение подается через фильтр R17, C10, C13, а на входной эмиттерный повторитель — R8, C4. Важную роль играет диод VD1: без него не удалось полностью устранить фон переменного тока частотой 100 Гц на выходе усилителя мощности.
Конструктивно предварительный усилитель выполнен в «линейку», все детали установлены на печатной плате, закрытой сверху П-образным экраном из стали толщиной 0,8 мм.
Цоколевка
Как и большинство микросхем, ne5532 выпускается в стандартных пластиковых корпусах для дырочного или поверхностного монтажа на плату. Соответственно DIP или SO (SOIC). В большинстве случаев имеет восемь металлических выводов, но иногда встречаются и шестнадцатипиновые экземпляры. В последнем случае часть контактов не используется. Цоколевка представлена на рисунке.

Способы монтажа на плату можно определить по маркировке на микросхеме. У разных производителей она немного отличается. Например, у Texas Instruments устройства с суффиксом «D» предназначены для поверхностного монтажа, а с «P» для дырочного. On Semiconductor для обозначения DIP-корпуса использует символ «N».
Таким образом идентичные по характеристикам NE5532P от Texas Instruments и NE5532N (On Semiconductor) имеют одинаковые DIP-корпуса, но обозначаются по разному. Другие символы в маркировке, в большинстве случаев, уже никак не влияют на внешний вид, но все же подчёркивают отдельные технические характеристики микросхемы.
Принципиальная схема
Краткое описание схемы усилителя. На входе имеется электронный переключатель четырех стереоканалов, состоящий из цифро-аналогового мультиплексора А1 (К561КП1) и счетчика А2 (К561ИЕ9).
Сигналы от четырех пар входов, расположенных на одной общей панели входных разъемов поступают на входы X и Y мультиплексора. Выбор входов осуществляется изменением двухразрядного двоичного кода на выводах 10 и 9 А1 с помощью счетчика А2.
Счетчик А2 управляется одной кнопкой SW1, каждое однократное нажатие которой формирует одиночный импульс, поступающий на вход С (вывод 14) А2. Цепь C1-R1 служит для подавления помех дребезга контактов данной кнопки.
Выбор входов происходит по кольцу в одном направлении. Светодиоды VD7-VD10 индицируют включенный вход. Данные светодиоды подключены на выходы счетчика непосредственно (без ключей-усилителей тока) и ток через них не превышает максимального выходного тока К561ИЕ9, поэтому, здесь должны бытъ сверхяркие светодиоды, которые обеспечат достаточную яркость индикации даже при таком небольшом токе.
Рис. 2. Схема селектора входов и трансформатора питания для усилителя.
Рис. 2. Схема темброблока и выходных УНЧ на микросхемах TDA2051.
Диоды VD3-VD6 совместно с резисторами R3-R6 образуют преобразователь десятичного кода чисел от 0 до 3 в соответствующий им двоичный двухразрядный код, подаваемый на управляющие входы мультиплексора А1.
Резистор R3-R4 и R5-R6 включены делителями, чтобы обеспечить согласование логических уровней микросхемы А2, питающейся от источника напряжением +12V и микросхемы А1, питающейся от двуполярного источника ±6,8V.
Двуполярное питание мультиплексора К561КП1 (А1) необходимо для получения минимальных искажений аналогового сигнала малого уровня, проходящего через его каналы.
При коммутации цифровых сигналов вывод минуса питания каналов (вывод 7) соединяют с общим минусом, а при коммутации аналоговых сигналов на него нужно подать отрицательное относительно вывода 8 напряжение.
Причем, разность потенциалов между выводами 7 и 16 не должна превышать 15V, поэтому здесь есть параметрические стабилизаторы на VD1 и VD2 (разность потенциалов получается 13,6V).
НЧ входные сигналы снимаются с выводов 13 и 3 А1 и поступают на усилитель. На операционных усилителях микросхемы АЗ сделаны буферные каскады, с их выходов НЧ сигналы поступают на активные регуляторы тембра по НЧ (RP1) и ВЧ (RP2), на операционных усилителях микросхемы А4.
Операционные усилители питаются стабильным напряжением ±12V, полученным от интегральных стабилизаторов А6 и А7. Регуляторы громкости и баланса сделаны по пассивной схеме на RP3 и RP4.
Усилители мощности выполнены на микросхемах TDA2051 .включенных по типовой схеме при питании от двуполярного источника. Коэффициент усиления усилителя (чувствительность по входу) зависит от сопротивлений R24 и R124. На схеме их сопротивления 47К соответствуют чувствительности усилителя по входам 200 mV.
СТЕРЕО УСИЛИТЕЛЬ С САБВУФЕРОМ И ФНЧ
Представленный самодельный усилитель работает в стандарте 2+1 (стерео + сабвуфер). Он изготовлен на основе популярной (и главное дешёвой) микросхемы TDA2050, что дает выходную мощность около 30 Вт на канал с сопротивлением нагрузки АС 4 Ома и питании +/-22В. Схема подходит для работы с любым стандартным источником аудио сигнала: mp3-плеер, смартфон или компьютер, так как оснащена предусилителем с регулировками тембра. Сигнал на сабвуфер формируется через низкочастотный активный фильтр второго порядка. Составляющие сигнала выше 200 Гц обрезаются, после чего сигнал поступает на усилитель мощности НЧ. Схема может питаться напряжением не более +/-25 В.
Работа предварительный усилитель с темброблоком
Принципиальная схема предусилителя показана на рисунке ниже:
Усилитель состоит из двух одинаковых каналов. Работу предварительного усилителя изучим на одном из них. Входной сигнал подается на разъем GP1 и поступает прямо на фильтр высоких частот, состоящий из конденсатора C1 (1 мкФ) и резистора R1 (100k) с частотой среза около 1,5 Гц, это позволяет эффективно срезать постоянную составляющую и самые низкие частоты.
Далее сигнал поступает на неинвертирующий усилитель U1 (NE5532) и резисторы R3 (10k) и R7 (4,7 k), что обеспечивает усиление сигнала в 1,5 раза. Небольшой конденсатор C3 (10 пФ) предотвращает возбуждение, в то время как C5 (1 мкФ) разделяет контуры на усилителях U1 и U2(NE5532).
Регулятор частот построен на усилителе U2, а сама регулировка частот построена классическим способом. Элементы, вносящие изменения в характеристики находятся в петле отрицательной обратной связи усилителя U2. Когда оба регуляторы находятся в центральном положении, сопротивление X1 (полученное из элементов: R9 (10k), C9 (33 нФ), C7 (4,7 нФ), а также: P1 (100k), P2 (100k), R11 (10k) и R12 (3,3 к) — «в среднем положении») между входным сигналом и инвертирующим входом усилителя U2 равно сопротивлению X2 (полученное из элементов: R15 (10к), C11 (33 нФ), C13 (4,7 нФ) и в середине также: P1, P2, R11 и R12 — » в среднем положении») между выходом усилителя U2 и инвертирующим вход. Коэффициент усиления А, выражается следующей зависимостью:
Он равен 1 для всего диапазона рабочих частот усилителя.
Потенциометр P1 отвечает за регулировку низких частот. Для высоких частот конденсаторы C9 и C11, являются короткозамкнутыми, так что регулировка с помощью потенциометра не оказывает никакого влияния на этих частотах. Потенциометр P2 отвечает за регулировку высоких частот, а из-за исключения конденсаторов С7 и C13 регулировка не оказывает никакого влияния на низкие частоты.
Hantek 2000 — осциллограф 3 в 1
Портативный USB осциллограф, 2 канала, 40 МГц….
Подробнее
Сигнал с выхода регулятора частоты поступает через резистор R17 (4,7 k) на потенциометр регулировки громкости P3 (100k) и далее к следующему контуру усиления, а именно U5 (NE5532). Элементы R19(15k) и R21 (33k) настраивают U5 для работы в качестве инвертирующего усилителя с коэффициентом усиления около 2. С выхода U5 сигнал через фильтр R23 (100Р), C21 (1 мкФ) и R25 (100k) попадает на выход предусилителя GP3.
Напряжение питания для операционных усилителей получают с помощью стабилизаторов U3 (78L15) и U4 (79L15), и фильтруется с помощью конденсаторов C15–C16 и C17–C18. Кроме того, питание каждого из четырех операционных усилителей сглаживается с помощью конденсаторов C19–C20 и C23- C26 (100 нФ).
Скачать рисунок печатной платы предварительного усилителя (unknown, скачано: 6 545)
Источник питания
Для получения высоких заявленных характеристик мы разработали малошумящий источник питания для предварительного усилителя.
Увеличение по клику
Он обеспечивает стабилизированные выходные напряжения ± 15 В и + 5 В для самого предварительного усилителя и дополнительных блоков. Плата блока подключена к трансформатору с выходным напряжением переменного тока ~15В (две обмотки). Диодный мост (D1-D4) и два конденсатора по 2200мкФ выпрямляют и фильтруют переменное напряжение и обеспечивают примерно ± 21 В постоянного напряжения. Регулируемые стабилизаторы LM317 и LM337 выдают на выходе ± 15 В благодаря резисторам 100 Ом и 1,1 кОм, подключенным к выводам «OUT» и «ADJ».
Мы использовали регулируемые стабилизаторы, потому что их управляющие выводы «ADJ» можно «оторвать» от земли, чтобы улучшить подавление пульсаций, что мы сделали с использованием конденсаторов 10 мкФ. Защитные диоды (D5 и D7) обеспечивают разрядный путь для конденсаторов, если выход случайно замыкается на землю.
Два диода (D6 и D8) в обратном включении защищают выход каждого плеча в случае неисправности другого.
Стабилизатор на фиксированное выходное напряжение 7805 (REG3) используется для получения напряжения + 5V. Резистор номиналом 100Ом служит для снижения рассеиваемой мощности на микросхеме стабилизатора. Этот резистор не так важен для модуля предварительного усилителя, но существенно облегчит тепловой режим стабилизатора при подключении дополнительных блоков.
Поскольку от источника питания +5В потребляется дополнительная мощность только положительной полярности, для балансировки плеч выпрямителя в отрицательное плечо включен резистор номиналом 330Ом, который обеспечивает одинаковую скорость разряда конденсаторов фильтра при выключении.
Продолжение следует…
Удачного творчества!
Стать подготовлена по материалам журнала «Практическая электроника каждый день»
Вольный перевод статьи — Главный редактор «РадиоГазеты».
Технические характеристики
Согласно технических характеристик NE5532 является почти полностью биполярной, за исключением одного полевого транзистора в генераторе смещения. Сигнальный тракт включает два последовательных диффкаскада, каскада усиления по напряжению и двухтактного повторителя с защитой от перегрузки по току. Внутри так же есть четыре компенсационных конденсатора. Приведём значения предельно допустимых (максимальных) параметров .
Максимальные параметры
Максимальные значения параметров микросхемы NE5532:
- напряжение питания (VS) до ± 22 В;
- дифференциальное напряжение на входе (VDIFF) до ± 0,5 В;
- входной ток (IIN) до 10 мА;
- рабочая температура кристалла (TJ) до + 150 oC.
Максимальная рассеиваемая мощность (PD) и тепловое сопротивление ограничены характеристиками корпуса, в котором размещена микросхема. Их значения можно рассчитать по методике приведённой в стандарте JESD 51-7.
Все приведённые величины напряжений относятся к средней точке (между Vcc+ и Vcc-), т.е. для двуполярного питания. Защитные диоды на входе микросхемы ограничивают входное диффнапряжение до 0,6 В. Максимальный ток не должен превышать 10 мА.
Рекомендуемые условия эксплуатации
Стабильная работа ne5532 на максимальных значениях параметров невозможна. Они приводится производителями в техническом описании лишь для отражения предельных возможностей микросхемы. Например, даже кратковременная работа кристалла при температуре +150 oC может привести к перегреву и выходу устройства из строя. Поэтому в даташит также приводятся рекомендуемые условия эксплуатации.
Рекомендуемое производителем напряжение питания составляет от ±5 до ±15 В. Рабочая температура не должна превышать (TJ) до + 70 oC. Ниже приведем основные электрические характеристики.
Аналоги
Полный аналог NE5532 найти не сложно, в настоящее время их достаточно много. Например, таковыми являются следующие микросхемы и их модификации: AD823, AD712, LM833, OP275, RC4558. Иногда в поисках замены радиолюбители стремятся улучшить качество звучания. В этих целях в качестве альтернативы можно рассмотреть более современные ОУ: AD826, LM6172, LT1364, LM4562, THS4061.
Отечественных аналогов у NE5532 не существует.





