Стабилизаторы тока на транзисторах
Для стабилизации тока через светодиоды можно применить хорошо известные решения:
На рисунке 1 представлена схема, работа которой основана на т.н. эмиттерном повторителе. Транзистор, включенный таким образом, стремится поддерживать напряжение на эмиттере в точности таким же, как и на базе (разница будет только в падении напряжения на переходе база-эмиттер). Таким образом, зафиксировав напряжение базы с помощью стабилитрона, мы получаем фиксированное напряжение на R1.
Далее, используя закон Ома, получаем ток эмиттера: Iэ = Uэ/R1. Ток эмиттера практически совпадает с током коллектора, а значит и с током через светодиоды.
Обычные диоды имеют очень слабую зависимость прямого напряжения от тока, поэтому возможно их применение вместо труднодоступных низковольтных стабилитронов. Вот два варианта схем для транзисторов разной проводимости, в которых стабилитроны заменены двумя обычными диодами VD1, VD2:
Ток через светодиоды задается подбором резистора R2. Резистор R1 выбирают таким образом, чтобы выйти на линейный участок ВАХ диодов (с учетом тока базы транзистора). Напряжение питания всей схемы должно быть не меньше, чем суммарное напряжение всех светодиодов плюс около 2-2.5 вольт сверху для устойчивой работы транзистора.
Сопротивление R1 будет зависеть от коэфф. усиления транзистора hfe и ВАХ диодов. Для S9014 и диодов 1N4148 достаточно будет 10 кОм.
Применим описанный стабилизатор для совершенствования одного из светодиодных светильников, описанного в этой статье. Улучшенная схема будет выглядеть так:
Данная доработка позволяет значительно снизить пульсации тока и, следовательно, яркости светодиодов. Но главный плюс схемы заключается в нормализации режима работы светодиодов и защита их от бросков напряжения во время включения. Это приводит к существенному продлению срока службы светодиодной лампы.
Из осциллограмм видно, что добавив в схему стабилизатор тока для светодиода на транзисторе и стабилитроне, мы тут же уменьшили амплитуду пульсаций в несколько раз:
При указанных на схеме номиналах, на транзисторе рассеивается мощность чуть больше 0.5 Вт, что позволяет обойтись без радиатора. Если емкость балластного конденсатора увеличить до 1.2 мкФ, то на транзисторе будет падать
23 Вольт, а мощность составит около 1 Вт. В этом случае без радиатора не обойтись, но зато пульсации понизятся чуть ли не до нуля.
Вместо указанного на схеме транзистора 2CS4544, можно взять 2SC2482 или аналогичный с током коллектора больше 100 мА и допустимым напряжением Uкэ не менее 300 В (подойдут, например, старые советские КТ940, КТ969).
Желаемый ток, как обычно, задается резистором R*. Стабилитрон рассчитан на напряжение 5.1 В и мощность 0.5 Вт. В качестве светодиодов применены распространенные smd-светодиоды из китайской лампочки (а еще лучше взять готовую лампу и добавить в нее недостающие компоненты).
Теперь рассмотрим схему, представленную на рисунке 2. Вот она отдельно:
Токовым датчиком здесь является резистор, сопротивление которого рассчитывается по формуле 0.6/Iнагр. При увеличении тока через светодиоды, транзистор VT2 начинает открываться сильнее, что приводит к более сильному запиранию транзистора VT1. Ток уменьшается. Таким образом происходит стабилизация выходного тока.
Также, вместо биполярного транзистора, можно применить p-канальный MOSFET. Схема, приведенная ниже, представляет собой мощный светильник на двух 10-ваттных светодиодах и 40-ваттном IRF9510 в корпусе ТО-220 (см. характеристики):
Транзистор VT2 и светодиоды необходимо разместить на общем радиаторе, площадью не менее 900 см 2 (это если без принудительного охлаждения). Использование термопасты обязательно. Ребра радиатора должен быть толстым и массивным, чтобы максимально быстро отводить тепло. Оцинкованные профили для гипсокартона, консервные банки из-под селедки и крышки от кастрюль категорически не подходят.
Если такая мощность не нужна, можно сократить количество светодиодов до одного. Но при этом придется понизить напряжение питания на 3-3.5 вольта. Иначе потребляемая мощность останется прежней, транзистор будет греться в два раза сильнее, а светить будет в два раза хуже.
Регулируемый стабилизатор тока
Меня как радиолюбителя со стажем 20 лет радует ассортимент продаваемых готовых блоков и модулей. Сейчас из готовых блоков можно собрать любое устройство за минимальное время.
Цена начинается от 35руб. за DC-DC преобразователь напряжения, драйвер подороже и отличается двумя тремя подстроечными резисторами, вместо одного.
Для более универсального использования лучше подходит регулируемый драйвер. Основное отличие, это установка переменного резистора в цепи, задающей амперы на выходе. Эти характеристики могут быть указаны в типовых схемах включения в спецификациях на микросхему, даташит, datasheet.
Слабые места таких драйверов, это нагрев дросселя и диода Шотки. В зависимости от модели ШИМ контроллера, они выдерживают то 1А до 3А без дополнительного охлаждения микросхемы. Если выше 3А, то требуется охлаждение ШИМ и мощного диода Шотки. Дроссель перематывают более толстым проводом или заменяют на подходящий.
КПД зависит от режима работы, разницы напряжения между входом и выходом. Чем выше коэффициент полезного действия, тем ниже нагрев стабилизатора.
Регулируемый блок питания своими руками
Блок питания необходимая вещь для каждого радиолюбителя, потому, что для питания электронных самоделок нужен регулируемый источник питания со стабилизированным выходным напряжением от 1.2 до 30 вольт и силой тока до 10А, а также встроенной защитой от короткого замыкания. Схема изображенная на этом рисунке построена из минимального количества доступных и недорогих деталей.
Схема регулируемого блока питания на стабилизаторе LM317 с защитой от КЗ
Микросхема LM317 является регулируемым стабилизатором напряжения со встроенной защитой от короткого замыкания. Стабилизатор напряжения LM317 рассчитан на ток не более 1.5А, поэтому в схему добавлен мощный транзистор MJE13009 способный пропускать через себя реально большой ток до 10А, если верить даташиту максимум 12А. При вращении ручки переменного резистора Р1 на 5К изменяется напряжения на выходе блока питания.
Так же имеется два шунтирующих резистора R1 и R2 сопротивлением 200 Ом, через них микросхема определяет напряжение на выходе и сравнивает с напряжением на входе. Резистор R3 на 10К разряжает конденсатор С1 после отключения блока питания. Схема питается напряжением от 12 до 35 вольт. Сила тока будет зависеть от мощности трансформатора или импульсного источника питания.
А эту схему я нарисовал по просьбе начинающих радиолюбителей, которые собирают схемы навесным монтажом.
Схема регулируемого блока питания с защитой от КЗ на LM317
Сборку желательно выполнять на печатной плате, так будет красиво и аккуратно.
Печатная плата регулируемого блока питания на регуляторе напряжения LM317
Печатная плата сделана под импортные транзисторы, поэтому если надо поставить советский, транзистор придется развернуть и соединить проводами. Транзистор MJE13009 можно заменить на MJE13007 из советских КТ805, КТ808, КТ819 и другие транзисторы структуры n-p-n, все зависит от тока, который вам нужен. Силовые дорожки печатной платы желательно усилить припоем или тонкой медной проволокой. Стабилизатор напряжения LM317 и транзистор надо установить на радиатор с достаточной для охлаждения площадью, хороший вариант это, конечно радиатор от компьютерного процессора.
Желательно прикрутить туда и диодный мост. Не забудьте изолировать LM317 от радиатора пластиковой шайбой и тепло проводящей прокладкой, иначе произойдет большой бум. Диодный мост можно ставить практически любой на ток не менее 10А. Лично я поставил GBJ2510 на 25А с двойным запасом по мощности, будет в два раза холоднее и надёжнее.
А теперь самое интересное… Испытания блока питания на прочность.
Регулятор напряжения я подключил к источнику питания с напряжением 32 вольта и выходным током 10А. Без нагрузки падение напряжения на выходе регулятора всего 3В. Потом подключил две последовательно соединенные галогеновые лампы H4 55 Вт 12В, нити ламп соединил вместе для создания максимальной нагрузки в итоге получилось 220 Вт. Напряжение просело на 7В, номинальное напряжение источника питания было 32В. Сила тока потребляемая четырьмя нитями галогеновых ламп составила 9А.
Радиатор начал быстро нагреваться, через 5 минут температура поднялась до 65С°. Поэтому при снятии больших нагрузок рекомендую поставить вентилятор. Подключить его можно по этой схеме. Диодный мост и конденсатор можно не ставить, а подключить стабилизатор напряжения L7812CV напрямую к конденсатору С1 регулируемого блока питания.
Схема подключения вентилятора к блоку питания
Что будет с блоком питания при коротком замыкании?
При коротком замыкании напряжение на выходе регулятора снижается до 1 вольта, а сила тока равна силе тока источника питания в моем случае 10А. В таком состоянии при хорошем охлаждении блок может находится длительное время, после устранения короткого замыкания напряжение автоматически восстанавливается до заданного переменным резистором Р1 предела. Во время 10 минутных испытаний в режиме короткого замыкания ни одна деталь блока питания не пострадала.
Радиодетали для сборки регулируемого блока питания на LM317
- Стабилизатор напряжения LM317
- Диодный мост GBJ2501, 2502, 2504, 2506, 2508, 2510 и другие аналогичные рассчитанные на ток не менее 10А
- Конденсатор С1 4700mf 50V
- Резисторы R1, R2 200 Ом, R3 10K все резисторы мощностью 0.25 Вт
- Переменный резистор Р1 5К
- Транзистор MJE13007, MJE13009, КТ805, КТ808, КТ819 и другие структуры n-p-n
Друзья, желаю вам удачи и хорошего настроения! До встречи в новых статьях!
Рекомендую посмотреть видеоролик о том, как сделать регулируемый блок питания своими руками
https://youtube.com/watch?v=sZXeimSVux8
Работа стабилизаторов тока
Качественное питание всех электротехнических устройств можно гарантированно обеспечить лишь, используя стабилизатор тока. С его помощью компенсируются скачки и перепады в сети, увеличивается срок эксплуатации приборов и оборудования.
Основной функцией стабилизатора является автоматическая поддержка тока потребителя с точно заданными параметрами. Кроме скачков тока, удается компенсировать изменяющуюся мощность нагрузки и температуру окружающей среды. Например, с увеличением мощности, потребляемой оборудованием, произойдет соответствующее изменение потребляемого тока. В результате, произойдет падение напряжения на сопротивлении проводки и источника тока. То есть, с увеличением внутреннего сопротивления, будут более заметны изменения напряжения при увеличении токовой нагрузки.
В состав компенсационного стабилизатора тока с автоматической регулировкой входит цепь отрицательной обратной связи. Изменение соответствующих параметров регулирующего элемента позволяет достичь необходимой стабилизации. На элемент оказывает воздействие импульс обратной связи. Данное явление известно, как функция выходного тока. В зависимости от регулировок, стабилизаторы разделяются на непрерывные, импульсные и смешанные.
Среди множества стабилизаторов очень популярны стабилизаторы тока на полевых транзисторах. Подключение транзистора в данной схеме осуществляется последовательно сопротивлению нагрузки. Это приводит к незначительным изменениям тока нагрузки, в то время, как входное напряжение подвержено существенным изменениям.
Для трехфазной сети
У Ресанты только одна модель на 6 кВт (в таблице) и можно составить комплект из трех стабилизаторов общей мощностью 18 кВт. У Штиль есть, как трехфазные инверторные модели, но так же можно составить комплекты из однофазных. Чтобы понять, чем такие подходы отличаются, читайте статью о том, как выбрать трехфазный стабилизатор для дома, и почему один трехфазный стабилизатор не равен трем однофазным.
Популярные инверторные стабилизаторы напряжения
Стабилизатор напряжения Штиль IS5000
Подробнее
Цена: 29 900 руб.
- — Мощность 5 кВ·А
- — С двойным преобразованием
- — Универсальное размещение
- Габариты: 353х366х104 мм
- Масса: 9 кг.
Стабилизатор напряжения Штиль IS7000
Подробнее
Цена: 34 798 руб.
- — Мощность 7 кВ·А
- — С двойным преобразованием
- — Универсальное размещение
- Габариты: 353х366х104 мм
- Масса: 9 кг.
Стабилизатор напряжения Штиль IS550
Подробнее
Цена: 6 396 руб.
- — Мощность 0.550 кВ·А
- — С двойным преобразованием
- — Универсальное размещение
- Габариты: 140х240х70 мм
- Масса: 2 кг.
Стабилизатор напряжения Штиль IS1106RT
Подробнее
Цена: 38 350 руб.
- — Мощность 6 кВ·А
- — С двойным преобразованием
- — Универсальное размещение
- Габариты: 440х130х520 мм
- Масса: 15 кг.
Стабилизатор напряжения Штиль IS1115RT
Подробнее
Цена: 83 190 руб.
- — Мощность 15 кВ·А
- — С двойным преобразованием
- — Универсальное размещение
- Габариты: 440х220х520 мм
- Масса: 25 кг.
Смотреть все инверторные стабилизаторы
Плюсы и минусы
К плюсам подобного устройства относятся:
- Высокое быстродействие – устройство, благодаря наличию обладающих высокой скоростью переключения симситоров, способно очень быстро реагировать на скачки напряжения в сети, сглаживая их до необходимого значения;
- Широкий диапазон входного напряжения – стабилизаторы данного типа способны работать при значениях входного наряжения от 95 до 275 В (для однофазной модели), от 260 до 470-471 В ( для трехфазных стабилизаторов);
- Высокая точность стабилизации – выходное напряжение, выдаваемое такими устройствами, имеет максимальное колебание в пределах 1,5 % (3,3-5,7 В), что не оказывает отрицательного влияния на работу подключенных к нему приборов.
- Контроль значений входной и выходной разности потенциалов с погрешностью не более 0,5%;
- Высокое КПД – благодяря использованию симистора, значение данного показателя у большинства моделей достигает 95-97%;
- Бесшумность – отсутствие в конструкции стабилизатора релейных переключателей и подвижных контактов позволяет работать ему практически бесшумно;
- Небольшие размеры – собранные на симисторах стабилизаторы, по сравнению с релейными, имеют небольшие размеры и могут быть компактно размещены на полу или стене даже самого небольшого помещения;
- Длительный срок эксплуатации – большинство современных качетвенных моделей могут нормально выполнять свои функции в течение 10 и более лет;
- Большая мощность – разлиные модели способны обеспечить нормальную работу подключаемых приборов и оборудования суммарной мощностью от 3 до 10 кВт.
К минусам таких стабилизаторов относятся:
- Высокая стоимость – качественные модели стабилизаторов имеют достаточно высокую, не всегда доступную для многих владельцев квартир и домов стоимость.
- Скачкообразное изменение разности потенциалов на выходе устройства – данный недостаток характерен для недорогих моделей китайского производства. В более дорогостоящих аналогах правтически не проявляется.
На заметку. Несмотря на высокую стоймость таких устройств, их приобретение при проблемах с напряжением в сети будет очень выгодным и окупится достаточно быстро – при остуствии стабилизатора могут произойти серьезные поломки чувствительной бытовой техники, насосоного и отопительного оборудования. В некоторых случаях подобные скачки не просто портят подключенные к сети приборы, а выводят их из строя, что влечет их замену, приводя к незапланированным и занчительным финансовым расходам и другим неудобствам.
Схемы стабилизаторов и регуляторов тока
Всем известно, что светодиодным лампочкам необходимо питание двенадцать вольт. В сети авто это значение может доходить до 15 В. Светодиодные элементы очень чувствительны, на них такие скачки отражаются отрицательно. Светодиодные лампы могут перегореть либо некачественно светить (мигать, терять яркость и т.д.).
Чтобы светодиоды служили дольше, в электросеть автомобиля включаются драйвера (резисторы). При нестабильности в сети устанавливаются устройства, которые поддерживают постоянное значение. Существует несколько простых микросхем, по которым можно сделать стабилизатор напряжения своими руками. Все компоненты, входящие в цепь, можно приобрести в специализированных магазинах. Обладая начальными знаниями по электротехнике сделать приборы будет несложно.
На КРЕНке
Для того, чтобы сконструировать простейший стабилизатор напряжения 12 вольт своими руками, понадобится микросхема с потреблением 12 В. В этом случае подойдет регулируемый стабилизатор напряжения 12 В LM317. Он может функционировать в электросети, где входной параметр составляет до 40 В. Чтобы прибор стабильно работал, необходимого обеспечивать охлаждение.

Крены для микросхем
Стабилизатор тока на LM317требует для работы небольшой ток до 8 мА, и данное значение обычно остается неизменным, даже при большом токе, протекающем через крен LM317, или при изменении входного значения. Это реализуется с помощью компоненты R3.
Можно применять элемент R2, но пределы при этом будут небольшими. При неизменном сопротивлении LM317 ток, идущий через прибор, будет также стабильным (автор видео — Создано в Гараже).
Входное значение для кренки LM317 может составлять до 8 мА и выше. Пользуясь этой микросхемой, можно придумать стабилизатор тока для ДХО. Это устройство может выступать нагрузкой в бортовой сети или источником электричества при подзарядке аккумуляторной батареи. Сделать простой стабилизатор напряжения LM317 не составляет труда.
На двух транзисторах
На сегодняшний момент пользуются популярностью стабилизирующие устройства для бортовой сети машины на 12 В, разработанные с использованием двух транзисторов. Данную микросхему используют как стабилизатор напряжения для ДХО.
Резистор R2 является токораздающим элементом. При возрастании тока в сети увеличивается напряжение. Если оно достигает значения от 0,5 до 0,6 В, открывается элемент VT1. Открытие компонента VT1 закрывает элемент VT2. В итоге, ток, проходящий через VT2, начинает снижаться. Можно вместе с VT2 применять полевой транзистор Мосфет.
Элемент VD1 включается в цепь, когда значения находится в пределах от 8 до 15 В и настолько велики, что транзистор может выйти из строя. При мощном транзисторе допустимы показания в бортовой сети около 20 В. Не стоит забывать о том, что транзистор Мосфет откроется, если показания на затворе будут 2 В.
На операционном усилителе (на ОУ)
Стабилизатор напряжения для светодиодов на основе ОУ собирается при необходимости создания устройства, которое будет работать в расширенном диапазоне. В рассматриваемом случае в качестве элемента, который будет задавать выпрямляемый ток, является R7. С помощью операционного усилителя DA2.2 можно увеличить уровень напряжения в токозадающем компоненте. Задачей компонента DA 2.1 является контроль опорного напряжения.
При создании схемы следует учесть, что она рассчитана на 3А, поэтому необходим больший ток, который должен поступать на разъем ХР2. Кроме того, следует обеспечивать работоспособность всех составляющих данного устройства.
Сделанный стабилизирующий прибор для автомобиля должен иметь генератор, роль которого выполняет REF198. Чтобы правильно настроить прибор, ползунок резистора R1 нужно установить в верхнее положение, а резистором R3 задавать необходимое значение выпрямленного тока 3А. Для погашения возможных возбуждений, используются элементы R,2 R4 и C2.
На микросхеме импульсного стабилизатора
Если выпрямитель для автомобиля должен обеспечивать высокий КПД в сети, целесообразно использовать импульсные компоненты, создавая импульсный стабилизатор напряжения. Популярной является схема МАХ771.

Схема выпрямителя с импульсным выпрямителем
Импульсный стабилизатор тока характеризуется выходной мощностью 15 Вт. Элементы R1 и R2 делят показатели схемы на выходе. Если делимое напряжение превышает по показателям опорное, выпрямитель автоматически уменьшает выходное значение. В противном случае устройство будет увеличивать выходной параметр.
Сборка данного устройства целесообразна, если уровень превышает 16 В. Компоненты R3 являются токовыми. Для устранения высокого падения нагрузки на данном резисторе в схему следует включить ОУ.
Как сделать блок питания на 5, 9,12 Вольт
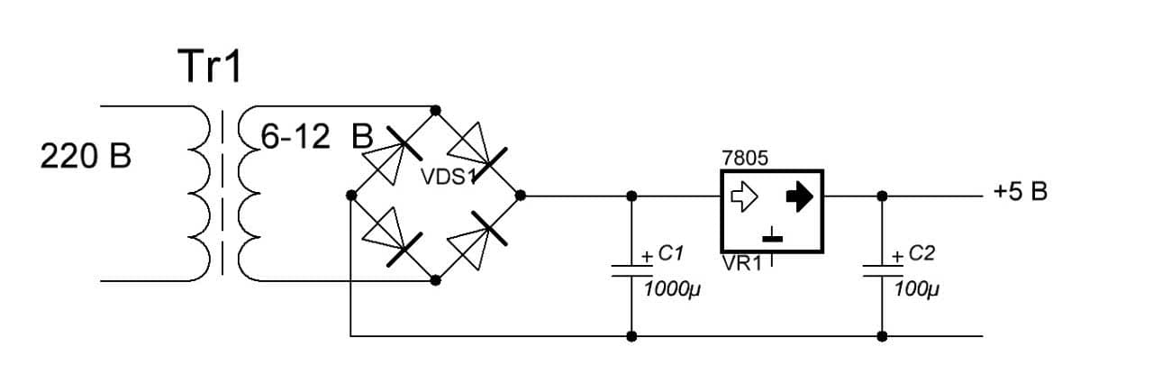
Как же сделать простой и высокостабильный источник питания на 5, на 9 или даже на 12 Вольт? Да очень просто. Для этого Вам нужно прочитать вот эту статейку и поставить на выход стабилизатор на радиаторе! И все! Схема будет приблизительно вот такая для блока питания 5 Вольт:

Два электролитических конденсатора для для устранения пульсаций и высокостабильный блок питания на 5 вольт к вашим услугам! Чтобы получить блок питания на большее напряжение, нам нужно также на выходе трансформатора тоже получить большее напряжение. Стремитесь, чтобы на конденсаторе С1 напряжение было не меньше, чем в даташите на описываемый стабилизатор.
Для того, чтобы стабилизатор напряжения не перегревался, подавайте на вход минимальное напряжение, указанное в даташите. Например, для стабилизатора 7805 это напряжение равно 7,5 Вольт, а для стабилизатора 7812 желательным входным напряжением можно считать напряжение в 14,5 Вольт. Это связано с тем, разницу напряжения, а следовательно и мощность, стабилизатор будет рассеивать на себе.
Как вы помните, формула мощности P=IU, где U – напряжение, а I – сила тока. Следовательно, чем больше входное напряжение стабилизатора, тем больше мощность, потребляемая им. А излишняя мощность – это и есть нагрев. В результате нагрева такой стабилизатор может перегреться и войти в состояние защиты, при котором дальнейшая работа стабилизатора прекращается или вовсе сгореть.
Изучаем популярные схемы стабилизатора напряжения
В первую очередь надо выбрать схему устройства. В глобальной сети много рекомендаций собирать такие блоки на интегральных линейных стабилизаторах 7812 (КР142ЕН8Б).

Схема стабилизатора на 7812 из интернета (явная ошибка – на входе должно быть не менее 14,5 вольта).
Те, кто публикует такие схемы, обращают внимание на их простоту и отсутствие необходимости настройки, совершенно забывая об одной проблеме. Для нормальной работы на таком стабилизаторе должно падать не менее 2,5 вольт – об этом написано в любом даташите
Попросту, для хоть сколько-нибудь эффективной стабилизации на выходе, на входе должно быть не менее 14,5 вольт. В автомобиле с исправным генератором такого напряжения быть не должно, а при более низком значении применять такую схему бессмысленно. В качестве компромисса можно использовать девятивольтовый стабилизатор (LM7809), его работоспособность начнется от 11,5 вольт на входе, но при этом упадет яркость свечения фонарей. По требованиям ГОСТ минимальная сила света должна составлять 400 кд, и ниже этого предела опускаться нельзя.
Еще более бездумными выглядят рекомендации ставить на входе диод.

Схема из сети – микросхема 7812 с диодом на входе.
Его назначение весьма сомнительно – защищать микросхему от обратной полярности при стабильном монтаже не надо. Но на кремниевом p-n переходе дополнительно упадет еще 0,6 вольта, и для нормальной работы понадобится не менее 15 вольт.
Схемы с интегральным линейником на 12 вольт (с диодом или без него) пригодны разве что для среза высоковольтных всплесков по шине +12 вольт (если таковые на самом деле присутствуют). То есть они могут служить своеобразным «барьером Зенера», но такой барьер можно сделать гораздо проще. Надо включить параллельно цепочке светодиодов стабилитрон Uст, немного превышающее рабочее напряжение. В нормальном режиме его сопротивление велико, он не окажет влияния на работу осветительного прибора. При превышении напряжения стабилизации (например, 15 вольт) он откроется и «срежет» излишек.

Подключение стабилитрона параллельно фонарю.
Немного лучше работают стабилизаторы на микросхемах LDO (low drop out). Они выглядят подобно обычным линейным регуляторам, но им для нормальной работы необходимо падение всего в 1,2 вольта, и эффективная стабилизация начнется уже при 13,2 вольтах. Что уже лучше, но все равно недостаточно для нормального функционирования. Для работы в такой схеме подойдут микросхемы LM1084 и LM1085, но схема их включения несколько сложнее.

Схема включения LDO LM1084.
Для получения выходного напряжения 12 вольт сопротивление резистора R1 должно быть 240 Ом, а R2 – 2,2 кОм. Имеется принципиальное препятствие для дальнейшего снижения падения – регулятор выполнен на биполярном транзисторе, и на его эмиттерном и коллекторном переходах должно упасть не менее 1,2 вольт. Это легко обходится применением полевого транзистора в качестве регулирующего элемента. Интегральные микросхемы, построенные по такому принципу, найти сложно, еще сложнее подобрать по нужным параметрам и они стоят дороже. А вот сделать самому такое устройство на дискретных элементах по силам даже радиолюбителю средней квалификации.

Схема линейного регулятора на мощном полевом транзисторе.
Номиналы элементов:
- R1 — 68 кОм;
- R2 — 10 кОм;
- R3 — 1 кОм;
- R4,R5 — 4,7 кОм;
- R6 — 25 кОм;
- VD1 — BZX84C6V2L;
- VT1 — AO3401;
- VT2,VT3 — 2N5550.
Выходное напряжение задается соотношением R5/R6. При указанных номиналах на выходе будет 12 вольт, на входе понадобится не более 12,5. Это cерьезное улучшение. Но принципиального скачка можно добиться только применением импульсного источника питания. Такой преобразователь по схеме Step-Up можно собрать на микросхеме XL6009.

Схема импульсника на XL6009.
Такой стабилизатор в готовом виде можно заказать на популярных интернет-площадках. Но есть проблема – производители из экономии часто устанавливают элементы, рассчитанные на ток не более 1 А (хотя микросхема способна выдать ток до 3 А). Или, например, могут быть не установлены входные или выходные оксидные конденсаторы. Даже диод Шоттки N5824, указанный в даташите, при токах выше 1,5 А начинает греться. Вместо него надо применить более мощный диод, например SR560. Все эти замены и упрощения ведут к перегреву платы и выходу ее из строя.
https://youtube.com/watch?v=iAGRDyscNPM





