Лучшие декоративные настольные светильники своими руками: идеи, фото
Дизайнеры и люди с творческими способностями стараются украсить весь мир вокруг себя. Именно поэтому можно встретить множество уникальных дизайнов горшков. Какие только предметы не используются для декорирования абажуров.
Например, абажур можно украсить пуговицами различной формы и цвета. Получится яркая позитивная лампа. Такая лампа хорошо впишется в интерьер детской комнаты или комнаты подростка.

Абажур, украшенный пуговицами
Абажур, украшенный фотографиями родных и близких людей будет постоянно привлекать к себе внимание. Абажур с фото

Абажур с фото
Если вы умеете вышивать лентами, примените свое мастерство с пользой. Украшенный вышивкой лентами абажур смотрится роскошно.

Абажур, украшенный лентами
Ножку настольной лампы можно украсить объемными цветами из бумаги. Получится прекрасный нежный светильник.

Декор настольной лампы
Светильник в стиле лофт из водопроводных труб и фитингов станет настоящим дизайнерским украшением вашего интерьера.

Лаконичный светильник
Украсить абажур можно карандашами. Получится очень яркая, нескучная лампа. Настоящее украшение для рабочего стола.

Лампы своими руками
Стильные светильники можно изготовить из обычных бокалов. Для этого сделайте абажур, подходящий по размеру, внутрь поместите маленькую свечу. Такая лампа станет отличным миниатюрным вечерним светильником с мягким светом.

Стильные светильники
Обновить старую лампу можно с помощью джинсовой ткани. Для этого следует сделать выкройку для абажура соответствующих размеров.

Простой декор лампы
Настольные лампы могут использоваться только для освещения, а могут также служить в качестве декора помещения. Тут лампа может иметь лидирующие позиции в сравнении с многими другими элементами интерьера, ведь лампа почти всегда стоит на самом видном месте
Прежде чем приступить к декору настольной лампы, возьмите во внимание общий стиль интерьера. Если неправильно сочетать стили, то даже самая красивая лампа может смотреться нелепо на общем фоне
И наоборот — самый минимальный и простой декор способен подчеркнуть ваш вкус и умение творить.
Как сделать эксклюзивную люстру для кухни своими руками из подручных средств
Существует множество способов, соорудить модный плафон, мы же предлагаем вам лишь малую часть особо удачных, на наш взгляд, вариантов:
1. Люстра «Мишки Джимми».
2. Лесная люстра — нужно вырезать из картона формы, которые похожи на ветви деревьев.
3. Барабанная люстра.
Одна из самых оригинальных идей пришла дизайнеру-сварщику Метту Людвигу несколько лет тому назад. Он взял старую барабанную установку и начал творить чудеса. Любой человек сможет это повторить.
Что понадобится:
- старая барабанная установка;
- железная палка;
- нож;
- сварочный аппарат.
Краткая инструкция по созданию
Барабанную установку разбираем на части. Вам может пригодиться одна тарелка и три-четыре барабана. Из барабанов вырезаем пластик, по которому ударяют барабанной палочкой и оставляем лишь саму основу данной бочки. После чего скрепляем данные детали на металлическую палку, с учетом расположения ламп. Можно покрасить данную конструкцию и наслаждаться прекрасным освещением.
Удачное сочетание цветов с оранжевым в интерьере кухни — сделайте ваш кухонный блок ярким.
Вы спрашивали как оформить интерьер гостиной студии совмещенной с кухней. Смотрите на фото и читайте советы профессионалов.
Не знаете чем отмыть зеленку с линолеума? Читайте скорее.
4. Осветительный прибор из запчастей и гаек.
5. Лампа при помощи резьбы на африканских тыквах.
6. Плафон из картонных коробок из под сока. Для создания разрежьте коробки на полоски, сложите треугольниками и обклейте ими каркас из проволоки.
7. Светильник из обыкновенной шляпы.
8. Светильник из кухонной терки.
9. Из обычных магазинных салфеток.
10. Если же хочется сделать люстру из самых простых материалов не затрачивая много средств, то прекрасным вариантом будет люстра из бумажных формочек для капкейков (или кексов). Для этого формочки склеивают между собой за боковые стенки (если хотите сделать вашу работу ярче, то можно покрасить их в разные цвета) в огромный шар.
11. Еще один интересный дизайнерский ход – это сделать плафон из пластиковых, серебряных или алюминиевых ложек, скрепляя их между собой (заранее оторвать от них ручки). Такой плафон получится овальной формы и отлично будет смотреться на кухне с высокими потолками.
12. А для обладателей низких потолков дома подойдет вариант из вешалок. Для этого их располагают горизонтально и склеивают между собой, образовывая спиралевидную форму.
13. Для кофеманов подойдет лампа из чашек для кофе.
14. Интересным решением станет люстра из ниток или пряжи.
Вам понадобятся:
- воздушный шар;
- нитки для вязания;
- ножницы;
- клей.
Руководство по созданию
Сначала шар надуть до такого размера, который вам нужен. После чего очень быстро и обильно намазать шар клеем и обмотать нитками для вязания в хаотичном порядке. Обрезать нить и оставить шар на сутки. После того, как пройдет время, лопнуть шар и вынуть из ниточного шарика, который у Вас останется. Данную конструкцию можно сразу вешать на потолок. Главный плюс в том, что Вы можете подобрать цвет и толщину ниток сами.
15. Из листов А4.
16. Из пластиковых бутылок.
17. Замечательным стилевым решением является люстра-глобус.
Если Вы давно закончили школу и у вас в шкафу занимает место глобус, то можно ему найти применение — сделать из него прекрасную люстру.
Вам понадобится:
- толстая нитка;
- лента;
- клей;
- ножницы.
Глобус разрезать горизонтально пополам, ближе к краю разреза приклеить ленту по всему диаметру. Останется последний штрих – приклеить нитку наверх, чтобы было, на что повесить саму люстру.
Если у Вас дома оказалось несколько глобусов и разных размеров, то можно их, оставив целыми, превратить во много ярусовую люстру – сделать наверху каждого глобуса отверстие для лампы и соединить их между собой при помощи клея. Подвесить данный светильник на потолок можно тоже на нитку или красивую веревку.
18. Плафон из клетки.
Если у Вас жил когда-то питомец и клетку Вы не выбросили, то можно из этой вещи сделать оригинальный осветительный прибор, украсив различными лентами, бусами и декоративными цветами.
https://youtube.com/watch?v=rDPnGpc4G34
Можно всегда придумать свои идеи и дать старым вещам вторую жизнь. Стоит немного включить воображение. Главное — не бойтесь экспериментировать. Шедевры получаются из самых простых вещей.
Способ 2. Создаем шедевр – нужно постараться!
Прекрасное освещение кухни получится и если сделать своими руками светильник из бусин, либо ткани. Получится светильник в стиле шебби-шик или настоящая люстра-канделябр.
Для такой работы вам понадобятся:
- Старые пяльца, садовая корзина, подвесное металлическое кашпо, либо проволока для создания каркаса;
- Декоративные цепи;
- Бисер, бусины, ленты, прочные нити;
- Патрон с лампой.


Светильник будет представлять собой двух- или трехуровневую конструкцию из колец, расположенных друг над другом и соединенных цепями либо проволокой.
Кольца можно брать разного размера, создавая абажур в духе винтажной классики, или одинакового – именно такое освещение выполняется в стиле модерн.


Основание светильника непременно окрашивается, обматывается или декорируется, после чего приступают к нанизыванию бус.

Расход бусин в этом проекте такой:
Нижняя часть: бусины диаметром 16 мм, 15 шт. на нить;
Верхняя часть: бусины диаметром 12 мм, 31-32 шт. на нить.
Здесь вы можете варьировать степень натяжения и количество нитей.
Совет! Работы стоит проводить, предварительно подвесив люстру и вставив в нее патрон.
По аналогии можно создать для кухни люстру из искусственных фруктов. А приглушенное освещение получится, если использовать для обшивки каркаса ткань. Как правило, такой абажур выполняется для стилей кантри и прованс.
Примеры самодельных абажуров
Оригинальная задумка – абажур из картона. Причём картонные листы надо выбрать прочные и тонкие. Смастерить такое изделие проще простого.
Порядок сборки:
- Вырежьте из картона четыре рамки, наподобие фоторамок.
- К каждой заготовке приклейте кусок материи.
- По бокам проделайте несколько дырочек и прошейте детали шнурком. У вас должен получиться фонарик. Предварительно картон нужно склеить.


Такая настольная лампа – идеальный вариант для спальни нежной, романтичной особы. Подойдёт она и для гостиной в стиле винтаж или прованс.

В заключение отметим, что изготовить энергосберегающие лампы своими руками и абажуры к ним – вполне по силам любой домохозяйке
Важно лишь желание и фантазия. Остальное всё приложится.

Оригинальные настольные лампы
Рассмотрим пошаговое изготовление нескольких светильников.
Лампа в стиле лофт.

Лампа в стиле лофт
Простая, элегантная лампа из медных труб. Для изготовления понадобятся:
- медные трубы и уголки по 90 (7шт);
- супер-клей, ацетон;
- провод нужной длины;
- вилка, патрон, лампочка, выключатель;
- рулетка;
- трубкорез;
- плоскогубцы, тонкая плоская отвертка, крестовая отвертка.
Вначале продумайте размеры лампы, для удобства можно сделать чертеж. (Для лампы на картинке использованы 3 отрезка по 15 см, 1 отрезок по 20 см, 1 отрезок по 45 см и 1 отрезок по 25 см). Согласно ему разметьте маркером медные трубы, где вы будете их резать
Обратите внимание на точность разметки – это важно
Затем трубкорезом осторожно и аккуратно разрежьте трубки на нужные отрезки. Вставьте внутрь отрезков и уголков провод
Соедините детали и проклейте клеем. Выждите, пока клей высохнет
Вставьте внутрь отрезков и уголков провод. Соедините детали и проклейте клеем. Выждите, пока клей высохнет.

Детали для лампы лофт
Установите патрон, выключатель и вилку. Вкрутите лампочку и наслаждайтесь полученным результатом.

Еще один вариант лофт светильника
Достоинства и недостатки светильников из дерева
Деревянный светильник – это всегда стильно. Приобрести готовую модель не составит труда. Но если принято решение оформить деревянную люстру своими руками, лучше заранее ознакомиться со всеми положительными и отрицательными моментами подобного выбора.
Основные достоинства:
По сравнению со стеклом и металлом, работа с деревом не представляет особых сложностей. При определенных навыках деревянные заготовки способны приобретать любые формы. Дерево относится к наиболее экологически чистым материалам. Помимо отсутствия вредных соединений, оно источает приятный аромат, который благотворно влияет на организм присутствующих. Замечание! Ель и сосна – оптимальный выбор при стремлении создать с помощью деревянного светильника релаксирующую обстановку. Особого внимания данные породы дерева заслуживают при проблемах с дыхательной системой, включая астматические приступы. Осветительный прибор из дерева лучше других справится с задачей создать в комнате уютную атмосферу, максимально приблизив интерьер к природным истокам. Большинство вариантов деревянных светильников не требуют значительных финансовых вложений, при этом выглядят оригинально и придают помещению индивидуальности. Разнообразие пород дерева, из которых своими руками можно сделать люстру, позволяет подобрать нужный оттенок светильника без применения искусственных красителей. Дерево отлично комбинируется с металлом. Сочетание деревянной люстры со стеклом и даже пластиком может дать необычный эффект, которого нельзя добиться при использовании других материалов.
Многочисленные достоинства люстр омрачаются некоторыми недостатками:
Изначально дерево относится к легковоспламеняющимся материалам, поэтому нуждается в специальной обработке. Защита антипиренами и инсектицидами предотвратит воспламенение осветительного прибора или порчу каркаса насекомыми. При желании сделать своими руками или приобрести люстру из дуба или пород красного дерева, придется расстаться с крупной суммой. Использование в работе недостаточно просушенных деревянных заготовок или некачественная предварительная обработка материала приведет к деформации люстры. Даже несмотря на надежную защиту, использование деревянных светильников в помещениях с повышенным уровнем влажности нежелательно.
Внимание! При оформлении осветительного прибора следует заранее продумать тип используемых ламп. Для этих целей оптимально подходят светодиодные точечные светильники или люминесцентные лампы, которые не склонны к нагреву
Деревянные люстры потолочные различных моделей представлены на фото:
Деревянная люстра
Люстра из дерева – вариант уже более сложный. Но если есть навыки изготовления изделий своими руками, то такая работа может доставить удовольствие.
Подойдут любые древесные материалы: старые толстые ветки, фанера, шпон, палочки для суши или шпажки и т.д.
Например, все помнят, как складывать колодец из спичек. По такому же принципу можно собрать пирамидальные или прямоугольные небольшие плафоны из палочек одинаковой длины.
Соединения скрепляются при помощи клеевого пистолета, можно и бечевой перевязывать – такой способ хотя и более кропотливый, но выглядит очень эффектно.
Сверху палочки выкладываются таким образом, чтобы зажать снизу патрон для лампы. Окончательно изделие можно покрыть лаком или декорировать узорной росписью.
Также интересно смотрятся плафоны из веток. При наличии старого каркаса от абажура, можно закрепить на нем плетение из тонких веток (например, ивняка). Можно это делать в технике переплетения ветвей, а можно просто укладывать по кругу ряд за рядом, закрепляя концы на клей.
Из нескольких толстых и корявых веток можно сделать оригинальный абажур. Три ветки (или больше, зависит от количества разветвлений и изогнутости) соединяются вверху толстыми концами так, чтобы между ними проходил только шнур от патрона.
Сам шнур можно декорировать пряжей, бечевой или краской. Ветви предварительно обрабатываются до нужной формы, подсушиваются, шлифуются и покрываются лаком. Для сохранения формы в нижней части можно подцепить к ветвям изнутри кольцо, декорированное под дерево.
Есть вообще простой вариант: берется деревянная доска, обрабатывается до нужного цвета и формы. В ней делается несколько отверстий (зависит от длины и местонахождения). Отверстия могут быть маленькими, только под провод, к которому снизу, к дереву, крепится патрон для лампы.
В этом случае лампу можно взять декоративной формы (свеча, например). Также можно прорезать отверстия под встраиваемые точечные светильники. Готовый светильник можно подвесить над барной стойкой (на цепи, веревки или просто вплотную к потолку), в коридоре, над столом и т.д.
Способ 3. Светильники из бросовых материалов – для современной кухни!
Наиболее оригинальный светильник можно сделать из такого бросового материала, как пластиковые бутылки и одноразовые ложки – это и красиво, дешево и экологично!
Делаем абажур в стиле минимализм и хай-тек – никаких дополнительных украшательств из ниток и бусин, только матовый белый или цветной пластик. Чтобы сделать такое приглушенное освещение кухни своими руками, нам понадобится:
- Основание из 5-литровой пластиковой бутылки;
- Патрон с проводом и лампой;
- Клей для качественной фиксации;
- Много одноразовых ложек.
Чтобы сделать своими руками люстру, вырезаем у бутылки дно и обрезаем ручки у ложек (не полностью, так, чтобы остался небольшой черенок). С помощью клея фиксируем обрезанные ложки на бутылке-основании. Их нужно располагать равномерно, порядово, тогда и абажур будет выглядеть привлекательно.
Совет! Каждый следующий ряд располагается внахлест, без пропусков.
Получившаяся люстра будет напоминать рыбью чешую. Однако следует помнить, что такая конструкция довольно плотная, а значит, в кухне обязательно понадобится дополнительное освещение.
Форма светильника может быть разной, например, в виде лотоса.

Из одноразовых ложек можно сделать и такие украшения.

Светильник из пластиковых бутылок, а точнее из их донышек, изготовленный своими руками, может казаться кружевным или состоящим из множества маленьких цветочков.

Совет! Такой абажур можно сделать не белым, а цветным – значит, нужно брать цветные бутылки или покрасить его краской оригинального цвета: медного, золотого, стального, розового, черного и т.д.
Получившийся абажур можно повесить на кухне или над обеденным столом.
Пусть на вашей кухне будет уютно и светло! Желаем вам творческих успехов и представляем еще несколько прекрасных идей изготовления кухонных светильников своими руками из подручных средств.







https://youtube.com/watch?v=YgEkGEZHZgM
- Выбираем идеальную люстру для вашей кухни
- 12 супер-идей поделок для дома и кухни
- Бра на кухне – игра со светом по правилам
- Светодиодная подсветка для кухни от А до Я
- Выбор подсветки под шкафы кухни и не только
Фото светильников своими руками



































https://youtube.com/watch?v=7f1EomSZTGw
https://youtube.com/watch?v=48o-wVHoa5Q
Также рекомендуем просмотреть:
- Вентилятор своими руками
- Прикормка своими руками
- Откатные ворота своими руками
- Ремонт компьютера своими руками
- Станок по дереву своими руками
- Столешница своими руками
- Брусья своими руками
- Лампа своими руками
- Котел своими руками
- Установка кондиционера своими руками
- Отопление своими руками
- Фильтр для воды своими руками
- Как сделать нож своими руками
- Усилитель сигнала своими руками
- Ремонт телевизора своими руками
- Зарядное для аккумулятора своими руками
- Точечная сварка своими руками
- Дымогенератор своими руками
- Металлоискатель своими руками
- Ремонт стиральных машин своими руками
- Ремонт холодильника своими руками
- Антенна своими руками
- Ремонт велосипеда своими руками
- Сварочный аппарат своими руками
- Холодная ковка своими руками
- Трубогиб своими руками
- Дымоход своими руками
- Заземление своими руками
- Стеллаж своими руками
- Блок питания своими руками
- Жалюзи своими руками
- Светодиодная лента своими руками
- Нивелир своими руками
- Замена ремня ГРМ своими руками
- Лодка своими руками
- Как сделать насос своими руками
- Компрессор своими руками
- Усилитель звука своими руками
- Аквариум своими руками
- Сверлильный станок своими руками
Красивый ночник с яркими звездами своими руками
Легко сделать светодиодный ночник из стеклянной банки и с декором в виде крупных звезд, при чем украшение можно выбрать любое. Такой детский прибор освещения состоит из самой емкости и светодиодных ламп, картонного украшения, и для его изготовления следует придерживаться определенной последовательности:
- украшение для банки в виде звезд потребует наклеивания на банку шаблона из картонного основания с вырезанными звездами, для этого картон обрезается в соответствии с размерами емкости;
- по аналогичным размерам из желтой гофрированной бумаги вырезается заготовка для подкладки, что позволяет придать звездам цвет, не снижая способности ночника пропускать свет лампочек;
- на заготовку наносятся силуэты нескольких крупных звезд (5-7 шт.), их необходимо аккуратно вырезать, для этого отлично подойдет канцелярский нож с острым лезвием, что легко прорезает материал;
- с помощью клея, не обязательно брать термостойкий клеевой состав, к банке приклеивается картонная заготовка с прорезанными звездами, причем клей не должен попасть в пространство, не покрываемое бумагой;
- лучше всего если для поделки будет выбран темно-синий картон, а для подкладки можно использовать нежно-желтую гофрированную бумагу, звезды можно декорировать небольшим количеством глиттера;
- после надежного закрепления обоих бумажных слоев банку нужно перевернуть вверх дном, и его тоже можно украсить кружком из картона с одной или двумя звезочками с подкладкой из желтой гофры;
- емкость закрывается крышкой с отверстием, к него продевается шнур от светодиодной лампы, можно использовать ленточные светильники, они дадут больше света, или применить несколько экономичных лампочек.

Светильник устанавливается на прикроватной тумбочке, на подоконнике или на рабочем столе и отлично освещает помещение в вечернее время. Этот мастер-класс можно использовать и для изготовления ночников из других емкостей, используя декор из ткани или бумаги, создавая необыкновенные поделки.

Любая комната нуждается не только в основных источниках света, но и в дополнительном освещении, которое подчеркивает домашний уют. Используя простые рекомендации можно изготовить прикольный светильник имитирующий ночное небо или подводным мир, игру в пазлы или с конструкторами.
Настенные светильники своими руками: что потребуется для изготовления
Для того чтобы сделать бра своими руками, необходимы инструменты, основа, система электропроводки с цоколем и лампочкой и материалы для абажура.
Что касается инструментов, мы не будем перечислять огромное количество всего, что может понадобиться в том или ином случае, а скажем лишь об основных, которые пригодятся так или иначе, а именно: канцелярские принадлежности (карандаш, линейки, ластик, возможно, циркуль);
- рулетка;
- электролобзик или мелкая пилка;
- дрель со сверлами для того, чтобы установить настенное бра своими руками;
- нагревающийся пистолет с клеем (он намного прочнее склеивает разнообразные материалы, чем какой-либо другой);
- ножницы;
- краска или цветной баллончик.
Светильник-замок
Подобное решение подойдет тем, кто в детстве любил вырезать картинки из журналов. Удивительно простой в исполнении светильник, который создаст в комнате загадочную, почти мистическую атмосферу.

Вам потребуется отыскать фотографию (или распечатать картинку) старинного замка, аккуратно вырезать ее и свернуть в своеобразную тубу. Затем закрепляете конструкцию скотчем, а внутрь помещаете небольшую лампочку. Темными вечерами ваш замок будет освещен изнутри, а на его фоне будут мелькать загадочные тени… ну как тут не рассказать страшную сказку? Также в замке можно вырезать «окошки», через которые свет будет литься наружу.


Старое-новое и разное-прочее
Предлагаю избавиться от хлама, создав светильник своими руками из подручных материалов. Самый большой простор для воображения дают уже упомянутые старые советские люстры. Вернее – каркасы от них. Нужно просто придумать, чем заменить подвески.
Варианты:
Пробки от винных бутылок на шнурках или цепочках.

Такая люстра выдаст в вас любителей хорошего вина
Всевозможные рыболовные снасти – поплавки, блесны.

Рыбак рыбака увидит издалека
Обрезки цветной ткани или лент.

И все поймут, что тут живет портниха
Нанизанные на леску бусины, вырезанные из картона или тонкого пластика цветы, бабочки, птички и любые другие фигурки.

Несколько таких бусин добавит люстре особый шик
Каркас предварительно желательно покрасить, обмотать нитками или тканью, чтобы ничто не напоминало о старой люстре. А если у вас его нет, его легко сделать из толстой стальной проволоки. Это даже интереснее, так как ему можно придать любую форму, кроме круглой.
Ещё мне понравилась идея делать светильники своими руками из старых зонтов. Их полые ручки отлично замаскируют электрический провод.

Просто зонт

А здесь с каркаса снята ткань, а сам он обвит светодиодной гирляндой. Очень нежно и необычно
Если у вас есть дочка, которой стали малы нарядные юбочки и платьица, в них можно нарядить старый обшарпанный абажур. И менять наряды хоть каждый день.

Абажур из балетной пачки
Милое дело: постирал, погладил и водрузил на место. И не надо скакать на стремянке с тазиком и тряпкой.
https://youtube.com/watch?v=-IIbhgTT4oI
Превращаем УФ-лампу в закрытый озонатор
Открытая ртутная бактерицидная лампа
Устройство из открытого в закрытый озонатор закрытого типа, основным «поражающим фактором» которого станет озон, который будет обеззараживать как сам воздух, так и все, до чего сможет дотянуться.
Для обработки потребуется чуть больше времени, но
- озон убивает бактерии, вирусы, плесень и самые стойкие микроорганизмы,
- озон — газ, поэтому будет происходить обработка даже скрытых от прямого излучения уголков,
- озон имеет специфический запах и проще распознать включенное устройство,
- озон менее агрессивно «съедает» краску с обрабатываемых поверхностей.
Для создания закрытого озонатора потребуется поместить лампу в металлический корпус с вентиляционными решетками.
Добавь вентиляторы, убери отверстия – получится закрытая система обработки воздуха
Лучше всего — небольшой корпус от гаджета или компьютера с удалением лампы от стенок хотя бы на 10 сантиметров. Монтаж в таком случае необходимо проводить термостойкими материалами (провода и колодки — тоже).
С противоположных сторон потребуется сделать вырезы и установить сантехнические или компьютерные вентиляторы, предварительно выведя их питание наружу. Один вентилятор должен «засасывать» воздух, второй — выводить его наружу после обработки лампой.
Можно включать: 10-20 минут хватит для полной обработки комнаты на 20 квадратных метров.
Идея N2 – Из энергосберегающей лампочки
Люминесцентные лампы также относятся к категории энергосберегающих, однако в их состав входит токсическая ртуть, пары которой опасны для человека. К сожалению, именно колба является слабым местом этих энергосберегающих лампочек. В результате разгерметизации трубки газовая смесь выходит наружу, и устройство освещения люминесцентного светильника приходит в негодность. Однако переделать его в диодную лампочку под силу даже начинающему электрику.
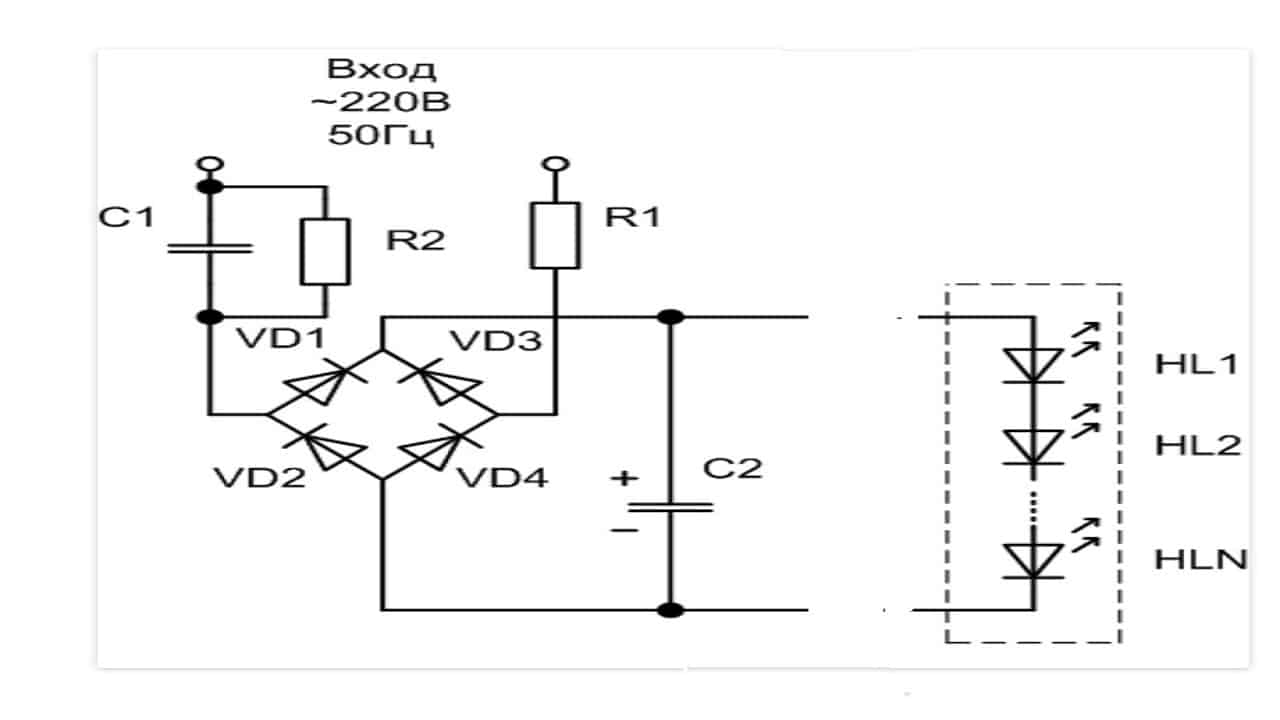
Для этого вам потребуется компактная люминесцентная лампа, вышедшая со строя, несколько светодиодов и драйвер для них. Проще всего взять драйвер из светодиодной лампы, но если его под рукой нет, можно изготовить своими руками. Простейший способ изготовить драйвер – собрать схему из входного конденсатора, резисторов и моста, приведенного на схеме ниже:

Рис. 7. Схема драйвера для лампы
Процесс будет состоять из следующих этапов:
Разберите люминесцентную компактную лампу, однако делайте это на открытом воздухе, чтобы пары ртути не оказались в помещении.

Рис. 8: разберите люминесцентную лампу Многие модели выполняются литыми, поэтому их придется распилить.
Удалите из корпуса остатки люминесцентной компактной колбы, верхнюю часть пластика и электронный блок. У вас должен остаться цоколь с выводами и пластиковый корпус.

Рис. 9. Удалите электронный блок из корпуса
- Затем, изготовьте диск со светодиодными элементами по размерам внутреннего отверстия люминесцентной лампочки. Процедура выполнения приведена в описании предыдущей идеи.
- Припаяйте готовый или самодельный драйвер в корпус, по габаритам он должен прятаться настолько, чтобы свободно закрывался диском.

Рис. 10. Припаяйте самодельный драйвер
Припаяйте и зафиксируйте диск со светодиодами при помощи клея – самодельный светильник готов.

Рис. 11. Припаяйте диск к драйверу и установите в корпус Этот вариант светодиодной лампы вы уже можете подключать в сеть 220 В напрямую.
Настольная лампа из веток и срезов
Дерево в интерьере, это всегда классика — оно всегда модно и актуально. Украсив настольную лампу срезом из дерева или старой корягой своими руками, вы получите дизайнерскую вещь у которой просто нет цены.
Смотрите здесь : 6 Мастер-классов — Люстры и светильники из дерева своими руками
- Для этого нам нужно подобрать любой понравившийся кусок древесины, правильно его обработать, а именно высушить, нанести пропитку от вредителей и покрыть его лаком.
- Второй этап — вмонтировать в основание верх от старого торшера. Если такого нет, не беда, в магазинах все для света обычно продаются основы для абажуров.
Чтобы правильно обработать ветки или срезы — читайте статью «Как правильно обрабатывать дерево для интерьера».

Как сделать корпус
Когда электронная начинка будет готова, нужно будет собрать для нее корпус.
Как вы поняли, основа лампы – стеклянный или пластиковый плафон. Лучше всего подойдет матовое стекло с хорошим рассеивающим эффектом. Если плафон прозрачный или плохо рассеивает свет, можно приклеить на внутреннюю часть слой пекарской или пергаментной бумаги.
В качестве основного крепления будет использоваться пластиковая труба 50-го диаметра. Диодная матрица идеально охватывает ее с наружной стороны.
Верхний торец трубы можно закрыть пробкой того-же диаметра или заглушкой меньшего размера. Все зависит от диаметра отверстия в используемом плафоне.
Важный момент. Для лучшей подачи питания следует соединить соответствующие контакты на обратной стороне матрицы
Для основания нет единого решения, все опять же будет зависеть от используемого плафона. У одних нижний торец может идеально закрыться заглушкой для трубы диаметром 100мм, у других найдется подходящая пластиковая емкость, из которой придется вырезать дно, а третьи просто напечатают заглушку на 3D-принтере.
Огромная самодельная диодная лампочка
Теперь нужно намотать матрицу на трубу, заранее просверлив в ней отверстие для проводов, и собрать конструкцию воедино. Сенсорную кнопку нужно будет приклеить термопистолетом ко внутренней стороне верхней пробки, аналогично можно связать основание с днищем.
Последним сложным решением будет подвод питания.
Можно просто припаять кабель от адаптера и проделать для него отверстие в днище. При наличии бормашины лучше просверлить отверстие в самом плафоне.
Просверлил отверстие под штекер питания при помощи бормашины
Теперь можно собирать все компоненты. Не стоит наглухо склеивать все узлы конструкции, предусмотрите вариант разборки через верхнюю или нижнюю пробку.





