Тестирование однопереходных и программируемых однопереходных транзисторов
Однопереходный транзистор (ОПТ) отличается наличием на его вольт-амперной характеристике участка, с отрицательным сопротивлением. Наличие такого участка говорит о том, что такой полупроводниковый прибор может использоваться для генерирования колебаний (ОПТ, туннельные диоды и др.).
Однопереходный транзистор используется в генераторных и переключательных схемах. Для начала разберем, чем отличается однопереходный транзистор от программируемого однопереходного транзистора. Это несложно:
- общим для них является трехслойная структура (как у любого транзистора) с 2мя р-n переходами;
- однопереходный транзистор имеет выводы, называемые база 1 (Б1), база 2 (Б2), эмиттер.
- Он переходит в состояние проводимости, когда напряжение на эмиттере превышает значение критического напряжения переключения;
- находится в этом состоянии до тех пор, пока ток эмиттера не снизится до некоторого значения, называемого током запирания. Все это очень напоминает работу тиристора.
- Программируемый однопереходный транзистор имеет выводы, называемые анод (А), катод (К) и управляющий электрод (УЭ). По принципу работы он ближе к тиристору.
- Переключение его происходит тогда, когда напряжение на управляющем электроде превышает напряжение на аноде (на величину примерно 0,6 В — прямое напряжение р-n перехода).
- Изменяя с помощью делителя напряжение на аноде, можно изменять напряжение переключения такого прибора т.е. “программировать” его.
Чтобы проверить исправность однопереходного и программируемого однопереходного транзистора следует измерить омметром сопротивление между выводами Б1 и Б2 или А и К для проверки на пробой. Но наиболее точные результаты можно получить, собрав схему для проверки однопереходных и программируемых однопереходных транзисторов.
Различные типы транзисторов.
Список деталей
- Резистор 330 Ом — 1 шт.
- Резистор 22 кОм — 1 шт.
- Светодиод — 1 шт.
- Крона 9 Вольт — 1 шт.
- Монтажная плата
- Клейма для кроны
Припаяйте все детали на кусочек монтажной платы. Контакты для подключения испытываемого транзистора, можно изготовить из толстой проволоки, или лучше всего, откусить от мощного резистора ножки, поделить их на 3 равные части и припаять к плате.
Ниже представлен готовый тестер с подключённым транзистором. Как вы видите, светодиод горит, значит транзистор открыт, ток протекает, а значит он исправен. Если светодиод не горит, соответственно его использовать уже не получится.
Предельно простое, но удобное устройство для подбора пар кремниевых транзисторов средней и большой мощности с определением коэффициента передачи по току.
Почему не работает транзистор
Наиболее вероятные причины, по мнению специалистов, выхода из строя триода в схеме следующие:
- когда пропадает (обрывается) один из переходов;
- пробой перехода;
- пробой на одном из участков эмиттера или коллектора;
- потеря мощности полупроводниковым прибором в работе;
- визуальные повреждения выводов транзистора.
Признаки, по которым можно определить визуально поломку триода в схеме: потемнение или изменение первоначального цвета полупроводникового прибора, изменение его формы «выпуклость», наличие черного пятна.

Как проверить транзисторКак проверить транзистор? (Или как прозвонить транзистор) Такой вопрос, к сожалению, рано или поздно возникает у всех. Транзистор может быть повреждён перегревом при пайке либо неправильной эксплуатацией. Если есть подозрение на неисправность, есть два лёгких способа проверить транзистор.
Исправность любого транзистора, независимо от типа устройства, можно проверить с помощью простого мультиметра. Для этого следует четко знать тип элемента и определить маркировку его выводов.
Проверка транзистора мультиметром (тестером) (прозвонка транзистора) производится следующим образом. Для лучшего понимания процесса на рисунке изображён “диодный аналог” npn-транзистора. Т.е. транзистор как бы состоит из двух диодов. Тестер устанавливается на прозвонку диодов и прозванивается каждая пара контактов в обоих направлениях. Всего шесть вариантов.

- База – Эмиттер (BE): соединение должно вести себя как диод и проводить ток только в одном направлении.
- База – Коллектор (BC): соединение должно вести себя как диод и проводить ток только в одном направлении.
- Эмиттер – Коллектор (EC): соединение не должно проводить ток ни в каком направлении.
При прозвонке pnp-транзистора “диодный аналог” будет выглядеть также, но с перевёрнутыми диодами. Соответственно направление прохождения тока будет обратное, но также, только в одном направлении, а в случае “Эмиттер – Коллектор” – ни в каком направлении.

Классификация транзисторов.
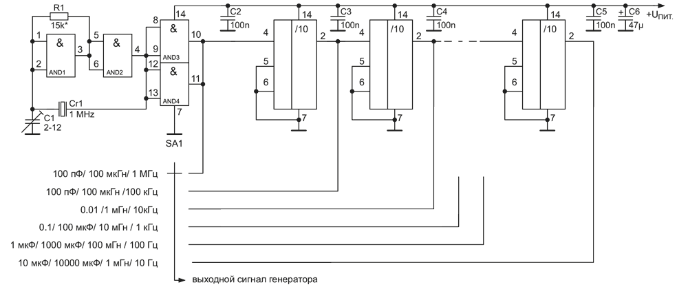
Генератор образцовых частот
Использована широко распространенная схема генератора на цифровых элементах, которая при всей своей простоте обеспечивает набор необходимых рабочих частот с хорошей точностью и стабильностью, не требуя при этом никаких настроек.
![]() |
|
| Рисунок 1. | Генератор 1 МГц с делителями частоты. |
Генератор на микросхеме К561ЛА7 (или ЛЕ5) синхронизирован кварцевым резонатором в цепи обратной связи, определяющим частоту сигнала на его выходе (выводы 10, 11), равную в данном случае 1 МГц (Рисунок 1). Сигнал генератора последовательно проходит через несколько каскадов делителей частоты на 10, собранных на микросхемах К176ИЕ4, СD4026 или любых других. С выхода каждого каскада снимается сигнал с частотой в десять раз меньшей входной частоты. C помощью любого переключателя на шесть положений сигнал с генератора или с любого делителя можно вывести на выход. Правильно собранная из исправных деталей схема работает сразу и не нуждается в настройке.. Конденсатором С1 при желании можно в небольших пределах подстраивать частоту. Схема питается напряжением 9 В.
Виды тестеров
На рынке электроники представлены разные модификации транзистор-тестеров, рассмотрим популярные варианты.
LCR-T4 или T3 – желтая плата и одна клавиша, прибор питается от батарейки типа «крона» (9В). Умеет только проверять элементы с 2 или 3 выводами (список приведем ниже). У этого устройства двухцветный знакосинтезирующий ЖК-дисплей с подсветкой и разрешением 128х64 точек. Явных отличий между Т4 и Т3 нет, скорее всего есть какая-то разница в прошивках.

Может поставляться в виде кит-набора (конструктора) для самостоятельной сборки, так и уже в готовом виде, чаще всего без корпуса. Некоторые продавцы с Aliexpress предлагают комплектацию с акриловым прозрачным корпусом, или корпусом из непрозрачного пластика белого или черного цвета. Конструктор для самостоятельной сборки может поставляться с платой красного цвета и микроконтроллером в корпусе DIP28. Стоимость устройства от 4 (без корпуса) до 10 (в корпусе) долларов.
TC-1, TC-6, T7 поставляется всегда в корпусе белого цвета. Отличается большим количеством функций, есть окошко для проверки ИК-диодов, в результате чего на дисплей выводится код, переданный диодом. Таким образом можно проверять пульты дистанционного управления. Дисплей у TC-1 цветной, разрешением 160х128 пикселей. Управление тоже осуществляется нажатием на 1 кнопку.

Главная особенность TC-1 и его собратьев — Питание осуществляется от встроенного аккумулятора, зарядка которого осуществляется через micro-USB разъём. Стоимость устройства лежит в пределах 13-20 долларов.
Сравнение быстродействия и других особенностей этих приборов вы можете посмотреть в этом видеоролике:
GM328 – самая продвинутая модель с энкодером и цветным дисплеем, но встречаются и более дешевые двухцветные варианты дисплея. Поставляется как на плате, так и в акриловом прозрачном корпусе (или из других материалов). Обычно представляет собой плату черного или красного цвета. Питание может осуществляться или от «кроны» или от блока питания через разъём на плате. Управление осуществляется энкодером, поворачивая или нажимая который вы выбираете нужный пункт меню
Отличительные особенности – это наличие генератора частоты, частотомера, генератора ШИМ-сигнала (скважность изменяется от 0 до 99%) и некоторых других полезных функций. Стоимость устройства лежит в пределах 10-15 долларов

Повторюсь, что функции измерения параметров транзисторов и пассивных компонентов есть у всех приборов, примерно с одинаковой точностью. Она зависит от сборки и точности компонентов в обвязке микроконтроллера. Все тестеры построены на базе микроконтроллера Atmega328, от AVR. При этом нет смысла перечислять полный функционал и характеристики каждого, так как есть прошивки с частотомером и генератором и для простейшей модели — T4, как и русифицированные прошивки и устройство регулярно модернизируется.
Схемы самодельных тестеров автомобильного типа
- Встречным способом параллельно спаиваем оба используемых светодиода;
- Через применяемый резистор один из концов необходимо припаять крепко к стальной проволоке;
- Прямо внутрь корпуса шприца устанавливаете одну за другой батарейки. Выбраны именно такие, поскольку они прекрасно помещаются в пятикубовый шприц;
- Щуп пластиковой трубкой изолируется от шприца, проверяете работоспособность непосредственно в машине на практике;
- Проверяем, засветятся ли светодиоды на элементе в 12В.
Итак, применение самими вами сделанного тестера более, чем обусловлено в быту. Поверьте, что такой небольшой прибор обязательно пригодится если не в ежедневном быту, то в те моменты, когда нужно что-то проверить в электросети домашней или в автомобиле.
Изготовление тестера своими руками способно серьёзно поднять самооценку любого человека, который не верит в то, что своими руками способен сделать что угодно — важно лишь желание
Примеры измерений радиодеталей
использовать измеритель радиоэлементов очень просто. Вам необходимо установить деталь и включить устройство. Он проверит блок питания, если он в норме, начнет проверять деталь, установленную в разъемах. По результатам тестирования будет выведено сообщение с указанием типа детали и ее параметров.

Фирменное устройство
Чтобы было понятнее, разберем работу популярных клонов M328 и GM328. Разница между ними заключается в наборе возможных функций (у GM328 их больше). Любое устройство включается коротким нажатием на ручку. Нажал, держал 1-2 секунды и отпустил. Устройство выключается, либо выбрав соответствующую строку в главном меню (Выключить), либо удерживая ручку нажатой в течение 10 секунд.
Предыстория
При изготовлении любительских конструкций, особенно усилителей, весьма желательно, чтобы пары транзисторов, как одной проводимости, так и комплементарных, имели возможно близкие параметры. При прочих равных условиях, лучше работают транзисторы, подобранные по коэффициенту передачи по току, особенно в эпоху моды на усилители с неглубокой ОООС или даже без нее. Современные промышленные приборы слишком дороги и не рассчитаны на любителей, а старые неэффективны. Встроенные в дешевые цифровые тестеры измерители транзисторов вообще не годятся для этой цели т. к. обычно проводят измерения при токе 1 мА и напряжении 5 В. Поиски в интернете простой, но функциональной конструкции результатов не дали, а заниматься очередной раз подбором «на коленке» уже не хочется, хочется комфорта. Пришлось изобретать самому. Надеюсь, что найдутся желающие повторить эту конструкцию. Схема предельно проста, но имеет несколько изюминок. Первая — измерение при фиксированном токе эмиттера (фактически и коллектора), а не базы (идея из журнала «Радио», взята с датагорского форума). Это позволило поставить транзисторы в одинаковые условия и выбрать режим по току, в котором будут работать эти транзисторы.
Вторая
— регулируемый стабилитрон на TL431 позволяет плавно установить ток, с обычными стабилитронами это невозможно, да и подбор пар «стабилитрон+резистор в цепи эмиттера» вызвал бы проблемы. Третья — двухканальная схема и отдельные панельки для P-N-P и N-P-N транзисторов, что упрощает коммутацию, позволяет моментально сравнивать опытную пару и проверять идентичность, изменяя напряжение питания.
↑ Недостатки исходного бетника
Однако приведённые выкладки столкнулись с жестокой реальностью. Как и все простые схемы, устройство потребовало трепетного отношения к деталям. При изготовлении первого образца печатной платы последовал провал, в результате чего плата отправилась в мусор. Что произошло? В устройстве (по рекомендации автора схемы бетника) были применены переключатели П2К «из тумбочки». Автор схемы не привёл требований к параметрам цепи, подключаемой в цепь базы измеряемого транзистора. В цепь базы был включен прибор РВ7-22 в режиме миллиамперметра на пределе 0,2 мА. В итоге микросхеме TL431 не «удавалось» открыть Дарлингтон до нужного тока и напряжение на референсном резисторе заметно не достигало 2,5 Вольта.
В процессе опытов «с белыми мышами» пришло понимание, что внутреннее сопротивление прибора (шунта), подключаемого в цепь базы, должно быть минимальным, иначе цепь регулирования загрубляется.
После того, как в цепь базы был включен шунт 0,5 Ом (с параллельным включением милливольтметра), схема заработала, но падение напряжения на двух последовательно включенных переключателях П2К (S1и S2) было заметным. Неприятно, что в разных положениях переключателей падение напряжения на контактах заметно различалось. Помимо этого падение напряжения на переключателях было нестабильным, то есть менялось от измерения к измерению.
Схема оказалась очень чувствительной к взаимному расположению TL431 и транзистора КТ3102 на плате. Справедливости ради следует сказать, что автор изготавливать печатную плату не советовал.
Кроме применения печатного способа монтажа, я невольно сделал ошибку: изначально расположил TL431 и транзистор КТ3102 на плате на расстоянии примерно 80 мм. Схема отказывалась выходить на 2,5 Вольта на референсных резисторах.
Вот тебе и «попроще», вот тебе и «понадежнее». Вся красота схемы померкла. В этот момент, можно было выбрать другую схему, но тут уж меня «заклинило».
Что такое транзистор
Транзисторы вытеснили электролампы, позволили уменьшить количество реле, переключателей в устройствах. Это полупроводниковые триоды — радиоэлектронные компоненты из полупроводников, стандартно имеют 3 вывода.
Транзисторы, предназначенные для управления током, то есть основным силовым фактором электросхем, именно его удар (не напряжения) несет опасность для человека.
Элемент способен контролировать чрезвычайно высокие величины в выходных цепях при подаче слабого входного сигнала. Транзисторы повышают, генерируют, коммутируют, преобразовывают электросигналы, это основа микроэлектроники, электроустройств.
Разновидности по принципу действия:
- биполярный транзистор из 2 типов проводников, в основе функционирования – взаимодействие на кристалле соседних p-n участков. Состоят из эмиттера/коллектора/базы (далее, эти термины будем сокращать): на последнюю идет слабый ток, вызывающий модификацию сопротивления (дальше по тексту «сопр.») в линии, состоящей из первых 2 элементов. Таким образом, протекающая величина меняется, сторона ее однонаправленности (n-p-n или p-n-p) определяется характеристиками переходов (участков) в соответствии с полярностью подключения (обратно, прямо). Управление осуществляется модулированием тока на сегменте база/эмит., вывод последнего всегда общий для сигналов управления и выхода;
- полевой. Тип проводника один — узкий канал, подпадающий под электрополе обособленного затворного прохода. Контроль основывается на модуляции количества Вольт между ним и истоком. А между последним и стоком течет электроток (2 рабочие контакты). Величина имеет силу, зависящую от сигналов, формируемых между затвором (контакт контроля) и одной из указанных частей. Есть изделия с p-n участком управления (рабочие контакты подключаются к p- или n-полупроводнику) или с обособленными затворами.
У полевиков есть варианты полярности, для управления требуется низкий вольтаж, из-за экономичности их ставят в радиосхемы с маломощными БП. Биполярные варианты активируются токами. В аналоговых сборках превалируют вторые (БТ, BJT), в цифровых (процессоры, компьютеры) — первые. Есть также гибриды — IGBT, применяются в силовых схемах.
Тестер транзисторов с графическим индикатором
Случайно на ebay увидел новый тестер «ESR Meter 12864 LCD Transistor Tester Diode Triode Capacitance led MOS/PNP/NPN».
Продается за $33 и уже в корпусе, был порыв заказать на пробу, но остановил китайский язык

Что обещает продавец:
- Микроконтроллер ATMega328, прошивка 2013 с кучей функций.
- Внешний кварцевый резонатор на 8МГц.
- Подсветка LCD дисплея
- Потребление 2мА в режиме ожидания (я так понимаю это между измерениями), 20нА в выключенном состоянии.
- Мега в корпусе DIP, простота обновления прошивки (я так понимаю мега устанавливается в панельку)
- Питание от 9В батерейки (давно бы сделали от AA или лития)
Якобы новые функции:
- Автоматическое определение резисторов (и сборок из двух резисторов, а также среднего вывода переменных и подстроечных резисторов), конденсаторов, биполярных транзисторов обоих типов, MOSFET с обоими типами каналов, диодов, диодных сборок, тиристоров малой мощности — как unidirectional, так и bidirectional я предполагаю, что имеются ввиду тиристоры и симисторы.
- Автоматическое определение распиновки всех компонентов.
- Определение обратного диода в транзисторах, коэффициент усиления, прямое напряжение база-эмиттер.
- Измерение входной емкости и порогового напряжения для MOSFET.
- Графический индикатор 12864 с зеленой подсветкой, язык к сожалению только китайский
- Размеры прибора 140*90*55MM
- Управление одной кнопкой, автоматическое выключение (ну вообще-то так и раньше было, но на моде почему-то три кнопки)

Диапазоны измерений:
- Диапазон сопротивлений: 0,1 Ом — 50 МОм, разрешающая способность при измерение сопротивлений 0,1 Ом
- Диапазон емкостей: 30 пФ — 100 мФ, шаг 1 пФ
- Для конденсаторов с емкостью более 2 мкФ, измеряется ESR (эквивалентное последовательное сопротивление), разрешающая способность 0,01 Ом.
- Измеряется прямое напряжение на диодах и напряжение стабилизации для стабилитронов если оно меньше 4,5 В
А теперь куча фоток с результатами тестирования компонентов:







Вместо эпилога.
Немного замечаний по маломощным биполярным транзисторам ( не зря же я для них режимы предусмотрел?)
Почему-то радиолюбители наибольшее внимание при построении усилителей на транзисторах уделяют ( и то в лучшем случае) подбору идентичных экземпляров для оконечного каскада
Между тем, на входе усилителя чаще всего используют дифференциальные каскады или реже двухтактные. При этом напрочь забывается, что для получения от диф. каскада как и от двухтактного по максимуму всех его замечательных свойств транзисторы в таком каскаде также должны быть подобраны!
Более того, для обеспечения максимально близкого температурного режима корпуса транзисторов дифкаскада лучше склеить между собой (или прижать друг к другу хомутиком), а не разносить по разным сторонам платы. Применение во входном каскаде интегральных транзисторных сборок устраняет эти проблемы, но такие сборки порой стоят дорого или просто не доступны радиолюбителям.
Поэтому подбор маломощных транзисторов входного каскада остаётся актуальной задачей, и предлагаемый прибор для проверки транзисторов может существенно облегчить этот процесс. Тем более, что один из выбранных для измерения режимов — ток 5мА, чаще всего и является током покоя первого каскада. А на каком токе проводит измерения китайский мультиметр???
Удачного творчества!
Главный редактор «РадиоГазеты».
Как работать с универсальным тестером
Устройство работает от батареек и от сети через адаптер. Напряжение питания может составлять от 6 В до 12 В. Это зависит от конкретной модели.

Как пользоваться тестером транзисторов
Каждый раз при включении устройства проверяется блок питания и его параметры. Если блок питания в норме, отображается сообщение об этом и работа продолжается — начинается проверка установленной детали. Если источник питания не подходит, вам нужно будет заменить аккумулятор или включить его через адаптер и снова включить.
Установка радиоэлемента и его проверка
Проверяемые детали должны быть установлены в разъемы / штыри, расположенные под экраном. Обычно есть три зоны. У каждого разные контактные площадки. С таким устройством можно легко установить большие и мелкие детали — разъемы расположены на разном расстоянии.

Это три штифта (три зоны) для установки ножек тестируемых деталей
Устанавливаем ножки деталей в разъемы так, чтобы они попадали в разные зоны. Нажимаем кнопку «Старт». Через пару секунд на экране появятся результаты измерений. Отображается символ проверяемой детали и измеренные параметры.
Источники
- https://rightnotes.ru/instruktsii/gm328_tester_radiodetaley_cborka.html
- https://supereyes.ru/articles/multimetry-i-testery/rlc-izmeritel-kak-vybrat/
- https://elektroznatok.ru/tools/tester-radioelementov
- http://www.MasterVintik.ru/multipribor-gm328-dlya-proverki-radioelementov/
Схемы самодельных тестеров автомобильного типа
- Встречным способом параллельно спаиваем оба используемых светодиода;
- Через применяемый резистор один из концов необходимо припаять крепко к стальной проволоке;
- Прямо внутрь корпуса шприца устанавливаете одну за другой батарейки. Выбраны именно такие, поскольку они прекрасно помещаются в пятикубовый шприц;
- Щуп пластиковой трубкой изолируется от шприца, проверяете работоспособность непосредственно в машине на практике;
- Проверяем, засветятся ли светодиоды на элементе в 12В.
Итак, применение самими вами сделанного тестера более, чем обусловлено в быту. Поверьте, что такой небольшой прибор обязательно пригодится если не в ежедневном быту, то в те моменты, когда нужно что-то проверить в электросети домашней или в автомобиле.
Изготовление тестера своими руками способно серьёзно поднять самооценку любого человека, который не верит в то, что своими руками способен сделать что угодно — важно лишь желание
Всё гениальное просто!
Я задался целью сделать что-то попроще и понадёжнее. Идея с источником тока мне понравилась, проводя измерения на фиксированном (заранее известном) токе эмиттера, мы можем сократить необходимое количество измерительных приборов (амперметров). Тут я вспомнил про свою любимую микросхему TL431. Генератор тока на ней строится всего из 4-х деталей: Учитывая не очень большую нагрузочную способность этой микросхемы (а на радиатор её крепить крайне неудобно), для испытания мощных транзисторов при больших токах воспользуемся идеей господина Дарлингтона: Теперь загвоздка – ни в одном справочнике нет схемы источника тока на TL431 и транзисторе «p-n-p» структуры. Решить эту проблему помогла идея не менее уважаемого мною господина Шиклаи:
Да, пытливый глаз заметит, что через токозадающий резистор здесь протекают токи обоих транзисторов, что вносит некоторую погрешность в измерения. Но, во-первых, при значениях коэффициента передачи тока базы транзистора Т2 выше 20, погрешность составит менее 5%, что для радиолюбительских целей вполне допустимо (мы не Шаттл к Венере запускаем).
Во-вторых, если мы всё же запускаем Шаттл, и нам требуется высокая точность, эту погрешность легко учесть в расчётах. Ток эмиттера транзистора Т1 практически равен току базы транзистора Т2, а его-то мы и будем измерять. В результате, при расчёте h21э (а это очень удобно выполнять в программе Excel) вместо формулы: h21э=Iэ/Iб нужно использовать формулу: h21э=Iэ/Iб-1
Для минимизации данной погрешности, а так же для обеспечения нормальной работы микросхемы TL431 в широком диапазоне токов в качестве транзистора Т1 следует отобрать транзистор с максимальным h21э. Так как это маломощный биполярный транзистор, пока не готов наш прибор, можно воспользоваться китайским мультиметром. Мне удалось всего из 5 штук транзисторов КТ3102 найти экземпляр со значением 250.
Так как сегодня в хозяйстве любого радиолюбителя найдётся китайский мультиметр (а то и не один), его-то мы и будем использовать в качестве измерителя базового тока, что позволит нам не городить коммутацию для разных диапазонов базовых токов (у меня мультиметр с автоматическим выбором предела измерений), а заодно исключить из схемы выпрямительный мост – цифровому мультиметру без разницы направление протекающего тока.
https://youtube.com/watch?v=fN2xhArUTyc
https://youtube.com/watch?v=Gj9gCwSKvRI
https://youtube.com/watch?v=pbi56xGUsaE
Определение вывода базы (затвора)
Наиболее простой способ определить назначение выводов транзистора (цоколевку) — скачать на него документацию. Поиск ведется по маркировке на корпусе. Этот буквенно-цифровой код набирают в строке поиска и далее добавляют «даташит».
Если документацию обнаружить не удается, базу и прочие выводы биполярного транзистора распознают исходя из его особенностей:
- p-n-p транзистор: открывается приложением к базе отрицательного напряжения;
- n-p-n транзистор: открывается приложением к базе положительного напряжения.
- Настраивают мультиметр: красный щуп подсоединяют к разъему со значком «V/Ω» (плюсовой потенциал), черный — к разъему COM (минусовой потенциал), а переключатель устанавливают в режим «прозвонка» или, если такого нет, в сектор измерения сопротивления (значок «Ω») на верхнюю позицию (обычно «2000 Ом»).
- Определяют базу. Красный щуп подсоединяют к первому выводу транзистора, черный — поочередно к остальным. Затем красный подсоединяют ко второму выводу, черный снова по очереди к 1-му и 3-му. Признак того, что красный подсоединен к базе, — одинаковое поведение прибора при контакте черного щупа с другими выводами. Прибор оба раза пискнул или показал на дисплее некое конечное сопротивление — транзистор относится к n-p-n типу; прибор оба раза промолчал или отобразил на дисплее «1» (отсутствие проводимости) – транзистор принадлежит p-n-p типу.
- Распознают коллектор и эмиттер. Для этого к базе подсоединяют щуп, соответствующий типу проводимости: для n-p-n транзистора – красный, для p-n-p транзистора: черный.
Читать также: Мультиметр отзывы какой производитель лучше

Конструкция полевого транзистора с управляющим p-n-переходом и канлом n-типа а) с затвором со стороны подложки; b) с диффузионным затвором
Второй щуп поочередно подсоединяют к другим выводам. При контакте с коллектором на дисплее отображается меньшее значение сопротивления, чем с эмиттером.
Выводы полевого транзистора обычно промаркированы:
Полевые транзисторы чувствительны к статическому электричеству. Из-за этого их выводы при хранении закорачивают фольгой, а перед началом манипуляций надевают антистатический браслет или хотя бы касаются заземленного металлического предмета (приборный шкаф), чтобы снять статический заряд.






