Дровокол своими руками
Прибор для заготовки дров можно также сделать самостоятельно. Например, соорудить пружинный вариант устройства.
Для этого понадобятся:
- Принадлежности для замера и разметки.
- Болгарка с отрезными и зачистными насадками.
- Сварочный аппарат.
- Автомобильный амортизатор.
- Рельс размером 30-40 см.
- Швеллеры.
- Втулка от подвески автомобиля.
- Профильная трубка 3х6 см.
- Уголок.
- Стальные трубки 4-7 см диаметром.
- Двутавр с номером 12-16.
Каким колуном дров пользуетесь Вы?
РучнымПружинным
Процесс изготовления:
- Создать эскиз конструкции. Можно воспользоваться программами для проектирования, чтобы проработать конкретные детали.
- Изготовить из швеллера опорную конструкцию. Приварить к детали стойку из двутавра и укосины к основе для повышения устойчивости. Создать упоры из трубок для защиты конструкции от падения.
- Вырезать основу для пружины из швеллера. Проделать в получившейся детали отверстия в форме квадрата для крепления элемента на стойке.
- Определить высоту изделия, основываясь на длине пружины и удобстве применения будущего агрегата. Груз легче поднимать, если он располагается на уровне пояса.
- Подготовить укосины из уголков для фиксации опоры. Это не даст ей сдвигаться при нагрузке.
- Создать фиксатор в форме цилиндра из небольшого отрезка трубки , на который будет крепиться низ пружины. Амортизатор должен совпадать по размеру с диаметром заготовки, чтобы не происходило его смещения при работе.
- Сделать на верхнем конце стойки прорезь, вставить в неё втулку перпендикулярно и приварить. Ось элемента должна быть параллельна земле.
- Вставить вал во втулку. Присоединить к нему сваркой коромысло из швеллера, а внизу зафиксировать небольшую трубку для крепления верха пружины.
- Пропилить «окошко» в коромысле в соответствии с размером самой стойки для свободного движения детали.
- Профильную трубку приварить к коромыслу, на один конец прикрепить стальное зубило. Его остриё можно будет периодически затачивать болгаркой со специальным кругом.
- В качестве груза приварить часть рельса над зубилом. Сделать рукоятку для удобства использования инструмента. Можно также обтянуть её резиной для снижения вибраций.
На место, где будет производиться раскол лучше уложить массивное бревно. Тогда при полном расщеплении полена после удара зубило будет впиваться в мягкую древесину и не затупится.
При покупке дровокола следует учесть цели его применения, а также объёмы работы и габариты обрабатываемого материала. Лучше остановить выбор на проверенных моделях от известных производителей, которые также реализуют заменяемые детали для своих изделий.
Как сделать дровокол своими руками: ручной механический, пружинный, морковкой, инструкция по изготовлению устройств, каркаса и ножей
О конструкции
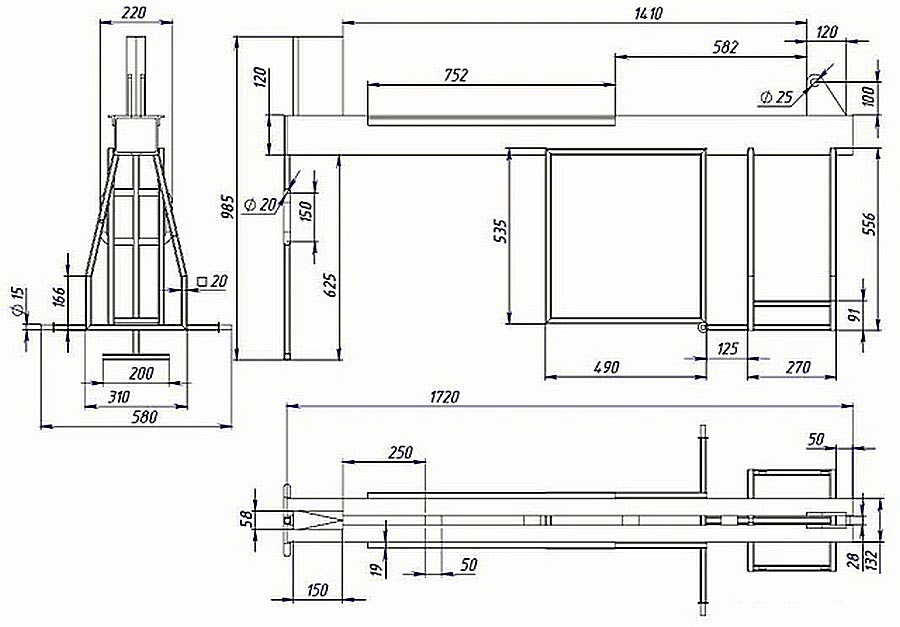
Основная конструкция конусного дровокола
Станок состоит из основных двух частей:
- Базовая часть представлена крепкой станиной. Она изготавливается из профильной трубы и имеет форму тумбочки. Состоит из четырёх стоек скреплённых между собой перемычками. Верх накрывается стальным листом по размеру периметра и толщиной 10 мм. На него устанавливаются два крепления под подшипники. На среднем уровне крепится подобная пластина. В ней сверлятся отверстия под крепление электрического мотора. К станине приваривается стол для подачи материала. Изготавливают его из двух стоек, с использованием профильной трубы, соединённых перемычкой. Верх выполняется из стального листа. Размеры соответствуют периметру стола. Толщина металла 10 мм. к поверхности стола приваривается нож разъединяющий полено. Он предотвращает неожиданное попадание осколка под винтовой конус с последующим его затягиванием и деформацию вала. Приваривается н строго под конусом на расстоянии 20 мм от самого большого диаметра конуса имеющегося в наборе к данному станку.
- Механическая часть представлена валом, двумя подшипниками, шкивом понижающим число вращения, конусом с винтовой резьбой, электродвигателем, малым шкивом для двигателя и прорезиненным ремнём.
https://youtube.com/watch?v=KSi1aQVbBdc
Как работает?
Стальной вал помещается в подшипники и устанавливается в крепления на станине. На конце его закрепляется шкив диаметром 400 мм. на среднюю площадку устанавливается электродвигатель с малым шкивом диаметром в 140 мм. между ними устраивается ремённая передача.
Разность диаметров шкивов позволяет сократить частоту вращения от двигателя на вал с конусом в три раза, но позволяет увеличить мощность станка в 3 раза.
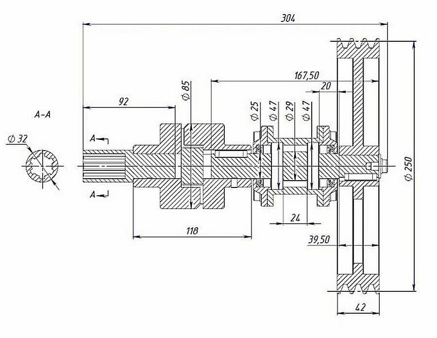
Длина конуса 250 мм, диаметр основания под вал составляет от 40 мм до 100 мм.
В основании высверливается отверстие для вала. Закрепляется конус на валу при помощи винтов или внутренней резьбы.
Типы приводов для конусного дровокола
Приводом для производства работы механического колуна могут быть:
- Электрические двигатели с питанием от сети напряжения в 220 V и 380 V. Выбор зависит от необходимой мощности станка.
- Двигатели внутреннего сгорания, работающие на бензине или дизельном топливе.
- От специального приспособления у механической газонокосилки или минитрактора. Это привода временного характера.
Принцип работы электрического колуна
Материал находится в вертикальном положении. Принцип ручной подачи необходим для тактильного контроля силы надавливания на чурбак. Конус с помощью винтовой резьбы вворачивается в древесину. Форма колуна обеспечивает постепенное раскалывание дерева на поленья необходимого размера. Остаётся только сложить полученный продукт в поленницу.
Важно! Особое внимание необходимо уделять безопасности производства работ на данных станках. Они имеют большое количество открытых вращающихся частей с большой мощностью. Для работы применяется электрический ток. Важно соблюдать все правила техники безопасности
Важно соблюдать все правила техники безопасности
Обязательное применение спецодежды и средств индивидуальной защиты, рукавицы, сапоги кирзовые, очки
https://youtube.com/watch?v=5Wg346tZZ4A
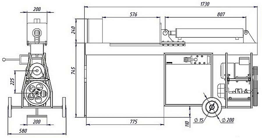
Дровокол гидравлический своими руками
Это не самое простое и дешевое, но достаточно мощное и очень производительное устройство, почти исключающее ручной труд при колке дров. Потребуется только устанавливать поленья на платформу и собирать готовые дрова в поленницу.

В этой схеме используются полностью готовые узлы – масляные бак и насос, мотор, гидроцилиндр, лезвие. Самостоятельно изготавливается только рама с толкателем.

В более подробной схеме хорошо видно, где наиболее слабое место изделия – там, где расположен упор цилиндра
Именно здесь с наибольшей вероятностью сорвет со станины плохо приваренный упор вместе с цилиндром, поэтому к швам в этом месте следует отнестись с максимальным вниманием

Вот так может выглядеть готовая модель.
Как видно по фото, нож в данном случае выполнен из рессоры, заточка под углом примерно 60 градусов. Толкатель сварен из металлических пластин толщиной 5…10 мм, станина собрана из уголка и швеллера. Подобрать необходимый металлопрокат придется самостоятельно, исходя из имеющихся резервов.
Основные детали и узлы устройства представлены на сборочной схеме.

Здесь:
- станина;
- колун (нож);
- колеса (опционально, при необходимости периодически перемещать станок);
- каретка, толкающая чурку на нож;
- гидравлический цилиндр;
- распределитель гидравлического типа с рычагом, он приводит станок в действие;
- гидравлический насос (модели НШ-32);
- бак для заливки жидкости (масла), объем 32 л;
- приводной вал гидравлического насоса с карданом;
- кожух приводного вала;
- двигатель электрический (модель АИР80В2);
- поворотная площадка;
- шкив ведущий;
- шкив ведомый;
- приводной ремень.
Вот так в этой модели может выглядеть станина.

Узел каретки.

Поворотная площадка.

Передаточный механизм.

Устройство в сборе.

В этом видео описано изготовление самодельного гидравлического дровокола.
https://youtube.com/watch?v=ZwyLkhySHXo
Процесс раскалывания древесины
Колоть дрова можно разными способами. Традиционно принято производить удары топором, стараясь расщепить отпиленный фрагмент бревна, нанося удар по торцевой части.
Тяжелый клин (топор имеет клиновидную форму) внедряется в тело чурбака. Если попадается древесина без сучков и рыхлой структурой, то даже при сравнительно небольших физических затратах произойдет внедрение клина внутрь. Тангенциальные усилия раздвинут волокна, произойдет раскалывание тела на две составляющие.
Если угол при вершине сделать небольшим, то клиновидное тело будет глубоко проникать внутрь, но величина тангенциальных сил окажется небольшой. Разрушающего усилия окажется недостаточно. Топор будет заклинивать в образующейся щели.
При образовании менее острого угла, касательные силы окажутся более значимыми. Они сумеют расколоть древесину.
В лабораториях проводится изучение реологических свойств разных пород дерева. Вязкость зависит от многих факторов. Установлено, что для большинства видов древесины желательно иметь клин с углом при вершине 25…30 °. У подобного режущего инструмента рубящие свойства оказываются наилучшими по раскалывающим свойствам.
При медленном проникновении клина определяющими становятся не накопленная в результате замаха и последующего удара кинетическая энергия. Процесс происходит внедрением в пластическое тело, где при достижении определенных значений происходит разрыв связей между волокнами.
Исследования показали, что для дровоколов угол при вершине должен быть 30…38 °. Тогда проникновение клина будет сопровождаться разрыванием связей при меньших усилиях. Только некоторые породы будут оказывать сопротивление: вяз, клен, яблоня, вишня.
Для сосны, дуба, ясеня и ряда других пород достаточно небольшого внедрения в тело. Разрыв связей происходит довольно легко.
На величину сил влияет и длина чурбака. Чем он короче, тем меньшее сопротивление оказывает дерево при раскалывании. Обычно длину определяет глубина топки – дрова должны помещаться внутри печи так, чтобы можно закрывать дверку.
Упрощенная конструкция винтового дровокола
На сегодняшний день по конструктивным особенностям различают два основных типа дровоколов в зависимости от рабочего элемента. Первый тип располагает острой, вертикально установленной пластиной, которую называют колуном. Он также оборудован толкателем, который, соответственно, направляет дрова на этот колун.
Данный тип инструмента называется реечным дровоколом. Второй тип инструмента оснащен винтообразным конусом. Оба инструмента можно смонтировать самому без особых усилий. Главное – строго следовать чертежам и располагать всеми необходимыми деталями, а особенно двигателем и рабочей частью, которая непосредственно будет колоть дрова.
https://youtube.com/watch?v=9K-pTABu-RY
Из перечисленных инструментов для колки дров легче всего смонтировать дровокол винтового типа. Не стоит бояться сборки, ведь она происходит поэтапно, а сам процесс несложен. По конструкции такой прибор довольно прост, что можно увидеть на схеме ниже.
Итак, изготовление качественного дровокола собственными силами является вполне реализуемой задачей, темь более найти все составляющие дровокола – не проблема. Однако еще более простыми по своей конструкции являются дровоколы без редуктора, вала, которые могут обойтись без подшипников и станины. Разве что нужно будет обзавестись мотором и рабочим элементом – конусом. Данный упрощенный тип дровокола представлен на фотографии ниже.
Вал должен обладать скоростью не более 750-ти оборотов в минуту
При этом неважно, каких размеров имеется двигатель. Это никак не влияет на его месторасположение
Двигатель легко приподнять и смонтировать на дополнительной станине. Бывает, что мотор лучше всего слегка опустить, как это изображено на фотографии сверху. Таким образом, можно уменьшить высоту вала для удобства в распиле дров, да и двигатель станет более устойчив.
Бытовой конусный дровокол производители изготавливают как в стационарном, так и в мобильном исполнении. В последнем случае каркас снабжается осью с двумя колесами, благодаря которым станок можно свободно перемещать к месту колки дров.
По типу привода винтовые колуны делятся на электрические и бензиновые. Кроме этого, выпускаются модели промышленного типа, приводимые во вращение тракторным валом отбора мощности (ВОМ).
Электрические дровоколы могут работать как от однофазной сети, так и от трехфазной. Однако завести три фазы на свой участок – довольно дорогое мероприятие, поэтому владельцы дачных домов выбирают менее мощные, но зато более практичные однофазные модели.
Выбирая дровокол шуруп, обращайте внимание на тип резьбы конуса. Метрическая резьба стирается быстрее и при работе такого конуса высока вероятность соскакивания полена
Лучший вариант – упорная резьба, которая лучше входит в чурку и служит дольше.
Ориентировочные цены на дровокольные станки винтового типа составляют от 16 000 до 38 000 рублей. Существенное влияние на цену оказывает тип двигателя (220 В, 380 В, бензиновый). Полностью автономный станок, оснащенный двигателем внутреннего сгорания, стоит в среднем на 10-15% дороже электрического.
То есть, на вал электродвигателя насаживается конус, который крепится на нем двумя стопорными винтами. Их концы входят в пазовую канавку вала. И это очень надежное крепление
Единственное, на что необходимо обратить внимание, это на сам электродвигатель
- Его мощность должна быть в пределах 4 кВт. Мощнее не надо.
- Скорость вращения вала должна быть в пределах 750 об/мин, лучше меньше.
Габариты двигателя значения не имеют, он может быть небольших размеров, но мотор можно приподнять, установив под него маленькую станину или подставки из металлического кругляка. На фото выше видно, что двигатель, наоборот, опустили, потому что высота вала была очень большой.
https://youtube.com/watch?v=Udu3kJWM-8M
Обязательно ознакомьтесь с видео и фото в виде инструкций к изготовлению своими руками дровокола. На самом деле это не очень сложно, как может показаться на первый взгляд.
Разновидности
- Сплошной культиватор. Его еще называют предпосевным или паровым. Обработанные пары засеваются семенами в будущем году. Рыхление культиватором отличается высокой скоростью благодаря регулируемой обработке глубины.
- Пропашной культиватор нужен для обработки посевных культур от сорняков и для окучивания. Рабочие элементы устроены таким образом, что они попадают только между рядов растений, не повреждая их. Для защиты насаждений существует дополнительное навесное оборудование. Подобный междурядный культиватор для мини-трактора удобно настраивается под нужды садовода.


Также существуют и другие разработки производителей.
На почвах с различными характеристиками можно применять пружинный культиватор. Изделие подходит для слабокаменистых и подверженных водной эрозии площадей. Культиватор эффективен для обработки земли после сбора урожая. Пружинные стойки дополняются усиленной рамой, что не только повышает производительность труда, но и экономит горюче-смазочные материалы. Обработка почвы пружинным культиватором способствует снижению перегревания почвы летом, что сказывается на ее качестве.
Трехкорпусный культиватор-окучник объединяет в себе функции пропашного и сплошного агрегата. Изделие подходит для маломощных тракторов, успешно применяется при возделывании картофеля, клубники, кукурузы и других культур. Устройство формирует грядки высотой до 60 см и шириной от 62 до 75 см.


Фреза – навесное оборудование для культиватора, которое позволяет выполнить множество сельскохозяйственных работ за один прием. Фрезы различаются формой ножей, а также их конструкцией. Стандартные орудия имеют саблевидную форму.
Нож представляет собой полосу, изогнутую на концах. Четыре режущих предмета выполнены в виде блока, который соединяется болтами. Количество блоков, которые можно установить на машине, связано с мощностью и массой техники.

Дровоколы с электроприводом
Ручной дровокол, конечно, облегчает заготовку дров, но все равно требует солидных физических усилий. Не столько, сколько их расходуют махая обычным колуном, но все-таки… Сделать усилия еще меньшими помогает электромотор. На его основе делают дровоколы различных конструкций. Но сделать такой дровокол своими руками сложнее. Тут и устройство более сложное, и требуется хоть минимальные знания электрики -желательно подключать мотор через пускатель, причем с кнопками «старт» и «пуск».
Винтовой (конусный)
Одна из самых распространенных моделей — конусный или винтовой дровокол. Отличие между ними только в отсутствии/наличии резьбы на колющем элементе, который в данной модели выполнен в виде конуса.

Конусный дровокол ускоряет заготовку дров
Чурбаки раскалываются за счет того, что вращаемый мотором конус врезается в древесины, постепенно разрывая на части. У больших чурбаков откалывают сначала края, затем разрывают середину.
Параметры конуса и резьбы
Сначала режущую часть вытачивали в виде гладкого конуса. Если использовать гладкий конус, при работе приходится довольно сильно налегать на чурбак, чтобы цилиндр «вгрызался» в древесину. Намного легче идет процесс, если на его поверхности нарезана резьба. В таком случае чурбак как-бы накручивается на винт, а потом раскалывается.

Чертеж с размерами конуса с резьбой для винтового дровокола
Основное — правильно сделать конус с резьбой. Если есть токарный станок и опыт работы можно попытаться сделать самостоятельною. Если нет — придется заказывать. Резьбу делают разной, но оптимальными признаны такие параметры: шаг 7 мм, глубина 3 мм (минимум — 2 мм). Еще важный момент — глубина посадочного места на редуктор мотора — не менее 70 мм.

Винт для дровокола
Если есть конус с нарезанной резьбой, изготовить этот дровокол своими руками не составит особого труда.
Электромотор и редуктор
Нужен электромотор достаточно мощный (2 кВт и выше или 5-9 л/с), но с небольшой частотой вращения: 250-600 об/мин. При 250 оборотах и ниже колет очень медленно, а если обороты больше 500 — работать опасно, та как может вырвать полено из рук.

Дровокол с винтом, надетым непосредственно на коленвал
Если удалось найти движок с такими параметрами, можно сделанную пику (винт) насадить непосредственно на коленвал (на фото выше). Если оборотов больше, надо ставить понижающий редуктор или делать цепную или ременную передачу для снижения частоты вращения.
Соотношение высчитываете в зависимости от оборотов движка. Например, есть двигатель на 900 оборотов. Сделав редуктор 1:2 получим 450 оборотов/мин. Как раз оптимальный вариант.

Понижающий редуктор для винтового дровокола
Передачи могут быть ременные или цепные. Цепные работают в разы громче, требуют постоянной мазки, да и выточить звездочки с нужными параметрами стоит, обычно, дороже. Ременная передача желательна двойная (как на фото выше). В этом случае меньше будет проскальзываний.
Где расположить мотор
Если конструкция предусматривает наличие передачи, мотор лучше поставить внизу, а сам винт закрепить на рабочей поверхности. Высоту рабочей поверхности выбираете под свой рост, чтобы не пришлось работать в наклоне.

Более безопасная модель. Сделать такой дровокол своими руками — значительно облегчить себе жизнь
Есть еще такой параметр, как высота расположения винта над рабочей поверхностью. Зазор от стола до цилиндра должен быть в районе 8-20 см. Выше располагать не стоит — может повернуть чурбаки малого диаметра. Оптимальное расстояние — 8-12 см. Даже маломерные чурбаки не поворачиваются.
Гидравлический дровокол
Гидравлический дровокол — самый мощный, но и самый сложный и дорогой в изготовлении. Кроме станины, двигателя и режущих ножей, нужен гидравлический цилиндр достаточной мощности. Стоят они стоят недешево. К тому же нужны еще масляный бак и насос.

Устройство гидравлического колуна
Гидравлический колун для дров развивает солидные усилия, потому при его изготовлении используется металл значительной толщины — 6-10 мм в зависимости от мощности привода. Развиваемого усилия вполне хватает чтобы за один раз развалить чурку на 6-8 поленьев. Потому ножи изготавливают в виде «звездочки».

Колун с гидравлическим приводом оснащают сложным резаком, Который разваливает чурбак на несколько поленьев сразу
При изготовлении ножей их разносят друг от друга на несколько сантиметров. Так, чтобы в работе был только один. Например, сначала — горизонтальный, затем — вертикальный, потом — правый и в конце — левый. При этом каждый из ножей усиливайте, приваривая сзади усиливающие пластины. Сталь желательно использовать жесткую, предварительно ее заточив по тому же принципу, что и на колунах.
https://youtube.com/watch?v=1SKN4vJkFi4
Как сделать дровокол из мотоблока своими руками?

В принципе, создать навесной дровокол на мотоблок не так и сложно, главное иметь под руками необходимые элементы, серьезные навыки, опыт и ответственно подойти к процессу конструирования и установки.

В качестве основы следует использовать указанный чертеж. Чтобы получить качественный самодельный дровокол, необходима стальная болванка и токарный станок. После вытачивания конуса на него следует нарезать левую упорную резьбу.

Для сборки дровокола необходимы:
В процессе получения полноценного механического дровокола необходимо надежно зафиксировать на валу резьбовой конус
Важно, чтобы подшипники имели одинаковый размер
Дабы собственными глазами увидеть процесс сборки рассмотренного навесного оборудования, следует ознакомиться с видео, на которых мастера демонстрируют свои достижения и дают всем заинтересованным персонам полезные советы.
Если конус застрянет в полене, не нужно паниковать, а пустить в ход обычный гаечный ключ. Вывернув поврежденную часть, можно пробовать продолжать работу.
Важный момент: конструкция дровокола также состоит из подставочного столика, на который укладывают поленья
Это может быть обычная железная доска, но особое внимание нужно уделить ее устойчивости, дабы из-за сильной вибрации во время работы она не выскакивала
Какие правила нужно соблюдать во время эксплуатации дровокола?

- Для начала необходимо тщательно проверить уровень натяжки ремня, надежность закрепления конусов и всех болтов;
- Не забывайте о протекционных очках для глаз;
- Обувайте только жесткую обувь, которая защитит ноги от падения части кряжа;
- Держите руки максимально далеко от вала;
- Не пытайтесь вручную разламывать трещины, это может стать причиной травм;
- Надевайте только прилегающую одежду;
- Не используйте во время процесса рукавицы.
Самостоятельная попытка создания дровокола для мотоблока может быть успешной только в том случае, если человек имеет необходимые приспособления и опыт в этом деле. Начинать развитие конструкционных способностей из сотворения этой навески не стоит.
Хотя сам дровокол – это очень полезное приспособление, способное значительно облегчить жизнь и избавить владельца загородного дома или дачи от лишних хлопот.
Примерные затраты на самостоятельное изготовление
Стоит отметить, что все затраты индивидуальные, так как у всех разные конструкции и наличие первоначального материала. Поэтому приводим примерную смету, сколько будет стоить изготовление колуна. Все цифры представлены в российских рублях.
- Двигатель Лифан 13 л. с. — 14 300;
- Гидроцилиндр 100/40/61 — 10 420;
- Гидрораспределитель — 3 510;
- НШ32 — 1 610;
- Привод НШ от МАЗа — 3 960;
- Ступицы с колесами от ВАЗ — 1 500;
- Шкив на двигатель — 1 000;
- Ремни клиновидные — 830;
- Масло гидравлическое 40л. — 2 600;
- РВД + муфты — 2 500;
- Фланцы к НШ — 440;
- Металл для ножей — 1 000;
- Металл для всего остального — 4 000;
- Болты, гайки, шайбы и т. п. — 640;
- Масло в движок — 380;
- Шланг резиновый + хомутки —300;
- Краска — 630;
- Электроды ф4мм — 2 кг и ф3мм — 5 кг — 1 050;
- Диски для болгарок 230-12 шт. 230- 1 зачистной 125- 1 зачистной + 3 обычных — 700;
- Кисти для покраски — 100.





