Неполадки агрегата Атлант
Компрессор является главным элементом системы. Он состоит из электрического мотора, обладающего клапанами и поршнями; пускового реле и внутренней обмотки. Это устройство отвечает за снижение температуры, происходящее благодаря воздействию фреона. Мотор-компрессор регулирует его циркуляцию. Фреон перемещается из конденсатора в испаритель, проходя через капиллярный трубопровод и фильтр-осушитель.
Проверить реле холодильника Атлант следует даже при незначительных проблемах с подключением компенсатора. Мотор бытового прибора работает от переменного тока, вследствие чего в пусковом механизме располагаются сразу три выхода. Эксплуатация холодильной установки невозможна без реле, поэтому если оно выходит из строя, ее работоспособность пропадает.
https://youtube.com/watch?v=lkuD9Tj6n-4
Подобные осложнения возникают также из-за сгорания двигателя и разрыва кабеля. Проверить пусковое реле не сложно. Главное иметь все необходимые инструменты, электрическую схему холодильника и опыт в проведении ремонтных работ.
Главная > Разное > Как проверить пускозащитное реле холодильника: пошаговая инструкция
Если ваш холодильник перестал включаться или начал выключаться сразу после включения, то в первую очередь следует проверить работоспособность всех контактов электрической цепи в холодильнике. Проверять следует всю цепь от входного щитка в квартиру до внутренностей холодильного агрегата. И если проводка, розетка, сетевой шнур и терморегулятор оказываются работоспособными, то может оказаться, что неисправно пусковое реле холодильника.
Модификации
Изделия используются для управления приборами на участке одной цепи. Нашли широкое применение в домах, квартирах. Производители предлагают обширный ассортимент продукции, который можно подразделить на 4 категории: таймер-сторож, кнопочный таймер, выключатель с датчиком движения, модель с таймером для вентиляции.
Таймер сторож
Прибор используется для защиты дома от несанкционированного проникновения. Позволяет организовать визуальное присутствие владельцев дома. Встроенная программа включает и выключает освещение в определенной последовательности в указанный интервал времени. Если приходится часто бывать в поездках – это идеальное решение, позволяющее оставить дом без присмотра. С улицы кажется, что дома кто-то есть. Полностью защитить дом он не сможет, но вот окажет помощь в этом вопросе и собьёт с толку злоумышленников.
Простая схема реле
В силовой электронике часто возникает необходимость использовать одно- или 3 х-фазное твердотельное реле. Своими руками изготовить это устройство можно по одной из схем, представленных в статье.

Преимущество твердотельного реле перед механическими контакторами очевидно – у них ресурс намного выше. И это из-за того, что в них нет ни одного механического компонента, а именно они являются наиболее уязвимыми.
Для изготовления твердотельного реле можно использовать цепочки, состоящие из схемы управления и симистора. Гальваническую развязку осуществляет симисторная оптопара. В схеме используются такие элементы:
- Оптопара типа МОС3083.
- Симистор марки ВТ139-800 16А с изолированным анодом.
- Ограничивающий резистор, который снижает ток, проходящий через светодиод.
- Светодиод для индикации работы устройства.
- К управляющему электроду симистора подключается резистор 160 Ом.
А теперь давайте рассмотрим более детально процесс изготовления устройства.
Как рассчитать задержки на rc цепочках для реле 12В
РЦ цепочка базируется на нескольких явлениях и свойствах конденсатора: накапливать противоположные заряды на его обкладках, не пропуская ток через себя, и мгновенно отдавать заряд обратно в цепь. Из-за того, что две обкладки конденсатора изолированы диэлектриком – «шевеление» происходит во внешней цепи при разрядке или зарядке.
Еще одно полезное свойство конденсатор – по мере заряда напряжение равняется до напряжения источника заряда, после чего ток в цепи перестает течь т.к. потенциалы выровнялись. Продолжительность зарядки кондера зависит от его емкости и от сопротивления источника.
Но что нам дает мгновенная разрядка конденсатора, если требуется задержка? Ничего. Поэтому на помощь приходит пассивный полупроводник – резистор.
Единственная функция резистора – ограничивать ток, рассеивая лишнюю часть в виде тепла. Регулируя силу тока можно задавать время зарядки или разрядки конденсатора. Чем больше сопротивления току и емкость конденсатора, тем дольше он будет разряжаться и заряжаться.
Из этого всего напрашивается очевидный вывод – конденсатор в паре с резистором сослужит хорошую службу в роли таймера.
Как рассчитать и сделать задержку включения реле 12в на 3 секунды
Как мы выяснили время задержки напрямую зависит от емкости и сопротивления. Для вычисления пригодится вот это формула:
Устанавливать конденсатор большой емкости нет смысла. Кондер емкостью 1 фарад настолько огромный, что его не получится обхватить одной рукой. Поэтому используем кондер на 50 мкФ и больше и подбираем резистор.
Теперь используем формулу выше и подставляем параметры элементов на место переменных:
Преобразуем уравнение:
Вот так мы и нашли требуемый резистор, чтобы зарядка кондера на 50мкФ происходила в течении приблизительно 3 секунд. Его сопротивление составляет 60 000 Ом => 60кОм. Не забывайте, что у проводника также есть собственное сопротивление, но учитывать его в наших расчетах не имеет смысла, т.к. задержки возрастут на миллисекунды или даже меньше.
Простая радиосхема
Схема печатной платы реле на 12 в
Приведем одну из наиболее простых схем. Для наглядности приводится схема и изображение печатной платы реле на 12 в.
Представим, что кнопка sb1 выключена. На обкладке конденсатора с1 сейчас напряжения нет. В результате этого, транзисторы закрыты и в обмотках реле ток отсутствует. После включения кнопки происходит заряд емкости с1, открывающий транзистор vt1, к базе которого прикладывается отрицательное напряжение. В итоге будет открыт второй транзистор и сработает реле k1.
Если отпустить кнопку, то произойдет разряд конденсатора по цепи: r2-r3 эмиттер vt1-r4.
Реле остается включенным, до того момента, когда напряжение на контактах емкости не снизится до 2-3 вольт. На протяжении этого времени соединения реле будут пребывать в одном из положений: либо включенном, либо отключенном.
Временная выдержка регулируется в пределах, которые зависят от емкости с1 и суммы сопротивлений подключенных к ней цепей. Задержка по длительности может регулироваться с помощью сопротивления r3. Получение более увеличенных пределов выдержек возможно с помощь увеличения номиналов с1 и r3. Схема простая, микросхемы отсутствуют.
Если нужно изготовить реле времени на 220 в, то можно воспользоваться следующей схемой. Здесь представлена очень простая схема подключения.
С включением соединенияs1 емкость с1 будет заряжаться, на управляющую ножку тиристора подается плюс, тиристор откроется и при этом загорится последовательно соединенная в цепь лампа L1. Пока конденсатор заряжается, по нему перестает проходить ток. Соответственно тиристор закрывается и происходит выключение лампы.
Идея 1. На диодах
Рассмотрим вариант простейшего логического элемента для работы в цепи 220В.

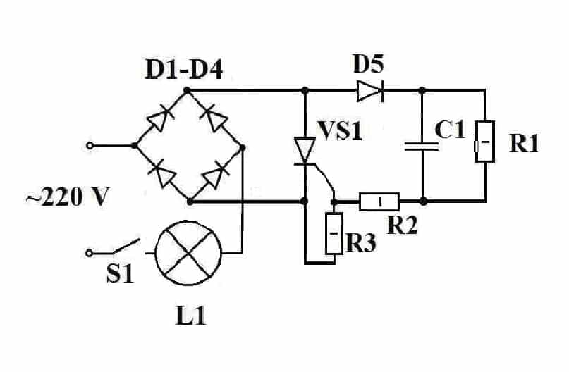
Рис. 4. Схема реле времени на 220В
Здесь включение происходит при нажатии кнопки S1, после чего напряжение подается на диодный мост. С моста потенциал переходит на времязадающий элемент, состоящий из резисторов и конденсатора. В процессе накоплении заряда тиристор VS1 откроется, и ток протечет через лампу освещения L1. Когда емкость конденсатора полностью зарядится, тиристор перейдет в закрытое состояние, после чего срабатывает реле и лампа гореть перестанет.
Максимальную выдержку здесь можно установить в несколько десятков секунд, так как ее величина будет задаваться сопротивлением резистора и емкостью. Существенным недостатком является то, что эта схема несет угрозу человеческой жизни при поражении электротоком. Поэтому далее рассмотрим пример изготовления реле времени на 12В.
Задержка отключения и включения реле с помощью конденсатора и резистора 12В
Не обязательно прибегать к использованию интегральных таймеров по типу NE555 если требуется всего лишь задержка перед старт/стоп. Использование конденсатора в паре с резистором и транзистором решит задачу без сложных ИС. Воспользуйтесь схемой ниже
Это классическая схема с использованием конденсатора, резистора, диода и биполярного транзистора. В схеме используется транзистор n-p-n типа. Работает она так: после подачи напряжение на резистор N сопротивления, начинает заряжаться конденсатор N емкости. При достижении напряжение смещения диоды открываются, а затем открывается управляющий эмиттерный p-n переход транзистора, который «открывает» транзистор и ток начинает течь в направлении коллектор-эмиттер.
Работает наш полупроводник в активном режиме. Пока управляющая базой величина тока не выйдет из этого режима, коэффициент усиления не приобретет нисходящую форму. Так продолжается пока величина тока вовсе не переступит порога отсечения — переход коллектор-эмиттер закроется. При включении происходит все да наоборот.
Для сборки рекомендуется использовать транзистор КТ827 с n-p-n переходом. Диод подойдет КД105Б или аналогичный по параметрам. Конденсатор и резистор подбирается в каждом случае индивидуально, об этом ниже.
Задержка включения реле 5В после подачи питания на ардуино
Чтобы сделать реле времени на ардуино нам понадобится:
- Модуль Arduino uno – 1000-1200 рублей;
- 1 кнопка – 5 рублей;
- Реле 5в Arduino PIC ARM – в Китае стоит 100-200 рублей;
- Блок питания 5В – стоят копейки, пригодится даже компьютерный ATX БП или БП зарядного мобильного телефона, если правильно запитать;
- Подстроечный резистор;
Видеоролик. Как сделать реле времени 5В на ардуино
Посмотрите приложенный выше видеоролик, где автор подробно объяснит, как подключить и запрограммировать ардуино для реле времени. Добавим, что временем задержки регулирует подстроечный резистор.
Использование и подключение реле времени
Почему не стоит медлить с заменой неисправного реле
Конечно, народные «умельцы» уже научились запускать холодильник без пускозащитного реле, соединив контакты напрямую. Однако мастера со стажем категорически не советуют этого делать. В холодильнике каждая деталь несет свою полезную нагрузку. И исключение из электрической схемы любой составляющей чревато перегрузками механизмов, перегревом двигателя и, в лучшем случае, поломкой мотора-компрессора, а худшем – пожаром. Собственно, само по себе название детали говорит о том, что оно необходимо для правильного пуска агрегата. А защитная часть реле как раз спасает технику от избыточной тепловой нагрузки. Проще говоря – от перегрева.
Поэтому не откладывайте замену. При выборе ориентируйтесь на марку и характеристики запчасти, снятой с вашего холодильника. В идеале следует приобрести точно такую же модификацию детали и точно так же подключить ее к холодильному агрегату.
Надеемся, Вам пригодилась наша инструкция по диагностике и поиску поломки.
Схема для 220 Вольт
Таймеры на транзисторах и микросхемах работают от 5–14 В (стандартно от 12 В). Реле времени на 220 Вольт — это сборки диодные с магнитными пусктелями. Если обслуживаемая техника маломощная (например, освещение, лампы, паяльники, кипятильники, маленькие моторчики и подобное), то последний можно не устанавливать — диодный мост, тиристор трансформируют напряжение сами.
Рассмотрим таймер лампочки, основные части: диодный мост, тиристор. Подключать еще какую-либо нагрузку не рекомендуется: тиристор пропустит только положительную синусоиду переменных 220 Вольт. Для перечисленных потребителей этого хватит, но иные электроприборы могут не выдержать.

Что потребуется:
- резисторы: 4.3 мОм (R1), 200 Ом (R2) и регулируемый 1.5 кОм (R3);
- 4 диода с макс. током от 1 А, обратным напряжением от 400 В;
- конденсатор 0.47 мкФ;
- тиристор (можно аналоги) BT151;
- обычный микропереключатель.
Принцип стандартный для таких сборок: постепенная зарядка конд. C1 (начинается после активации S1). Тиристор VS1 при этом открыт, на нагрузку L1 от сети идут 220В. После зарядки он закрывается, отсекая ток — лампа выключается. Пауза регулируется установкой значения на R3, подбором емкости C1.
Сборка имеет минус: прикосновение к любому оголенному проводку, ножке грозит сильным ударом тока, так как на элементы поступает сильный ток.
Переходим к принципу работы схемы
После подачи питания цепочка R1–C3 генерирует стартовый импульс, длительностью примерно 100мс для микросхемы DD1, с которого выход OUT микросхемы устанавливается в лог.1, включая тем самым оптосимистор VS1, симистор VS2 и подключая нагрузку к сети 220В. С этого же момента начинается отсчет времени. Время выдержки таймера задается цепочкой R3–R6–C2. Время зарядки конденсатора C2 до напряжения отключения выход OUT микросхемы DD1 в логический 0 определяется формулой:
t = 1,1*(R3+R6)*C2
Резистор R6 ограничивает минимальное время задержки 3 сек. Конденсатор C1 необходим для фильтрации помех в питании микросхемы DD1 и должен располагаться максимально к ней близко.
Резистор R4 задает ток светодиода оптосимистора и при применении аналогов MOC3043, например MOC3042 или MOC3041 должен быть уменьшен, так как им необходим больший ток для работы.
Данная схема может применяться и для коммутации пускателей, но учтите, что в случаях малых токов пускателей возможно ложное срабатывание или их жужжание в отключенном режиме, так как они могут включаться через цепочку R5–C5. В таком случае, эта цепочка требует коррекции по номиналам.
Такое устройство можно купить сразу в готовом виде, либо применить ненужный от какого-либо устройства: роутера, модема, телефона или подобного. В таком случае устройство реле заметно упростится.
Трансформатор T1 можно заменить на любой другой с номинальным входным напряжением 220 Вольт, выходным — 12 Вольт.
Если схема реле задержки выключения вас заинтересовала и вы бы хотели скачать файл с изображением разведенной печатной платы — оставляйте ваши комментарии.
Выбор схемы включения электродвигателя
Схемы подключения 3-х фазных
двигателей при помощи магнитных пускателей Я подробно описывал в прошлых статьях: « » и « «.
Подключить трех фазный двигатель возможно и в сеть 220 Вольт с использованием конденсаторов по . Но будет значительное падение мощности и эффективности его работы.
В статоре асинхронного двигателя
на 380 В расположены три отдельные обмотки, которые соединяются между собой в треугольник или звезду и к трем лучам или вершинам подключаются 3 разноименные фазы.
Вы должны учитывать
, что при подключении звездой пуск будет плавным, но для того что бы достичь полной мощности необходимо подключить мотор треугольником. При этом мощность возрастет в 1.5 раза, но ток при запуске мощных или средних моторов будет очень высоким, и да же может повредить изоляцию обмоток.
Перед подключением
электродвигателя ознакомьтесь с его характеристиками в паспорте и на шильдике
Особенно это важно при подключении 3 фазных электродвигателей западно-европейского производства, которые рассчитаны на работу от сети напряжением 400/690. Пример такого шильдика на картинке снизу
Такие моторы подключаются только по схеме «треугольник» к нашей электросети. Но многие монтажники подключают их аналогично отечественным в «звезду» и электромоторы при этом сгорают, особенно быстро под нагрузкой.
На практике все электродвигатели отечественного производства
на 380 Вольт подключаются звездой. Пример на картинке.

В очень редких случаях на производстве для того что бы, выжать всю мощность используется комбинированная схема включения звезда-треугольник. Об этом подробно узнаете в самом конце статьи.
Что такое реле времени?
Чтобы понять особенности прибора, стоит изучить его принцип работы. Реле работающее навыворот функционирует по такой схеме:
- На прибор подается сигнал о необходимости выключить устройство.
- Начинается отсчет времени выключения прибора. Врем истекает и происходит выключение.
Если такое реле усыновлено перед лампой, то не стоит ждать моментального срабатывания. Все отключится только после прохождения времени задержки.
Двойной реле:
Как только подается сигнал, включается механизм и происходит отсчет интервала задержки. Как указанное время отсчитано прибор включает необходимое устройство в указанные сроки. Можно сказать, что два реле времени подключены последовательно – это и есть двойное реле.
Часто встречающиеся ошибки при сборке и подключении GSM-розеток
Наиболее часто люди, слабо сведущие в вопросах подключения «умных» реле с удаленным СМС управлением, совершают достаточно простые ошибки монтажа:
- подвод фазового провода в коннектор, для этого не предназначенный, – «NO» или «NC»;
- попытка подключения нулевой линии вместо фазы;
- привод к прибору обоих проводников 220В, в особо тяжелых случаях всех трех – фазы, нуля и земли;
- превышение подключенными потребителями предельной мощности прибора.
Все эти нарушения монтажа приведут к выходу устройства из строя или даже его возгоранию. Нужно быть внимательным и точно изучить инструкцию к своему GSM реле. Кроме того, необходимо не забывать о том, какие выходы включены по умолчанию, а где отсутствует напряжение.
Бывает и такое при неверном подключении проводов к управляющему устройству
Инструменты для измерения пропускной способности сети
Пакет анализатора пропускной способности сети SolarWinds (БЕСПЛАТНАЯ ПРОБНАЯ ВЕРСИЯ)
Учитывая влияние пропускной способности сети на производительность вашей сети, важно следить за ней. Для этого вам нужен инструмент мониторинга сети
Есть много разных инструментов, которые вы можете использовать, но один из лучших Пакет анализатора пропускной способности сети SolarWinds. Это решение может измерять пропускную способность сети для мониторинга потоковых данных пропускной способности наряду с доступностью сетевых устройств..

Пакет анализатора пропускной способности сети SolarWinds является хорошим выбором для адресации пропускной способности сети, поскольку она помогает вам указать на основную причину. Вы можете обнаружить проблемы с производительностью в вашей сети и принять меры для их устранения, чтобы пропускная способность упала до минимума.
Пакет анализатора пропускной способности сети SolarWindsСкачать 30-дневную пробную версию
Пакет инструментов SolarWinds Flow (Бесплатный набор инструментов)

Пакет инструментов SolarWinds Flow включает в себя три простых, но мощных средства:
- NetFlow Configurator
- NetFlow Replicator
- NetFlow Generator
Эти три утилиты не дают впечатляющих графических представлений данных. Вместо этого вы получаете простые интерфейсы, которые помогут вам использовать NetFlow v5 сообщения, которые генерируют ваши маршрутизаторы Cisco. NetFlow — это сетевой протокол, разработанный Cisco, который собирает информацию о пакетах при прохождении через маршрутизатор..
Вы можете использовать NetFlow Configurator в пакете Flow Tool в качестве стандартного интерфейса, который связывается с данным маршрутизатором Cisco и настраивает его функции NetFlow для отправки данных вашему коллектору.
Две другие утилиты в комплекте помогают протестировать сеть и спланировать увеличение спроса с помощью анализа NetFlow..
NetFlow Replicator отправит пакеты NetFlow указанным адресатам в вашей сети. Это позволяет вам изучать возможности вашей инфраструктуры и помогает выявлять узкие места. NetFlow Generator создает дополнительный трафик для вашей сети. Это позволяет протестировать поведение балансировщиков нагрузки, брандмауэров и предупреждений о мониторинге производительности сети..
Flow Tool Bundle — отличная бесплатная утилита, которая дает вам возможность получить представление о готовности вашей сети к расширению услуг и спросу..
Комплект инструментов SolarWinds Flow Загрузите 100% БЕСПЛАТНО набор инструментов
Основные характеристики устройства
В специализированных торговых точках встречаются устройства задержки с различными характеристиками, выпускающиеся разными производителями. Качество продукции от именитых производителей подтверждается сертификатами и гарантируемым ими сроком работы. Из популярных компаний выделяются: Hager, Аско, Eaton, ABB, Schneider, Новатек. Независимо от типа и модели, реле времени характеризуются следующими параметрами:
Подключение прибора обычно не вызывает проблем. Устройство включается в разрыв линии подходящей к нагрузке. С каждым реле временем должна идти инструкция от производителя с подробной схемой подключения и её описанием. При этом она может быть изображена и на самом корпусе прибора.
Задержка подачи анодного напряжения | MyElectrons.ru
Про то, что высокое напряжение надо подавать уже после того, как прогреются катоды, мы сейчас рассуждать не будем, а примем как данное.

Найдено на просторах Сети. Ежели кого обижает — сотру, только намекните!
Что, собственно, побудило взяться за … клавиатуру — прочитал в целом весьма грамотную статью про постройку лампового OTL усилителя для наушников с топологией SRPP. В схеме законченного устройства было приведено вот такое решение задержки подачи анодного напряжения:
| Задержка включения — плохой пример |
Скопировано с веб-сайта без разрешения. Ежели что — сотру, только намекните!
Как это работает? Плохо!По мере заряда времязадающего конденсатора плавно возрастает напряжение на базе эмиттерного повторителя на составном транзисторе. Соответственно так же плавно увеличивается напряжение на обмотке реле. В какой-то момент напряжение достигает напряжения срабатывания реле и — контакты замыкаются. Неспешно так замыкаются, неуверенно, подрагивая и подпрыгивая. Кто имел дело с относительно большими реле — поймёт
Что такое реле времени
Программируемое реле времени
С французского слово «реле» переводится как «заменить», а на практике термин обозначает электрический или электронный ключ, который необходим для коммутации участков электрических цепей и контроля расхода электроэнергии. Это понятие характерно для обычных электромагнитных устройств. Программируемый прибор, или таймер, подает команду подключения или отключения электрических цепей автоматически, соответственно настройкам, установленным пользователем.
Электромеханическое устройство замыкает или размыкает контакты, когда на обмотку катушки реле поступает небольшой электрический ток. Возникающее магнитное поле приводит в движение «якорь», с которым соединены коммутирующие контакты. Благодаря этому процессу происходит размыкание и замыкание сети. В последнее время широко используются твердотельные реле. Они имеют мощные полупроводниковые ключи и способны выдержать большие нагрузки.
Если цепь необходимо коммутировать не в период подачи сигнала, а в определенный момент, применяют более сложное устройство – реле времени (РВ). Они срабатывают по истечении определенного периода, обеспечивая последовательность действий. Благодаря принципу работы можно построить разные по сложности электрические схемы. С помощью таких схем осуществляют функции управления различной техникой.
Например, реле незаменимо для организации автоматического полива, отключения света в общем коридоре, включения и отключения компрессора в аквариуме.
Схема задержки включения нагрузки
Схема задержки включения нагрузки на 555 таймере позволяет питать устройства, требующие подачи напряжения с задержкой. Ключевым элементом служит MOSFET транзистор IRF5305. Это позволяет подключать нагрузку с током потребелния до 31 А. Данная схема рассчитана на работу с напряжением 12-15 В (в автомобиле) и может использоваться для задержки включения ламп заднего хода для автомобилей с АКПП (если вдруг там установлены мощные лампы или даже ксенон) либо для задержки включения дополнительных фар дальнего света (чтобы можно было моргать только основными); и для многих других применений.
Схема реле задержки показана на рисунке (для увеличения кликнуть):
Реле задержки собрано на таймере 555 (русский аналог — КР1006ВИ1). Времязадающая цепочка C1R1 обоспечивает задержку включения, рассчитываемую по формуле 1,1*R1*C1. При заданных номиналах время задержки составляет около 1.5 сек. Элементы R2, C2 образуют простейший фильтр импульсных помех по питанию, так как схема задумывалась для использования в автомобиле. Биполярный транзистор T1 служит инвертором выходного сигнала таймера, чтобы открывать p-канальный полевой транзистор, управляющий нагрузкой. T1 может быть любым n-p-n транзистором. Резистор R5 служит токоограничивающим резистором в момент открытия Q1, чтобы предотвратить повреждение транзистора Т1. Выходной транзистор Q1 имеет малое сопротивление в открытом состоянии (0,06 Ом) , поэтому при токах даже до 20А может использоваться без радиатора. Нагрузка подключается между выводом 1 разъема X1 и землей. Разъем Х1 — 3-х контакнтынй клеммник с шагом 5мм.
Схема собрана на печатной плате размером 48х27 мм.
Рисунок печатной платы в зеркальном виде:

Большое отверстие на земляном полигоне сделано под винт крепления сразу к массе автомобиля.
Схема расположения элементов:
Обратите внимание, что расположение транзистора Т1 на плате на этом рисунке показано для другой цоколевки. По факту нужно смотреть на цоколевку конкретного транзистора
Фотографии готового реле задержки:

Как видите, использована русская микросхема КР1006ВИ1.

Резистор R2 установлен двухваттный, с запасом, хотя и одноваттный вполне сойдет.

Силовые дорожки от клеммника до транзистора дополнительно пропаяны кусками отрезанных выводов деталей для увеличения проходящего по ним тока.
Вся плата с обеих сторон 2 раза покрыта канифольным спреем FLUX, кроме клеммника и площадки с отверстием под винт. Они предварительно заклеены скотчем. Спрей FLUX создает защитную пленку из канифоли, которая при необходимости легко паяется. Если реле задержи планируется размещать во влажных местах, то необходимо либо поместить его в корпус, либо покрыть каким-либо защитным лаком, например, уретановым ROT. При монтаже на винт следует не допускать контакта остальной платы с металлическим основанием.
Проект реле задержки включения в формате KiCad можно
О проверке
Данная процедура необходима при наличии проблем с запуском бытового прибора. Их игнорирование приведет к его полному выходу из рабочего режима. Проще предотвратить серьезные нарушения, своевременно проверив пусковое реле. Эта деталь необходима для предотвращения неисправностей в случае снижения температуры.
Перепады приводят к замыканию контактов терморегулятора, в результате чего пусковое реле осуществляет запуск мотора-компрессора. Все это происходит за 2-3 секунды. Если же ожидаемая реакция не проявилась, то есть мотор не перешел в рабочий режим, остается провести диагностику и исправить возникшие неполадки. Сделать это можно самостоятельно или с помощью мастера.

Задняя панель холодильника
Чтобы проверить пусковое реле холодильника, необходимо следовать инструкции:
- Проводим визуальный осмотр механизма. Пусковое реле будет функционировать как полагается, если зафиксировано в вертикальном положении. В противном случае сердечник, являющийся частью катушки, не успеет втянуться за отведенный период времени. Во избежание ошибки на устройстве имеется специальная метка. Если реле находится в правильной позиции, значит ошибку следует искать в другом месте.
- Располагаем механизм на рабочем столе для дальнейших манипуляций:
- реле марки РТК-Х и РТП-1 размещаем стрелкой вниз;
- деталь с обозначением LS-08B кладем тыльной поверхностью вверх;
- устройство ДХР помещают так, чтобы клеммы находились на виду.
- Проверяют наличие контакта между клеммами
Сделать это можно посредством тестера
Особое внимание следует обратить на гнезда. Если на них имеются следы горения, то проводить диагностику далее смысла нет
Ремонту пусковое реле уже не подлежит. Вернуть его работоспособность уже невозможно.
- При отсутствии связи между контактами приступаем к их очищению
Для осуществления данной процедуры используют наждачную бумагу и ткань, смоченную спиртовым раствором.
- Последовательно осматриваем и проверяем все другие запчасти (шток, катушку, сердечник), одновременно избавляясь от коррозионного покрытия и загрязнений.
- Собираем пусковое реле в обратном порядке (при отсутствии видимых повреждений) и вставляем в холодильник.
- Проводим пробный запуск бытового прибора.
Если результат нулевой, значит пусковое реле требует замены, но перед тем как покупать оригинальную деталь для агрегата Индезит или Атлант, необходимо проверить холодильник без реле. Возможно, что неисправность локализуется в моторе-компрессоре Aspera. Перед тем как проверять пусковое реле в домашних условиях, посмотрите видео.
Проверка реле
Базовые варианты
- Электронный аналоговый. Основан на так называемой постоянной времени RC-цепи. Она определяется тем, что для полного заряда (разряда) конденсатора через резистор требуется тем больше времени, чем больше сопротивление резистора. На этом принципе можно создавать достаточно точные и простые по конструкции РВ. Временные интервалы у них получатся в пределах единиц секунд.
- Электромагнитный, или индукционный. Это два определения одного и того же принципа работы. Он основан на том, что электромагнитное поле не может появляться и исчезать мгновенно. В зависимости от величины индуктивности элемента и специальной конструкции сердечников получается переходный процесс длительностью от сотых долей до нескольких секунд. Проверенная временем система, используемая до сих пор в специальных РВ.
Пневматический механизм. Его давно применяют в промышленном оборудовании. Он хорошо решает задачу синхронной работы большого числа исполнительных элементов. Система легко и наглядно настраивается изменением диаметра отверстия для движения воздуха. Чем больше его размеры, тем быстрее поток воздуха заполнит рабочий объем (например, цилиндр с поршнем) этого пневматического механизма и, соответственно, тем меньше интервал времени срабатывания такого РВ. И наоборот. Временной интервал у таких реле – в пределах единиц минут.
Часовой механизм. Его еще называют анкерным. Это самый распространенный из всех вариантов формирователей временного интервала. Он основан на деформации пружины. Ее напрягают при запуске механизма, и упругая сила возврата в исходное состояние, замедленная шестернями и маховиками, обеспечивает тот или иной временной интервал. В конце концов сила пружины перемещает исполнительный контакт, который либо непосредственно разрывает электрическую цепь, либо управляет реле. По работе стиральной машины можно судить, какое время можно задать для такого РВ.
Электромеханическая конструкция. Работает на основе многополюсного синхронного двигателя. Скорость вращения этого двигателя зависит только от частоты питающего напряжения. Если оно обеспечивается промышленной сетью 220 В, частота получается весьма стабильной. Залогом этой стабильности является масса роторов генераторов на электростанциях. Можно сформировать временной интервал продолжительностью в несколько часов. Имеют промышленное применение в основном в схемах релейной защиты. Можно задать любой временной интервал при отсутствии сбоев в электроснабжении.
Создание своими руками реле времени на таймере 555NE
Многие электрические схемы построены на интегральном таймере NE555. Такую систему несложно создать в домашних условиях. Контроллер собирается из следующих элементов:
- клеммники винтового типа;
- диод;
- плата размером 65х35;
- резистор;
- паяльник для точечных соединений;
- программный файл Sprint Layout;
- биполярный транзистор типа n-p-n.
В качестве основы для монтажа элементов используется плата. Резистор крепят сверху или выводят с помощью проводов. Для винтовых клеммников в плате предусмотрены специальные места. После того как все комплектующие будут впаяны согласно схеме, излишки на местах соединений нужно убрать и проверить надежность контактов. Чтобы защитить транзистор, нужно выполнить монтаж диода. Он устанавливается параллельно реле. Затем выставляется период срабатывания. Если реле будет размещено на выходе, оно позволит корректировать нагрузки.
Таймер, изготовленный своими руками.
Как работает эта система:
- Нажатием кнопки выполняется запуск.
- Схема замыкается и на прибор дается напряжение.
- Загорается лампочка и запускается процесс отсчета времени.
- Когда установленное время проходит, лампочка гаснет и прерывается подача электричества.
Такая схема позволяет регулировать период срабатывания в пределах 4 мин. Если будет установлен конденсатор, настраиваемое время увеличивается до 10 мин.
Это простые схемы, для создания которых требуются минимальные навыки обращения с платами и электричеством. Разнообразный и богатый ассортимент современных устройств позволяет подобрать разъем под любые нужды, поэтому нет необходимости в самостоятельном изготовлении розеток, укомплектованных таймером. Чтобы найти подходящую модель, достаточно сопоставить ее возможности с теми условиями, в которых она будет эксплуатироваться, а также изучить отзывы о производителях и качестве их продукции в интернете.
Моностабильный мультивибратор.

Моностабильный означает, что стабильное состояние у таймера только одно, когда он выключен. Во включенное состояние его можно перевести временно, подав на вход таймера какой-либо сигнал. Время нахождения таймера в активном режиме определяется RC цепочкой.
В начальном состоянии, на выходе таймера (вывод №3) низкий уровень — примерно 0,25 вольт, транзистор Т1 открыт и соответственно конденсатор разряжен. Это состояние таймера стабильное. При поступлении на вход (вывод №2) импульса низкого уровня, включается компаратор №2, который переключает триггер таймера, и как результат на выходе таймера устанавливается высокий уровень. Транзистор Т1 закрывается и через резистор R начинает заряжаться конденсатор С. И пока заряжается конденсатор С на выходе таймера сохраняется высокий уровень. За это время изменения сигнала на входе (вывод №2) не вызовут никакое воздействие на таймер. После того как напряжение на конденсаторе С достигнет 2/3 напряжения питания, включается компаратор №1 и тем самым переключает триггер. В результате на выходе (вывод №3) установится низкий уровень, и таймер восстановит исходное, стабильное состояние. Транзистор Т1 откроется и разрядит конденсатор С.





