Нюансы изготовления, настройка
Глушилка сигнала связи, выполненная собственными руками, должна в полной мере соответствовать подобному устройству заводского производства. В этих целях понадобится схема простой глушилки сотовой связи, которая представлена в виде компактного каскада, в который включены диоды, а также транзисторы.
Резисторы с конденсаторами есть возможность изготовить посредством токовых зеркал, а также подобных заменяемых элементов. Данный подмен позволит уменьшить не только размеры гаджета, но и его стоимость.
Немаловажным нюансом считается настройка, позволяющая устранить проблемы, связанные с глушением других сигналов. Для избавления смешивания частот необходимо настроить имеющуюся катушку индуктивности, непосредственно от которой зависит исходящая частота. Подобное действие происходит благодаря изменению числа витков, размещённых на сердечнике.
Далее инструкцией создания глушилки для неопытных мастеров предусмотрено устройство функционирования усилителя. Данный прибор показывает усиление и уменьшение сигнала, который не всегда эффективен в процессе работы устройства. В отдельных случаях желательно свести к минимуму процент усиления, снизив подобным образом помехи.
Регулировка данного показателя состоит в экспериментальной настройке необходимого усилителя вручную, параллельно проверяя функционирование комплекса в целом и его влияние на прибор слежения.
Такой элемент, как антенна, не нуждается в настройке, однако при этом следует выбирать её максимально серьёзно. По отзывам радиолюбителей, правильнее всего обустроить антенну SMA, от которой идёт сигнал в разные стороны и которая характеризуется наивысшим усилительным коэффициентом.
В зависимости от области обхвата, появляется выбор, который связан между числом обустраиваемых антенн. При необходимости получения готового результата пределах нескольких метров, применяется 1 деталь, при этом в отдельных структурах обустраивается до 4 деталей.
Кому нужно вторгаться в чужую жизнь
Аналогичные действия предпринимают и для настройки на WiFi.
Наверное, все знают сегодня, что такое «жучки». Различные средства для прослушки в настоящее время используются не только спецслужбами. Их может установить студент и даже школьник.
Смотреть галерею
Однако чаще всего в таких устройствах заинтересованы ревнивцы, конкуренты по бизнесу и прочие. Шпионская техника способна нанести вред любому человеку. Поэтому информационной защитой сегодня интересуются многие. И подавитель-глушилка GSM выступает именно тем прибором, который борется с такими явлениями.
Ну, а о сотовых телефонах GSM 900-1800 многие давно знают, что без глушилки они легко превращаются в средство утечки информации.
Некоторые параметры глушителей сигналов сотовой связи
Говоря о глушителях мобильной связи, мы подразумеваем подавитель, который следует настроить на определённую частоту. При этом можно выполнить настройки так, что будут глушиться и иные приборы. К примеру, можно сделать своими руками глушилку интернет-сигнала или частот Wi-Fi.
ФОТО: poisk-podbor.ruОдно движение, и роутер становится не более чем бесполезной пластиковой коробочкой
По сути, все представленные в интернете схемы подавителей предназначены для радиолюбителей, которым интересно заниматься подобными темами. Для остальных будет проще приобрести настраиваемые глушилки связи или мобильного интернета. Рассмотрим, на каких волнах должны создаваться помехи для различных сетей.
ФОТО: mehack.orgМощные подавители способны отключить все сигналы, включая телевидение и радио
Рабочие частоты глушилок для телефона
Для того чтобы заглушить GSM-сигнал, необходимо настроить рабочую частоту подавителя на 800 МГц. Именно на ней работают все сотовые телефоны в нашей стране. А вот для подавления других сетей придётся перенастраивать оборудование.
ФОТО: aredi.ruЧастота усилителя 3G/4G ─ также 800 МГц, а значит, глушилка подавит и его
Настройка глушилки Вай-Фай своими руками
Подобные приборы часто объединяются блокиратором, способным блокировать каналы всех беспроводных гаджетов, включая и те, которые работают по Bluetooth. Своими руками такую глушилку собрать несложно, особенно если у мастера есть опыт в радиоделе.
Здесь стоит учитывать, что подобный подавитель забьёт частоты не только камер, но и беспроводной клавиатуры, мыши и любых других устройств, передающих сигнал через Вай-Фай или блютуз. Для обеспечения подавления необходимо настроить глушилку на частоты 2400—2500 МГц.
ФОТО: ozon.ruВключённый подавитель не даст пользователю общаться с помощью беспроводной гарнитуры
GPS/ГЛОНАСС: для чего глушить эти частоты
Для законопослушного гражданина подавление частот ГЛОНАСС совершенно ни к чему. Но это если речь идёт не о России. На сегодняшний день ГЛОНАСС устанавливается повсеместно на рабочие курьерские, грузовые автомобили. А вот по данным часто могут возникать нестыковки.
Известны случаи увольнения работников по причине того, что пройденный автомобилем километраж был на порядок больше, чем по данным ГЛОНАСС. А это означало одно – накрутку одометра с целью хищения топлива.
Если собрать глушилку ГЛОНАСС своими руками или приобрести подобное устройство через интернет, можно попросту перекрыть частоты, на которых работает система. Впоследствии окажется, что ГЛОНАСС попросту вышел из строя на определённый период.
ФОТО: barnaul.avtonavix.ruТак выглядит обычный ГЛОНАСС-трекер
Рабочие диапазоны частот такого подавителя:
- 1570—1620 МГц (GPS L1);
- 1200—1310 МГц (ГЛОНАСС L2 либо GPS);
- 1380—1410 МГц (ГЛОНАСС L3 или GPS).
Радиоглушилки и рациональность их изготовления своими руками
Как и глушитель сотовой связи, радиоглушилку можно собрать своими руками. Вопрос в том, стоит ли потраченное время полученного результата. Ведь намного проще приобрести подобное устройство, стоимость его невысока.
К примеру, сейчас стали популярными подавители радиосигнала на частотах станции «Шансон». Любому, кому надоело слушать «блатную лирику» в маршрутном такси или кафе, достаточно просто нажать кнопку на приборе, и волна полностью пропадёт, оставив лишь «белый шум». Владельцу радио не останется другого выбора, как переключить на что-то иное. Частоты работы такого подавителя варьируются в диапазоне 88-108 МГц.
ФОТО: youtube.comЭта музыка уже многим набила оскомину
Ещё несколько слов о GSM-глушилках
Используя глушилки связи, интернета для сотовых или радиочастот, не стоит забывать об ответственности, которую можно за это понести. Поэтому прежде чем забавляться с подобным оборудованием, не помешает изучить российское законодательство и его мнение на данный счёт.
ФОТО: sites.google.comИ ещё:
Нюансы изготовления, настройка
Глушилка сигнала связи, выполненная собственными руками, должна в полной мере соответствовать подобному устройству заводского производства. В этих целях понадобится схема простой глушилки сотовой связи, которая представлена в виде компактного каскада, в который включены диоды, а также транзисторы.

Резисторы с конденсаторами есть возможность изготовить посредством токовых зеркал, а также подобных заменяемых элементов. Данный подмен позволит уменьшить не только размеры гаджета, но и его стоимость.

Немаловажным нюансом считается настройка, позволяющая устранить проблемы, связанные с глушением других сигналов. Для избавления смешивания частот необходимо настроить имеющуюся катушку индуктивности, непосредственно от которой зависит исходящая частота. Подобное действие происходит благодаря изменению числа витков, размещённых на сердечнике.

Далее инструкцией создания глушилки для неопытных мастеров предусмотрено устройство функционирования усилителя. Данный прибор показывает усиление и уменьшение сигнала, который не всегда эффективен в процессе работы устройства. В отдельных случаях желательно свести к минимуму процент усиления, снизив подобным образом помехи.

Регулировка данного показателя состоит в экспериментальной настройке необходимого усилителя вручную, параллельно проверяя функционирование комплекса в целом и его влияние на прибор слежения.

Такой элемент, как антенна, не нуждается в настройке, однако при этом следует выбирать её максимально серьёзно. По отзывам радиолюбителей, правильнее всего обустроить антенну SMA, от которой идёт сигнал в разные стороны и которая характеризуется наивысшим усилительным коэффициентом.

В зависимости от области обхвата, появляется выбор, который связан между числом обустраиваемых антенн. При необходимости получения готового результата пределах нескольких метров, применяется 1 деталь, при этом в отдельных структурах обустраивается до 4 деталей.

Как обойти глушилку микронаушников
Чтобы безбоязненно использовать микронаушники на экзамене или зачете, стоит изначально выяснить, глушилка какого класса будет применена:
Так, скажем, от большинства подавителей связи поможет использование микронаушника в комплекте с рацией.
Это связано с тем, что противодействовать радиосвязи могут только самые лучшие профессиональные глушилки. Финансовых средств на покупку таких многопрофильных блокираторов у администрации зачастую не хватает.
Если же используется самый простой подавитель мобильной связи, который блокирует частоты формата GSM, то противодействовать ему можно с помощью переносного Wi-Fiроутера. Радиус действия данных устройств достигает сотни метров. И с помощью беспроводного интернета можно смело использовать не только микронаушник, но и микрокамеру.
Мобильный интернет при этом может быть отключен: на работу настроенного на интернет беспроводного смартфона это влияния оказываться не будет.
Что в итоге? Обойти заслон помех, поставленных глушилкой, теоретически, может и нельзя. Но на руку хитрым студентам и учащимся всех мастей играет скудный бюджет учебных заведений, который не позволяет покупать современные устройства, блокирующие все каналы связи.
Как действует мобильная глушилка микронаушников смотрите на видео:
https://youtube.com/watch?v=5f7EUtRs0vE
Обратите внимание на этот комплект:
Удобный капсульный микронаушник размером 8 мм и проводная гарнитура Hands Free. Хорошее качество передачи сигнала с мобильного телефона. Доступная стоимость.
Таким образом, имея настроенный на Wi-Fi смартфон, либо просто 2 рации, можно смело идти на экзамен без необходимых знаний в голове. Только помощник еще нужен сообразительный, но это уже совсем другая история.
Где сегодня используются глушилки – и как?
Сегодня их в основном покупают крупные компании, чтобы обеспечить конфиденциальность информации. Устанавливают глушилки в правительственных зданиях, объектах МВД и ФСБ, в тюрьмах.
В больницах глушат сигнал, чтобы правильно работала чувствительная электроника. По той же причине закупают гаджеты для исследовательских лабораторий и сервисных центров.
Нередко глушилки ставятся в кино и в театрах. Есть они даже в школах и университетах – чтобы никто не списывал с интернета на экзаменах.
Глушат они не только сигнал мобильных телефонов, но и «жучков», которые также работают через сотовые сети. Впрочем, от записи разговоров глушилки не оберегают (спойлер: но и такие приборы есть, читайте дальше).
Вы наверняка видели глушилки и в метро. Они установлены для борьбы с терроризмом. Даже если бомбу заложат, террорист не сможет подорвать её дистанционно. Не пройдёт сигнал.
Курьеры и дальнобойщики используют глушилки, чтобы не дать работодателю проследить за ними. По той же причине глушилки покупают и автоворы.
Другой вариант – использовать глушилку для вывода из строя сигнализации на авто или на здании. Или систему «умный дом», в которой устройства обмениваются данными по Wi-Fi.
Ещё есть глушилки – «антишансон». Это подавители радиоволн. Бесит музыка в такси? Включил незаметно в кармане, и наслаждаешься тишиной.
Кстати, если использовать плеер с FM-трансмиттером вместе с глушилкой, то можно заставить всю маршрутку слушать правильную музыку.
Разновидности
Кроме различия по размерам, подавители различаются по назначению, так встречается три популярных варианта:
- Стационарные;
- Компактные;
- Глушилки-чехлы.
Стационарные применяется практически на всех стратегических объектах, в метрополитене и т.п. Это крупные модели, которые обладают большой мощностью и дальностью действия. Чаще всего такие приспособления обладают десятью антеннами.
Используются только в профессиональных целях, при этом эксплуатируются ежедневно и без остановок. Государственные компании приобретают их для проведения секретных совещаний, а образовательные учреждения используют во время сдачи экзамена. Кроме этого, они находят применение в больницах и храмах.
Компактные глушилки мобильной связи предназначены для частного пользования. Представляют собой небольшой устройство, которое без проблем помещается в карман или рюкзак. Время работы таких приборов составляет всего 12 часов, при этом дальность действия всего несколько метров. Работа осуществляется от встроенного АКБ.
Такие модели могут использоваться при проведении переговоров, что позволяет сохранить информацию, только между теми лицами, которые присутствуют в кабинете и предотвратить распространение. Также, такие приборы применяются для проведения итоговых экзаменов на зачетах.
Обнаружить эту модель тяжело, потому что их легко замаскировать под незначительную, повседневную вещь. Например, некоторые маскируют их под кошелек или прячут в пенал.
Подавители в виде чехлов выпускаются индивидуально под смартфон. Главная его задача – скрыть нахождение абонента со всех карт и сделать невозможным слежку за ним. Такой вариант разрешен для использования без ограничений, главное, чтобы это был собственный телефон, а не украденный. В противном случае такие действия влекут за собой уголовное наказание. Конструктивная особенность таких устройств в том, что они блокируют связь и защищают пользователя от вредного излучения.
Из чего состоит глушилка?
Глушилка, как на фото состоит из определённых элементов:
- Генератор для регулирования напряжения, посредством которого убирается перенапряжение всей системы и предотвращения сгорания. Также он усиливает поток тока, при этом сохраняет работоспособность в целом системы при любом напряжении.
- Антенна. В данном приборе применяются разнообразные типы передающихся элементов, однако более подходящий SMA, который даёт максимальную территорию покрытия, а также функционирует в нужном частотном режиме.
- Усилитель. Определённая деталь схемы, которая несёт ответственность за подачу мощнейшего сигнала.
- Схема. В данный элемент входит генератор, а также катушка. Первый производит колебания, постепенно передающиеся на катушку.
Конструкцией предусмотрены и другие детали, благодаря которым она функционирует в разных режимах:
- помехи в функционирование приборов слежения, что даёт возможность устранить с экранов радаров телефон, либо машину;
- изменение сигнала таким образом, чтобы он передавал искажённые сведения.
Подобные гаджеты создать намного проблематичнее в связи с наличием определённой модели процессора.
Популярные статьи Игрушка шитьё влюбленная овечка носки
Что такое WI-FI глушилка: подробнее
Оборудование в компактном корпусе, которое работает на частоте 2.4 МГц. Дальность дистанции помех варьируется от 15 до 30 метров, в зависимости от модели. Позволяет контролировать беспроводные сети в заявленном радиусе, чтобы полностью обезопасить окружающее пространство. Практически вся шпионская аппаратура действует на частотах в диапазоне 2.4-2.5 МГц, глушилка обезвредит любой аппарат в заданном диапазоне частоты. Подключая данный аппарат, учтите, что беспроводные клавиатуры, мышки и другая техника bluetooth перестанет работать.
Придумали и изготовили первый прибор относительно недавно, в 2001 году, по заказу короля Иордании. Действующего короля очень раздражали телефонные звонки во время молитвы в храме. Он обратился к разработчикам в компанию Image Sensing Systems. Вскоре был представлен первый образец глушилки сотовой связи. С годами аппаратура усовершенствуется и используется в разных отраслях, в том числе и военной, чтобы обезопасится от прослушки и во избежание помех для самолетов и вертолетов. Сегодня, купить гаджет можно в специализированном офф-лайн или он-лайн магазине. Стоимость зависит от функционала качества внутренних компонентов. Не стоит гоняться за очень бюджетными глушилками, в 90% они перестают работать через месяц-два.
Где используются глушилки сигнала?
- В офисах крупных компаний, в переговорных залах. Обеспечит конфиденциальность встречи и предотвратит утечку информации.
- Медицинские заведения ставят такое оборудование, когда wi-fi сети мешают нормально функционировать медицинскому оборудованию.
- В кинотеатрах на закрытых и премьерных показах фильмов, чтобы уберечь сливание нового фильма в сеть.
- В учебных заведениях, чтобы ученики не отвлекались на просмотры сайтов или не могли находиться подсказки в Интернете.
- В жилых помещениях, чтобы заглушить wi-fi соседа.
Глушитель вай-фай может работать в любых условиях, когда использование беспроводного интернета запрещено или нежелательно. В радиусе действия блокируется работа устройств передающих или принимающих сигнал. Прибор включается в работу с помощью нажатия одной кнопки, не нужно дополнительно настраивать сигнал или устанавливать программное обеспечение.
Разновидности WI-FI подавителей
Приборы делятся на несколько групп в зависимости от комплектации и функций:
- Портативные.
- Стационарные.
- Мультичастотные.
Портативные глушилки выполнены в небольшом, легком корпусе. Внутри стоит аккумулятор, емкость которого напрямую влияет на время работы аппаратуры без подзаряда. Радиус действия карманных моделей до 10 метров.
Стационарные подавители — устанавливаются в основном в медицинских, учебных заведениях, для сохранения сигнальной тишины. Имеют большое покрытие — 30 метров и более.
Многочастотные блокираторы — подавляют любой тип сигнала, не только wi-fi. Работают от сети 220В. В таких аппаратах предусмотрена функция регулировки частоты диапазона и регулировка мощности подавления.
Как выбрать подавитель сигнала
Несколько критериев выбора, которые нужно учесть выбирая устройство:
- Размеры прибора, в зависимости от того, где будет использоваться, выбирайте портативный, карманный подавитель, с радиусом действия 10 метров — для собственного использования. Если нужен аппарат для офиса — рассматривайте стационарные модели.
- Радиус действия, учитывайте при выборе толщину стен в здании, удаленность устройства от источника, который нужно глушить.
- Количество рабочих частот, большинство блокируют не только вай-фай, но и GPS, GSM стандарты. За каждую частоту отвечает отдельная антенна на приборе, по желанию можно как отключать так и включать заглушку нужных сигналов.
- Емкость аккумулятора влияет на длительность работы прибора и качество блокировки сигнала, чем больше емкость, тем дольше будет беспрерывная работа.
Стоимость портативных приборов — от нескольких тысяч рублей. Можно выбрать индивидуальный подавитель сигналов по недорогой цене. Модели стационарные и мультичастотные дороже, но более функциональны.
Заметки
Сигналы старых моделей подавить легче, так как их рабочая мощность ниже. Поэтому, и радиус действия глушилки значительно расширится. Но, новые мобильные телефоны заглушить несколько сложнее.
Для мощных GSM глушилок стоит установить системы охлаждения, чтобы они не перегревались.
Обладая навыками, сноровкой и опытом в достаточной степени, а также имея доступ к необходимому оборудованию, можно запрограммировать ФАПЧ систему, это позволит регулировать работу заглушающего устройства.
Собственно, на этом все. Вся основная информация, которая нужна для того, чтобы понять, как именно создается GSM глушилка указана.
Для покупки портативных глушилок вам надо попасть в соответствующий раздел сайта.
Заместитель директора по развитию Керимов Ростислав.
Глушилки сотовых телефонов, как в быту называют подавители сигнала сотовой связи, являются доступным и надежным инструментом, с помощью которого можно предотвратить утечку информации различной степени значимости. В современном мире стали слишком распространены разнообразные приборы слежения, которые в значительной степени затруднили сохранение тайны коммерческой и другой информации, не предназначенной для всеобщего рассмотрения. Глушилки мобильных телефонов создавались специально для обеспечения конфиденциальности и нераспространения важных данных.
Также глушилки сотовых телефонов предназначены для поддержания установленного порядка пребывания в некоторых общественных местах: библиотеках, театрах, кинотеатрах и многих других, где правилами посещения установлено отсутствие несанкционированных звуковых сигналов. «СпецТехКонсалтинг» предлагает всем заинтересованным в подавлении сигналов сотовой связи приобрести глушилки мобильных телефонов в различных модификациях. Стоимость предлагаемого нами оборудования для подавления сигнала операторов сотой связи варьируется в зависимости от их технического уровня и возможностей.
Глушилки сотовых телефонов работают на различных частотах. Они способны создавать шумы, препятствующие возможности работы мобильных средств связи. В зависимости от мощности генератора шумов изменяется радиус действия оборудования для блокировки сигнала операторов сотовой связи. Чем мощнее генератор, тем большее пространство окажется заблокированным. Различают глушилки мобильных телефонов для использования в автомобилях и для помещений различной площади. Некоторые модификации предлагаемого «СпецТехКонсалтинг» оборудования для подавления сигнала операторов сотовой связи могут также качественно блокировать передачу данных через Wi-Fi.
В онлайн-каталоге «СпецТехКонсалтинг» можно найти оборудование для блокирования GPS сигнала. Например, модель GT-13С, относящаяся к компактным устройствам из серии портативных глушилок. Это устройство, благодаря внешней схожести с мобильным телефоном, небольшим размерам и современному дизайну, не привлекая лишнего внимания, способно обеспечить свободу перемещения своему владельцу, заблокировав GPS сигнал.
Современные глушилки сотовых телефонов имеют множество модификацийи предоставляют различные возможности своим владельцам. Если Вы рассматриваете возможность приобретения глушилки мобильных телефонов, но еще не определились, какую именно будет оптимально приобрести, обращайтесь к специалистам «СпецТехКонсалтинг», которые способны проконсультировать на профессиональном уровне и оказать всестороннее содействие в выборе оптимального оборудования для реализации системы безопасности корпоративной и личной. Использование современных возможностей предоставляет множество преимуществ для предотвращения утечки информации различного уровня значимости.
Как это работает
Самым популярным стандартом Wi-Fi является именно 2.4 ГГц. На этой частоте работает почти всё от пульта телевизора, до микроволновой печи. Вай-фай блокиратор, начинает отправлять сигналы сразу во все каналы. А их у данной частоты всего 13. Он поочередно начинает забивать каждый канал постоянными помехами.
Из-за этого пропадает связь полностью. Так как роутер и конечное устройство не может понять, кто именно ему отправляет сигнал – связь прерывается. Этим очень часто пользуются те же авто-угонщики, они блокируют сигнал закрытия дверей и просто садятся в открытую машину.
Но также это устройство применяют в крупных компаниях для блокировки всех радиочастот. В целях безопасности их применяют в полиции, ФСБ и армии. Иногда даже можно встретить такие устройства в университетах или школах на сдаче экзаменов.
Таким образом школьник или студент никаким образом не сможет списать или воспользоваться микронаушником. Он работает при подключении к мобильной связи, а она в свою очередь работает на той же частоте. В продаже их достаточно много, сразу скажу, что и стоят они дорого. Но применяются, в частности, точно не дома, а в крупных компаниях. Давайте посмотрим несколько устройств.
Подавитель и анти-трекер GPS
В последние годы стал широко распространенным еще один вид шпионской техники — GPS-трекеры. Они предназначены далеко не только для контроля за грузоперевозками, как часто заявляют производители. Их часто используют и силовые структуры, и частные детективы, и те же завистливые конкуренты, вплоть до криминальных структур.
Это совершенно миниатюрные приборы, спрятать которые легко и просто. А в итоге определенный человек будет находиться под такой автоматизированной слежкой. Вот почему стала разрабатываться и глушилка GSM-сигнала, своего рода анти-трекер.
Это такие определенный модули, которые не дают просчитать координаты нахождения человека или транспортного средства. Тот, кто следит, используя трекер, при этом увидит лишь «no data», либо данные не поступят к нему вообще.
Благодаря подавителям транспортному средству обеспечивается анонимность, и не допускается сбор личных сведений через каналы GPS.
Устройства способны успешно бороться со всякого рода шпионской техникой, которая может повредить любому человеку и в личной жизни, и в деловой сфере, а также целой организации. Поэтому в наших реалиях такими вещами пренебрегать нельзя, и необходимо стараться обезопасить себя, своих близких и сотрудников от шпионских гаджетов.
Смотреть галерею
https://youtube.com/watch?v=pFN1GffE9Jw
https://youtube.com/watch?v=_Oz8U_0mypI
Подавители и закон
Тем не менее надо иметь в виду, что, согласно российскому федеральному закону «О связи», все блокираторы связи подлежат обязательной регистрации и сертификации. Сертификат выдают сами производители устройств при покупке, а вот за процедуру регистрации несут ответственность владельцы устройств. Если она не пройдена, то эксплуатация прибора является противозаконным действием, за которое придется нести ответственность.
Но благодаря таким устройствам, можно защититься от различных подглядывающих приспособлений, которые имеют цель вторгаться в вашу личную жизнь. Обнаружить их порой нереально из-за миниатюрных размеров, но глушилки GSM вполне могут справиться с поставленной задачей.
https://youtube.com/watch?v=lCMm3TpvNXo
https://youtube.com/watch?v=hsjXDnxRwhM
Глушилка Bluetooth, 3G, Wi-Fi
Такое устройство обычно незаметно и действует на определенных частотах. При этом на сотовом телефоне при работе прибора обычно высвечивается что-то наподобие «сеть не найдена», «нет сигнала» и прочее. А если она и установилась с каким-то приспособлением, то через несколько секунд прерывается. Тогда никакие шпионские средства не смогут подслушивать и ловить сигналы.
Глушилки GSM телефонов или Wi-Fi не излучают мощного шума, радиосигнала. Поэтому бытовые устройства как работали, так и продолжают работать.
Высокочувствительная шпионская техника может устанавливаться где угодно: в офисах, автомобилях, квартирах, саунах и так далее. Связь происходит на определенных частотах. Обычные детекторы часто не справляются с задачей и не способны «вычислить» современную шпионскую технику. А вот глушилки, разработанные с учетом возросших условий и требований, могут «обезвредить» пространство.
Устройство подавителя сотовой связи: из чего состоит прибор
Если говорить о готовом приборе, то его основными деталями можно назвать:
- генератор напряжения;
- усилительный каскад;
- источник искажений волны;
- надстроечная схема;
- антенна.
На первый взгляд всё просто – есть детали, и их требуется собрать воедино. Однако, как и в любой другой работе, здесь есть несколько нюансов, которые нельзя игнорировать.

ФОТО: handmade32.ru Вот такая маленькая плата полностью исключает возможность связи по сотовому телефону
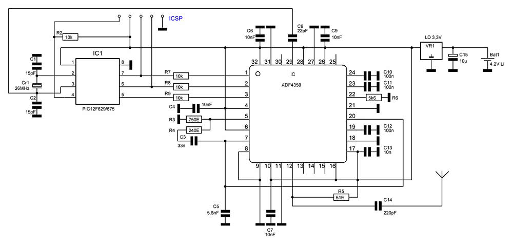
Схемы для сборки глушилок сотовых телефонов своими руками
В сети можно найти множество различных схем для сборки глушилок сотовой связи своими руками. Они могут отличаться по степени сложности. Следует понимать, что чем проще схема, тем меньшими возможностями будет обладать собранный подавитель.

ФОТО: qrz.ru Схема глушилки GSM-сигнала может выглядеть так
Если начинающий радиолюбитель хочет попрактиковаться, то лучше всего выбрать наиболее простые варианты. К тому же не стоит забывать и о законодательстве нашей страны, согласно которому подобное оборудование подлежит регистрации. Это значит, что, собрав сложную схему и «погасив» связь во всём подъезде или доме, можно запросто нарваться на серьёзные неприятности.

ФОТО: mssglonass.ru А это уже схема подавителя сигнала ГЛОНАСС, которую можно назвать более сложной





