Какой подогреватель двигателя лучше поставить
При выборе подходящего подогревателя необходимо ориентироваться на место, где эксплуатируется автомобиль.
При использовании транспортного средства в условиях города и наличии доступа к бытовой сети можно использовать недорогие модели с подключением к 220 В.

При частом выезде за пределы города, к примеру, при использовании транспорта вдали от городских условий, необходимо отдать предпочтение автономным моделям.
Это актуально для больших грузовиков и автобусов, которые перемещаются на дальние расстояния, а так же для удаленных северных регионов России.
При этом нужно правильно ориентироваться в производителях и тонкостях монтажа.
Лучшие производители на российском рынке
Высокий спрос на подогреватели двигателя неизбежно привел к расширению рынка и появлению многих производителей.
Сегодня работает не менее десятка крупных компаний, предлагающих свою продукцию на территории России.
К основным можно отнести:
- ЗАО «Лидер» — завод-изготовитель с российской «пропиской». Ведет деятельность с 1993 года. Основным направлением является производство предпусковых обогревателей электрического типа.
- Бинар — коммерческое предприятие, созданное в 1989 году в г. Саров. Занимается выпуском продукции для автомобилей, является победителем многих рейтингов. Представляет большой модельный ряд предпусковых устройств для дизелей, с помпой или без нее.
- Airline — еще один известный бренд, выпускающий отопительный устройства с большим выбором по мощностям. Отличается равномерностью подогрева системы в холодную погоду, способствует повышению надежности двигателя.
- Лунфэей — китайский производитель, занимающийся выпуском подогревателей, пользующийся большим спросом в России. Продает отопительную продукцию и аксессуары для машины во многие страны. Применяет материалы высокого качества и использует современные технологии во время работы.
- Орион — отечественный производитель, ориентированный на производство подогревателей для двигателя, работающих на электрическом принципе. Выпускает широкий спектр моделей с разными мощностями, отличающимися мгновенным пуском. Продукция завода продается не только в России, но и в других странах.
- Номакон — завод, выпускающий девайсы для нагрева топливной системы, способных работать кратковременно или на постоянной основе. Являются универсальными, подходят для автомобилей разных марок / моделей. Продукция бренда поставляется во многие страны Европы.
- Северс — российский производитель, выпускающий надежную и качественную продукцию. Изделия бренда отличаются гарантированным и легким пуском, высоким качеством комплектующих, встроенной защитой и простотой установки.
- Теплостар — компания, занимающаяся выпуском отопительных устройств для машин разной мощности. Устройства делаются из материалов высокого качества, продаются во многие страны, гарантируют бесперебойность работы машины даже в холода.
- Адверс — самарский производитель, выпускающий качественные предпусковые подогреватели с помпой или без нее, для дизеля или бензина. Выпускаемые устройства имеют разную мощность, отличаются надежностью и легкостью запуска.
- Вебасто — завод-изготовитель родом из Германии, активизирующий быструю работу машины. Производитель выпускает устройства для многих моделей, а эффективность подтверждена практикой применения даже при «минусовой» температуре. Продукция бренда продается во многих странах мира.
Некоторые модели подогревателей от перечисленных выше производителей вошли в наш рейтинг, что упрощает выбор устройства.
Вариант №3: «грелка» для рук
Для того чтобы спастись от холода при помощи этого обогревателя, достаточно иметь заряженный автомобильный аккумулятор.
Приготовьте следующие изделия:
- большую металлическую банку из-под кофе (диаметром около 100 мм и высотой примерно 200 мм);
- патрон от автомобильного стоп-сигнала с лампочкой для него мощностью 25 Вт (имеет фиксатор байонетного типа);
- плавкий предохранитель на 2 А;
- провода;
- деталь в форме буквы «П» от детского конструктора;
- два винта М2,5 с гайками (можно позаимствовать из того же конструктора).
Инструментарий понадобится более чем скромный:
- дрель с набором сверл;
- паяльник и припой для него.
Начинаем мастерить:
- Банку из-под кофе превращаем в решето – высверливаем в ее стенках множество отверстий диаметром 3 мм. Подобное отверстие нужно просверлить в самом центре днища емкости.
- Патрон от лампы прикручиваем с одной стороны к П-образному кронштейну от детского конструктора, после чего другой стороной этот кронштейн следует прикрутить к днищу банки (для этого мы и сверлили отверстие в его центре).
- В стенке банки напротив патрона просверливаем еще одно отверстие, диаметр которого должен составлять примерно 7 мм. В нем следует закрепить гильзу из любого токонепроводящего материала. В гильзу продеваем 2-жильный провод с сечением жил не менее 1 кв. мм, который нужно подключить к патрону (кронштейн для этого придется временно открутить).
- Вернув кронштейн на место, вкручиваем в патрон 25-ваттную лампочку и закрываем банку крышкой.
- Остается подключить обогреватель к аккумулятору через 2-амперный предохранитель.
Время разогрева для этого обогревателя составляет примерно 10 мин
Греть на нем руки следует с осторожностью, так как температура металлической банки становится достаточно высокой
Разумеется, самодельным электрообогревателем, пусть даже таким маломощным, нельзя пользоваться в помещении, наполненном горючими газами и испарениями. Также его следует убирать подальше от легковоспламеняющихся материалов.
Следите за уровнем заряда аккумулятора. Если напряжение на его клеммах упадет до 10 В, обогреватель нужно срочно отключить. Если этого не сделать, аккумулятор необратимо испортится.
Идея N1: Изготовление локального мини-обогревателя
Для такой конструкции вам потребуется два кусочка стекла прямоугольной формы, металлическая фольга, парафиновая или стеариновая свеча, деревянный брусок (или брусок из другого диэлектрического материала), электрический шнур с вилкой, листовой металл для контактов.
Порядок изготовления такого мини обогревателя следующий:
- Возьмите два одинаковых кусочка стекла прямоугольной формы, в данном примере используются размеры 4×6 см, но это не критично, можно брать и другое соотношение, главное, чтобы площадь была около 25 см 2 . Очистите и обезжирьте их поверхность.
- При помощи зажженной свечи аккуратно нанесите слой копоти на одну поверхность стекла. Следите за равномерным покрытием и распределением сажи, так как она будет выступать в роли токопроводящего материала.
Рисунок 1: элементы для изготовления обогревателя
- При помощи ватки или ушной палочки очистите край закопченного стекла, приблизительно на 5 мм.
- Отрежьте кусочек фольги такой же ширины, как поверхность стекла, покрытая копотью. По длине она должна выступать на 3 – 4 см за край стекла. Положите фольгу на стекло.
- Намажьте край стекла герметиком и совместите две половинки вместе с фольгой между ними.
Рис. 2: совместите два стекла
Края фольги загните под стекло на одну сторону.
На деревянном бруске закрепите металлические контакты и припаяйте к ним концы электрических проводов с вилкой. Установите стекла на брусок – отопительный прибор готов.
Рис. 3: закрепите контакты на деревянном бруске
Следует отметить, что максимальная температура такого обогревателя должна составлять около 40ºС. Естественно, отапливать дом, дачу, гараж таким самодельным обогревателем не получится, он подойдет для обогрева палаток, рабочей области перед верстаком или другого пространства непосредственно перед рабочей поверхностью. Если устройство греется слишком сильно, вам потребуется уменьшить сопротивление токопроводящих элементов, для этого можно использовать более толстую фольгу или увеличить толщину сажи.
https://youtube.com/watch?v=smPO8voGa4Q
https://youtube.com/watch?v=HH8wguyCTRM
https://youtube.com/watch?v=dOiX83vYnMo
Идея N3: Масляный нагреватель
Так как техническое масло обладает хорошими теплопередающими функциями, его широко используют в обогревателях. Такой масляный обогреватель вы можете собрать самостоятельно на дому. Для этого вам понадобится старый радиатор отопления (чугунная или биметаллическая батарея, регистр или другая трубчатая конструкция), ТЭН трубчатого типа, непосредственно само масло в качестве теплоносителя, герметичные пробки для размещения ТЭНа.

Рис. 11: Пример использования БУ регистра
Чтобы максимально обезопасить работу масляного прибора, его можно дополнить датчиком нагрева, размыкающие контакты которого подключены в цепь питания.
Процесс изготовления масляного радиатора заключается в следующем:
Возьмите старый радиатор, важно, чтобы он был заменен по причине модернизации системы, а не из-за нарушения целостности корпуса. Желательно самому убедиться в этом путем заливки жидкости или хотя бы посредством внешнего осмотра
Рис. 12: Возьмите старый радиатор
Подготовьте в обогревателе два отверстия – под ТЭН и для заливки масла. Первое отверстие обязательно должно оснащаться резьбой и располагаться в нижней части, чтобы нагретые массы поднимались вверх. Второе отверстие удобнее располагать в верхней части, при вводе обогревателя в работу его также придется герметизировать. Помимо этого можно изготовить отверстия для слива масла и для клапана аварийного сброса давления. Рис. 13. Подготовьте два отверстия
Закрутите нагревательный ТЭН в отверстие на радиаторе. При выборе конкретной модели ТЭНа важно убедиться, что диаметр резьбы подходит по диаметру отверстия, а в комплекте имеются прокладки из маслостойкой резины. Рис. 14: закрутите ТЭН в нижнее отверстие
Еще один важный момент – диаметр ТЭНа должен быть таким, чтобы он ни в коем разе не касался стенок радиатора. Для герметизации используются подкладки, специальные составы и пакля.
- Если вы оставили горловины для сброса масла и под установку датчиков, установите в них соответствующее оборудование. Проведите герметизацию всех отверстий, которые не будут задействованы в дальнейшем, оставьте только горловину для заливки масла.
- Залейте в обогреватель техническое масло примерно 85% от общего объема. Запас в 15% необходим для свободного пространства, которое займет жидкость после нагревания и температурного расширения. Ни в коем разе не заливайте масла впритык. Закройте горловину для заливки масла.
Рис. 15: закройте горловину для заливки масла
- Заземлите обогреватель на контур заземления.
Следует отметить, что для увеличения срока службы такого устройства следует подбирать тэн в соответствии с материалом корпуса. Иначе, из-за большой разности напряжения выхода частиц этих металлов будет происходить разрушение элементов. Также заметьте, что обогреватель будет иметь приличный вес, поэтому желательно обеспечить ему надежную фиксацию в пространстве или изготовить конструкцию для удобства перемещения.

Рис. 16: Конструкция для перемещения на колесиках
Особенности монтажа
Особенности монтажа для разных типов подогревателей двигателя отличается, многое зависит от производителя и конструктивных особенностей устройств, вида применяемого топлива, а также модели автомобиля.
Как правило, в комплекте уже идет все, что необходимо для монтажа, а также прилагается инструкция.

ВАЖНО: нижеизложенный материал не является инструкцией, он позволит только ознакомится с общими принципами монтажа подогревателей, чтобы сориентировать читателя на дальнейшую работу.
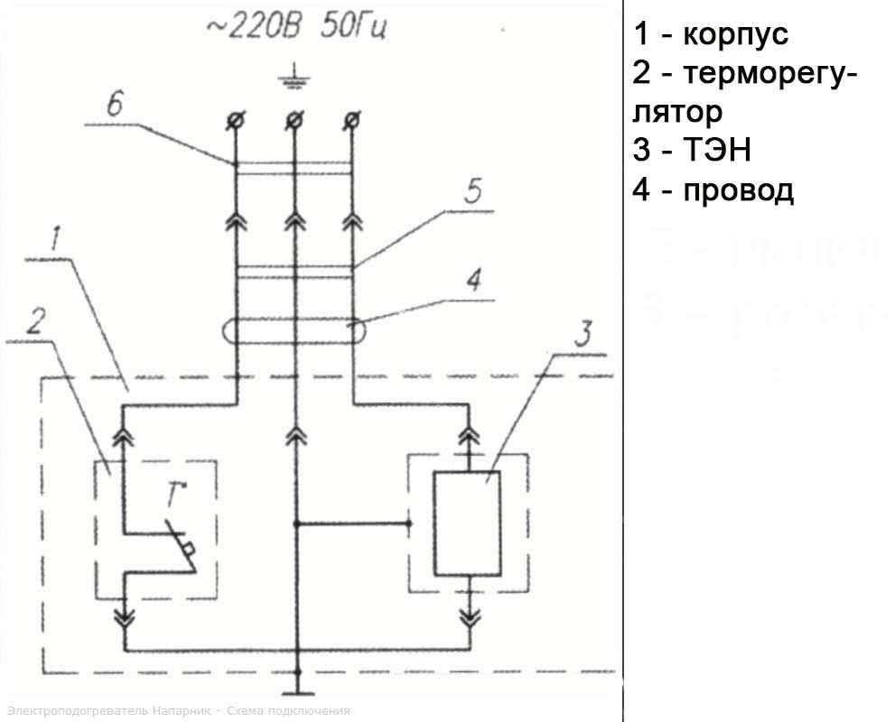
Электрических на 220 В
Перед установкой нужно осмотреть комплект, изучить инструкцию и найти рядом розетку.
Последний фактор вынуждает выполнять работу ближе к гаражу или другому месту, где есть возможность подключиться к 220 В.
Ниже рассмотрим установку подогревателя двигателя, изготовленного самостоятельно.
Общий алгоритм такой:
- Соберите комплект. Чаще всего в него входит ТЭН, арматура и фитинги.
- Купите тройник для трубы на один дюйм (стандартный). Его можно найти в любом магазине сантехники. Здесь же продается и ТЭН, который нужен для нагрева агрегата. Лучше брать нагреватель со встроенным термостатом на 1500 Вт.
- Установите ТЭН в торец тройника, а с другого конца подключите 10-сантиметровую трубу. Она нужна для более быстрого прогрева системы.
- На незадействованный выход и конец трубы поставьте заглушки для последующего подключения трубок.
- Полученную деталь подсоедините к системе циркуляции ОЖ в машине. Для этого найдите точку выхода к печке и в разрыв вмонтируйте самодельный узел.
- Подключите к контактам ТЭН провод требуемого сечения.
- Поставьте насос, чтобы при отключении силового агрегата рабочая жидкость продолжала циркулировать.


Установка помпы осуществляется перед ТЭНом с помощью разомкнутого реле или с применением простой розетки. Используйте насос от Газели, который отличается лучшей функциональностью и не сильно ударит по карману.
https://youtube.com/watch?v=FgiFfHW6UpQ
При отсутствии навыков выполнения такой работы можно купить уже готовый комплект.
В таком случае внутри должна быть подробная инструкция по монтажу. Учтите, что при отсутствии опыта и самостоятельной работе высок риск навредить двигателю авто.
Монтаж автономных жидкостных
Отдельно рассмотрим особенности установки для автономных подогревателей двигателя на примере Webasto Thermo Top.
ВАРИАНТЫ УСТАНОВКИ:
Врезка предпускового подогревателя в систему охлаждения автомобиля осуществляется одним из рассмотренных ниже способов:
- Универсальный. Подразумевает подключение подогревателя в разрыв между двигателем и радиатором отопления салона. Плюс метода состоит в быстро нагреве воздуха внутри машины. Антифриз, поступающий в рубашку охлаждения мотора, успевает остыть. Следовательно, на нагрев силового агрегата нужно больше времени.
- Монтаж во вторичный контур. Подразумевает врезку подогревателя в разрыв между двигателем и радиатором отопителя с параллельным размещением обратного клапана. Такая особенность позволяет поставить отопитель ближе к радиатору для снижения теплопотерь.
- Установка в большой жидкостный контур. Такой вариант исполнения способствует лучшему прогреву салона с минимальными потерями в большом контуре.
- Монтаж с ориентацией на первичный нагрев двигателя. Больше подходит для быстрого нагрева агрегата.


Что такое подогреватель тосола, установка и проверка устройства
Идея N4: Обогреватель со спиралью
Классический вариант обогревателя спирального типа подразумевает включение нагревательных спиралей в сеть. В качестве основания для установки спирали в таких моделях использовались термоустойчивые диэлектрики. Но это довольно простые варианты, поэтому в рамках данной статьи мы рассмотрим принцип изготовления устройства, которое по своим характеристикам не уступает газовому обогревателю. В нем используется тот же принцип, что и в тепловой пушке, но с меньшей теплоотдачей.
Для изготовления вам понадобиться нагревательная спираль, электрический вентилятор, металлическая труба или коробка для корпуса, диэлектрический термостойкий каркас, шнур питания. Процесс изготовления обогревателя включает в себя такие этапы:
Обрежьте асбоцементную трубу нужной длины (в данном примере она будет использоваться для изготовления несущего каркаса). Рис
17: обрежьте трубу нужной длины
Просверлите в трубе несколько отверстий с разных сторон, чтобы в них можно было просунуть нихромовую спираль.
Заведите в отверстия спираль, в данном примере они выполнены в форме решетки, но это не принципиально, важно чтобы нагревательные элементы имели разный угол наклона. Рис
18: положение спирали в трубе
Если вы собираете несколько кусков спирали, соедините их между собой на внешней стороне трубы.
- С одной стороны трубы поместите вентилятор для нагнетания воздушного потока. Направление лопастей должно обеспечивать движение воздуха к спиралям, протянутым в трубе. Расстояние от вентилятора до нагревательного элемента должно обеспечивать безопасную работу, чтобы лопасти не расплавились. Для дополнительного охлаждения вентилятор и асбестовую трубу можно разделить в корпусе.
Рис. 19: разделение вентилятора и трубы с нагревателем
- Заизолируйте места электрических соединений как от вентилятора к питающему шнуру, так и от нихромовой спирали. Для изоляции спиральных соединений можно использовать миканитовую ленту, которую наматывают прямо на асбестовую поверхность.
- Готовый обогреватель поместите в наиболее подходящий корпус. В данном примере для защиты от случайного прикосновения к спирали, перед трубой, устанавливается дополнительная решетка.
Следует отметить, что мощность вентилятора не должна быть слишком большой, чтобы спирали успевали разогреться. На практике вы должны добиться эффекта дуйчика, а производительность обогрева можно регулировать длиной спирали. Также асбестовую трубу внутри желательно покрыть термоустойчивым лаком, чтобы частицы асбеста не попадали в воздух. Корпус обогревателя не лишним будет заземлить на контур заземления.
В холодное время года потребность в тепле особо возрастает. Но далеко не каждый хозяин имеет возможность приобрести обогреватель заводского образца. В том, чтобы собрать обогреватель своими руками, нет ничего сложного.
Предлагаем вашему вниманию четыре варианта создания обогревательного прибора из подручных средств, который будет прекрасно справляться с возложенной на него задачей. Мы подробно описали процесс изготовления самоделок. Описали принцип действия и особенности эксплуатации.
К пошаговым руководствам мы приложили схемы, фото-подборки и видео-инструкции.
Вариант №1: обогреватель для автомобиля
Конечно, в исправном автомобиле 12-вольтовый электрообогреватель, мягко говоря, ни к чему. Но все может быть: случается, что печка отказывается работать в самый “подходящий” момент, и автолюбитель, сидящий внутри неутепленной металлической коробки, остается с лютым морозом один на один. Также самодельный обогреватель на 12 в может понадобиться при поломке системы обогрева заднего стекла.
- компьютерный блок питания;
- кулер (маленький вентилятор): его можно извлечь из того же блока питания;
- паяльник со всем необходимым для пайки;
- провод;
- фрагмент кафельной плитки;
- болты М5 с гайками того же диаметра (8 штук);
- проволока из нихрома.
Если все готово, можно приступать к созданию самодельного обогревателя.
Изготовление корпуса
В первую очередь, компьютерный блок питания нужно разобрать на составляющие. Разборку осуществляем в полном объеме: снимаем зафиксированную саморезами электронную плату, кулер, а также разъемы и переключатели (в процессе работы обогревателя они могут стать источником неприятного запаха).
Изготовление нагревательных элементов
Чтобы сделать нагревательный элемент, не нужно «изобретать велосипед»: в этом качестве будем использовать нихромовую спираль – такую же, какая установлена в любом ТЭНе. Нихром (сплав никеля и хрома) является проводником, но при этом обладает значительным электрическим сопротивлением, поэтому при пропускании через него электротока сильно греется.
Спирали изготавливаются путем наматывания нихромовой проволоки на любой стержень цилиндрической формы.
Важно так подобрать сопротивление нагревательных элементов и схему их подключения (параллельно или последовательно), чтобы обогреватель не перегружал бортовую электросеть. В противном случае работа прибора будет сопровождаться всякого рода нежелательными явлениями, например, недостаточной подзарядкой аккумулятора
В противном случае работа прибора будет сопровождаться всякого рода нежелательными явлениями, например, недостаточной подзарядкой аккумулятора.
Автомобильный обогреватель
В качестве примера рассмотрим автомобиль марки Daewoo Sens. Установленный в нем электрогенератор рассчитан на ток силой в 70 А. В таких условиях допустимо использовать электрообогреватель, потребляющий ток в 10 – 15 А – такая нагрузка для бортовой электросети будет практически незаметной.
Готовые нихромовые спирали нужно прикрутить к обрезку кафельной плитки при помощи болтов М5 и таких же гаек. Кафель для этого придется просверлить.
Плитку с нагревателями нужно закрепить в корпусе от блока питания таким образом, чтобы установленный на свое место кулер обдувал ее, выгоняя теплый воздух в салон автомобиля. В итоге мы получим 12-вольтовый тепловентилятор.
Чтобы материал не раскрошился, на него в месте сверления нужно наклеить скотч или пластырь, при этом сверло должно вращаться с минимальной скоростью.
Сборка обогревателя
На этапе сборки монтируются кулер и крышка.
После чего к обогревателю подключаются все провода.
Их сечение должно соответствовать расчетной силе тока.
В медном проводе на каждые 10 А должен быть 1 кв. мм сечения, в алюминиевом – 1,25 кв. мм.
Не путайте диаметр жилы с площадью ее сечения – для проводов малого диаметра эти величины очень похожи.
Также в цепь прибора нужно врезать плавкий предохранитель, который опять же подбирается в зависимости от рассчитанной силы тока.
Установка
Несмотря на скромное напряжение, самодельный обогреватель потребляет внушительный ток и разогревается достаточно сильно. Во избежание аварийных ситуаций крепить его нужно надежно, чтобы во время движения автомобиля прибор случайно не упал.
Замена неисправной заводской системы отопления
Если вы планируете использовать только 12-вольтовый автомобильный обогреватель, когда двигатель в вашем автомобиле работает, значит, вы на правильном пути. Поскольку двигатель работает, вы можете безопасно запускать нагреватель без слива батареи. Это единственный возможный способ использования 12-вольтового нагревателя в автомобиле, а также единственный способ использования электромобиля в качестве прямой замены неисправной заводской системы отопления.
В отличие от заводских систем, которые полагаются на горячую охлаждающую жидкость от двигателя, 12-вольтовый нагреватель обеспечит тепло в тот момент, когда вы его включите. Тем не менее, он также будет потреблять гораздо больше энергии от электрической системы автомобиля, чем заводская система, которая требует только электроэнергии для запуска двигателя вентилятора
Также важно помнить, что ни один нагреватель на 12 вольт не будет обеспечивать такое же количество тепла, как ваш заводской нагреватель
Если это то, что вам нужно, тогда вы будете более довольны заменой универсального автомобильного обогревателя, который захлопывает систему охлаждения и заменяет заводской нагреватель.
Первые шаги: подготовка ручки-корпуса будущего паяльника
Для начала был взят деревянный черенок (лучше брать берёзу или клён), обточен «под руку» и зашлифован. Форму ему можно придать любую, но для первого раза я не стал делать лишнюю работу. Слишком длинным его также не следует делать, хотя, это дело вкуса.
Деревянный черенок, который будет использован в качестве ручки
Далее в работу вступила дрель с толстым сверлом, на котором при помощи изоленты я обозначил ограничитель отверстия. Глубины в 2-3 см для мини-паяльника на 12 В было вполне достаточно. Проделанное по центру ручки с торца отверстие будет служить для установки гнезда питания и протяжки проводов к нагревательному элементу.
С обратной стороны было просверлено идентичное отверстие, которое послужит для установки жала паяльника.
Высверливаем одинаковые отверстия с двух сторон ручки паяльника
Подготовка пазов для питающего провода
На расстоянии 2-3 см от того края, где планируется установить гнездо для питающего штекера, делаем разметку для двух отверстий (по противоположным сторонам). Для удобства замера расстояния можно использовать то же сверло с отмеченной изолентой глубиной. Определив места расположения отверстий при помощи маркера, снова берёмся за дрель, но с уже более тонким сверлом.
Отмечаем точки сверления отверстий под провода
Засверливание под провода следует производить под небольшим углом – так их впоследствии будет проще протянуть. В итоге должно получиться так, чтобы провод входил с торца и под небольшим изломом прокладывался далее, к обратному концу рукоятки, на которой будет расположено жало паяльника.
Высверливаем более тонкие отверстия под углом для упрощения протяжки проводов
Теперь необходимо сделать так, чтобы тянущиеся от гнезда питания вдоль ручки провода не мешали при работе с паяльником. Для этого, от отверстий до того края, где будет расположено жало, я прорезал пазы. Сделать это несложно при помощи обычного канцелярского ножа. Конечно, если бы рукоятка делалась из сосны, резать по волокнам было бы гораздо проще, однако такой материал был «отметён» сразу. Причиной тому стало то, что дополнительное покрытие ручки не планировалось, а значит, была вероятность того, что руки при работе могут испачкаться в смоле.
Самодельные маломощные устройства
Описанные выше модели подходят лишь для локального обогрева. Чтобы отопить комнату, необходимо соорудить более мощный обогреватель, технологию изготовления которого рассмотрим ниже.
Вариант #1. Создание масляного прибора
Сделанный собственными руками масляный обогреватель имеет высокий КПД и к тому же является достаточно функциональным и безопасным. Принцип работы прибора построен на том, что расположенный внутри корпуса ТЭН прогревает находящееся возле него масло, в результате которого активизируется конвекционное движение потоков.
Для обеспечения плавной настройки мощности прибор оснащают реостатом или дискретными переключателями. Чтобы автоматизировать процесс, дополнительно устанавливают термостат и датчик опрокидывания.
Чтобы сделать масляный обогреватель нужно заранее подготовить:
- ТЭН мощностью в 1кВт (для помещения площадью в 10 квадратов);
- прочный и герметичный корпус, конструкция которого полностью исключает утечку жидкости;
- чистое и термостойкое техническое масло берется из расчета в 85% от общего объема корпуса;
- устройства управления и автоматики – подбираются в соответствии с общей мощностной нагрузкой прибора.
Видео
https://youtube.com/watch?v=u6Ked8q6nNM
Это первый этап покрытия, второй после 10 минутного подсыхания. Можно в принципе и не делать, всё решает визуальный контроль при помощи увеличительного стекла. Витки нихрома не должно быть видно.
Почти готовый нагревательный элемент (осталась просушка), длина 15 мм, диаметр 2 мм. Оптимальное напряжение питания 12 В, мощность 8 Вт. Просушка – на горячую батарею отопления, на следующий день подключил к БП подал напряжение достаточное для нагрева до 50 градусов (контроль мультиметром в режиме измерения температуры) – дал остыть и разогрел до 100 градусов, потом ещё до 150. Можно ставить по месту, эксплуатационные испытания на следующий день.
Виды предпусковых подогревателей
Конструктивно и по принципу действия подогреватели бывают трех видов:
- Электрические. Подключаются к обычным розеткам и работают от сети 220 В.
- Автономные жидкостные. Требуют питания от бортовой сети на 12 и 24 В. Устанавливаются в моторном отсеке, работают на ДТ, газе или бензине. Принцип работы построен на воспламенении топливовоздушной смеси в камере сгорания устройства с последующим движением нагретой охлаждающей жидкости (ОЖ) по определенному кругу.
- Тепловые аккумуляторы. Работают на принципе накопления прогретой ОЖ в термосе системы с сохранением заданной температуры в течение 48 часов. В процессе пуска нагретая жидкость идет по малому контуру системы, нагревает основной антифриз на 15-20 градусов.
Тепловые аккумуляторы не рассматриваются в нашей статье из-за редкого применения на автомобилях.
Радиационные против конвективных 12-вольтовых автомобильных обогревателей
Два основных типа 12-вольтовых автомобильных обогревателей являются излучательными и конвективными, и каждый из них имеет свои сильные и слабые стороны. Масляные нагреватели попадают в конвективную категорию, и они являются самыми безопасными в автомобилях, грузовиках, рекреационных транспортных средствах и других плотно закрытых пространствах.
Конвективные нагреватели, такие как маслонаполненные агрегаты, переносят тепло в окружающий воздух, который затем поднимается из-за того, что горячий воздух менее плотный, чем холодный воздух. Это заставляет холодный воздух спешить, чтобы заполнить пустоту, которая, в свою очередь, поднимается и тянется в более холодном воздухе. Этот цикл называется конвекцией, откуда и возникает название этого типа нагревателя. Поскольку конвекция зависит от замкнутого объема воздуха, эти нагреватели хорошо работают в транспортных средствах, которые запечатаны.
Хотя заполненные маслом конвективные нагреватели относительно безопасны для использования в замкнутых пространствах, некоторые конвективные нагреватели используют нагревательные элементы, которые могут представлять опасность горения.
Радиационные нагреватели также используют нагревательные элементы, но они не нагревают воздух вокруг себя. Вместо этого эти нагревательные элементы излучают инфракрасное излучение. Когда это инфракрасное излучение попадает на поверхность объекта, оно вызывает нагревание объекта. Это делает радиационные нагреватели превосходными при обеспечении тепла в слабоизолированных средах, таких как автомобили, но это также означает, что они фактически не нагревают воздух внутри вашего автомобиля. Некоторые радиационные нагреватели также опасны для использования в плотно закрытых помещениях из-за рисков горения, создаваемых их нагревательными элементами.
Какие требования предъявляются обогревателю для гаража
Поскольку помещение гаража не отличается большим размерами и редко когда имеет систему вентиляции, то собранный обогреватель для гаража своими руками должен отвечать определенным требованиям безопасности при эксплуатации в помещениях закрытого типа.
Требования к обогревателю:
Стеклотекстолит для обогревателя
- В первую очередь, работа подобной конструкции должна полностью исключать риск возникновения пожара или взрыва.
- При работе обогреватель не должен выделять токсических веществ и запахов, опасных для здоровья человека.
- Обогреватель не должен снижать влажность воздуха и сжигать кислород.
- Самодельный прибор должен быстро нагревать помещение гаража до определенной температуры.
- Температурный режим должен поддерживаться обогревателем в течение нужного времени.
- Ввиду малой площади гаража, самодельный прибор не должен занимать много места и быть компактным и удобным для его перемещения.
- И. конечно, изготовление самодельного обогревателя по стоимости должно быть много меньшим, чем его заводской аналог.
- Электропроводка в гараже должна быть исправной, а счетчик должен быть оборудован автоматом – предохранителем.
- Если электрическая розетка находится далеко от предполагаемого места расположения обогревателя, то следует приобрести удлинитель — переноску.
- Ни в коем случае нельзя оставлять включенный обогреватель на длительное время без присмотра, например, на всю ночь с тем, чтобы утром зайти в теплый гараж. Можно остаться и без гаража, и без машины.
Это даст возможность поддерживать тепло в гараже длительное время в соответствии с погодными условиями за стенами гаража, одновременно экономя электричество. В качестве подобного элемента можно использовать терморегуляторы из бытовых приборов, старых утюгов, чайников, электрических плит или стиральных машин и тому подобных приборов.





