Индукционные датчики следующего поколения
Благодаря новым разработкам в этой области, были созданы усовершенствованные модели индукционных датчиков следующего поколения. Принцип работы остался прежним, однако подверглась тщательной переработке конструкция устройства. В результате датчики теперь оснащаются тонкими платами, распечатанными на 3D-принтерах, и современной цифровой электроникой. Кроме того, их производят на гибких подложках, что избавляет от необходимости использования традиционных кабелей и разъемов. Так что пользоваться устройствами можно даже в тяжелых погодных условиях.
К преимуществам новых разработок можно отнести следующее:
- снижение стоимости и веса, более компактные размеры;
- возможность выбора практически любых форм-факторов;
- повышение точности реагирования на металлические объекты;
- возможность проведения замеров, связанных со сложной геометрией, в двух или трех измерениях;
- упрощение конструкции;
- возможность устанавливать несколько индукционных датчиков близко друг к другу из-за высокой электромагнитной совместимости.
Драйвер полевого транзистора
Если всё же требуется подключать нагрузку к n-канальному транзистору
между стоком и землёй, то решение есть. Можно использовать готовую
микросхему — драйвер верхнего плеча. Верхнего — потому что транзистор
сверху.
Выпускаются и драйверы сразу верхнего и нижнего плеч (например,
IR2151) для построения двухтактной схемы, но для простого включения
нагрузки это не требуется. Это нужно, если нагрузку нельзя оставлять
«висеть в воздухе», а требуется обязательно подтягивать к земле.
Рассмотрим схему драйвера верхнего плеча на примере IR2117.
Схема не сильно сложная, а использование драйвера позволяет наиболее
эффективно использовать транзистор.
Расчёт транзисторного ключа
Рейтинг: 5 / 5
- Подробности
- Категория: Практические советы
- Опубликовано: 27.11.2019 13:45
- Просмотров: 2513
Для транзисторного ключа не нужно рассчитывать точное значение коэффициента усиления. При слишком большом коэффициенте усиления транзистор переходит в режим ограничения тока и выходной ток будет определяться сопротивлением нагрузки. Поэтому достаточно определить только минимальный коэффициент усиления по току. Рассчитаем этот коэффициент. Пусть для индикаторной лампы требуется ток 120 мА, а цифровая микросхема может выдать ток единицы около 4 мА (этот ток определяется по справочнику или datasheet на выбранную микросхему). Тогда минимальный коэффициент усиления h21э можно определить по формуле:
h21э=Iк/Iб Iк — ток колектора Iб — ток базы В нашем случае ток коллектора равен току, протекающему через лампу, а ток базы — это максимальный допустимый выходной ток цифровой микросхемы (Iвых1). Делим 120 мА на 4 мА. Получаем минимальный коэффициент усиления по току, равный 30. То есть в данном случае подойдёт практически любой маломощный транзистор, например КТ3107
Теперь следует обратить внимание на то, что транзистор управляется током, а цифровая микросхема является генератором напряжения. В простейшем случае для преобразования напряжения в ток можно использовать резистор
Эквивалентная схема подключения базовой цепи транзистора к цифровой ТТЛ микросхеме приведена на рисунке 1. Рисунок 1 – Эквивалентная схема подключения транзисторного ключа к цифровой ТТЛ микросхеме В приведенной схеме ток базы транзистора задаёт резистор R1. Рассчитаем его сопротивление. Для этого необходимо определить падение напряжения на этом резисторе. Минимальное напряжение высокого уровня на выходе ТТЛ микросхемы при максимальном допустимом токе единицы равно 2,4 В. Падение напряжения на базовом переходе транзистора можно считать постоянным и для кремниевых транзисторов равным 0,7 В. Тогда падение напряжения на сопротивлении R1 можно определить по формуле: UR1=U1-Uб=2,4В-0,7В=1,7В . Так как к цифровому выходу подключен только транзисторный ключ, то зададимся максимально возможным током цифровой микросхемы 4 мА. Тогда по закону Ома можно определить сопротивление резистора R1 как отношение падения напряжения на этом резисторе к току, протекающему через него: R1 = 1,7В/4мА = 425 Ом . При выборе резистора из 10% шкалы можно взять резистор 510 Ом (больше чем рассчитали, чтобы не превысить допустимый ток цифровой микросхемы). При работе транзисторного ключа при комнатной температуре расчет на этом заканчивается. Если же предполагается работа транзисторного ключа при повышенных температурах, то транзистор может самопроизвольно открываться обратным током коллектора. Эквивалентная схема цепи протекания этого тока приведена на рисунке 2. Рисунок 2 – Эквивалентная схема цепи протекания обратного коллекторного тока В схеме, приведённой на рисунке 9.7, видно, что на резисторе R1 обратный ток коллектора транзистора VT1 может создать падение напряжения 0,7 В и, тем самым, открыть транзистор. Для того чтобы уменьшить падение напряжения можно параллельно этому резистору подключить еще один резистор (как показано на рисунке 3) и, тем самым, уменьшить открывающее напряжение на базе транзистора. Рисунок 3 – Эквивалентная схема шунтирования цепи протекания обратного коллекторного тока Iко транзисторного ключа резистором. В схеме, приведённой на рисунке 3, можно задаться током, протекающим через резистор R2 в режиме выдачи цифровой микросхемой единичного уровня. Пусть этот ток будет в три раза меньше базового тока транзистора. Тогда ток через резистор R2 будет равен: IR2=4 мА/3 =1,3 мА . Определим сопротивление резистора R2. Для этого воспользуемся законом Ома. Учитывая, что падение напряжения на базовом переходе транзистора является константой и равно 0,7 В. R2 = Uб/IR2 = 0,7В/1,3мА = 510 Ом В режиме выдачи цифровой микросхемой логического нуля сопротивления R1 и R2 соединяются параллельно, и в рассчитанном случае падение напряжения уменьшается вдвое. Обратите внимание, что схема на входе транзистора очень похожа на делитель напряжения, однако не является им. Если бы это был делитель напряжения, то напряжение на базе транзистора уменьшалось бы в два раза, однако на самом деле напряжение уменьшается значительно больше!
Оставлять комментарии могут только зарегистрированные пользователи
Настройка рабочих режимов
Для нормальной работы реле контроля напряжения недостаточно его закрепить и подсоединить. Некоторые модели имеют выведенные на корпус настройки — максимальное и минимальное напряжение, при котором будет обесточена нагрузка, и время задержки включения. Этот параметр позволяет убедиться, что аварийная ситуация устранена.
Заводские настройки обычно составляют такие значения: max — 250 В, min — 175 В, время задержки — 5–15 секунд (каждый завод по-своему). Разумнее всего оставить как есть. Но если в сети сильный разброс, вызывающий частые срабатывания, можно на пять вольт изменить значения, но не более.
Устройство и принцип работы динистора
Структура, УГО и ВАХ динистора приведены на рисунке:
Внешняя p-область называется анодом (А), внешняя n-область называется катодом (К). Три p-n перехода обозначены цифрами 1, 2, 3. Структура динистора 4-х-слойная – p-n-p-n.
Питающие напряжение Е подаётся на динистор таким образом, что 1 из 3 переходы открыты и их сопротивления незначительны, а переход 2 закрыт и все питающие напряжение Uпр приложено к нему. Через динистор протекает небольшой обратный ток, нагрузка R отключена от источника тока питания Е.
При достижении критического напряжения, равному напряжению включения Uвкл переход 2 открывается, при этом все три перехода 1, 2, 3 будут находится в открытом (включенном) состоянии. Сопротивления динистора падает до десятых долей Ома.
Напряжение включения составляет величину нескольких сотен вольт. Динистор открывается, и через него протекают значительные по величине токи. Падение напряжения на динисторе в открытом состояние составляет 1-2 вольта и мало зависит от величины протекающего тока, величина которого равна τa ≈ E / R, а UR ≈ E, т.е. нагрузка подключена к источнику питания Е. Напряжение на динисторе, соответствующее предельно допустимую точку Iоткр.max, называется напряжением открытого состояния Uокр. Предельный допустимый ток составляет величины от сотен мА до сотен А. Динистор находится в открытом состоянии, пока протекающий через него ток не станет меньше тока удержания Iуд. Динистор закрывается при уменьшении внешнего напряжения до величины порядка 1В или при перемене полярности внешнего источника. Поэтому такой прибор используется в цепях переходного тока. Точки В и Г соответствуют граничным значениям токов и напряжений динистора. Время восстановления сопротивления перехода 2 после снятия питающего напряжения составляет порядка 10-30 мкс.
Динисторы по своему принципу – приборы ключевого действия. Во включенном состоянии (участок БВ) он подобен замкнутому ключу, а в выключенном (участок ОГ) — разомкнутому ключу.
Как работает транзистор (картинка с анимацией — видео)
Итак, теперь непосредственно о насущном. То есть о том, ради чего мы собственно и начали эту статью.
Самое сложное, что нам придется вам объяснить, так это то, что как раз и скрыто от глаз человека. Ведь движение тока в проводнике, в различного рода проводимости кристаллах, не посмотришь и не увидишь. Именно поэтому необходимо иметь большую фантазию и очень наглядное пособие, чтобы довести до вас принцип работы транзистора. Есть и еще одно «но». Человек всегда привык строить какие-то эквивалентные системы, если непосредственно изучаемая система не дает ему полного представления, а самое главное наглядного примера о том, как же все-таки все устроено. Так и в нашем случае, взгляните на картинку…

Работа транзистора представлена в виде канала с управляемой средой, даже здесь два канала. В качестве каналов выступают контакты транзистора, а управляемой средой является ток. Управляя запорным клапаном на базе или затворе (маленький канал) мы тем самым открываем и большой канал, между эмиттером и коллектором или стоком и истоком. Именно этот большой канал и является нашей целью управления. Открывая маленький канал, мы открываем и большой! Вот главное правило работы транзистора. По-другому не бывает, по крайней мере, в нормальных режимах работы транзистора без пробоев. Управляющий клапан на базе, то есть малый канал открывается первым, тем самым провоцируя и открывание большого канала. Не знаем, нужны ли вам другие описания почему именно так? Если кратко, то потому что есть зоны запирания, есть сопротивления этих зон и изменения сопротивления в зависимости от потенциала, подаваемого на них. Конечно это не описывает особенностей работы транзистора полностью и подробно, но об этом мы вам и не обещали рассказать. Самое главное было рассказать о принципе срабатывания и показать это на наглядной картинке, что собственно мы и выполнили. Принцип работы в этом случае действителен для всех видов транзисторов о которых, мы упоминали в нашем предыдущем абзаце. А также, для того чтобы закрепить ваше визуально- ассоциативное мышление с реальной невидимой действительностью необходимо взглянуть и на нижний правый угол картинки. На нем видно как в зависимости от пропуска тока, через контакты транзистора будут происходить и коммутации вокруг его выводов.
Параметры и максимальные эксплуатационные условия транзистора
Термопара для газового котла: виды, особенности и принцип работы
Проверим теперь напоследок, подойдет ли нам выбранный транзистор.
Максимальное напряжение коллектор — эмиттер
должно быть выше коммутируемого напряжения, а для случая коммутирования индуктивной нагрузки, выше коммутируемого напряжения с учетом бросков напряжения при выбранной схеме демпфирования.
Максимальный ток базы
должен быть выше, чем наш расчетный управляющий ток.
Максимальный ток коллектора
должен быть выше, чем коммутируемый ток.
Допустимая пиковая рассеиваемая мощность
должна быть выше, чем пиковая рассеиваемая мощность в момент коммутации. Дело в том, что даже при условии невысокой средней рассеиваемой мощности, большая тепловая энергия, выделяющаяся за очень короткое время при переключении, может погубить биполярный транзистор.
Допустимая средняя рассеиваемая мощность
должна быть выше, чем суммарная средняя мощность, рассеиваемая ключом.
Частота
, рекомендованная для транзистора, должна быть выше, частота переключений в схеме.
Система охлаждения транзистора (радиатор или другая система отвода тепла) должны быть в состоянии рассеять выделяемую мощность.
Для использования в качестве ключей лучше подбирать транзисторы с минимальными напряжением насыщения коллектор — эмиттер, база — эмиттер, это снизит потери мощности в открытом состоянии, минимальными временами включения и выключения (рассасывания), это снизит потери мощности при переключении, максимальным коэффициентом передачи тока, это снизит потери на управление.
(читать дальше…) :: (в начало статьи)
| 1 | 2 |
:: ПоискТехника безопасности :: Помощь
К сожалению в статьях периодически встречаются ошибки, они исправляются, статьи дополняются, развиваются, готовятся новые. Подпишитесь, на новости, чтобы быть в курсе.
Если что-то непонятно, обязательно спросите!Задать вопрос. Обсуждение статьи. сообщений.
Не могу согласится с утверждением, что (напряжение большое — ключ открыт), как раз — ключ должен быть закрыт т.е. у источника тока, когда цепь разорвана — напряжение максимально. Если смотреть характеристику транзистора — его наклонную прямую — видно, напряжение (кэ) макс. ток ( к). минимален и наоборот напряжение (кэ) минимально — ток — максимален. Правильно ли понимаю? Читать ответ…
Еще статьи
Биполярный транзистор. Принцип работы. Применение. Типы, виды, категор… Все о биполярном транзисторе. Принцип работы. Применение в схемах. Свойства. Кла…
Мощный полевой транзистор irfp2907. МОП, MOSFET. Свойства, параметры, … Применение и параметры IRFP2907, мощного полевого транзистора, рассчитанного на …
Схемотехника — тиристорные, динисторные, симисторные, тринисторные схе… Схемотехника тиристорных устройств. Практические примеры. …
Пушпульный импульсный преобразователь напряжения, источник питания. Ко… Как сконструировать пуш-пульный импульсный преобразователь. В каких ситуациях пр…
Инвертор, преобразователь, чистая синусоида, синус… Как получить чистую синусоиду 220 вольт от автомобильного аккумулятора, чтобы за…
Преобразователь однофазного в трехфазное. Конвертер одной фазы в три. … Схема преобразователя однофазного напряжения в трехфазное….
Схема защиты от ошибки подключения минуса и плюса (переполюсовки)…. Схема защиты от неправильной полярности подключения (переполюсовки) зарядных уст…
Источник высокого напряжения для озонатора, ионизатора, экспериментов…. Как изготовить преобразователь с высоким выходным напряжением для формирования и…
Рассмотрим отличия PNP-типа на схеме включения с общей базой
Действительно, из нее можно увидеть, что ток коллектора IC (в случае транзистора NPN) вытекает из положительного полюса батареи B2, проходит по выводу коллектора, проникает внутрь него и должен далее выйти через вывод базы, чтобы вернуться к отрицательному полюсу батареи. Таким же образом, рассматривая цепь эмиттера, можно увидеть, как его ток от положительного полюса батареи B1 входит в транзистор по выводу базы и далее проникает в эмиттер.

По выводу базы, таким образом, проходит как ток коллектора IC, так и ток эмиттера IE. Поскольку они циркулируют по своим контурам в противоположных направлениях, то результирующий ток базы равен их разности и очень мал, так как IC немного меньше, чем IE. Но так как последний все же больше, то направление протекания разностного тока (тока базы) совпадает с IE, и поэтому биполярный транзистор PNP-типа имеет вытекающий из базы ток, а NPN-типа – втекающий.
Отличия PNP-типа на примере схемы включения с общим эмиттером
В этой новой схеме PN-переход база-эмиттер открыт напряжением батареи B1, а переход коллектор-база смещен в обратном направлении посредством напряжения батареи В2. Вывод эмиттера, таким образом, является общим для цепей базы и коллектора.

Полный ток эмиттера задается суммой двух токов IC и IB; проходящих по выводу эмиттера в одном направлении. Таким образом, имеем IE = IC + IB.
В этой схеме ток базы IB просто «ответвляется» от тока эмиттера IE, также совпадая с ним по направлению. При этом транзистор PNP-типа по-прежнему имеет вытекающий из базы ток IB, а NPN-типа – втекающий.
В третьей из известных схем включения транзисторов, с общим коллектором, ситуация точно такая же. Поэтому мы ее не приводим в целях экономии места и времени читателей.
Простейший ключ
В дальнейшем полевым транзистором мы будет называть конкретно MOSFET,
то есть полевые транзисторы с изолированным
затвором
(они же МОП, они же МДП). Они удобны тем, что управляются
исключительно напряжением: если напряжение на затворе больше
порогового, то транзистор открывается. При этом управляющий ток через
транзистор пока он открыт или закрыт не течёт. Это значительное
преимущество перед биполярными транзисторами, у которых ток течёт всё
время, пока открыт транзистор.
Также в дальнейшем мы будем использовать только n-канальные MOSFET
(даже для двухтактных схем). Это связано с тем, что n-канальные
транзисторы дешевле и имеют лучшие характеристики.
Простейшая схема ключа на MOSFET приведена ниже.
Опять же, нагрузка подключена «сверху», к стоку. Если подключить её
«снизу», то схема не будет работать. Дело в том, что транзистор
открывается, если напряжение между затвором и истоком превышает
пороговое. При подключении «снизу» нагрузка будет давать
дополнительное падение напряжения, и транзистор может не открыться или
открыться не полностью.
Несмотря на то, что MOSFET управляется только напряжением и ток через
затвор не идёт, затвор образует с подложкой паразитный
конденсатор. Когда транзистор открывается или закрывается, этот
конденсатор заряжается или разряжается через вход ключевой схемы. И
если этот вход подключен к push-pull выходу микросхемы, через неё
потечёт довольно большой ток, который может вывести её из строя.
При управлении типа push-pull схема разряда конденсатора образует,
фактически, RC-цепочку, в которой максимальный ток разряда будет равен
где — напряжение, которым управляется транзистор.
Таким образом, достаточно будет поставить резистор на 100 Ом, чтобы
ограничить ток заряда — разряда до 10 мА. Но чем больше сопротивление
резистора, тем медленнее он будет открываться и закрываться, так как
постоянная времени увеличится
Это важно, если транзистор
часто переключается. Например, в ШИМ-регуляторе
Основные параметры, на которые следует обращать внимание — это
пороговое напряжение , максимальный ток через сток и
сопротивление сток — исток у открытого транзистора. Ниже приведена таблица с примерами характеристик МОП-транзисторов
Ниже приведена таблица с примерами характеристик МОП-транзисторов.
| Модель | |||
|---|---|---|---|
| 2N7000 | 3 В | 200 мА | 5 Ом |
| IRFZ44N | 4 В | 35 А | 0,0175 Ом |
| IRF630 | 4 В | 9 А | 0,4 Ом |
| IRL2505 | 2 В | 74 А | 0,008 Ом |
Для приведены максимальные значения. Дело в том, что у разных
транзисторов даже из одной партии этот параметр может сильно
отличаться. Но если максимальное значение равно, скажем, 3 В, то этот
транзистор гарантированно можно использовать в цифровых схемах с
напряжением питания 3,3 В или 5 В.
Сопротивление сток — исток у приведённых моделей транзисторов
достаточно маленькое, но следует помнить, что при больших напряжениях
управляемой нагрузки даже оно может привести к выделению значительной
мощности в виде тепла.
Ключ на мощном полевом МОП-транзисторе
Чаще всего в качестве ключа используется мощный полевой МОП-транзистор. Его стоимость и потери насыщения в большинстве приложений сравнимы с аналогичными потерями биполярного транзистора, а переключение выполняется в 5-10 раз быстрее. Кроме того, МОП-транзисторы проще для использования в проекте.
Полевой МОП-транзистор представляет собой источник тока с управлением по напряжению. Для управления МОП-транзистором в состоянии насыщения между выводами затвора и истока должно быть приложено достаточно большое напряжение, чтобы пропускать ток силы выше максимального ожидаемого тока через сток. Отношение напряжения между затвором и истоком к току через сток называется межэлектродной проводимостью (transonductance) и обозначается g,„. Обычно мощные полевые МОП-транзисторы разбивают на две категории:
• стандартные — должны иметь значение Vgs, равное 8-10 В, чтобы гарантировать полный номинальный ток через сток;
• МОП-транзисторы логического уровня, в которых напряжение Fgs должно составлять лишь 4,0^,5 В.
У полевых МОП-транзисторов логического уровня обычно низкие номинальные значения напряжения между стоком и истоком (< 60 В).
Время переключения полевых МОП-транзисторов очень мало: обычно от 40 до 80 не. Для того чтобы организовать управление МОП-транзистором с такой скоростью, необходимо прежде рассмотреть неотъемлемую паразитную емкость, существующую во всех мощных МОП-транзисторах (рис. 3.35).
Эти емкости указываются в спецификации любого мощного МОП-транзистора и играют очень важную роль. Емкость перехода сток-исток Coss учитывается в нагрузках стока, но напрямую не входит в схему драйвера. Емкости CJSS и Crss оказывают прямое и вычислимое влияние на характеристики переключения полевого МОП-транзистора. На рис. 3.36 показаны волновые формы цикла переключения для затвора и стока типичного полевого МОП-транзистора с каналом п-типа.
Плато в сигнале напряжения управления затвором обусловлено ниспадающим участком сигнала между стоком и истоком, связанного с узлом затвора через конденсатор CrSS. На протяжении этого периода наблюдается большой импульс тока управления затвором. Данному плато соответствует уровень напряжения, который немного выше номинального порогового напряжения затвора и составляет VTH + lo/gm- Значение напряжения плато можно также определить с помощью графика передаточной функций, представленной в спецификации любого полевого МОП-транзистора (рис. 3.37). Для неточной оценки может быть использовано пороговое напряжение.
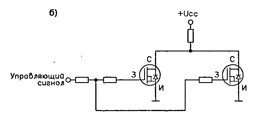
Рис. 3.38. Схемы управления полевым МОП-транзистором: а — пассивное включение; б — пассивного выключения; в— биполярный выходной двухтактный каскад; з — выходной двухтактный МОП-каскад; д — драйвер с изолирующим трансформатором
Tweet Нравится
- Предыдущая запись: Борьба с шумом и электромагнитными помехами
- Следующая запись: СОЛИРУЮЩАЯ ЭЛЕКТРОГИТАРА С ОРГАННЫМИ ТЕМБРАМИ
Чем отличается ток от напряжения? (2)
Связь тока и напряжения (0)
ИСТОЧНИК ПИТАНИЯ ДЛЯ АВТОМОБИЛЬНОГО РАДИОПРИЕМНИКА (0)
ЗАРЯДНОЕ УСТРОЙСТВО ДЛЯ АККУМУЛЯТОРА (0)
ЗАРЯДНОЕ УСТРОЙСТВО ДЛЯ ЛИТИЙ-НОННОГО ЭЛЕМЕНТА КОНТРОЛЛЕР ЗАРЯДНОГО УСТРОЙСТВА (0)
ОГРАНИЧИТЕЛЬ ЗАРЯДНОГО TOKA АККУМУЛЯТОРА (0)
ИНДИКАТОР НАПРЯЖЕНИЯ АККУМУЛЯТОРНОЙ БАТАРЕИ ПРОСТАЯ СХЕМА (0)
Виды транзисторов
Каждая из ветвей отличается на 0.

Изображение схем подключения полевых триодов Практически каждая схема способна работать при очень низких входных напряжениях. Схема включения MOSFET Традиционная, классическая схема включения «мосфет», работающего в режиме ключа открыт-закрыт , приведена на рис 3.

Испытания показали, что транзисторный ключ прекрасно работает, подавая напряжение на нагрузку. Транзисторы управляются напряжением, и в статике не потребляют ток управления.

Если к такому транзистору приложить напряжение, к стоку плюс, а к истоку минус, через него потечет ток большой величины, он будет ограничен только сопротивлением канала, внешними сопротивлениями и внутренним сопротивлением источника питания. Это значит что нужно этого избежать, введя каскад с высоким входным сопротивлением. Среди них можно выделить: биполярные транзисторы с внедрёнными и их схему резисторами; комбинации из двух триодов одинаковых или разных структур в одном корпусе; лямбда-диоды — сочетание двух полевых триодов, образующих участок с отрицательным сопротивлением; конструкции, в которых полевой триод с изолированным затвором управляет биполярным триодом применяются для управления электромоторами. Чтобы на резисторе Rи не выделялась переменная составляющая напряжения, его шунтируют конденсатором Си.

Каскад с общим истоком дает очень большое усиление тока и мощности. Разница потенциалов достигает величины от 0,3 до 0,6 В. Только вот стрелки на условном изображении полевых транзисторов имеют направление, прямо противоположное своим биполярным аналогам.

Это значит что нужно этого избежать, введя каскад с высоким входным сопротивлением. Стабильность при изменении температуры. При некотором напряжении Uси происходит сужение канала, при котором границы обоих р-n- переходов сужаются и сопротивление канала становится высоким. Это возможно благодаря тому, что не используется инжекция неосновных носителей заряда.
Принцип работы триода При обесточивании базы транзистор очень быстро приходит в первоначальное состояние и коллекторный переход закрывается. Поэтому использование такого подхода на практике сильного ограничено в усилительной технике.
Также сюда подключается и усилитель колебаний. Функцию затвора исполняет металлический вывод, который отделяется от кристалла слоем диэлектрика и, таким образом, электрически с ним не контактирует. Защита от переполюсовки на основе полевого транзистора
Важные страницы
- Набор GyverKIT – большой стартовый набор Arduino моей разработки, продаётся в России
- Каталог ссылок на дешёвые Ардуины, датчики, модули и прочие железки с AliExpress у проверенных продавцов
- Подборка библиотек для Arduino, самых интересных и полезных, официальных и не очень
- Полная документация по языку Ардуино, все встроенные функции и макро, все доступные типы данных
- Сборник полезных алгоритмов для написания скетчей: структура кода, таймеры, фильтры, парсинг данных
- Видео уроки по программированию Arduino с канала “Заметки Ардуинщика” – одни из самых подробных в рунете
- Поддержать автора за работу над уроками
- Обратная связь – сообщить об ошибке в уроке или предложить дополнение по тексту (alex@alexgyver.ru)
Подведем итоги:
- Посмотрите на рисунок ниже.
- Выберите схему смещения.
- Выберите RК и IЭ для вашего приложения. Значения RК и IЭ обычно должны устанавливать напряжение коллектора VК на 1/2 от Vпит.
- Рассчитайте резистор базы RБ, чтобы получить необходимый ток эмиттера.
- Если необходимо, пересчитайте ток эмиттер IЭ для стандартных номиналов резисторов.
- Для схемы смещения с делителем напряжения выполните сначала расчет смещения эмиттера, а затем определите R1 и R2.
- Для усилителей переменного тока: конденсатор обхода, параллельный RЭ, улучшает усиление по переменному напряжению. Выберите XC≤0,10RЭ для самой низкой частоты.

Формулы расчета смещения (вкратце) Оригинал статьи:
Biasing Calculations





