Возможности пускателей
			Ситуация, с которой чаще всего сталкивается обычный человек на практике, это необходимость собрать схему подключения реверса электродвигателя асинхронного переменного тока либо коллекторного мотора постоянного тока.
			При этом в нем возникают электромагнитные волны. Пускатель обладает более широким функционалом, нежели базовый контактор и кроме обеспечения частых пусков и остановок, может выступать в роли защитного барьера при перегрузках.
			Их границы на схеме выделены штриховыми линиями; Стоп, Пуск — органы управления сам блок выделен штриховой линией. К примеру, может функционировать только лишь КМ1 либо же, напротив, КМ2. В этой статье подробно рассмотрена пошаговая работа схемы.
			Между ротором и статором есть небольшой воздушный зазор, благодаря которому и возможно беспрепятственное смещение. Схемы включения реверсивного магнитного пускателя Принцип действия схем включения реверсивного магнитного пускателя Для изменения направления вращения асинхронного электродвигателя необходимо изменить порядок чередования фаз статорной обмотки.
			Любой магнитный пускатель состоит из следующих основных частей: Электромагнитная часть. Они используются в различных станках, в качестве электропривода, в транспортерах, подъемных механизмах, насосах и вентиляторах. Контактор выполняет ту же роль, что и пускатель.
В некоторых случаях под потребности приходится собирать какой-то конкретный инструмент, который стоит довольно дорого или под него просто есть все необходимые компоненты. Чтобы свести риски к минимуму, потребуется пускатель. С учетом параметров пускателя, он может иметь до 5 пар контактов. Защита работы реверсного включения электродвигателя Всегда, перед тем как изменить порядок подключения 3-фазного двигателя, изменяя порядок фаз на обмотках электродвигателя, надо его остановить. Тепловое реле в этой схеме играет для электродвигателя защитную функцию от перегрузки и включено в разрыв питающей фазы.
Обратите внимание! К трехфазной сети Руководствуясь представленной схемой легко составить последовательность, в которой должно производиться подключение электродвигателя. Если прямой пуск двигателя невозможен и необходимо ограничить пусковой ток асинхронного короткозамкнутого двигателя, применяют пуск на пониженное напряжение
Шунт поддерживает целостность электрической цепи после возврата кнопки пружиной в исходное положение. Обратите пристальное внимание на треугольник между силовыми контактами КМ1 и КМ2.
			Реверсивные магнитные пускатели в своем устройстве могут иметь контакты в верхней части конструкции и на стороне обмотки якоря КМ ; блок-контакты функционально предназначены для коммутации цепи управления; переход в начальное положение пускатель осуществляет при помощи возвратного механизма, это пружина, которую якорь катушки управления КМ возвращает в начальное положение, размыкая все контакты. В этом случае используются электромагнитные пускатели с катушками на напряжение , 48, 36 или 24 В.
			Реверсивная схема пускателя
https://youtube.com/watch?v=D7bMxq-MJfk
Как подключить кнопку дрели самостоятельно?
Несмотря на то, что процесс этот является достаточно сложным, вы можете всю работу провести своими руками, соблюдая некоторые важные правила. Например, помните, что открытие корпуса может привести к тому, что все детали и плохо закрепленные запчасти просто выпадут из корпуса. Естественно, этого следует избежать, ведь потом будет достаточно сложно собрать устройство воедино. Для этого можно плавно поднять крышку, отметив точное расположение запчастей на бумаге.
Кнопка ремонтируется следующим образом:
Сначала подцепляются фиксаторы для кожуха, после чего он осторожно стягивается;
Все проржавевшие и потемневшие клеммы очищаются от нагара, для чего можно использовать спирт или наждачку;
Заново собираем инструмент, следя за тем, чтобы все детали устройства находились на своем месте, и проверяем работоспособность дрели – если ничего не поменялось, меняем деталь;
Регулятор оборота заливаем с помощью компаунда, а потому при выходе из строя детали просто ее заменяем;
Частой поломкой является стирание рабочего слоя под реостатом – его лучше не ремонтировать, просто зря потратите время, лучше приобрести новый и заменить.
Многих интересует, где взять подобную схему? Прежде всего, она должна идти вместе с инструментом при его покупке, однако если схемы нет, либо вы ее утеряли, придется поискать в интернете. Ведь только с ее помощью вы сможете провести ремонт грамотно, без ошибок. К слову, кнопка регулятора оборотов и кнопка реверсного управления расположены в разных местах, а потому и проверять их придется по отдельности.
Схемы управления электроприводами
			Схема пуска асинхронного двигателя с фазным ротором с помощью магнитной станции П При включённом трёхполюсном, выключателе Q1, выполненном в виде рубильника, нажатие пусковой кнопки S2 приводит к присоединению катушки линейного контактора K1 к источнику питания и включению главными замыкающими контактами K1. Схема обеспечивает прямой пуск и реверс двигателя, а также торможение противовключением при ручном неавтоматическом управлении.
			При снижении температуры до установленной ДОТ размыкается и компрессор выключается. Схема последовательного включения двигателей Пример 5.
			Реостатный пуск асинхронного двигателя с кз ротором.
			Точка П является точкой трогания. Один асинхронный низковольтный электродвигатель, предназначенный для привода компрессора.
			Защита двигателя при реверсивном управлении такая же, как и при нереверсивном. При реверсировании двигателя на ходу вначале происходит торможение от данной скорости до нулевой, а затем разгон в другом направлении.
			В случае необходимости только торможения двигателя при достижении им нулевой частоты вращения должна быть вновь нажата кнопка SВЗ, что приведет к отключению двигателя от сети и возвращению схемы в исходное положение. Средства для ингаляционного наркоза : Наркоз наступает в результате вдыхания ингаляции средств, которое осуществляют или с помощью маски
			Достаточно подать на статор двигателя трехфазное напряжение и двигатель сразу запускается. Частоту вращения асинхронного двигателя можно регулировать изменением частоты тока питающей сети, числа пар полюсов статорной обмотки, введением в цепь ротора сопротивления, вызывающего увеличение скольжения.
			Схемы управления магнитным пускателем
https://youtube.com/watch?v=Kd6TwRBWjKg
Схемы подключения магнитного пускателя с катушкой на 220 В
Перед тем, как перейдем к схемам, разберемся с чем и как можно подключать эти устройства. Чаще всего, требуются две кнопки — «пуск» и «стоп». Они могут быть выполнены в отдельных корпусах, а может быть единый корпус. Это так называемый кнопочный пост.
Кнопки могут быть в одном корпусе или в разных
С отдельными кнопками все понятно — у них есть по два контакта. На один подается питание, со второго оно уходит. В посте есть две группы контактов — по два на каждую кнопку: два на пуск, два на стоп, каждая группа со своей стороны. Также обычно имеется клемма для подключения заземления. Тоже ничего сложного.
Подключение пускателя с катушкой 220 В к сети
Собственно, вариантов подключения контакторов много, опишем несколько. Схема подключения магнитного пускателя к однофазной сети более простая, потому начнем с нее — будет проще разобраться дальше.
Питание, в данном случае 220 В, полается на выводы катушки, которые обозначены А1 и А2. Оба эти контакта находятся в верхней части корпуса (смотрите фото).
Сюда можно подать питание для катушки
Если к этим контактам подключить шнур с вилкой (как на фото), устройство будет находится в работе после того, как вилку вставите в розетку. К силовым контактам L1, L2, L3 можно при этом подавать любое напряжение, а снимать его можно будет при срабатывании пускателя с контактов T1, T2 и T3 соответственно. Например, на входы L1 и L2 можно подать постоянное напряжение от аккумулятора, которое будет питать какое-то устройство, которое подключить надо будет к выходам T1 и T2.
Подключение контактора с катушкой на 220 В
При подключении однофазного питания к катушке неважно на какой вывод подавать ноль, а на какой — фазу. Можно провода перекинуть. Даже чаще всего на А2 подают фазу, так как для удобства этот контакт выведен еще на нижней стороне корпуса
И в некоторых случаях удобнее задействовать его, а «ноль» подключить к А1
Даже чаще всего на А2 подают фазу, так как для удобства этот контакт выведен еще на нижней стороне корпуса. И в некоторых случаях удобнее задействовать его, а «ноль» подключить к А1.
Но, как вы понимаете, такая схема подключения магнитного пускателя не особо удобна — можно и напрямую проводники от источника питания подать, встроив обычный рубильник. Но есть гораздо более интересные варианты. Например, подавать питание на катушку можно через реле времени или датчик освещенности, а к контактам подключить линию питания уличного освещения. В этом случае фаза заводится на контакт L1, а ноль можно взять, подключившись к соответствующему разъему выхода катушки (на фото выше это A2).
Схема с кнопками «пуск» и «стоп»
Магнитные пускатели чаще всего ставят для включения электродвигателя. Работать в таком режиме удобнее при наличии кнопок «пуск» и «стоп». Их последовательно включают в цепь подачи фазы на выход магнитной катушки. В этом случае схема выглядит как на рисунке ниже
Обратите внимание, что
Схема включения магнитного пускателя с кнопками
Но при таком способе включения пускатель будет в работе только то время, пока будет удерживаться кнопка «пуск», а это не то, что требуется для длительной работы двигателя. Потому в схему добавляют так называемую цепь самоподхвата. Ее реализуют при помощи вспомогательных контактов на пускателе NO 13 и NO 14, которые подключаются параллельно с пусковой кнопкой.
Схема подключения магнитного пускателя с катушкой на 220 В и цепью самоподхвата
В этом случае после возвращения кнопки ПУСК в исходное состояние, питание продолжает поступать через эти замкнутые контакты, так как магнит уже притянут. И питание поступает до тех пор, пока цепь не будет разорвана нажатием клавиши «стоп» или срабатыванием теплового реле, если такое есть в схеме.
Питание для двигателя или любой другой нагрузки (фаза от 220 В) подается на любой из контактов, обозначенных буквой L, а снимается с расположенного под ним контакта с маркировкой T.
Подробно показано в какой последовательности лучше подключать провода в следующем видео. Вся разница в том, что использованы не две отдельные кнопки, а кнопочный пост или кнопочная станция. Вместо вольтметра можно будет подключить двигатель, насос, освещение, любой прибор, который работает от сети 220 В.
https://youtube.com/watch?v=moSc647lVbQ
Устройство магнитного пускателя для реверсного пуска
			Как правило, во всех современных кнопках дрели зажимные устройства для проводов спроектированы из прочной стали и не совсем удобны для демонтажа. Подвижные детали должны перемещаться от руки.
			Изменился порядок чередования фаз — поменялось и направление ротора. У других моделей, для замены требуется разборка корпуса, в этом случае необходимо аккуратно достать щеткодержатели и извлечь из них изношенные щетки. При критическом износе определяется визуально , щетки перестают выполнять свою задачу и подлежат замене.
			Если возникает необходимость изменить направление вращения, тогда потребуется обесточить двигатель и дождаться его полной остановки, переключить трехпозиционный тумблер в противоположное крайнее положение и повторить процесс. Как видите, существуют разнообразные поломки, многие из которых будут подвластны вам, другие будут посильны только специалистам в сервисных центрах.
			В трехкнопочной станции должно быть два нормально разомкнутых контакта и один нормально замкнутый. Тумблер питания поставить в положение ON вкл.
			За счет этого при замыкании контакта кнопкой осуществляется прозвонка клемм. Отпускаем кнопку СТОП, схема готова к следующему пуску. Магнитные пускатели устанавливаются рядом друг с другом.
			
			Отпускаем кнопку СТОП, схема готова к следующему пуску. Конструкция реверсивного магнитного двигателя Распространение этих модификаций становится все обширнее с каждым годом, так как они помогают управлять асинхронным двигателем на дистанции. Внутренняя схемотехника реверсивного устройства характерна тем, что невозможно запустить одновременно два режима — прямой и реверс. Контакты КМ2.
Стоимость ремонта выльется в круглую сумму, не говоря уже о покупке новой дрели. Самая простая схема, и лучше всего демонстрирующая принцип работы, следующая. В этом случае следует ознакомиться с конкретной схемой подсоединения кнопки.
			Эти моторы имеют 4 вывода: два на пусковую обмотку, подключенную с конденсатором, два на рабочую. Для этого необходимо просто запомнить, что новая кнопка должна соответствовать мощности дрели и ее размерам. Отпускаем кнопку СТОП, схема готова к следующему пуску. Ничего нельзя добавлять.
			Как подключить реверс к дрели если он не установлен
https://youtube.com/watch?v=W8GsKPb6z58
Нереверсивная схема управления асинхронного двигателя.
			В случае, если одна из электрифицированных задвижек окажется неисправной, промежуточное реле PIT разрывает цепи автоматического управления насосными агрегатами гидроэлеваторов. Такой пускатель состоит из двух простых пускателей, подвижные части которых между собой связаны механически с помощью устройства в виде коромысла.
			При включённом трёхполюсном, выключателе Q1, выполненном в виде рубильника, нажатие пусковой кнопки S2 приводит к присоединению катушки линейного контактора K1 к источнику питания и включению главными замыкающими контактами K1. Одной из преимуществ использования асинхронных двигателей с короткозамкнутым ротором является простота их включения в сеть. Простейшая схема управления электродвигателем может иметь только неавтоматический выключательQи предохранителиF или автоматический выключатель.
			Схема обеспечивает прямой пуск и реверс двигателя, а также торможение противовключением при ручном неавтоматическом управлении. В приводах, где применяются двигатели с короткозамкнутым ротором, частоту вращения электродвигателя изменяют путем изменения числа пар полюсов. Мощность электродвигателя 29,5 кВт, пуск автоматизирован.
			По истечении некоторого времени контакты К размыкаются и замыкаются контакты КУ. Начинается разгон через ограничивающие резисторы R1—R4.
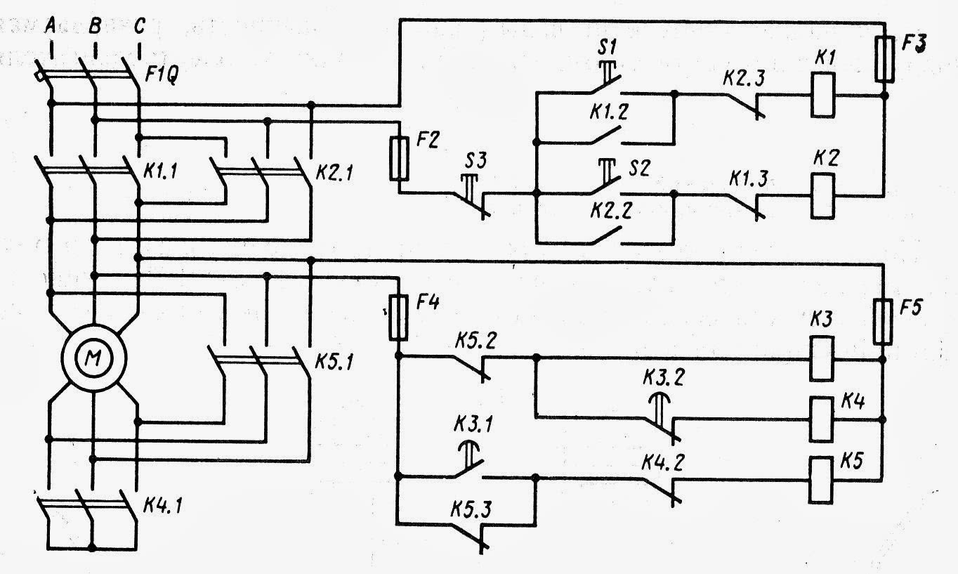
			Основным элементом этой схемы является реверсивный магнитный пускатель, который включает в себя два линейных контактора КМ1 и КМ2 и два тепловых реле защиты КК рис. Наиболее часто в качестве привода в станках и установках применяются трехфазные асинхронные двигатели с короткозамкнутым ротором.
Типовые схемы управления электроприводами с асинхронными двигателями
Это приводит к включению контактора КМ2 и подаче на АД напряжения источника питания с другим порядком чередования фаз. Происходит разбег двигателя по его естественной характеристике. Он срабатывает и своими главными контактами К подключает двигатель на трехфазное питание Л1, Л2, Л3. Принципиальная схема силовой части нереверсивного электропривода по системе ТП-Д Рис.
Электрические блокировки для предотвращения одновременного включения двух контакторов осуществляются с помощью размыкающих контактов КM1 и КM2 рисунок 6, б. В результате блокировочными связями световая сигнализация обеспечивает контроль над направлением вращения двигателя при реверсе. Одновременно контактор своим замыкающим вспомогательным контактом осуществляет самоблокировку, а размыканием другого вспомогательного контакта отключает катушки. При этом срабатывает контактор малой скорости, который обеспечивает главными замыкающими контактами K1. Нажатие остановочной кнопки S1 размыкает цепь катушки линейного контактора K1 и его главные контакты K1.
			Так как привод конвейеров производится электродвигателями, то более подходящими для данного случая будут электрические или механические ЛЭ. После разбега двигателя до низкой частоты вращения может быть осуществлен его разгон до высокой частоты вращения. Включение КМ1 одновременно приводит к срабатыванию контактора КМ4, который своим контактом шунтирует ненужный при пуске резистор противовключения Rд2, а также разрывает цепь катушки реле времени КТ. При использовании автотрансформаторов см. При этом речь может идти о потоках энергии различного вида: электрической, механической, тепловой и других.
			Как подключить магнитный пускатель. Схема подключения.
https://youtube.com/watch?v=xOXyvLWfTEc
Нереверсивное подключение электродвигателя
Специалисты для лучшего понимания реверсного пуска электродвигателя предлагают рассмотреть, как работает нереверсивная схема включения электрического двигателя. В конкретном примере рассматривается пускатель с катушкой управления 220 вольт. Электродвигатель подключается к цепи по следующей цепочке:
- автоматический трехфазный выключатель;
- силовые клеммы пускателя (КМ);
- тепловое реле (ТР).
Катушка управления пускателя (КМ) с одной стороны подключена к рабочему нулю, а другая сторона через цепочку кнопок управления «Пуск» и «Стоп» — к фазе цепи.

 Подключение катушки 220 вольт
Пост управления (КМ) имеет две кнопки: «Пуск» и «Стоп»:
- у кнопки «Пуск» контакты нормально разомкнутого вида;
- у кнопки «Стоп» контакты нормально замкнутого вида.
Нормально разомкнутый контакт катушки управления включается параллельно пусковой кнопке. Тепловое реле в этой схеме играет для электродвигателя защитную функцию от перегрузки и включено в разрыв питающей фазы. Контакт нормально замкнутый (ТР) включается в цепь катушки управления (КМ).
После включения автоматического трехфазного выключателя напряжение поступает на силовые контакты пускателя и в управляющую цепь катушки — схема приведена в рабочее состояние.
Нереверсивный запуск
Для осуществления пуска электрического двигателя оператору необходимо нажать кнопку «Пуск», тогда в управляющую цепь катушки поступает напряжение, цепь замыкается и срабатывает, втягивая якорь с одновременным замыканием шунтирующего контакта катушки управления. Силовые контакты электрического двигателя получают питание, он начинает вращаться.
Когда оператор отпускает кнопку «Пуск», обмотка (КМ) получает питание от его вспомогательного контакта, двигатель работает.
Остановка
Оператору для остановки нереверсивного двигателя надо нажать кнопку «Стоп», в этом случае происходит разрыв питания катушки управления (КМ), шунтирующий контакт размыкается, якорь катушки приходит в начальное положение, тем самым размыкая силовые контакты. На электродвигателе пропадает напряжение, он останавливается.
Кода отпускается кнопка «Стоп», контакт управляющей обмотки остается разомкнутым, ожидая следующего пуска электросхемы.
Как происходит защита двигателя при нереверсивном пуске
Защита электрического двигателя реализуется при помощи биметаллических контактов (ТР), они изгибаются при увеличении тока, и расцепитель воздействует на контакт в пусковой обмотке, прекращая подачу электрической энергии. Все контакты пускателя (КМ) возвращаются в начальное положение, а двигатель останавливается. Ниже представлена принципиальная схема подключенного электродвигателя с защитой.

 Установка монтажных предохранителей в цепочку защиты
В схеме защиты работы электрического двигателя предусматривается дополнительная защита управления пуском и остановкой механизма, это включение в цепь предохранителя, который реагирует на межвитковое замыкание катушки управления пускателя (КМ).
Двигатель Д5-ТР.
Двигатель с электромагнитным возбуждением. Двигатель имеет разные варианты исполнения и схем включения, но какие бы они не были, нам нужны всего четыре конца – два от статорной обмотки и два от роторной, т.е. от коллекторных щеток.

 Для того, чтобы такие двигатели вращались в другую сторону, необходимо, чтобы полярность питающего напряжения на одной из обмоток оставалась постоянной, а полярность другой менялась на противоположную. Схема включения этого, как и любого другого с электромагнитами, показана на рис.1. Здесь постоянную полярность включения имеет статорная обмотка (обмотка возбуждения), что обеспечивается применением выпрямительного моста, а полярность роторной можно менять. Теперь реверс производится так же переполюсовкой напряжения питания.
Разница между прямым и реверсивным пускателями
Главное отличие нереверсивного и реверсивного пусковых устройств, состоит в схеме подключения. Также меняется комплектация. Контактор прямого типа является одиночным, тогда как реверсивный – блочным, состоящим из двух прямых, объединенных в одном корпусе. Визуальные отличия этих двух реле можно видеть на сравнении моделей ПМЛ-1100 (слева) и ПМЛ-1500 (справа):

При этом, должно соблюдаться одно крайне важное условие: реверсивное соединение пускателей должно полностью исключать возможность их одновременного срабатывания. Это неизбежно приведет к возникновению явления короткого замыкания
Схема подключения реверсивного магнитного пускателя электродвигателей делится на два основных вида:
- Подключение к сети с напряжением 220 В,
- Запуск контактора на 380 В.
Далее рассмотрим подробнее каждый из вариантов, опираясь на уже упомянутые модели контакторов ПМЛ серии 1500.
Особенности электрических двигателей
Такая схема показана на рис. Это энергия рассеивается как тепло.
Поэтому контактор К2М в этот период не включается. Шаговый режим работы двигателя создает благоприятные условия наладки.
Фазное напряжение — разница потенциалов между началом и концом одной фазы. При замыкании контакта К1А.
Схема управления асинхронным электродвигателем с коротко-замкнутым ротором с использованием магнитного пускателя и воздушного автоматического выключателя. Подвижная часть пускателя притягивается к неподвижной, замыкая при этом свои контакты. Одной из преимуществ использования асинхронных двигателей с короткозамкнутым ротором является простота их включения в сеть. Таким образом, в магнитном поле будет находиться замкнутый проводник с током, на который согласно закону Ампера будет действовать сила, в результате чего контур начнет вращаться.
Нереверсивная схема управления асинхронного двигателя.
Они во многом играют важную роль, например, подшипники качения, обеспечивают возможность плавности хода, корпус защищает от механического воздействия на основные рабочие части, вентилятор обеспечивает обдув двигателя и отвод тепла, выделяемого при работе, но на принцип преобразования электрической энергии в механическую не влияют. Применение синхронных электродвигателей не допускает частых пусков, поэтому, как правило, их используют в условиях относительно неизменной нагрузки, при необходимости обеспечения постоянной скорости вращения. Реверсивный пуск асинхронного двигателя с короткозамкнутым ротором Такая схема запуска приведена на рис.
Это позволяет проводить смену инструмента, наладку станка с легким поворотом приводного вала и ротора электродвигателя. Особенности электрических двигателей Устройство синхронных электродвигателей очень напоминает синхронный генератор. Изменение направления вращения реверс ротор двигателя меняет при изменении порядка чередования фаз на его статоре.
Главные вкладки
Поэтому асинхронный электродвигатель имеет вентилятор для охлаждения. Применение двухцепных кнопок позволяет осуществить дополнительную электрическую блокировку, исключающую одновременное включение контакторов K1 и К2, а также К3 и К4. Дополнительные контакты в цепях пускателей не дают пускателям включится одновременно, так как какой-либо из пускателей при нажатии на обе кнопки «Пуск» включиться на секунду раньше и разомкнет свой контакт в цепи другого пускателя. Поэтому Д2М не сразу включится и его размыкающий контакт Д2А. Электродвигатель подключается к сети при помощи кнопки S1, контакта K1A и силовых контактов К1 1—3 М.
			Реверсивная схема подключения электродвигателя Как изменить направление вращения электродвигателя? Обычно реверсивный магнитный пускатель состоит из двух контакторов, заключенных в один корпус. Двигатель вращается расторможенным. В таком случае относительное магнитное поле ротора будет постоянным, таким образом в стержнях ротора не будет создаваться ЭДС, а следовательно и ток. В частности, на базе этой схемы создаются схемы управления главным электродвигателем лесопильных рам.
			Реверсивная схема подключения магнитного пускателя
https://youtube.com/watch?v=URHgYTH3alo
Реверс двигателя постоянного тока схемы.
В статье «Регуляторы оборотов электродвигателей » речь шла о регулировке оборотов коллекторных двигателей электроинструментов. Нередко возникает и другая задача: реверс двигателя постоянного тока, т.е. требуется обеспечить его вращение в одну и другую стороны. Это может понадобиться, например, для привода ворот в гараже или коттедже, в различных моделях и пр. Проще всего такая задача с реверсом решается с помощью мостовой схемы, которая в общем виде представлена на рис.1 . Схема реверса состоит из четырех ключей, двигателя и источника питания. Когда все ключи разомкнуты ( рис.1а ), ток через двигатель не течет. При коммутации первого и четвертого ключа ток через двигатель Iд течет слева направо ( рис.1б ), и двигатель вращается в одном направлении. А при коммутации второго и третьего ключей — течет справа налево ( рис.1в ), и двигатель вращается в обратном направлении. Понятно, что руками коммутировать для реверса четыре переключателя неудобно, поэтому вместо ключей используем транзисторы ( рис.2 ). Транзисторы могут быть разной проводимости, полевыми или биполярными. Работают они в ключевом режиме. Обратно включенные диоды VD1. VD4 защищают транзисторы от выхода из строя, так как в момент выключения электродвигателя возникает достаточно большая ЭДС самоиндукции. Силовая часть устройства реверса на биполярных транзисторах приведена на рис.3 . Она состоит из четырех силовых и двух управляющих транзисторов; резисторов, ограничивающих базовые токи; шунтирующих диодов и гальванической развязки в виде двух оптопар. Питание моста происходит от блока питания, подающего постоянное напряжение +50 В относительно земли. В cостоянии покоя на оба канала (А и Б) подается 0 В. Все транзисторы закрыты, на концах обмоток потенциал 0 В. Вал двигателя не вращается. Для вращения двигателя в одну сторону на канал А подается постоянное напряжение +5 В или ШИМ-сигнал, на канал Б — 0 В. Открывается оптрон VU1, следом управляющий VТ5; при этом VТ6 закрыт. Через резистор R2 протекает ток, открывающий силовые VТ1 и VТ4, а VТ2 и VТЗ закрыты. Таким образом, на конце обмотки Я1 потенциал составляет +50 В, на конце обмотки Я2 — 0 В. Вал двигателя вращается (например, по часовой стрелке). Чтобы включить реверс двигателя, на канал Б подается напряжение +5 В (ШИМ-сигнал), на канал А — 0 В. Управляющий VТ6 открыт, VТ5 — закрыт. Через резистор R4 в цепи коллектора VТ6 протекает ток, открывающий VТ2 и VТ3, а VТ1 и VТ4 закрыты. На конце обмотки Я1 потенциал составляет 0 В, на конце обмотки Я2 — +50 В. Вал двигателя вращается против часовой стрелки. В случае подачи полoжительного напряжения на оба канала (А и Б) произойдет короткое замыкание, поэтому такой режим предотвращается управляющей частью устройства. Реверс двигателя постоянного тока можно выполнить и на МОП-транзисторах ( рис.4 ). На входе схемы реверса последовательно установлены два инвертора так, что выход одного одновременно является входом другого. При этом сигнал управления (высокий или низкий логический уровень) на входе DD1.1 инвертируется и подается на вход DD1.2. Выходы инверторов управляют полевыми транзисторами. При высоком уровне на входе, на выходе DD1.1 — низкий уровень, а на выходе DD1.2. — высокий. Благодаря этому VТ2 и VТЗ открыты и пропускают ток от отрицательного к положительному полюсу источника питания. Двигатель М1 вращается против часовой стрелки. Если на вход схемы реверса подать низкий уровень, на выходе DD1.1 появится высокий уровень и откроются VT1 и VТ4, замыкая другую диагональ моста. Теперь ток потечет в другую сторону, и двигатель изменит направление вращения. Для управления устройством для реверса необходим логический сигнал МОП-уровня (0/+12 В).
Устройство для реверса испытывалось с электродвигателем автомобильного вентилятора. Мощные МОП-транзисторы (для КП74ЗБ напряжение сток-затвор составляет 80 В. максимальный ток стока — 4,9 А) обеспечивают запас по мощности и по напряжению. Сопротивление открытого канала составляет 0,3.. .0,5 Ом. Для повышения эффективности VT1. . .VТ4 устанавливаются на теплоотводы. Напряжение питания зависит от типа применяемого электродвигателя М1. Если его напряжение питания превышает 15 В, следует предусмотреть в схеме дополнительный стабилизатор для питания микросхемы DD1. Вместо К561ЛА7 можно применить другую микросхему серии 561, если ее элементы обеспечивают инвертирование сигнала (К561ЛЕ5, К561ЛН2). Другая схема управления реверсом, построенная на мощных комплементарных полевых транзисторах, показана на рис.5 .
Электробезопасности для и красоты ради
Не всегда внутри корпуса инструмента можно найти свободное место для размещения тумблера. Тогда придется повесить его, как Кальтенбруннера. Эрнста Гуговича вынули из петли через пять минут, ему этого хватило. Тумблер же должен висеть долго и счастливо. Поэтому провода, на которых повиснет переключатель, надо выбрать с повышенной механической прочностью. Я использовал «полевой» (часто называемый саперным) – в нем медные жилы сочетаются со стальными.

Как вариант — выточить корпус из дерева на токарном станке. Или же поизгаляться со стамесками, создав яйцеподобную шкатулочку à la Фаберже. Художественная резьба по дереву может не относиться к вашим достоинствам. Тогда придется порыться на косметической полке жены. Там лежит много пластмассовых баночек с кремом для кожи рожи. И среди них наверняка найдется подходящая.
Разборка электродрели
Для того чтобы найти неисправность и отремонтировать устройство, часто приходится разбирать инструмент. Так как все устройства внешне похожи, то их разборку можно представить в следующем виде:
- 
По периметру устройства выкручиваются винты, для этого понадобится воспользоваться крестовой отвёрткой. 
- Выкрутив шурупы, половинки корпуса разъединяют.
- Из пазов аккуратно извлекаются кнопка включения и реверс.
- С одной половины извлекается редуктор. Для того чтобы его вынуть, понадобится провернуть его в посадочном месте.
- Сборка происходит в обратном порядке. При ней необходимо следить, чтобы все снятые элементы и провода располагались в специально выполненных для них углублениях.
Чтобы провести смазку механических частей, потребуется разобрать редуктор. Для этого снимается защитный кожух, после чего выкручиваются шурупы и удаляется верхняя крышка. В качестве смазки используют вязкие материалы, такие как Агринол. Следует отметить, что ремонт электроинструмента своими руками при повреждении редуктора практически невозможен, так как отдельно замену изношенным шестерёнкам трудно приобрести.
При ремонте часто приходится сталкиваться с необходимостью разбора патрона. Он представляет собой быстрозажимную конструкцию. Закрепляется c помощью резьбового соединения или конусом Морзе. При первом способе понадобится с помощью шестигранного ключа открутить крепление, а затем, установив ключ в патрон, плотно его зажать. Сам патрон откручивается вращением ключа. Извлечение крепления с применением конуса Морзе происходит аккуратными ударами в торец патрона.
 
 




