Подготовка к переделке
Перед тем, как приступить к работе над созданием лабораторного агрегата, необходимо определиться, какое напряжение и ток вам нужно от него получить, и выбрать подходящий блок питания от компьютера с контроллером TL494 или аналогом.
Это устройство будет иметь защиту от короткого замыкания, перегрева и перегрузки. Это позволит получать плавно регулируемое напряжение от нуля до 25 В, при токе до 8-10 А.
Подготовка агрегата к модификации заключается в отключении вентилятора, выходных электролитических конденсаторов на линиях +12, +5, + 3,3 В и ненужных жил общей разводки. Карта должна иметь желтый, черный, зеленый и сетевой провода.
Какие детали нужно докупить
Чтобы модифицировать силовой модуль вашего компьютера, вам необходимо приобрести некоторые детали и устройства. Радиолюбители могут оказаться в домашней лаборатории.
Электролитические конденсаторы:
- 22 мкФ / 16 В;
- количество остальных элементов и их мощность такие же, как у деталей, свариваемых в процессе подготовки, но они должны выдерживать напряжение не менее 35-40 В.
Резисторы:
- переменная — 22 кОм и 330 Ом;
- постоянная (кОм) — 47, 15, 10, 1,2 и 3 шт. 2.7.
Устройства:
- вольтметр;
- амперметр — желательно с внутренним шунтом.
Схема доработки компьютерного БП
Для начала нужно удалить все ненужные предметы из обвязки TL494. Чтобы не резать рельсы и не искать детали, которые нужно снимать, можно сделать проще: выпарить и приподнять ножки 1-4 и 13-16 микросхемы.
Капитальный ремонт осуществляется навесным монтажом по схеме:
- Между общим проводом и выводами 1, 2 и 4 контроллера припаяны резисторы 2,7, 2,7 и 1,2 кОм соответственно.
- 2-й и 3-й контакты TL494 подключены через резистор 47 кОм и конденсатор 0,01 мкФ (он находится на плате).
- Между первой ногой и шиной +12 В установлен регулятор на 22 кОм — он будет изменять напряжение на выходе блока питания. Туда же припаян положительный провод вольтметра.
- Пятнадцатый вывод подключен к центральному выводу переменного резистора 330 Ом. Он будет регулировать ток.
- один из его концов идет «в минус», а второй проходит через резистор 10 кОм на выводах 13 и 14, спаянных между собой.
- шестнадцатая ветвь микросхемы подключена к «минусу» через амперметр».
- 14-й вывод подключен ко 2-й и 4-й ногам TL494 через резистор 2,7 кОм и параллельный конденсатор 22 мкФ / 16 В и сопротивление 15 кОм соответственно.
- Устройства подключаются к плате кабелем длиной 10-20 см.
- Припаиваются электролитические конденсаторы на 35-40В.
- Зеленый провод соединен переключателем с «минусом» платы.
Напряжение
После этих изменений на линиях +12 и +5 В напряжение будет установлено на + 25-30 и +10 В. Это можно проверить с помощью тестера.
Далее устанавливается вентилятор. Поскольку он подключен к линии 10 В, это приведет к небольшому снижению скорости вращения.
Источники
- https://Zapitka.ru/masterskaya/peredelka-kompyuternogo-bloka-pitaniya-v-laboratornyy
- https://datagor.ru/practice/power/2246-peredelka-bloka-at-v-reguliruemyy-bolk-pitaniya-0-30v-0-11a.html
- https://SdelaySam-SvoimiRukami.ru/3871-laboratornyy-istochnik-pitaniya-iz-bp-kompyutera.html
- https://Acums.ru/bespereboyniki-i-bloki-pitaniya/skhemy-peredelki-v-laboratorniy-ili-reguliruemiy-v-zaryadnoe-ustroystvo
- https://CleverDIY.ru/kak-samomu-sdelat-blok-pitaniya-iz-kompyuternogo-bp
- https://radioskot.ru/publ/bp/laboratornyj_bp_s_zashhitoj_iz_obychnogo_kompjuternogo/7-1-0-1063
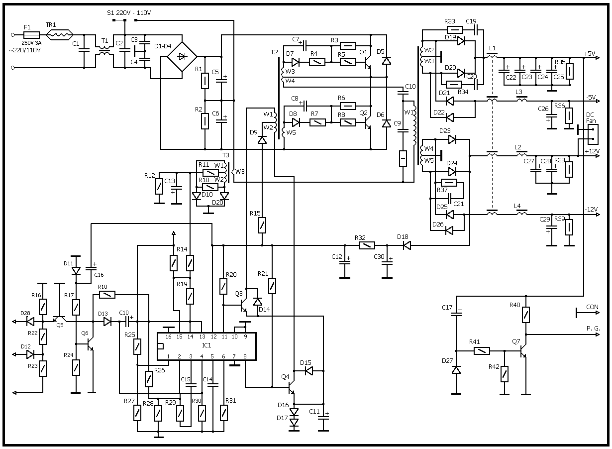
Блок питания ATX-400W — принципиальная схема
Конденсаторы С1, С2 образуют фильтр низкочастотной сети.
Главным достоинством являются высокие показатели КПД усилителей мощности и широкие возможности в использовании. Такая упрощенная схема БП с использованием контроллера широтно-импульсной модуляции показана на следующем рисунке.
Диоды D13, D14 предназначены для рассеивания магнитной энергии, накопленной полуобмотками трансформатора Т2. В случае исправности элементов обвязки заменить U4. Магнитный поток, создаваемый этим током, наводит ЭДС в обмотке положительной обратной связи.
При этом в трансформаторе Т1 накапливается больше электромагнитной энергии, отдаваемой в нагрузку, вследствие чего выходное напряжение повышается до номинального значения. Структурная схема источника рис. Конструктивные особенности Для подключения комплектующих персонального компьютера на БП предусмотрены различные разъемы. Значительно реже происходит отказ вентилятора, но это также приводит к печальным последствиям: от перегрева выгорают дроссели L1, L 2.
Во вторичных обмотках блока питания компьютера, кроме диодных сборок на радиаторах задействованы дроссели. Принципиальные схемы блоков питания ATX. Особых предпочтений в порядке подключения нет, главное все сделать аккуратно и правильно.
Этой величины достаточно для запирания транзистора Q6. Резистор R47 и конденсатор С29 — элементы частотной коррекции усилителя.
Распиновка основного коннектора БП
Проверить исправность цепи стабилизации U1, U2, неисправный элемент заменяется. В отличие от линейных, импульсные блоки питания компактнее и обладают высоким КПД и меньшими тепловыми потерями. Выходной сигнал инвертора подается через токовый датчик Т4 на первичную обмотку силового трансформатора Т1. На неинвертирующий вход усилителя ошибки 1 выв. При протекании тока через первичную обмотку ТЗ происходит процесс накопления энергии трансформатором, передача этой энергии во вторичные цепи источника питания и заряд конденсаторов С1, С2.
Заметим, что у некоторых устройств цветовая маркировка может отличаться от стандартной, как правило, этим грешат неизвестные производители из поднебесной. В отличие от линейных, импульсные блоки питания компактнее и обладают высоким КПД и меньшими тепловыми потерями. С выводов 8 и 11 микросхемы управляющие импульсы поступают в базовые цепи транзисторов Q5, Q6 каскада управления. Импульсный ток, возникающий в процессе заряда конденсаторов, установленных на входе, может стать причиной пробоя диодного моста; Дисковый термистор обозначен красным тестируем диоды или диодный мост на выходном выпрямителе, в них не должно быть обрыва и КЗ. Обзор схем источников питания Главной частью структурной схемы ИП, формата ATX, является полумостовой преобразователь.
Как работает ATX
https://youtube.com/watch?v=xsZ_gd0yiCQ
Схема
Импульсный БП состоит из следующих функциональных блоков:
- фильтр. Не пропускает помехи из сети и обратно (генерируются самим БП);
- выпрямитель со сглаживающим конденсатором. Обычный диодный мост, дает на выходе почти ровное (с низким коэффициентом пульсаций) постоянное напряжение, равное действующему значению переменного селевого напряжения — 311 В;
- инвертор. Состоит из быстро переключающихся силовых ключевых транзисторов и управляющей ими микросхемы. На выходе дает прямоугольный переменный ток. Процесс преобразования в инверторе называют широтно-импульсной модуляцией (ШИМ), а микросхему — ШИМ-контроллером. В рабочем режиме реализована обратная связь, потому в зависимости от мощности подключенной к БП загрузки, контроллер регулирует продолжительность открытия транзисторов, то есть ширину импульсов. Также благодаря обратной связи, компенсируются скачки напряжения на входе и броски, обусловленные коммутацией мощных потребителей. Это обеспечивает высокое качество выходного напряжения;
- импульсный высокочастотный трансформатор. Понижает напряжение до требуемых 12 или 24 В;
- выпрямитель со сглаживающим конденсатором. Преобразует высокочастотное переменное напряжение в постоянное.
Дроссель переменного тока
Основной элемент сетевого фильтра — дроссель. Его сопротивление (индуктивное) возрастает с увеличением частоты тока, потому высокочастотные помехи нейтрализуются, а ток частотой 50 Гц проходит свободно. Дроссель работает тем эффективнее, чем больше размеры магнитопровода, толщина проволоки и больше витков. Дополнительно установленные конденсаторы улучшают фильтрацию, закорачивая высокочастотные помехи и отводя их на «землю».
Также емкостные сопротивления не позволяют в/ч помехам, генерируемым БП, поступать в сеть. Высокочастотный трансформатор отличается от обычного материалом магнитопровода: используются ферриты или альсифер. Выпрямитель после трансформатора собирается на диодах Шоттки, отличающихся высоким быстродействием.
Существует два способа генерации высокочастотного переменного тока:
- однотактная схема. Применяется в БП небольшой мощности — до 50 Вт (зарядки телефонов, планшетов и т.п.). Конструкция простая, но у нее велика амплитуда напряжения на первичной обмотке трансформатора (защищается резисторами и конденсаторами);
-
двухтактная схема. Сложнее в устройстве, но выигрывает в экономичности (выше КПД). Двухтактная схема делится на три разновидности:
- двухполупериодная. Самый простой вариант;
- двухполярная. Отличается от предыдущей присутствием 2-х дополнительных диодов и сглаживающего конденсатора. Реализован обратноходовый принцип работы. Такие схемы широко применяются в усилителях мощности. Важная особенность: продлевается срок службы конденсаторов за счет того, что через них протекают меньшие токи;
- прямоходовая. Используется в БП большой мощности (В ПК и т.п. устройствах). Выделяется наличием габаритного дросселя, накапливающего энергию импульсов ШИМ (направляются на него через два диода, обеспечивающих одинаковую полярность).
2-тактные БП отличаются схемой силового каскада, есть три модификации:
- полумостовая: чувствительна к перегрузкам, потому требуется сложная защита;
- мостовая: более экономична, но сложна в наладке;
- пушпульная. Наиболее экономична и потому весьма востребована, особенно в мощных БП. Отличается присутствием среднего вывода у первичной и вторичной обмоток трансформатора. В течение периода работает то одна, то другая полуобмотка, подключаемая соответствующим ключевым транзистором.
Стабилизации выходного напряжения добиваются следующими способами:
- применением дополнительной обмотки на трансформаторе. Это самый простой способ, но и наименее действенный. Снимаемое с нее напряжение корректирует сигнал на первичной обмотке;
- применением оптопары. Это более эффективный способ. Основные элементы оптопары — светодиод и фототранзистор. Схема устроена так, что протекающий через светодиод ток пропорционален выходному напряжению. Свечение диода управляет работой фототранзистора, подающего сигналы ШИМ-контроллеру.
Таким образом, в данной методике контролируется непосредственно напряжение на вторичной обмотке, при этом отсутствует гальваническая связь с генератором ключевого каскада.
При подключении последовательно с оптопарой стабилитрона качество стабилизации становится еще выше.
Сборка в железе
Раньше у меня был очень плохой блок питания еще на транзисторах. Я подумал, почему бы его не переделать? Вот и результат 😉

Здесь мы видим импортный диодный мост GBU606. Он рассчитан на ток до 6 Ампер, что с лихвой хватает нашему блоку питания, так как он будет выдавать максимум 1,5 Ампера в нагрузку. LM-ку я поставил на радиатор с помощью пасты КПТ-8 для улучшения теплообмена. Ну а все остальное, думаю, вам знакомо.

А вот и допотопный трансформатор, который выдает мне напряжение 12 Вольт на вторичной обмотке.

Все это аккуратно упаковываем в корпус и выводим провода.

Ну как вам ? 😉

Минимальное напряжение у меня получилось 1,25 Вольт, а максимальное – 15 Вольт.


Ставлю любое напряжение, в данном случае самые распространенные 12 Вольт и 5 Вольт


Все работает на ура!
Очень удобен этот блок питания для регулировки оборотов мини-дрели, которая используется для сверления плат.

Лабораторный блок питания своими руками 1,3-30В 0-5А
Немножко подумав, мы сделали свою интерпретацию данного блока питания. Повысили емкость входных конденсаторов, убрали элементы измерительной головки и добавили парочку защитных диодов. Применения в этой схеме КТ818 было абсолютно неоправданно, он безбожно грелся и безвозвратно издох, пока его не заменили парой недорогих транзисторов TIP36C, которые включили параллельно.
Настройку блока питания необходимо проводить в несколько этапов:
Первое включение производится без LM301 и транзисторов. Регулятором Р3 проверяем, как регулируется напряжение. За регулировку напряжения отвечают LM317, Р3, R4 и R6, С9.
Если регулировка напряжения производиться нормально, тогда к схеме подключаем транзисторы. Пару транзисторов покупать лучше с одной партии, с максимально близким hFE. Для нормальной работы параллельно включенных транзисторов, в цепи эмиттера должны находиться балансировочные резисторы R7 и R8. Номинал R7 и R8 необходимо подбирать, сопротивление должно быть максимально низким, но достаточным, что бы ток проходящий через Т1 был равен току проходящим через Т2. На данном этапе к выходу БП можно подключать нагрузку, но ни в коем случае не стоит устраивать КЗ – транзисторы моментально выйдут из строя, забрав с собой и LM317.
Следующим этапом станет установка LM301
Важно убедиться, что на 4-й ножке операционного усилителя присутствует -6 В. Если там +6 В, то необходимо внимательно осмотреть, как у Вас включен диодный мост BR2 и правильно ли подключен конденсатор С2
Питание LM301 (7я ножка) МОЖНО брать с выхода БП.
Вся дальнейшая настройка сводиться к подгону Р1 под максимальный рабочий ток блока питания. Как видим, настроить лабораторный блок питания своими руками будет совсем не трудно, главное не допустить ошибки при монтаже.
Используемые нами основные компоненты:
- Трансформатор ТПП 306-127/220-50. Позволяет выжать с каждой 20 вольтовой обмотки по 2,56 А, включив их параллельно получим 5,12 А. Остальные обмотки идут на питание операционного усилителя, вентилятора и цифрового вольтамперметра;
- Стабилизатор — LM317К;
- Транзисторы — TIP36C;
- Операционный усилитель — LM301AN;
- Конденсаторы электролитические – номинал см. схему, максимальным напряжением до 50В;
- Диоды BR2 – 1N1007;
- Диоды BR1 — MBR20100CT;
- Резисторы R1 – 33 Ом, 2Вт;
- Резисторы R5, R7, R8 – 0,1 Ом, 5Вт;
- Остальные резисторы мощностью — 0,25Вт;
- Резисторы Р1 – многооборотный подстроечный 470 кОм;
- Предохранитель F2 – самовосстанавливающейся предохранитель от Littelfuse на 7А/30В.
Лабораторный блок питания
Схема лабораторного блока питания содержит LM324-микросхему. Она включает в себя четыре усилителя. Лабораторный блок является источником питания с высочайшей точностью выходного сигнала.

Он маленький, но с большим КПД. Этот агрегат должен иметь большой корпус. Необходимо подобрать радиатор под размер корпуса и трансформатор. Также понадобятся конденсаторы и шунт.

Схема агрегата включает в себя:
- Преобразователь;
- Пусковой механизм;
- Разнообразные компоненты.

Основу блока питания составляет ir2153. Схема содержит стабилизатор интенсивности для питания всей схемы. Пусковой механизм является сложным устройством в данном блоке. Устройство функционирует в линейном режиме и обеспечивает плавную регулировку тока и напряжения.









Во время функционирования они не нагреваются. Усилитель подпитывается от более сильного стабилизатора. Опорное напряжение подается посредствам операционного усилителя.

Известные принципиальные схемы
Навыки чтения лучше закреплять на хорошо описанных схемах, ставших уже классическими. Они содержат небольшое количество интегральных элементов.
Радиоприемник “Ишим-003”
Устройство выпускалось с 1984 г. Оно представляет собой приемник частотно- и амплитудно-модулированных радиоволн в коротком, среднем и длинном диапазонах. Получил широкое распространение среди радиолюбителей.
Принципиальная схема Ишим-003.
Он выполнен по схеме супергетеродина с двумя каналами (ЧМ и АМ) и преобразователем частоты.
Частотно-модулированный канал выполнен из усилителя ВЧ, преобразователя, УПЧ и частотного детектора. Канал с модуляцией по амплитуде состоит из УВЧ, ПЧ, УПЧ и амплитудного детектора.
По низким частотам усиление производится общим УНЧ. В конструкцию входит электронно-счетная шкала, индикатор настройки и блок питания.
Вега-108 стерео
Аппарат появился в 1979 г. и представляет собой стереофонический электропроигрыватель грампластинок с выходной мощностью 2*10 Вт и частотой звука 63-18000 Гц. Устройство работает не только как усилитель внешних сигналов, но и может производить запись на магнитофон.
Принципиальная схема электрофона состоит из блоков:
- коммутации;
- регуляторов;
- питания;
- предусилителя;
- модуля усилителя мощности;
- акустической системы.
Основной частью элементной базы проигрывателя стали транзисторы: КТ815В, КТ814В, КТ315Г. Блок питания аппарата включает в себя понижающий трансформатор с 5 вторичными обмотками, 2 диодных моста и стабилизатор напряжения, выполненный на транзисторе КТ315В.
Схема Вега-108 стерео.
В качестве головки звукоснимателя используется прибор Г-602. Предварительный усилитель состоит из 2 каналов на транзисторах КТ3102Д, КТ361Е, КТ315Б. Коммутатор сделан из переключателей и электронной схемы.
Алмаг-01
Медицинский прибор Алмаг-01 предназначен для лечения кожных заболеваний, ЖКТ, ЛОР-органов. Воздействует на организм импульсным электромагнитным полем.
Схема устройства включает в себя:
- сетевой шнур;
- катушки-индукторы (излучатели);
- кабель для соединения ленты излучателей с блоком управления;
- бесперебойный блок питания;
- генератор импульсного тока;
- блок управления.
Схема Алмаг-01.
Мультиметр DT-832
Универсальный прибор для измерения разных электрических величин (напряжения, сопротивления, силы тока и др.). Основой измерительного прибора является микроконтроллер АЦП ICL1706 или его аналоги.
Устройство включает в себя:
- аналоговую часть;
- интегратор;
- компаратор;
- жидкокристаллический дисплей;
- цифровую часть с логикой управления.
Прибор удобен в использовании как в быту, так и на производстве.
https://youtube.com/watch?v=tUuqFE160ws
1+
Как сделать лицевую панель?
Большая часть работ – это проектирование корпуса, а не сборка электрической схемы. Придется вооружиться дрелью, напильниками, а при необходимости окрашивания еще и освоить малярное дело. Можно изготовить самодельный блок питания на основе корпуса от какого-нибудь устройства. Но если есть возможность приобрести листовой алюминий, то при желании вы сделаете красивое шасси, которое прослужит вам долгие годы. Для начала нарисуйте эскиз, в котором расположите все элементы конструкции
Особое внимание уделите проектированию лицевой панели. Ее можно сделать из тонкого алюминия, только изнутри провести усиление – прикрутить к алюминиевым уголкам, которые применяются для придания большей жесткости конструкции

В лицевой панели обязательно следует предусмотреть отверстия для установки измерительных приборов, светодиодов (или ламп накаливания), клемм, соединенных с выходом блока питания, гнезда для установки плавких предохранителей (при выборе такого варианта защиты). Если вид лицевой панели не очень привлекательный, то ее нужно покрасить. Для этого обезжириваете и зачищаете до блеска всю поверхность. Перед началом окрашивания сделайте все необходимые отверстия. Нанесите 2-3 слоя грунтовки на прогретую поверхность, дайте высохнуть. Далее нанесите столько же слоев краски. В качестве финишного покрытия нужно применять лак. В итоге мощный лабораторный блок питания благодаря краске и получившемуся блеску будет выглядеть красиво и привлекательно, впишется в интерьер любой мастерской.
Распределение нагрузки и возможные неисправности
Проверка БП компьютера измерением величины сопротивления выходных цепей При ремонте БП некоторые виды его неисправности можно определить путем измерения омметром величины сопротивления между общим проводом GND черного цвета и остальными контактами выходных разъемов.
Главным достоинством являются высокие показатели КПД усилителей мощности и широкие возможности в использовании. Кроме основного контактного разъёма питания из блока выходят провода с колодками для подключения напряжения к жесткому диску, оптическому приводу SATA и MOLEX, дополнительное питание процессора, видеокарты, питание для флоппи-дисковода. Это снизит уровень шума, но не стоит так делать, если блок питания нагружен полностью.
Этот блок отвечает за управление силовыми транзисторами 4 блок , стабилизацию напряжения с помощью обратной связи , защиту от КЗ. Стабилизация выходных параметров устройства осуществляется с помощью широтно-импульсной модуляции управляющих сигналов. Если возникли проблемы с работой источника дежурного питания, то БП может после пуска сразу отключиться.
Вторая половина моста образована конденсаторами С1, С2, создающими делитель выпрямленного напряжения. Поэтому большинство неисправностей БП персональных компьютеров связаны либо со старением его компонентов, либо со значительными отклонениями питания или нагрузки от номинальных параметров. Двухзвенный фильтр выходного напряжения состоит из конденсатора С15, дросселя L3 и конденсатора С Это один из самых не надежных узлов блока питания и ремонтировать его сложно.
Установка компьютерного блока питания в корпус системного блока Для этого засовываете его в верхнюю часть системного блока, и затем фиксируете тремя или четырьмя винтами к тыловой панели системного блока. Возможные неисправности БП Использование в течение многих лет отработанной схемы импульсного преобразователя позволило сделать ее крайне надежной. По бокам тоже бывают наклейки, мешающие снять крышку, их нужно прорезать по линии сопряжения деталей корпуса БП.
Резистор R67 — нагрузка делителя. Диодный мостик — находится сразу за фильтром помех и позволяет преобразовать переменный электроток в постоянный пульсирующий. Такая упрощенная схема БП с использованием контроллера широтно-импульсной модуляции показана на следующем рисунке. В отличие от линейных, импульсные блоки питания компактнее и обладают высоким КПД и меньшими тепловыми потерями.
Если же отсутствует напряжение только на одном из управляемых силовых выходов, стоит в первую очередь обратить внимание на выпрямительный диод и фильтрующий конденсатор этой цепи. Неисправности компьютерного блока питания и способы их диагностирования и ремонта Приступая к поиску неисправности рекомендуется ознакомится со схемой компьютерного БП
Ground Масса. У него 20 выводов, на современных материнских платах подключается дополнительных 4 вывода. Но, из-за дороговизны, эти комплектующие могут отсутствовать.
Отрицательные напряжения -5 и В раз в десять слабее основных плюсовых, поэтому там стоят простые 2-х амперные диоды без радиаторов. Простой пример, если произошла утечка тока и человек дотронулся до корпуса системного блока его ударило бы током, но благодаря блоку питания этого не происходит. Единственная микросхема способна выполнять роль преобразователя и корректора КМ, что сокращает общее количество элементов в схеме БП. Кроме основного контактного разъёма питания из блока выходят провода с колодками для подключения напряжения к жесткому диску, оптическому приводу SATA и MOLEX, дополнительное питание процессора, видеокарты, питание для флоппи-дисковода.
как сделать лабораторный блок питания и зарядник из компьютерного блока питания АТХ ч.1
https://youtube.com/watch?v=DAiNc68t9V0
Схемы блоков питания
Напряжение лабораторного БП располагается в интервале от 0 до 35 вольт. Для этой цели подходят схемы, по которым можно собрать следующие БП:
- однополярный;
- двуполярный;
- лабораторный импульсный.
Конструкции подобных устройств обычно собраны либо на обычных трансформаторах напряжения (ТН), либо на импульсных трансформаторах (ИТ).
Внимание! Отличие ИТ от ТН в том, что на обмотки ТН подается синусоидальное переменное напряжение, а на обмотки ИТ приходят однополярные импульсы. Схема включения обоих абсолютно идентична
Импульсный трансформатор
Простой лабораторный
Однополярный БП с возможностью регулировать выходное напряжение можно собрать по схеме, в которую входят:
- понижающий трансформатор Tr ( 220/12…30 В);
- диодный мост Dr для выпрямления пониженного переменного напряжения;
- электролитический конденсатор С1 (4700 мкФ*50В) для сглаживания пульсации переменной составляющей;
- потенциометр для регулировки выходного напряжения Р1 5 кОм;
- сопротивления R1, R2, R3 номиналом 1кОм, 5,1 кОм и 10 кОм, соответственно;
- два транзистора: Т1 КТ815 и Т2 КТ805, которые желательно установить на теплоотводы;
- для контроля напряжения на выходе устанавливают цифровой вольтамперметр, с интервалом измерений от 1,5 до 30 В.
В коллекторную цепь транзистора Т2 включены: С2 10 мкф * 50 В и диод Д1.
Схема простого БП
К сведению. Диод устанавливают для защиты С2 от переполюсовки при подключении к аккумуляторам для подзарядки. Если такая процедура не предусмотрена, можно заменить его перемычкой. Все диоды должны выдерживать ток не менее 3 А.
Печатная плата простого БП
Двухполярный источник питания
Для питания усилителей низкой частоты (УНЧ), имеющих два “плеча” усиления возникает необходимость в применении двухполярного БП.
Важно! Если монтировать лабораторный БП, стоит остановить внимание именно на аналогичной схеме. Источник питания должен поддерживать любые форматы выдаваемого постоянного напряжения
Двухполярный ИП на транзисторах
Для такой схемы допустимо применять трансформатор с двумя обмотками на 28 В и одной на 12 В. Первые две – для усилителя, третья – для питания охлаждающего вентилятора. Если таковой не окажется, то достаточно двух обмоток равного напряжения.
Для регулировки выходного тока применены наборы резисторов R6-R9, подключаемые с помощью сдвоенного галетного переключателя (5 положений). Резисторы подбирают такой мощности, чтобы они выдерживали ток более 3 А.
Переменный резистор R нужно брать сдвоенный номиналом 4.7 Ом. Так проще осуществлять регулировку по обоим плечам. Стабилитроны VD1 Д814 соединены последовательно для получения 28 В (14+14).
Для диодного моста можно взять диоды подходящей мощности, рассчитанные на ток до 8 А. Допустимо устанавливать диодную сборку типа KBU 808 или аналогичную. Транзисторы КТ818 и КТ819 необходимо установить на радиаторы.
Подбираемые транзисторы должны иметь коэффициент усиления от 90 до 340. БП после сборки не требует специальной наладки.
Лабораторный импульсный бп
Отличительной чертой ИПБ является рабочая частота, которая в сто раз выше частоты сети. Это дает возможность получить большее напряжение при меньшем количестве витков обмотки.
Информация. Чтобы получить 12 В на выходе ИПБ с током 1 А для сетевого трансформатора достаточно 5 витков при сечении провода 0,6-0,7 мм.
Простой полярный ИП можно собрать, используя импульсные трансформаторы от компьютерного БП.
Лабораторный блок питания своими руками можно собрать по схеме приведенной ниже.
Схема импульсного блока питания
Данный источник питания собран на микросхеме TL494.
Важно! Для управления Т3 и Т4 используется схема, в которую входит управляющий Тr2. Это связано с тем, что встроенные ключевые элементы микросхемы не имеют достаточной мощности
Трансформатор Тr1 (управляющий) берут от компьютерного БП, он «раскачивается» при помощи транзисторов Т1 и Т2.
Особенности сборки схемы:
- для минимизации потерь при выпрямлении используют диоды Шоттки;
- ESR электролитов в фильтрах на выходе должен быть как можно ниже;
- дроссель L6 от старых БП применяют без изменения обмоток;
- дроссель L5 перематывают, намотав на ферритовое кольцо медный провод диаметром 1,5 мм, набрав 50 витков;
- Т3, Т4 и D15 крепят на радиаторы, предварительно отформатировав выводы;
- для питания микросхемы, управления током и напряжением применяют отдельную схему на Tr3 BV EI 382 1189.
Вторичная обмотка выдает 12 В, которые выпрямляются и сглаживаются при помощи конденсатора. Микросхема линейного стабилизатора 7805 стабилизирует его до 5 В для питания схемы индикации.
Внимание! Допустимо использовать в этом БП любую схему вольтамперметра. В таком случае микросхема для стабилизации 5 В не понадобится
Фото блоков питания своими руками
https://youtube.com/watch?v=ETArHgrN05A
https://youtube.com/watch?v=plJ0uUZJkVU
Также рекомендуем просмотреть:
- Вентилятор своими руками
- Прикормка своими руками
- Откатные ворота своими руками
- Ремонт компьютера своими руками
- Станок по дереву своими руками
- Столешница своими руками
- Брусья своими руками
- Лампа своими руками
- Котел своими руками
- Установка кондиционера своими руками
- Отопление своими руками
- Фильтр для воды своими руками
- Как сделать нож своими руками
- Усилитель сигнала своими руками
- Ремонт телевизора своими руками
- Зарядное для аккумулятора своими руками
- Точечная сварка своими руками
- Дымогенератор своими руками
- Металлоискатель своими руками
- Ремонт стиральных машин своими руками
- Ремонт холодильника своими руками
- Антенна своими руками
- Ремонт велосипеда своими руками
- Сварочный аппарат своими руками
- Холодная ковка своими руками
- Трубогиб своими руками
- Дымоход своими руками
- Заземление своими руками
- Стеллаж своими руками
- Светильник своими руками
- Жалюзи своими руками
- Светодиодная лента своими руками
- Нивелир своими руками
- Замена ремня ГРМ своими руками
- Лодка своими руками
- Как сделать насос своими руками
- Компрессор своими руками
- Усилитель звука своими руками
- Аквариум своими руками
- Сверлильный станок своими руками
Схема и описание
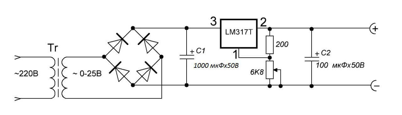
Как-то недавно мне в интернете попалась одна схема очень простого блока питания с возможностью регулировки напряжения. Регулировать напряжение можно было от 1 Вольта и до 36 Вольт, в зависимости от выходного напряжения на вторичной обмотке трансформатора.

Внимательно посмотрите на LM317T в самой схеме! Третья нога (3) микросхемы цепляется с конденсатором С1, то есть третяя нога является ВХОДОМ, а вторая нога (2) цепляется с конденсатором С2 и резистором на 200 Ом и является ВЫХОДОМ.
С помощью трансформатора из сетевого напряжения 220 Вольт мы получаем 25 Вольт, не более. Меньше можно, больше нет. Потом все это дело выпрямляем диодным мостом и сглаживаем пульсации с помощью конденсатора С1. Все это подробно описано в статье как получить из переменного напряжения постоянное. И вот наш самый главный козырь в блоке питания – это высокостабильный регулятор напряжения микросхема LM317T. На момент написания статьи цена этой микросхемы была в районе 14 руб. Даже дешевле, чем буханка белого хлеба.





