Рекомендации по правильной сборке усилителя звука своими руками
Устройство для усиления качества звука, собранное в домашних условиях на основе микросхем серий TDA и их аналогов, выделяет много тепла. Для охлаждения нужна радиаторная решетка подходящего размера в зависимости от модели самой микросхемы и мощности усилителя. В корпусе нужно предусмотреть место для нее.
Преимущество аппарата, изготовленного своими руками в низком потреблении энергии, что позволяет использовать его в автомобилях, подключив к аккумулятору, а также в дороге или дома с помощью батареи. Потребляемая мощность зависит от необходимой степени усиления сигнала. Некоторым изготовленным моделям требуется напряжение тока всего лишь в 3 Вольта.


Фото усилителя звука своими руками
https://youtube.com/watch?v=jGGhylrLBAQ
Также рекомендуем просмотреть:
- Полировка фар своими руками
- Строительные леса своими руками
- Точилка для ножей своими руками
- Антенный усилитель
- Восстановление аккумулятора
- Мини паяльник
- Как сделать электрогитару
- Оплетка на руль
- Фонарик своими руками
- Как заточить нож для мясорубки
- Электрогенератор своими руками
- Солнечная батарея своими руками
- Течет смеситель
- Как выкрутить сломанный болт
- Зарядное устройство своими руками
- Схема металлоискателя
- Станок для сверления
- Нарезка пластиковых бутылок
- Аквариум в стене
- Врезка в трубу
- Стеллаж в гараж своими руками
- Симисторный регулятор мощности
- Фильтр низких частот
- Вечный фонарик
- Нож из напильника
- Трос в оплетке
- Пескоструйный аппарат своими руками
- Генератор дыма
- Ветрогенератор своими руками
- Акустический выключатель
- Воскотопка своими руками
- Туристический топор
- Стельки с подогревом
- Паяльная паста
- Полка для инструмента
- Пресс из домкрата
- Золото из радиодеталей
- Штанга своими руками
- Как установить розетку
- Ночник своими руками
- Аудио передатчик
- Датчик влажности почвы
- Счетчик Гейгера
- Древесный уголь
- Wi-Fi антенна
- Электровелосипед своими руками
- Ремонт смесителя
- Индукционное отопление
- Стол из эпоксидной смолы
- Трещина на лобовом стекле
- Эпоксидная смола
- Как поменять кран под давлением
- Кристаллы в домашних условиях
Помогите проекту, поделитесь в соцсетях 😉
LM3886 параллельное соединение
Даже многочисленные коммерческие УМЗЧ использовались с параллельной парой LM3886. Но это совсем не дело. Даже очень небольшое смещение постоянного или переменного тока вызывает сильный ток между встроенными выходными контактами. Большинство схем рекомендует 0,1 Ом, но если разница между выходами двух усилителей составляет 1 В, это означает что ток равен уже 5 А.

Хотя это может показаться допустимым, надо учитывать допуски сопротивления и встроенные напряжения смещения. Используя один конденсатор для линии обратной связи C2, два усилителя имеют точно такое же низкочастотное АЧХ, что исключает возможность прохождения очень низкой частоты, которая вызывает большие смещения на выходах интеграторов усилителя мощности.
Если используются резисторы с допуском 0,1%, можно ожидать, что наихудший циркулирующий ток между интегральными схемами будет около 220 мА при том же пиковом напряжении, что представляет собой значительное снижение. Это уменьшит распределение нагрузки с 28 Вт до 3 Вт (в зависимости от выходного напряжения)
Обратите внимание, что смещение по постоянному току не учитывается, но всё-же должно приниматься во внимание
В общем лучший совет, который можем дать о параллельной работе LM3886 — не делайте этого!
TDA7294 можно использовать в мостовом включении, но только при нагрузке 8 Ом, а напряжение питания не должно превышать ± 35 В. Добавление внешних силовых транзисторов позволяет использовать и усилители мощности LM3886 в мосте, но общая схема станет очень дорогая и сложная.
Нет сомнений в том, что метод усиления транзисторами работает, но это не то, что можно предложить для системы hi-fi. Если же используете сабвуфер, скорее всего вообще не услышите искажения, так как они уменьшаются с уменьшением частоты.
Транзисторные УНЧ
Транзисторные усилители мощности низкой частоты (УМЗЧ) для звуковой и аудио-аппаратуры. В разделе собраны принципиальные схемы самодельных усилителей мощности НЧ на биполярных и полевых транзисторах.
Здесь вы найдете схемы транзисторных усилителей разной сложности и с разным классом мощности:
- низкой мощности — до 1,5 Ватт;
- средней мощности — от 1,5 Ватт до 20 Ватт;
- большой мощности — 25 Ватт, 50 Ватт, 100 Ватт, 200 Ватт, 300 Ватт и более.
Для самодельного аудио-комплекса или при ремонте музыкального центра можно изготовить многоканальный усилитель мощности в конфигурациях:
- система 2.1 (сабвуфер + 2 сателлита);
- система 5.1 (сабвуфер + 5 сателлитов);
- стерео — два канала усиления;
- квадро — четыре канала усиления.
На транзисторах можно без лишних сложностей собрать небольшой самодельный усилитель для наушников. Присутствуют очень простые и доступные по себестоимости конструкции усилителей, которые прекрасно подойдут для изготовления начинающими радиолюбителями.
Усилитель построен по простой схеме на трех транзисторах. На выходе, на нагрузке сопротивлением 4 От выдает мощность 2W при питании от источника напряжением 12V. Входное сопротивление усилителя мало, и составляет 470 Ом. Столь малое входное сопротивление позволяет ему хорошо согласовываться .
Схема самодельного гибридного усилителя звука на лампах и микросхемах с выходной мощностью 30 Ватт. Усилитель построен на лампе ECC88 (отечественный аналог — 6Н23П) и мощной микросхеме LM3875.
Принципиальная схема гитарного усилителя мощности низкой частоты с предусилителем и темброблоком. УМЗЧ собран на транзисторах TIP142 и TIP147, выходная мощность — 40Вт на 8 Ом, 60 Вт на 4 Ома.
Несколько принципиальных схем высококачественных УМЗЧ на полевых транзисторах, привлекающие своей простотой и техническими характеристиками. Применение полевых транзисторов в усилителе мощности позволяет значительно повысить качество звучания при общем упрощении схемы.
Схема электрическая принципиальная усилителя приведена на рисунке (в скобках приведены замененные элементы). Данная конструкция является модернизациейразработки . Принципиальная схема УМЗЧ на MOSFET транзисторах (200Вт). Все основные части усилителя — трансформатор, радиаторы .
При разработке усилителей ЗЧ с максимальной выходной мощностью более 100 Вт первостепенноезначение приобретает необходимость получения возможно большего КПД усилителя при достаточно малых нелинейных искажениях. Вопрос о допустимом проценте нелинейных искажений усилителя ЗЧ не раз обсуждался на .
Свое знакомство с мощными усилителями я начал в 1958 году, когда учился в энергетическомтехникуме, и мне поручили обслуживать радиоузел. Он состоял из трех частей: малогабаритной радиотрансляционной установки “ТУ-100″, магнитофона “Днепр 9” и ЛАТРа на .
Уже давно разработчики УМЗЧ задают себе вопрос: до какого уровня необходимо снижать нелинейность усилителя? . Если проанализировать рекламные журналы по аудиотехнике, то гармонические искажения даже “топовых” моделей УМЗЧ в основном лежат в диапазоне 0,003. 0,05% .
Всем доброго времени суток! Вот с чем я осмелюсь с Вами поделиться. Тема для многих известна, и понятна. В чём она состоит. Дальше чисто моё ИМХО. Давно любителям звука внушают – если лампы, то в любом проявлении, а если транзисторы, то чтобы их было o-очень много! Иначе лапового звука не добьёшься. Например советские стандарты сначала классифицировали аудио-аппаратуру по кассам 4-й, 3-й, 2-й, 1-й!, и наконец.
Принципиальная схема простого трехтранзисторного усилителя мощности для применения в разнообразной малогабаритной аппаратуре. Зачастую, от «компьютерных колонок» требуется только воспроизведение каких-то звуковых сигналов, речевых сигналов, не требующих HI-FI или Hl-end качества .
Устройство для наушников
Усилители для мобильного телефона питаются в основном за счет батареек, поэтому важно собрать прибор с низким потреблением энергии
Представленная далее инструкция соответствует этому требованию
Если владельцу не так важно портативность, можно встроить разъем для питания от электросети
Не рекомендуется использовать импульсные детали, так как они могут создавать помехи и ухудшать качество звука.
Для создания самодельного устройства лучше выбрать следующие элементы:
- медный кабель 30-40 см;
- вход для адаптера;
- микросхема KA2209;
- вход для штекера;
- 4 конденсатора 100 мкФ.
Схемой для сборки можно пользоваться от аналогичной платы TDA2822. От использования радиатора можно отказаться, выполнив устройство навесным монтажом.
Конструкция самодельного усилителя
Это, пожалуй, был самый сложный момент в изготовлении, так как подходящего готового корпуса не нашлось и пришлось выдумывать возможные варианты :-)) Чтобы не лепить кучу отдельных радиаторов, решил использовать корпус-радиатор от автомобильного 4-канального усилителя, довольно больших размеров, примерно такой:
Все «внутренности» были, естественно, извлечены и компоновка получилась примерно такой (к сожалению фотографию соответствующую не сделал):
— как видно, в эту крышку-радиатор установились шесть плат оконечных УМЗЧ и плата предварительного усилителя-темброблока. Плата блока фильтров уже не влезла, поэтому была закреплена на добавленной затем конструкции из алюминиевого уголка (её видно на рисунках). Также, в этом «каркасе» были установлены трансформаторы, выпрямители и фильтры блоков питания.
Вид (спереди) со всеми переключателями и регуляторами получился такой:
Вид сзади, с колодками выходов на динамики и блоком предохранителей (поскольку никакие схемы электронной защиты не делались из-за недостатка места в конструкции и чтобы не усложнять схему):
В последующем каркас из уголка предполагается, конечно, закрыть декоративными панелями для придания изделию более «товарного» вида, но делать это будет уже сам «заказчик», по своему личному вкусу. А в целом, по качеству и мощности звучания, конструкция получилась вполне себе приличная. Автор материала: Андрей Барышев (специально для сайта 2shemi.ru).
УНЧ TDA8196 12 дБ
Простая схема усилителя мощности на TDA8196. Схема для начинающего радиолюбителя. Не требует много деталей и простая в сборке. Миниатюрный мостовой усилитель мощности низкой частоты с электронным регулятором громкости.

Есть защита выходного каскада от кроткого замыкания, термозашита при перегрузках. Ну и конечно же защита от статики. Усилитель можно регулировать и как потенциометром, так и простым электронным регулятором громкости.
Характеристики TDA8196
| Напряжение питания Uпит | 10,8 — 13,2 В |
| Ток потребления Iпотр | 12 мА |
| Опорное напряжение Uопорн | 6,6 В |
| Входное аудио сопротивление | 10 — 13 кОм |
| Входное аудио сопротивление | 0,2 — 1 кОм |
| Коэффициент гармоник Kr | 0,4 — 1 % |
| Напряжение шума на выходе | 40 мкВ |
Простейший усилитель звука
Необходимые материалы
Чтобы самостоятельно сделать усилитель, потребуется подготовить:
- микросхему LM386;
- источник постоянного тока напряжением 9 В (батарея типа «Крона» или банка из 6 стандартных 1,5-вольтовых батареек);
- корпус для установки батареек или переходная плата для элемента «Крона»;
- громкоговоритель 1 Ватт с катушкой сопротивлением 8 Ом;
- разъем для подсоединения штекера диаметром 3,5 мм;
- сопротивление номиналом 10 Ом;
- конденсатор емкостью 0,05 мкФ;
- выключатель цепи питания.
Требования к блоку питания
Блоки питания для УМЗЧ (усилитель мощности звуковой частоты) определяют класс устройства. В конструкции изделий предусматриваются фильтры для устранения помех, а выходное напряжение не должно пульсировать. Адаптеры строятся на основе стандартного трансформатора с полупроводниковым мостом выпрямления, импульсные устройства для питания усилителей звука не применяются.
Для устранения пульсации тока в цепи выпрямителя устанавливаются конденсаторы с повышенной емкостью. В базовом усилительном блоке применяется химический источник постоянного тока, в котором отсутствуют источники радиочастотных помех. Недостатком является низкая емкость, которой хватает на 1-3 часа работы оборудования.
Этапы работы
Краткий алгоритм изготовления:
- Нарисовать на листе бумаги схему усилительного блока, что позволит корректно соединить электронные компоненты. Для определения назначения контактов необходимо расположить микросхему полукруглой выемкой от себя.
- Припаять кабель, соединяющий положительный полюс батареи с цепью питания микросхемы. Шнур присоединяется к ножке, отмеченной на корпусе цифрой 6 (вторая позиция снизу на правой стороне чипа).
- Установить в разрыв положительного кабеля питания переключатель, позволяющий управлять работой малогабаритного усилителя.
- Присоединить к нижнему контакту на правой стороне чипа положительный выход конденсатора.
- Соединить отрицательный выход конденсатора с положительной клеммой громкоговорителя. Допускается использование удлинительного медного провода, позволяющего разнести усилительный блок и репродуктор.
- Припаять отрезок кабеля к отрицательному полюсу громкоговорителя. Противоположный конец провода подсоединяется к нижней лапке на левой стороне микросхемы. Дополнительный кабель соединяет нижний контакт со второй точкой сверху, расположенной на левой кромке чипа.
- Присоединить контакт сопротивления к ножке, расположенной между пинами, использованными для коммутации отрицательного вывода динамика.
- Соединить каналы разъема для коммутации внешнего источника звука в общий тракт. Оснастить противоположный вывод резистора удлинительным проводом, который выводится к полученному общему положительному контакту разъема.
- Отрицательный выход разъема заземляется (выводится к отрицательному полюсу динамика). К этой же точке подводится минусовой сигнал от источника питания.
- Установить детали в пластиковый корпус подходящих размеров и конфигурации. Полученная конструкция, собранная из подручных материалов, может использоваться как портативная колонка, которая подключается к смартфону или ноутбуку.
Схема
Учитывая, что LM317 может работать с максимальным током в 1,5 А, на выходе получаем относительно небольшую выходную мощность. К счастью, это ограничение можно преодолеть путем соединения нескольких LM317 параллельно, как представлено на схеме:
Увеличение по клику
Максимальное входное напряжение для LM317 составляет 40 В, поэтому, казалось бы, запитать усилитель можно от двухполярного источника с напряжением не более ±20 V. Однако, операционный усилитель, допускает работу с максимальным напряжением питания ±18 В. Поэтому, по мнению автора, работа схемы от источника питания с напряжением ±15В будет вполне разумным и безопасным решением.
Определившись с напряжением питания мы можем рассчитать необходимый ток покоя. Для нагрузки сопротивлением 8 Ом он составит 15 В/8Ω=1,875 А. Теоретическая максимальная мощность будет составлять около 14 Вт, хотя на практике получилось 12 Вт при чисто резистивной нагрузке. Так как акустическая система далека по своим свойствам от резистивной нагрузки, ток покоя следует взять несколько больший, например, 2,2А. В этом случае величина токозадающего резистора составит 1,25/2,2=0,56 Ω.
При этом на резисторе будет рассеивать чуть меньше 3 Вт, поэтому рекомендуется использовать резистор мощностью не менее 5 Вт. При таких параметрах потребляемая мощность одного канала усилителя составит 30×2,2=66 Вт.
А что вы хотели? Класс «А»!
Особенности создания стерео систем
Конструкции такого типа сложны для создания своими руками. Их регулировка и отладка требуется дополнительного измерительного оборудования, которое имеется далеко не у всех радиолюбителей.
- Однако схожий по свойствам усилитель можно собрать по схеме класса «А», где входной и выходной сигналы повторяют друг друга, а мощность звука достигает 15 Ватт.
- Основой для такого устройства станут транзисторы КТ803, КТ 805 и КТ 819.
Стоит учитывать, что схема отличается большим энергопотреблением, и при отсутствии сигнала транзисторы нагреваются. Поэтому их устанавливают на транзисторы.
- В качестве альтернативы можно добавить в цепь кулер, используемый для охлаждения компьютеров.
- Чтобы получить стерео систему, нужно создать две схемы, соответствующие правому и левому каналу.
- Создание полного усилителя доступно только радиолюбителю с большим опытом работы и необходимым техническим оборудованием.
- Такой проект реализуется на транзисторах или интегральных микросхемах путем предварительного и оконечного каскадов.
- Помимо монтажа такая конструкция нуждается в настройке. Однако на выходе получится устройство, позволяющее более тонко регулировать тембр и громкость звука.
Подведем итоги: Собранные собственными руками усилители по мощности и другим параметрам не уступают моделям, приобретаемым в магазинах.
Для выполнения такой работы нужны определенные познания в электрике, а также готовность разбираться в схемах.
- При сборке нужно соотнести расположение лапок с нумерацией на бумаге.
- После этого можно поочередно присоединять к микросхеме нужные элементы.
Инструкция по изготовлению
Усилитель звука для колонок своими руками потребует для изготовления радиоматериалы и радиокомпоненты.
Набор деталей (согласно выбранной схеме): микросхема серии TDA или похожая, резисторы, конденсаторы, тестовый динамик (или уже собранная пассивная колонка), алюминиевый радиатор. При сборке усилителя на мощных транзисторах, рассчитанных на низкие частоты до 100 кГц, потребуется, кроме самих транзисторов, несколько менее массивных радиаторов.
Кроме материалов, нужны также некоторые приборы и инструменты.
- Пассатижи, бокорезы, набор отвёрток. Может потребоваться разводной ключ и набор шестигранных ключей.
- Паяльник и подставка для него.
- Если плата изготавливается «с нуля» – нужны миниатюрный бур и набор свёрл. Для изготовления печатной платы без применения химии понадобится резак, которым прочерчиваются канавки, разделяющие дорожки и другие токопроводящие участки.
- Мультиметр (тестер) – без него не обходится почти ни одна электромонтажная работа.
- Тестовый блок питания. Если такого блока нет, но вам известно напряжение, подающееся на усилитель, – начните сборку устройства с него. Зачастую раздобыть готовый блок питания на 12 вольт (все усилители с выходной мощностью от нескольких ватт требуют именно такое напряжение) гораздо труднее, чем зарядное устройство для смартфона или планшета.
Подготовив все нужные приборы, инструменты, радиоматериалы и радиокомпоненты, можно приступать к сборке самодельного устройства. Для изготовления блока питания на 10 вольт (если усилитель допускает такое падение напряжения) соедините выводы зарядных устройств, рассчитанных на 5 вольт, последовательно. Образуется двуполярный источник питания на 10 В с возможностью заземлить или «занулить» среднюю точку 0(где один «минус» и один «плюс» соединены последовательно).
Сборка усилителя включает ряд шагов.
- Если плата не макетная, а полностью «самосборная» – прорисуйте при помощи кисточки или тампона дорожки лаком под топологию микросхемы. Навесные элементы могут располагаться произвольно, рекомендуется их скомпоновать поплотнее. Пересекающихся дорожек быть не должно.
- Высушите плату, приготовьте раствор хлорного железа, опустите в него плату на несколько часов или на сутки. Если подогреть раствор, травление пойдёт быстрее, но значительно повысится вероятность облезания защитного слоя.
- По окончании травления удалите лак с оставшихся мест, защищённых от вытравливания. Не откладывайте процесс на несколько дней, чтобы лак не пристал накрепко к плате.
- Высверлите с помощью бормашины или шуруповёрта отверстия под ножки радиодеталей.
- Покройте получившиеся дорожки слоем припоя. Вставьте радиоэлементы, сверяясь по сборочному чертежу, в нужной последовательности, спаяйте их на печатной плате.
- Установите радиатор на металлической подложке микросхемы. Если схема усилителя транзисторная, используйте для каждого из оконечных каскадов отдельный радиатор. Допускается разместить их на общем радиаторе.
- Припаяйте провода на звуковой вход, вход по питанию и выход по звуку, промаркируйте их.
- Подключите колонки к выходу собранного усилителя.
- Подключите ко входу источник звука (смартфон, MP3-плеер или радиоприёмник), используя разъём на 3,5 мм.
- Подайте питание на соответствующие выводы, включите звук на гаджете, например, выбрав любой из имеющихся саундтреков (или видеороликов).
При правильной сборке усилитель сразу же заработает. Для транзисторных усилителей в режиме «стерео» используют два независимых монофонических усилителя. В качестве рабочего варианта – два одно-, двух-, трёх- и более каскадных устройств. Трехкаскадная схема – самая универсальная: первый, маломощный каскад «раскачает» второй (средней мощности). Второй же – третий (оконечный), обладающий максимальной мощностью. На последний каскад и устанавливается радиатор.
Технология стереозвука (пространственного звучания) такова, что независимые усилители могут подключаться по отдельности и обладать отдельными колонками. Но для стереосистем, в которых сабвуфер (низкочастотный динамик или колонка) общий, стереофонический вариант усилителя собирается на одной микросхеме – и левый, и правый каналы сведены вместе при помощи дополнительных навесных (пассивных) деталей.
Модули самодельного аудиокомплекса
Усилитель имеет:
- четыре аналоговых линейных входа;
- один корректирующий вход для проигрывателя;
- выход на АС;
- выход на наушники;
- выход дистанционного управления (RC5);
- управление звуком и баланс отключаемые функцией Direct;
- регулятор громкости с мотором;
- индикатор активного входа и прикрепленных функций;
- четыре гнезда, в том числе одно с клеммами питания.
Селектор входа сделан на небольших реле, это простое и эффективное решение, обеспечивающее минимальные искажения сигналов. На той же самой плате установлен фоно-корректор предусилитель с пассивной коррекцией, реализованный на операционных усилителях; блок питания предварительного усилителя со стабилизаторами LM317 и LM337.
Модуль регулировки громкости, помимо базового элемента, который представляет собой потенциометр с двигателем, также содержит систему управления двигателем потенциометра; звуковой буфер, реализованный на полевых транзисторах, система Contour, активируемая реле, а также другие электромагнитные реле, которые отключают управление тембром и балансом (функция Direct).
Схема регулятора тембров была взята из решений Marantz. Это активная коррекция, сделанная на операционных усилителях. Кроме того, этот модуль был дополнен контроллером баланса громкости.
Усилители мощности выполнены в виде отдельных блоков для отдельных каналов. Их схема была основана на проверенном годами проекте. Платы УМЗЧ были оснащены выпрямителями и фильтрующими конденсаторами. В усилителях мощности решено было отказаться от токовых систем защиты. На отдельной плате рядом с разъемами динамиков есть предохранители, которые и защищают динамики от чрезмерного тока.
Усилитель оснащен дополнительным УНЧ для наушников, независимым от главного усилителя мощности. При прослушивании через наушники клеммы питания УМЗЧ отключаются. Применяемый усилитель для наушников целиком выполнен на дискретных элементах.
Усилитель управляется микроконтроллером из семейства AVR — AtMega8515. Он отвечает за управление устройством и сигнализацию рабочего состояния. Он также используется для управления другими компонентами устройства через разъем управления на задней панели.
Усилитель оснащен функцией Sleep, и после завершения обратного отсчета он отправляет сигнал выключения на подключенные устройства. Всё может управляться с помощью локальной клавиатуры или удаленно, используя соответствующие команды пульта дистанционного управления, работающие кодом RC5.
Три трансформатора используются для питания всего домашнего усилителя. Два по 120 ВА обеспечивают питание усилителей мощности, они переключаются в релейный режим, который также активирует специальный разъем питания на задней панели усилителя. Реле отключается в режиме ожидания, но включается в активном режиме, хотя оно отключается при прослушивании через наушники.
Маленький трансформатор 15 ВА подает питание на систему управления усилителем, и во время активной работы активирует реле, через которое контакты напряжения подаются на блок питания, питающий весь предварительный усилитель, а также усилитель наушников.
«Альтернативные» конструкции
- Очень низкое значение уровня нелинейных искажений в выходном сигнале.
- Высших гармоник меньше, чем в транзисторных конструкциях.
Но есть один огромный минус, который перевешивает все достоинства, – обязательно нужно ставить устройство для согласования. Дело в том, что у лампового каскада очень большое сопротивление – несколько тысяч Ом. Но сопротивление обмотки динамиков – 8 или 4 Ома. Чтобы их согласовать, нужно устанавливать трансформатор.
Конечно, это не очень большой недостаток – существуют и транзисторные устройства, в которых используются трансформаторы для согласования выходного каскада и акустической системы. Некоторые специалисты утверждают, что наиболее эффективной схемой оказывается гибридная – в которой применяются однотактные усилители, не охваченные отрицательной обратной связью. Причем все эти каскады функционируют в режиме УНЧ класса «А». Другими словами, применяется в качестве повторителя усилитель мощности на транзисторе.
Причем КПД у таких устройств достаточно высокий – порядка 50 %. Но не стоит ориентироваться только на показатели КПД и мощности – они не говорят о высоком качестве воспроизведения звука усилителем. Намного большее значение имеют линейность характеристик и их качество
Поэтому нужно обращать внимание в первую очередь на них, а не на мощность
Что такое усилитель?
В электрических схемах очень часто встречаются сигналы малой мощности. Например, это может быть звуковой сигнал с динамического микрофона

слабый радиосигнал, который ловит из эфира ваш китайский радиоприемник

Либо отраженный сигнал от ракеты противника, который уже потом ловит, усиливает и отслеживает радиолокационная установка. Для примера: зенитно-ракетный комплекс ТОР:

Как вы видите, в электронике абсолютно везде требуется усиление слабых сигналов. Для того, чтобы их усиливать, как раз нужны усилители сигналов. Усилители широко применяются в радиолокации, телевидении, радиовещании, телеметрии, в вычислительной технике, авторегулировании, в системах автоматики и тд.
TDA8567q 4х25 Вт
Мостовой усилитель класса Hi – Fi на четыре канала. Открыть в полном размере
Есть защита от короткого замыкания выходного каскада и термозащита с уменьшением выходной мощности при перегреве. А еще микросхема обладает защитой от колебаний напряжения и режимом отключения. Еще данная микросхема обладает режимом вкл/выкл входного сигнала(режим Mute), и защитой при подаче напряжения на схему от «щелчка».
Характеристики микросхемы
| Параметр | Значение |
| Uпит | 6-18 В |
| Iвых | 7,5 А |
| Iпокоя | 230 мА |
| Pвых | 4х25 Вт |
| Rвх | 30 кОм |
| Коэффициент усиления | 26 дБ |
| Полоса частот | 20-20000 Гц |
| Коэффициент гармоник | 0,05 % |
| Rнагр | 4 Ом |
Назначение выводов
| Номер вывода | Назначение |
| 1 | Напряжение питания |
| 2 | Выход 1+ |
| 3 | Общий |
| 4 | Выход 1- |
| 5 | Выход 2- |
| 6 | Общий |
| 7 | Выход 2+ |
| 8 | Напряжение питания |
| 9 | Диагностика |
| 10 | Вход 1 |
| 11 | Вход 2 |
| 12 | Общий сигнальный |
| 13 | Вход 3 |
| 14 | Вход 4 |
| 15 | Выбор режима |
| 16 | Напряжение питания |
| 17 | Выход 3+ |
| 18 | Общий |
| 19 | Выход 3- |
| 20 | Выход 4- |
| 21 | Общий |
| 22 | Выход 4+ |
| 23 | Напряжение питания |
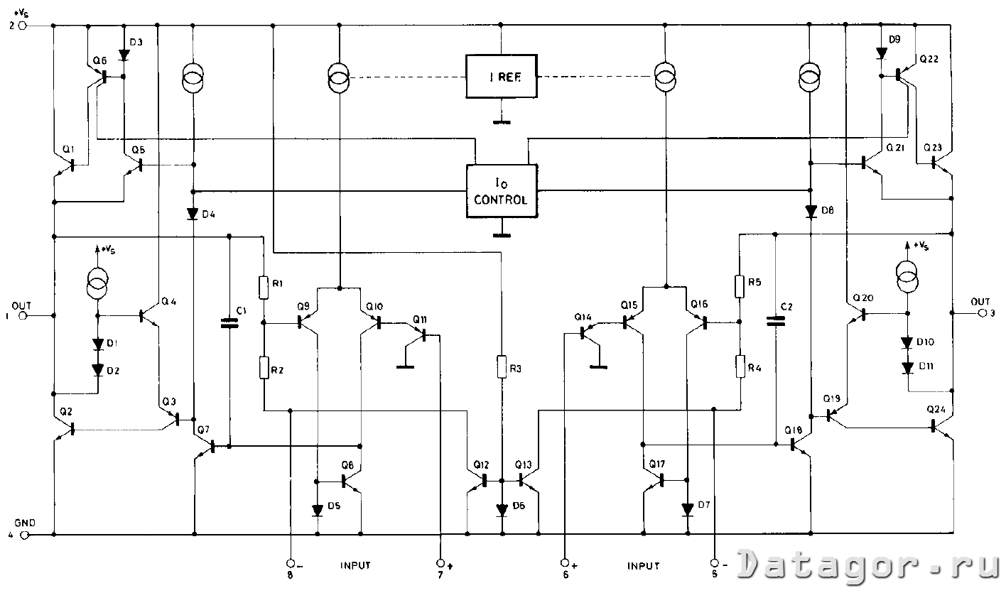
↑ Функциональная схема TDA2822M
приведена в документации . Как видно из рис. 1, каждый канал усилителя по структуре близок к типовой схеме Лина. Усилители имеют общие функциональные узлы: цепи задания опорного тока I REF для генераторов стабильного тока (ГСТ) в цепях эмиттеров дифференциальных каскадов, цепь задания смещения R3, D6 на базах ключей Q12, Q13 и цепи поддержания токов покоя I0 CONTROL выходных каскадов усилителя.
Данное решение способствует улучшению стабильности работы усилителя в мостовом режиме. Каждый канал усилителя состоит из дифференциального каскада Q9…Q11 (Q14…Q16), усилителя напряжения Q7 (Q18) и выходного каскада Q1…Q6 (Q18…Q24).

Рис. 1. Функциональная схема TDA2822M из Datasheet
Дифференциальный каскад имеет динамическую нагрузку в виде токового зеркала на элементах Q8, D5 (Q17, D6).
Исключён фрагмент. Полный вариант статьи доступен меценатам и полноправным членам сообщества. Читай условия доступа.
Обратите внимание, что другие цепи встроенной защиты выходного каскада отсутствуют, что сделано из соображений лучшего использования источника питания, к сожалению, в ущерб надежности. Выводы 5 и 8 микросхемы соединяются с общим проводом по переменному току
В этом случае коэффициент передачи усилителя с отрицательной обратной связью составит:
Выводы 5 и 8 микросхемы соединяются с общим проводом по переменному току. В этом случае коэффициент передачи усилителя с отрицательной обратной связью составит:
Ku=20lg(1+R1/R2)= 20lg(1+R5/R4)=39 дБ.
Структурная схема ИС представлена на рис. 2.

Рис. 2. Структурная схема TDA2822M
Экспериментально определено, что сумма сопротивлений резисторов R1+R2 и R5+R4 равна 51,575 кОм. Зная коэффициент усиления, несложно вычислить, что R1=R5=51 кОм, а R2=R4=0,575 кОм.
Чтобы уменьшить коэффициент усиления микросхемы с ООС, обычно последовательно с R2 (R4) включают дополнительный резистор. В данном случае такому схемотехническому приему «мешают» открытые транзисторные ключи на транзисторах Q12 (Q13).
Но даже, если предположить, что ключи не оказывают влияния на коэффициент передачи с обратной связью, маневр по уменьшению коэффициента усиления незначителен – не более 3 дБ; в противном случае не гарантируется устойчивость усилителя, охваченного ООС.
Поэтому можно поэкспериментировать с изменением коэффициента передачи усилителя, учтя, что сопротивление дополнительного резистора лежит в пределах 100…240 Ом.
Пошаговое руководство по изготовлению
Работы по изготовлению усилителя звука выполняются в соответствии со следующим руководством. Как сделать усилитель для колонок:
Если в работе будет использоваться не покупная макетная плата, а самостоятельно изготовленный модуль, следует в первую очередь заняться его оформлением. С помощью обыкновенной кисточки и лака на плате прорисовываются дорожки, соответствующие топологии выбранной схемы
Обратите внимание на то, что пересекающихся канавок в схеме быть не должно.
Плата высушивается, а затем погружается в заранее разведенный раствор хлорного железа. Модуль следует травить в течение длительного времени – от нескольких часов до суток
В том случае, если раствор хлорного железа подогревается, времени на травление уйдет намного меньше, но и понизиться качество защитного слоя.
На плате с помощью дрели высверливаются отверстия под выбранные радиоэлементы.
Канавки, расположенные на плате, покрываются припоем. Затем следует черед установки радиодеталей, монтаж которых следует производить в точном соответствии с выбранной схемой. После предварительного монтажа все детали запаиваются.
Радиатор монтируется на плоскости подложки платы.
С помощью паяльной станции соединяются провода, ведущие на звуковой выход.
К практически собранному усилителю присоединяются колонки.
На вход подается сигнал с помощью обычного плеера или смартфона.
Подается питание и проводится окончательный тест собранного усилителя.
TDA8567q 4х25 Вт
Мостовой усилитель класса Hi – Fi на четыре канала.

Есть защита от короткого замыкания выходного каскада и термозащита с уменьшением выходной мощности при перегреве. А еще микросхема обладает защитой от колебаний напряжения и режимом отключения. Еще данная микросхема обладает режимом вкл/выкл входного сигнала(режим Mute), и защитой при подаче напряжения на схему от «щелчка».
Характеристики микросхемы
| Параметр | Значение |
| Uпит | 6-18 В |
| Iвых | 7,5 А |
| Iпокоя | 230 мА |
| Pвых | 4х25 Вт |
| Rвх | 30 кОм |
| Коэффициент усиления | 26 дБ |
| Полоса частот | 20-20000 Гц |
| Коэффициент гармоник | 0,05 % |
| Rнагр | 4 Ом |
Назначение выводов
| Номер вывода | Назначение |
| 1 | Напряжение питания |
| 2 | Выход 1+ |
| 3 | Общий |
| 4 | Выход 1- |
| 5 | Выход 2- |
| 6 | Общий |
| 7 | Выход 2+ |
| 8 | Напряжение питания |
| 9 | Диагностика |
| 10 | Вход 1 |
| 11 | Вход 2 |
| 12 | Общий сигнальный |
| 13 | Вход 3 |
| 14 | Вход 4 |
| 15 | Выбор режима |
| 16 | Напряжение питания |
| 17 | Выход 3+ |
| 18 | Общий |
| 19 | Выход 3- |
| 20 | Выход 4- |
| 21 | Общий |
| 22 | Выход 4+ |
| 23 | Напряжение питания |
Как собрать усилитель звука
Начинающим радиолюбителям нет смысла браться за повторение сложных транзисторных схем с высокими параметрами. Для регулировки таких конструкций потребуется сложная измерительная аппаратура. Самым простым вариантом для начинающих будет повторение схем, выполненных на интегральных компонентах. Для начала можно своими руками собрать простой усилитель звука небольшой мощности.

Микросхема LM386 работает в широком диапазоне питающего напряжения и обеспечивает мощность до 1,2 ватта на нагрузку 8 Ом. Коэффициент искажений сигнала не превышает 0,2%. Переменный резистор 4,7 кОм позволяет изменять коэффициент усиления от 20 до 200. Самодельное устройство можно собрать на макетной плате или навесным монтажом.





