TDA2030
TDA2030
Наверное самым популярным из интегральных усилителей на микросхемах является УНЧ на TDA2030. Этому способствуют кроме довольно неплохих параметров ещё и возмутительно низкая цена: 0.5уе. Согласитесь, получить за доллар стерео усилитель с суммарной мощностью 35 Ватт совсем неплохо. Тем более, что схема не капризна в настройке и обладает хорошей повторяемостью. Типовая схема включения микросхемы TDA2030 даёт такие параметры:
- Выходная мощность, 14 Вт
- Сопротивление нагрузки, RL = 4 Ω
- Коэффициент нелинейных искажений, d = 0.5%
- Напряжение питания: от ±6 до ±18 В
- Защита от короткого замыкания
- Выходной ток: 3.5 A макс
- Полоса пропускания: от 10 до 140000 Гц
- Корпус, 5 выводов.
Если кому покажется данной мощности недостаточно, включаем две микросхемы TDA2030 по мостовой схеме. В этом случае при напряжении питания +-15 В получаем на выходе 35 Ватт.
Усилить выходную мощь можно подключив к TDA2030 два дополнительных транзистора КТ818 и КТ819 на выход. Выходная мощность повысится до 60 Ватт, что позволит использовать такой УНЧ на TDA2030 для сабвуферного канала. Естественно, можно поставить и блатные импортные транзисторы серии MJE, но смысла нет — класс усилителя не тот. Транзисторы можно садить на один теплоотвод без изоляции, так как коллекторы соединены по схеме. Кроме комплиментарной пары BD911+BD912 можно применить BD909+BD910. По размеру радиатора чем больше — тем лучше. У микросхемы TDA2030 на фланце минус питания (соединен с 3-м выводом), поэтому её от общего теплоотвода нужно ОБЯЗАТЕЛЬНО изолировать.
Учтите, что для TDA2030А +/-22 В и для TDA2040 (являющейся умощнённым аналогом) +/-25 В это самые предельные значения. Лучше им давать питания не больше +/-18 В. Для этого трансформатор с обмотками 2х12 В пойдёт накальный, типа ТН30 или что то аналогичное. Объединяет все вышеназванные микросхемы один минус — у них нет встроенных защитных диодов. Поэтому TDA2030 могут вылететь от реактивной ЭДС нагрузки в любой момент. И в схемах такие диоды нарисованы не случайно. Но в TDA2050, TDA2051 и в TDA2052 эти диоды встроены и их из схемы можно исключить. Для питания очень хорошо поставить компенсационный стабилизатор — это существенно улучшит звук, особенно на низких частотах.
Испытания TDA2030 показывают довольно неплохое звучание, как за такую смешную стоимость. Отлично пойдёт для домашнего усилителя. Вообще микросхема TDA2030 пользуется у фирм производителей УНЧ пользуется такой популярностью, что на данный момент китайские 5.1 комплекты с этими TDA2030 и TDA2050 заполнили весь рынок.
ФОРУМ по усилителям.
Схемы усилителей
elwo.ru
Технические характеристики
Все параметры интегральной микросхемы, так же как и других радиокомпонентов, делятся на две категории: максимально допустимые и электрические. Все данные получены путём тестирования при температуре окружающей среды +25ОС, если для конкретного значения не указаны другие условия.
Предельные характеристики TDA2030A:
- максимальное напряжение питания VS = ± 22 В;
- предельно возможное напряжение на входе микросхемы Vi = ± 22 В;
- наибольшая разность напряжений между прямым и инверсным входами Vi = ± 15 В;
- максимальный пиковый выходной ток IO = 3,5 А;
- наибольшая мощность рассеивания (при Tcase=90 ОС) Ptot = 20 Вт;
- диапазон температур, при которых может храниться прибор от -40 до +150 ОС;
Кроме предельных существуют также электрические параметры. Напряжение питания при тестировании VS = ± 22 В, температура окружающего воздуха Tamb=25 ОС. На рисунке ниже приведена схема, которая использовалась для определения параметров.
- напряжение питания VS от ± 6 до ± 22 В;
- ток покоя Id номинальный 50 мА, максимальный 80 мА;
- ток смещения на входе Ib (при VS=±22 В) номинальный 0,2 мкА, максимальный 2 мкА;
- напряжение смещения на входе Vos (при VS= ±22 В) номинальное ±2 В, максимальное ±20 В;
- ток сдвига на входе номинальный ±20 нА, максимальный ±200 нА;
- выходная мощность Po (частота входного сигнала от 40 до 15 000 Гц):
- при сопротивлении динамика RL= 4 Ом минимальная 15 Вт, номинальная 18 Вт;
- при сопротивлении динамика RL= 8 Ом минимальная 10 Вт, номинальная 12 Вт;
- при сопротивлении динамика RL= 4 Ом и питающем напряжении VS = ± 19 В минимальная 13 Вт, номинальная 16 Вт;
- полоса пропускания BW (выходная мощность Po = 15 Вт, сопротивление динамиков RL=4) 100 кГц;
- скорость нарастания SR = 8 В/мкс;
- коэффициент усиления без обратной связи при частоте на входе f = 1 кГц: Gv = 80 дБ;
- коэффициент усиления с обратной связью при частоте на входе f = 1 кГц минимальная 25,5 дБ, номинальная 26 дБ, максимальная 26,5 дБ;
- величина гармонических искажений:
- для значений выходная мощность от 0,1 до 14 Вт, сопротивление динамиков RL= 4 Ом, частота входного сигнала f от 40 до 15 000 Гц равна 0,08%;
- для значений выходная мощность от 0,1 до 14 Вт, сопротивление динамиков RL= 4 Ом, частота входного сигнала f 1 000 Гц равна 0,03%;
- для значений выходная мощность от 0,1 до 9 Вт, сопротивление динамиков RL= 8 Ом, частота входного сигнала f от 40 до 15 000 кГц равна 0,5%;
- величина интермодуляционных искажений второго уровня (параметры измерения: выходная мощность PO= 4 Вт, сопротивление динамиков RL=4 Ом, расстояние между частотами f2–f1= 1 кГц) 0,03%;
- величина интермодуляционных искажений третьего уровня (частота сигналов f1= 14kHz, f2= 15kHz 2f1–f2= 13kHz) 0,08%;
- величина напряжения шума на входе от 2 до 10 мкВ;
- ток шума на входе от 50 до 100 пА;
- отношение сигнал шум
- при мощности на выходе 15 Вт равна 106 дБ;
- при мощности на выходе 1 Вт равна 94 дБ;
- входное сопротивление на ножке 1 в усилителе без обратной связи при частоте входного сигнала 1 кГц минимальное 0,5 МОм, номинальное 5МОм;
- максимальная температура, при которой микросхема отключается 145 ОС;
Существует также схема включения с однополярным источником питания. Для неё характеристики будут отличаться от приведённых выше. Ниже приведена тестовая схема, которая использовалась для определения значений параметров этих устройств.
- напряжение питания номинальное 36 В, максимальное 44 В;
- ток покоя Id номинальный (напряжение питания 36 В) 50 мА;
- выходная мощность Po (частота входного сигнала от 40 до 15 000 Гц):
- при сопротивлении динамика RL= 4 Ом частоте входного сигнала от 40 до 15 000 Гц, питающем напряжении 39 В номинальная 35 Вт;
- при сопротивлении динамика RL= 8 Ом частоте входного сигнала от 40 до 15 000 Гц, питающем напряжении 36 В, номинальная 28 Вт;
- при сопротивлении динамика RL= 4 Ом частоте входного сигнала от 1 000 Гц, питающем напряжении 39 В, номинальная 35 Вт;
- коэффициент усиления при частоте на входе f = 1 кГц минимальное 19,5 дБ, номинальное 20 дБ, максимальное 20,5;
- скорость нарастания SR = 8 В/мкс;
- величина гармонических искажений:
- для значений: выходная мощность 20 Вт, частота входного сигнала f от 40 до 15 000 Гц равна 0,05%;
- для значений: выходная мощность 20 Вт, частота входного сигнала f 1 000 Гц равна 0,02%;
- чувствительность на входе (измеренная при таких значениях параметров: коэффициент усиления 20 дБ, выходная мощность 20 Вт, частота сигнала 1 кГц, сопротивление динамиков 4 Ом) равна 890 мВ;
- Отношение сигнал шум равно 100 дБ.
Схемы УНЧ на A2030H, A2030V, K174УН19, TPA2006, TPA2030, TDA2040, TDA2050 (12-40Вт)
Интегральные микросхемы А2030Н и A2030V (RFT), К174УН19 (СНГ), LM1875 (National Semiconductor),L165, TDA2006H, TDA2006V,TDA2030H, TDA2030V, TDA2030AH, TDA2030AV, TDA2040H, TDA2040V, TDA2050H, TDA2050V,TDA2051H и TDA2051V(SGS-Thomson , OPA544 (Burr-Brown), PC 1238 (NEC) с идентичными схемами и различными параметрами выполнены в корпусах ТО-220 с 5 выводами сформованными в два ряда, параллельно плоскости корпуса.
У микросхем с суффиксом V выводы согнуты перпендикулярно плоскости корпуса.
Представляют собой усилители мощности низкой частоты и предназначены для использования в магнитофонах, электрофонах, другой аудиоаппаратуре среднего и высокого классов с двухполярным питанием.
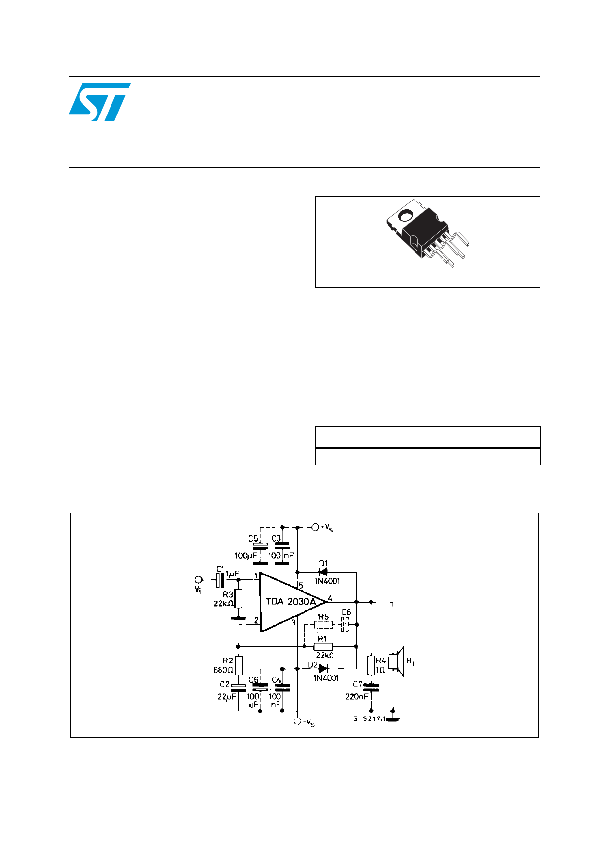
Типовая схема подключения, рекомендованная производителями ИС приведена на fig.4а.
Диоды D1 и D2 защищают выходные транзисторы микросхем от бросков обратного напряжения, индуцированного холостым обратным ходом катушки громкоговорителя. Возможно так же подключение микросхем в схеме с однополярным питанием (fig.4b).
Для получения удвоенной выходной мощности на том же сопротивлении нагрузки, при том же напряжении питания, микросхемы можно подключать по мостовой схеме (fig.4с). Некоторые из основных параметров микросхем следующие:
| Ucc min | Ucc max | Ісс 0 | BW | Ri | Pout | THD | Au | |
| А2030Н | ±6V | ±18V | 60mА | 30Hz-20KHz | 4Ом | 16W | 0,1% | 84dB |
| A2030V | ±6V | ±18V | 60mА | 30Hz-20KHz | 4Ом | 16W | 0,2596 | 84dB |
| К174УН19 | ±6V | ±18V | 56mА | 30Hz-20KHz | 4Ом | 15W | 0,1% | 84dB |
| L165 | ±бV | ±18V | 60mА | 30Hz-20KHz | 4Ом | 12W | 0,1% | 80dB |
| LM1875 | ±6V | ±18V | 60mА | 30Hz-20KHz | 4Ом | 16W | 0,1% | 84dB |
| ОРА544 | ±10V | ±35V | 24mА | 20Hz-140KHz | 4Ом | 30W | 0,05% | 90dB |
| TDA2006H | ±6V | ±15V | 40mА | 20Hz-20KHz | 4Ом | 12W | 0,2% | 75dB |
| TDA2006V | ±6V | ±15V | 40mА | 20Hz-20KHz | 4Ом | 12W | 0,2% | 75dB |
| TDA2030H | ±6V | ±18V | 40mА | 10Hz-20KHz | 4Ом | 18W | 0,2% | 90dB |
| TDA2030V | ±6V | ±18V | 40 mА | 10Hz-20KHz | 4Ом | 18W | 0,2% | 90dB |
| TDA2030AH | ±6V | ±22V | 50mА | 40Hz-20KHz | 4Ом | 18W | 0,2% | 80dB |
| TDA2030AV | ±6V | ±22V | 50mА | 40Hz-20KHz | 4Ом | 18W | 0,2% | 80dB |
| TDA2040H | ±2,5V | ±20V | 45mА | 40Hz-20KHz | 4Ом | 22W | 0,5% | 80dB |
| TDA2040V | ±2,5V | ±20V | 45mА | 40Hz-20KHz | 4Ом | 22W | 0,5% | 80dB |
| TDA2050H | ±2,5V | ±25V | 55mА | 40Hz-20KHz | 4Ом | 35W | 0,5% | 80dB |
| TDA2050V | ±2,5V | ±25V | 55mА | 40Hz-20KHz | 4Ом | 35W | 0,5% | 80dB |
| TDA2050H | ±2,5V | ±25V | 55mА | 40Hz-20KHz | 4Ом | 40W | 0,5% | 80dB |
| TDA2050V | ±2,5V | ±25V | 55mА | 40Hz-20KHz | 4Ом | 40W | 0,5% | 80dB |
| uРС1238 | ±6V | ±28V | 60mА | 30Hz-20KHz | 4Ом | 16W | 0,1% | 84dB |
В микросхемы встроена защита выхода от короткого замыкания в нагрузке и термозащита (150°С). Для получения максимальной выходной мощности микросхемы необходимо установить на теплоотвод (радиатор).
Сборка усилителя
Так как резисторы имеют цветовую маркировку, советую проверить их номиналы мультиметром или специальным тестером, ссылку на который вы можете найти в начале статью. Затем по очереди, припаиваем резисторы на свои места..
Далее припаиваем неполярные конденсаторы, которых в комплекте всего 2, просто помещаем их на своё место в любом положении.
Далее устанавливаем электролитические конденсаторы на свои места. В отличии от неполярных, эти нужно устанавливать соблюдая полярность! Если на корпусе конденсатора нет опознавательных знаков, то определить его полярность можно очень легко, обычно короткая ножка это минус, а длинная плюс, так же не забывайте смотреть на номинал при установки.
Для защиты от переполюсовки по питанию предусмотрен диод, который то же имеется в наборе. На корпусе диода имеется метка и такая же есть на плате, согласно им, устанавливаем и припаиваем диод на своё место!
Для подключения питания, входа и выхода, в наборе предусмотрены специальные штыревые разъёмы с шагом 2.5 мм. С помощью лезвия или ножниц, разделяем их по парам и припаиваем на свои места на плате.
Ну и наконец, осталось только припаять на своё место микросхему TDA2030A. Обязательно после пайки, протирайте дорожки от канифоли, сделать эти можно специальными растворами или простым растворителем.
В процессе работы усилителя, микросхема будет греться, поэтому необходимо установить на неё теплоотвод, в виде небольшого радиатора. В комплекте с усилителем имеется специальная теплоотводящая прокладка, её нужно поставить между радиатором и микросхемой!
Сборка усилителя завершена и теперь можно его испытывать, по инструкции, питается он от напряжения 9-24 Вольта, сопротивление акустики от 4 Ом до 8 Ом, мощность усилителя указана до 14 Ватт. Для удобства подключения питания, входа и выхода, можно купить специальные разъёмы, ссылка на которые имеется в начале статьи.
Вход усилителя можно выполнить следующим образом, взять провод для передачи звукового сигнала от телефона, на усилитель, отрезать один край и припаять провода к разъёму, как на фото ниже.
Для питания усилителя можно использовать любой подходящий источник постоянного тока, например идеально подойдет блок питания от ноутбука. Обязательно соблюдайте полярность при подключении питания к усилителю!!!
На этом все, ниже вы найдете видео, где показана работа усилителя!
Умощнение источников питания на TDA2030A
Микросхема включена как повторитель сигнала, выходное напряжение (вывод 4) равно входному (вывод 1), а выходной ток может достигать значения 3,5 А. Благодаря встроенной защите схема не боится коротких замыканий в нагрузке. Стабильность выходного напряжения определяется стабильностью опорного, т.е. стабилитрона VD1 рис.7 и интегрального стабилизатора DA1 рис.8. Естественно, по схемам, показанным на рис.7 и рис.8, можно собрать стабилизаторы и на другое напряжение, нужно лишь учитывать, что суммарная (полная) мощность, рассеиваемая микросхемой, не должна превышать 20 Вт. Например, нужно построить стабилизатор на 12 В и ток 3 А. В наличии есть готовый источник питания (трансформатор, выпрямитель и фильтрующий конденсатор), который выдает UИП= 22 В при необходимом токе нагрузки. Тогда на микросхеме происходит падение напряжения UИМС= UИП — UВЫХ = 22 В -12 В = 10В, и при токе нагрузки 3 А рассеиваемая мощность достигнет величины РРАС= UИМС*IН = 10В*3А = 30 Вт, что превышает максимально допустимое значение для TDA2030A. Максимально допустимое падение напряжения на ИМС может быть рассчитано по формуле:
UИМС= РРАС.МАХ / IН. В нашем примере UИМС= 20 Вт / 3 А = 6,6 В, следовательно максимальное напряжение выпрямителя должно составлять UИП = UВЫХ+UИМС = 12В + 6,6 В =18,6 В. В трансформаторе количество витков вторичной обмотки придется уменьшить. Сопротивление балластного резистора R1 в схеме, показанной на рис.7, можно посчитать по формуле:
R1 = ( UИП — UСТ)/IСТ, где UСТ и IСТ — соответственно напряжение и ток стабилизации стабилитрона. Пределы тока стабилизации можно узнать из справочника, на практике для маломощных стабилитронов его выбирают в пределах 7…15 мА (обычно 10 мА). Если ток в вышеприведенной формуле выразить в миллиамперах, то величину сопротивления получим в килоомах.
Приступим к сборке. Для этого нам потребуются следующие детали:

Общая стоимость деталей примерно 200 рублей. Не забываем, что это количество деталей только для одного канала, так что для стерео звучания берем в 2 раза больше. Так же не забываем про радиаторы.
Печатная плата, была спроектирована для стерео/моно включения, что позволяет без особых проблем использовать её как для сателлитов так и для сабвуферного канала.

Печатная плата TDA2030 СКАЧАТЬ
ЛУТом делаем дорожки и после травления лудим и сверлим.

На обратную сторону я перенес маску. Очень удобно.

Потратив вечер получаем высококачественный усилитель.

Усилитель работает в стерео режиме. Но одной перемычкой сверху можно перевести в мост.

Источником питания послужил лабораторный БП. Первое включение порадовало. Чистый звук с приятным басом. Не сравнить с прошлыми проектами на TDA2005, 2003. Собрать такой усилитель стоит.
Мощная схема усилителя
Если есть желание, то можно собрать схему с парой комплементарных транзисторов, тем самым увеличив выходную мощность. Другими словами, ваш динамик будет орать еще громче, если он, конечно, будет рассчитан на такую мощность. Схема ничуть не сложнее, чем предыдущая:
Если не найдете зарубежные транзисторы BD907 и BD908, то их можно заменить на отечественные аналоги КТ819 и КТ818 соответственно.
Все выше предложенные схемы усиливают только один канал. Для усиления стереосигнала нам потребуется сделать еще один такой же усилитель. Также не забывайте про радиаторы, так как на высокой мощности микросхема сильно греется.
ТДА 2030 с дополнительными транзисторами мощность 35 Вт
ТДА 2030 — это микросхема усилителя низкой частоты TDA2030A, которая считается одной из самых популярных в сообществе радиолюбителей
Данный электронный прибор отличается великолепными электрическими параметрами и, что не маловажно — низкую стоимость. Все эти данные дают возможность без проблем и не тратя больших денежных средств, собрать на ней усилитель низкой частоты с высоким качеством звучания и мощностью 18 Вт
Кроме доступности и легкости в сборке УНЧ, микросхема TDA2030A обладает рядом скрытых преимуществ, используя которые, можно изготовить множество нужных и хороших приборов. ИМС ТДА 2030 является усилителем мощности звука АВ-класса, либо может служить драйвером для усилителя рассчитанного на мощность 35 Вт, в комплекте с мощными транзисторами в выходном каскаде.
Она в состоянии обеспечить высокий ток в выходном тракте схемы, не имеет серьезных гармонических искажений, работает в широкой полосе частот звукового сигнала. Кроме этого, данная микросхема отличается от других аналогичных приборов незначительными собственными шумами, снабжена защитой от короткого замыкания в нагрузке.
Также ТДА 2030 снабжена системой лимитирования выходной мощности в автоматическом режиме, создавая при этом комфортные условия для работы выходных транзисторов. Чип имеет встроенную защиту от перегрева, которая срабатывает на отключение при достижении температурной составляющей на кристалле +150°С.
TDA2030 абсолютно надежная микросхема для усилителя мощности звука, развивающего мощность на выходе на 18Вт.
Технические характеристики TDA 2030(A)
Напряжения питания……………………………от ±4.5 до ±18 В Потребляемый ток покоя…………………. 90 мА макс. Выходная мощность…………………………….18 Вт тип. при ±18 В, 4 Ом и d = 10 % …………………………………………………………….. 14 Вт тип. при ±18 В, 4 Ом и d = 0.5 % Номинальный частотный диапазон……….20 — 80.000 Гц
Для большинства радиолюбителей эта микросхема является просто находкой, да еще и за такие смешные деньги. Кроме этого, если использовать ее по мостовой схеме включения, то она способна обеспечит выходную мощность 28 Вт. А при задействовании в выходном каскаде пары дополнительных мощных транзисторов, то на выходе вы получите 35 Вт. Ниже приведена схема очень простенького двуполярного питания ТДА 2030 с мощностью в нагрузке 14 Вт
Принципиальная схема включения TDA2030 с дополнительными мощными транзисторами на выходе — 34 Вт
Здесь показан принцип включения TDA2030 используя мостовую схему, гарантирующую мощность на выходе — 28 Вт
На снимках ниже представлены печатные платы для усилителей на TDA2030(A)
Печатка для TDA2030 (Изображение со стороны дорожек)
Печатка для TDA2030 с дополнительными мощными транзисторами на выходе — 34 Вт (Изображение со стороны дорожек)
Печатка для TDA2030 — включение в мост (Изображение со стороны дорожек)
Усилитель на TDA2030A
https://youtube.com/watch?v=K0hgH-bacv4
Скачать печатку для TDA2030: tda2030 Скачать печатку для TDA2030 с выходными транзисторами: tda2030_tranz Скачать печатку для TDA2030 мостовое: tda2030_most
Представленные файлы имеют формат: .lay Поэтому для их открытия потребуется программа: Sprint-Layout 5.0
Предыдущая запись Схема управления шаговым двигателем
Следующая запись Датчик Холла что это
Где купить усилитель
На Алиэкспрессе есть даже готовый упрощенный простой схемы усилителя
Его можете посмотреть по этой ссылке.
Если вообще не желаете заморачиваться по поводу пайки усилителей, то можно приобрести готовые модули, которые будут в разы дешевле, чем готовые усилители в корпусе
Выбирайте на ваш вкус и цвет!
Я уже давненько собирал эти схемы и убедился в их работоспособности. Хотя мне наступил медведь на ухо, но могу точно сказать, что по качеству звучания такие усилители нисколько не уступают каким-нибудь Hi-Fi навороченным усилителям. Вполне пойдет для какой-либо комнатушки, либо среднего размера гаража, чтобы потанцевать под любимые песни.
Все эти схемы вы можете найти также в даташите на микросхему. Даташит можете скачать по этой ссылке, либо без проблем найти в интернете.
Datasheet Download — ST Microelectronics
| Номер произв | TDA2030A | ||
| Описание | 18W Hi-Fi AMPLIFIER AND 35W DRIVER | ||
| Производители | ST Microelectronics | ||
| логотип | |||
|
1Page
TDA2030A ■ Output power 18 W at VS = ±16 V / 4 Ω with 0.5% distortion ■ High output current )■ Very low harmonic and crossover distortion t(s■ Short-circuit protection uc■ Thermal shutdown rodDescription te PThe TDA2030A is a monolithic IC in a Pentawatt package intended for use as a low-frequency leclass-AB amplifier. soWith VS max = 44 V it is particularly suited for more breliable applications without regulated supply and Ofor 35 W driver circuits using low-cost t(s) -complementary pairs. Pentawatt (vertical) Obsolete ProducFigure 1. Typical application July 2011
Device overview t(s)Figure 3. Test circuit roduct(s) — Obsolete ProducTable 2. Thermal data PSymbol Parameter teRth (j-case) Thermal resistance junction-case soleTable 3. Ob Symbol Absolute maximum ratings Vs Supply voltage ± 22 V Vi Input voltage Vs Vi Differential input voltage ± 15 V Io Peak output current (internally limited) 3.5 A Ptot Total power dissipation at Tcase = 90 °C 20 W Tstg, Tj Storage and junction temperature – 40 to + 150 °C 2/23 Doc ID 1459 Rev 2
TDA2030A (Refer to the test circuit, VS = ±16 V, Tamb = 25 °C unless otherwise specified) Parameter Vs Supply voltage ± 6 ± 22 V Id Quiescent drain current 50 80 mA Ib Input bias current VS = ± 22 V 0.2 2 Vos Input offset voltage VS = ± 22 V ± 2 ± 20 mV Ios Input offset current ± 20 ± 200 nA d = 0.5%, Gv = 26 dB uct(sBW Power bandwidth rodSR Slew rate PGv Open loop voltage gain teGv Closed loop voltage gain soled Total harmonic distortion t(s) — Obd2 Second order CCIF ucd3 Third order CCIF rodeN Input noise voltage te PiN Input noise current ObsoleS/N Signal-to-noise ratio f = 40 to 15000 Hz VS = ± 19 V; Po = 15 W; RL= 4 Ω RL= 8 Ω RL= 8 Ω RL= 4 Ω 15 Po = 0.1 to 14 W; f = 40 to 15 000 Hz; RL= 4 Ω f = 1 kHz Po = 0.1 to 9 W, f = 40 to 15 000Hz RL= 8 Ω 18 PO = 4W, f2 – f1 = 1kHz, RL = 4Ω 0.03 % f1 = 14 kHz, f2 = 15 kHz 2f1 – f2 = 13 kHz B = Curve A RL = 4Ω, Rg = 10kΩ, B = Curve A PO = 15W 0.08 PO = 1W 94 dB Ri Input resistance (pin 1) (open loop) f = 1 kHz MΩ SVR Supply voltage rejection RL = 4 Ω, Rg = 22 kΩ Gv = 26 dB, f = 100 Hz 54 dB Tj Thermal shutdown junction |
|||
| Всего страниц | 23 Pages | ||
| Скачать PDF |
Мощный низкочастотный генератор синусоидальных колебаний на ИМС TDA2030A

Электрическая схема мощного низкочастотного генератора синусоидальных колебаний показана на рис.14. Генератор собран по схеме моста Вина, образованного элементами DA1 и С1, R2, С2, R4, обеспечивающими необходимый фазовый сдвиг в цепи ПОС. Коэффициент усиления по напряжению ИМС при одинаковых значениях Cl, C2 и R2, R4 должен быть точно равен 3. При меньшем значении Ку колебания затухают, при большем — резко возрастают искажения выходного сигнала. Коэффициент усиления по напряжению определяется сопротивлением нитей накала ламп ELI, EL2 и резисторов Rl, R3 и равен Ky = R3 / Rl + REL1,2. Лампы ELI, EL2 работают в качестве элементов с переменным сопротивлением в цепи ООС. При увеличении выходного напряжения сопротивление нитей накала ламп за счет нагревания увеличивается, что вызывает уменьшение коэффициента усиления DA1. Таким образом, стабилизируется амплитуда выходного сигнала генератора, и сводятся к минимуму искажения формы синусоидального сигнала. Минимума искажений при максимально возможной амплитуде выходного сигнала добиваются с помощью подстроечного резистора R1. Для исключения влияния нагрузки на частоту и амплитуду выходного сигнала на выходе генератора включена цепь R5C3, Частота генерируемых колебаний может быть определена по формуле:
f=1/2piRC. Генератор может быть использован, например, при ремонте и проверке головок громкоговорителей или акустических систем.
В заключение необходимо отметить, что микросхему нужно установить на радиатор с площадью охлаждаемой поверхности не менее 200 см2. При разводке проводников печатной платы для усилителей НЧ необходимо проследить, чтобы «земляные» шины для входного сигнала, а также источника питания и выходного сигнала подводились с разных сторон (проводники к этим клеммам не должны быть продолжением друг друга, а соединяться вместе в виде «звезды»). Это необходимо для минимизации фона переменного тока и устранения возможного самовозбуждения усилителя при выходной мощности, близкой к максимальной.
По материалам журнала Радіоаматор
TDA2030a как проверить ? | Петрович Мастер
Дневники Файлы Справка Социальные группы Все разделы прочитаны. Как проверить исправность цифровых микросхем без выпайки их из платы. Очень часто когда приходится ремонтировать цифровую технику сталкиваешься с такой проблемой — одна цифрова микросхема закорачивает другую микросхему, поэтому когда проверяешь сигнал на выходе микросхемы и его там нет, можно придти к ложному выводу что микросхема не исправна.
Я обычно разрываю печатные дорожки к другим микросхемам. Но есть ли другой способ чтобы проверять микросхемы без разрыва дорожек? Кто знает поскажите пожалуйста. Вот пример: Ремонтировал цифровое радио. Не было сигнала с выхода регистра сдвига включенного по схеме делителя частоту. Проверил осциллографом сигнал на входе — сигнал был. Подумал что несправен делитель. Но когда отпаял один выход, сигналы появились на всех выходах, включая тот который отпаял.
Значит микросхема исправна. Оценка 0. Крупнейшее в Китае предприятие по производству прототипов печатных плат, более , клиентов и более 10, онлайн-заказов ежедневно. Для шинных буферов типа SN74LS и др помогает надевание сверху на впаянную неисправную микросхему микросхемы исправной. Кратковременно можно подать проводом сигнал нужной полярности и проследить изменения осциллом-микросхемы обычно из строя не выходят. Если изменилось, то скорее всего сдохла 1-я, если не изменилось то 2-я.
Это вообще, конечно шаманство, но иногда помогает. Если есть повторяющиеся блоки, но по осциллографу не понятно, можно тестером вызванивать одинаковые микросхемы в этих похожих блоках. Но лучше всего, это хорошо представлять как это все должно работать. Если же это невозможно, то вышеописанное, костер и прыжки вокруг него с бубном шамана.
Противное это занятие. Литиевые батарейки Fanso для систем телеметрии и дистанционного контроля. Системы телеметрии находят все более широкое применение во многих отраслях на промышленных и коммунальных объектах. Требования, предъявляемые к условиям эксплуатации приборов телеметрии и, как следствие, источников питания для них, могут быть довольно жесткими. Компания Fanso предоставляет широкий спектр продукции высокого качества, подтверждаемого выходным контролем, которая рассчитана на различные условия применения.
Дедукционному методу полноценной замены пока нет. Компэл совместно с Texas Instruments приглашают на вебинар, посвященный системам-на-кристалле для построения ультразвуковых расходомеров жидкостей и газов на базе ядра MSP Вебинар проводит господин Йоханн Ципперер — эксперт по ультразвуковым технологиям, непосредственно участвовавший в создании данного решения.
Можно еще пройтись тестером с прозвонкой по ножкам микросхемы на наличие закорачивания на землю и на питание , особенно помогает когда стоит планар с большим количеством выводов. Опции темы. Обратная связь — РадиоЛоцман — Вверх. Перевод: zCarot. Как проверить исправность цифровых микросхем без выпайки их из платы Очень часто когда приходится ремонтировать цифровую технику сталкиваешься с такой проблемой — одна цифрова микросхема закорачивает другую микросхему, поэтому когда проверяешь сигнал на выходе микросхемы и его там нет, можно придти к ложному выводу что микросхема не исправна.
Отправить личное сообщение для vladelectron. Найти ещё сообщения от vladelectron. Отправить личное сообщение для LEAS. Найти ещё сообщения от LEAS. Файловый архив. Скачиваний: 1. Загрузок: 17 Литиевые батарейки Fanso для систем телеметрии и дистанционного контроля Системы телеметрии находят все более широкое применение во многих отраслях на промышленных и коммунальных объектах.
Дедукционному методу полноценной замены пока нет Цитата: Сообщение от LEAS помогает надевание сверху на впаянную неисправную микросхему микросхемы исправной. Отправить личное сообщение для Werdis. Найти ещё сообщения от Werdis. Скачиваний: 1 1. Похожие темы. Продам полупроводники отеч. Ваши права в разделе. Вы не можете создавать новые темы Вы не можете отвечать в темах Вы не можете прикреплять вложения Вы не можете редактировать свои сообщения BB коды Вкл.
Смайлы Вкл. HTML код Выкл. Правила форума.
Усилитель мощности 2+1 (два канала+сабвуфер) на TDA2030
Упаковка
Детальки подробно
Сразу напишу, что заменил все электролитические конденсаторы Chang на Jamicon 50 V. На фильтр питания поставил два кондера на 4700 мкФ*50 В (максимальные по емкости, которые залезли на плату). Планировал потестить усилок на питании 22-25 В, но из-за маленьких радиаторов от этой идеи отказался. В другом радиаторе 4 отверстия лень было сверлить и конденсаторы перепаивать тоже.
Прежде чем полностью распаивать усилитель, решил собрать только диодные мост на питание, фильтры питания и два канала — правый и левый. Предусилки и усилитель для сабвуфера решил не распаивать. Провел несколько экспериментов.
Результаты опытов с разными конденсаторами и микросхемами TDA2030/TDA2050/LM1875
Первый тест. Керамика VS пленка
Сначала установил две микросхемы TDA2030 из набора. На одном канале установил керамические конденсаторы в 0.1 мкФ, на втором Wima MKP-4 0.1 мкФ 250 В. Конденсаторы Wima без проблем разместились на печатке:
Включил питание, послушал — результат очевиден. С Wima MKP-4 0.1 мкФ играет заметно лучше. Звук детальней. С керамикой «песочит» немного. Если на входе УНЧ вместо 0.1 мкФ установить пленку на 2 мкФ, то звук улучшается — басы лучше играет.
Звук микросхем TDA2030 достаточно жесткий. ВЧ (тарелочки, например) играет. с НЧ тоже ок на слух (особенно если на вход поставить пленку 2 мкФ).
Для дальнейших опытов убрал керамику, поставил везде Wima MKP-4 0.1 мкФ.
Дальше будем тестировать УНЧ с разными микросхемами. Напряжение питания оставил то же — 12 В двойной переменки.
Пациенты:
Справа налево: TDA2030 из набора, TDA2030 оффлайн куплена (левак видимо), TDA2050 оффлайн куплена, LM1875 оффлайн куплена. Все микросхемы взаимозаменяем. Отличаются друг от друга макс. напряжением питания, мощностью и уровнем искажений.
Крупным планом:
TDA2030 из набора:
TDA2030 оффлайн:
TDA2050 оффлайн:
LM1875 оффлайн:
Все тесты с трансформатором 12 В.
Второй тест. TDA2030 из набора VS TDA2030 оффлайн
Звук китайских микросхем из набора оказался лучше купленных оффлайн. На оффлайновых звук смазан. Китайские TDA2030 из набора больше понравились.
Третий тест. TDA2030 из набора VS TDA2050 оффлайн
Микросхема TDA2050 — более мощная микросхема. Если поднять напряжение питания до 22 В может выдать до 20 Вт на нагрузку в 8 Ом при THD 0.03% на 1кГц.
Установил. Послушал. С этим TDA2050 играет хуже. Звук как-то «размазан», вялый и немного приглушен. Странно, народу на форумах и обзорах TDA2050 больше нравится почему-то.
Четвертый тест. TDA2030 из набора VS LM1875 оффлайн
LM1875 — более мощная микросхема. Если поднять напряжение питания до 25 В может выдать до 20 Вт на нагрузку в 8 Ом при THD 0.015% на 1кГц.
Установил. Послушал. У LM1875 звук более детальный, чуть-чуть мягче TDA2030, но тоже достаточно жесткий, не вялый.
Итог — в моих тестах победила LM1875.
Есть в инете известный обзор на ютубе по тестам микросхем TDA2030, TDA2050,LM1875: www.youtube.com/watch?v=6DpjYgfU1R8
Там победила TDA2050. Выбор за вами.
Измерения напряжений
При температуре в примерно в 110 градусов на моих датчиках, срабатывает термозащита и микросхемы отключаются. Маленькие радиаторы и обдува нету.
Еще заметил, что встроенный преамп на ОУ усиливает звук всего процентов на 20%.
Тесты правого и левого канала с помощью программы RMAA
Тут на сайте есть обзор на подобный (идентичный видимо по схеме, но с другими деталями и цветом платы) усилок — mysku.ru/blog/aliexpress/25098.html. Автор его в корпус оформил.
Что имеем в итоге.
За свои деньги играет даже при в базовом наборе деталей достаточно неплохо. Конструктор можно использовать, если у вас завались пара колонок и сабвуфер (например от домашнего кинотеатра, автомобильная акустика, комповой акустики и проч). Там ему и место. Если только стерео, то продают кучу наборов в разных вариантах на этих микросхемах УНЧ только для стерео. Если акустика дешевая, то
смысла апгрейта по деталям нету. Если по-дороже — тогда меняем все конденсаторы 0.1 мкФ на приличную пленку, усиливаем батарею в блоке питания, меняем все проходные кондеры на пленку 2 мкФ, меняем микросхемы (УНЧ и ОУ) и регуляторы, для увеличения мощности поднимаем напряжение питания и ставим новый радиатор и т.д. правда после апгрейта стоить УНЧ будет дороже 10$.
Спасибо за внимание. Товар предоставлен для написания обзора магазином
Обзор опубликован в соответствии с п.18 Правил сайта.
Товар предоставлен для написания обзора магазином. Обзор опубликован в соответствии с п.18 Правил сайта.
Тепловая защита
Наличие тепловой ограничивающей схемы предлагает следующие преимущества:
- Микросхема выдерживает перегрузку на выходе (даже если длительная), отключение ИМС при температуре кристалла выше 145 ° С.
- Если по какой-либо причине температура кристалла возрастает до 150 ° С, тепловая защита просто снижает
рассеиваемую мощность. Максимально допустимая рассеиваемая мощность зависит от размера внешнего радиатора. На рис. 22 показана рассеиваемая мощность в зависимости от температуры окружающей среды.
Рисунок 20. Выходная мощность и ток стока в зависимости от температуры кристалла (RL = 4 Ом).
Рисунок 21. Выходная мощность и ток стока в зависимости от температуры кристалла (RL = 8 Ом).
Рисунок 22. Максимальная допустимая рассеиваемая мощность в зависимости от температуры окружающей среды.
Рисунок 23. Пример радиатора.
В следующей таблице показаны размеры радиатора (рис. 23) для некоторых значений Ptot и Rth.









