Ответы на часто задаваемые вопросы
В конце статьи ответим на несколько наиболее часто задаваемых вопросов.
Вопрос.
Какой вариант предпочтительнее реле на 12 В и промежуточное на 220 или сразу рассчитанное на высокое напряжение?
Ответ.
Первый вариантболее безопасен при настройке, второй проще в монтаже.
Вопрос.
Какое реле предпочтительнее механическое или электронное?
Ответ.
Механические дешевле, электронные понадежности и функциональности их превосходят.
Вопрос.
Импортные устройства более надежны?
Ответ.
Российские стандарты жестче зарубежных, поэтому предпочтительнее выбирать отечественные устройства.
Области применения
Сложно найти направления в развитии электроприборов, в которой бы не нашел применение таймер NE/SE 555. На нем успешно конструируют платы генераторов и реле времени, с возможностью управления интервалом от микросекунд до нескольких часов, используют при создании датчиков освещенности и контроля уровня жидкости, охранной сигнализации и кодовых замков.
Сигнализатор темноты
С устройствами, включающимися или выключающимися при изменении силы светового потока (освещенности), каждый вольно или невольно сталкивается каждый день:
- на улицах с помощью таких устройств включаются фонари освещения;
- в подъездах – дежурное освещение лестничных площадок;
- в квартирах — различные устройства имеющий суточный ритм работы.
Принцип действия устройства, реагирующего на изменение освещенности, основан на том, что при изменении сопротивления фоторезистора, на входе NE555 меняется потенциал. Это влечет изменение напряжения на выходе и включает реле.
РИСУНОК 2
Принципиальная схема датчика света
Модуль сигнализации
Сигнализация, собранная с использованием микросхемы 555, использует ее как одновибратор, который, получив сигнал от датчика, генерирует управляющий сигнал включающий сирену. Продолжительность, тональность и громкость звучания регулируется введенными в схему переменными резисторами.
РИСУНОК 3
Принципиальная схема сигнализации
Метроном
Аналог механического прибора, задающего ритм определенной частоты и используемый музыкантами в процесс обучения и репетиций, имеет электронный аналог, собираемый с использованием таймера 555.
В данном случае микросхема работает в режиме мультивибратора, генерирующего периодические импульсы, которые регулируются транзисторами Q1 и Q2, обеспечивающими регулировку частоты импульсов. Непосредственно частота имульсов регулируется потенциометром Р1 . Для получения щелчка, схожего с щелчком механического метронома, в схему добавлен транзистор Q3 .
РИСУНОК 4
Принципиальная схема метронома
Таймер
Пример использования микросхемы по «прямому» назначению – отсчету интервала времени. Работа устройства основана на способности переключать режимы, выдавая сигналы на включение/выключение.
При разряженном конденсаторе потенциал на входе 555 обнулен. В процесс зарядки, требующей определенного времени, «отсчитывается» заданный интервал. После достижения заданного значения зарядки происходит разряд конденсатора, изменение потенциала. Таймер срабатывает на включение или выключение.
РИСУНОК 5
Принципиальная схема таймера
Точный генератор
Используется для регулирования параметров выходных импульсов в различных электронных устройствах. В частности – в высокочастотных преобразователях, входящих в блоки питания LED-лент.
РИСУНОК 6
Принципиальная схема таймера
Расположение и назначение выводов
Микросхема NE555 имеет восемь выходов. В настоящее время встречаются микросхемы в прямоугольных DIP-корпусах, хотя, изредка, можно встретить микросхему в круглом металлическом корпусе. От этого назначение выводов не меняется.
Расположение и нумерация показана на рисунке:
РИСУНОК 7
Расположение и назначение выводов NE555
https://youtube.com/watch?v=CmGkyql4p6Y
Схемы реле времени и задержки выключения нагрузки
Принципиальные схемы реле задержки времени, автоматических включателей и выключателей нагрузки 220В с заданым интервалом времени. Схемы просты в сборке и построены на основе микросхемы LM555.
Реле времени для автоматического отключения нагрузки
Иногда бывает необходимо выключить приемник или лампу подсветки через определенный интервал времени. Эту задачу может решить схема, приведенная на рис. 1.
Рис. 1. Схема таймера для автоматического отключения нагрузки.
При указанных на схеме номиналах времязадающих элементов задержка отключения составит около 40 минут (для микромощных таймеров это время может быть значительно увеличено, так как они позволяют R2 установить с большим номиналом).
В ждущем режиме устройство не потребляет энергии, так как при этом транзисторы VT1 и VT2 заперты. Включение производится кнопкой SB1 — при ее нажатии открывается транзистор VT2 и подает питание на микросхему. На выходе 3 таймера при этом появляется напряжение, которое открывает транзисторный ключ VT1 и подает напряжение в нагрузку, например на лампу BL1.
Кнопка блокируется, и схема будет находиться в таком состоянии, пока заряжается конденсатор С2, после чего отключит нагрузку. Резистор R3 ограничивает ток разряда емкости времязадающего конденсатора, что повышает надежность работы устройства. Для получения больших интервалов задержки конденсатор С2 необходимо применять с малым током утечки, например танталовый из серии К52-18.
Таймер с увеличенным временным интервалом
Схема устройства аналогичного назначения показана на рис. 2. Она позволяет дискретно изменять время задержки отключения нагрузки от 5 до 30 мин (с шагом 5 мин) при помощи переключателя SA1. Благодаря использованию микромощного таймера, обладающего большим входным сопротивлением, имеется возможность использовать времязадающие резисторы значительно больших номиналов (от 8,2 до 49,2 МОм), что позволяет увеличить и временной интервал: Т= 1,1 * С2 * (R1 + … + Rn).
Рис. 2. Схема таймера с увеличенным временным интервалом для отключения нагрузки.
Схемы реле времени на симисторах
Схемы, позволяющие непосредственно (без реле) управлять отключением сетевой нагрузки, приведены на рис. 3 и 4. В них в качестве коммутатора использован симистор. По сравнению с оригиналом, в приведенных здесь вариантах некоторые номиналы изменены для работы устройств от сетевого напряжения 220 В.
В схеме на рис. 3 включение нагрузки происходит сразу при замыкании контактов SA1, а выключение с задержкой, определяемой номиналами R2-C2 (для указанных на схеме она составляет 11 секунд). Цепь R1-C1 обеспечивает запуск одновибратора при включении.
Рис. 3. Бестрансформаторная схема управления сетевой нагрузкой.
Рис. 4. Вариант схемы для автоматического отключения сетевой нагрузки.
Во второй схеме (рис. 4) включение нагрузки будет при первоначальном подключении к сети или при нажатии на кнопку SB1. Для питания микросхемы использовано реактивное сопротивление, которым является конденсатор С1 (он не греется, что лучше по сравнению с гасящим напряжение активным сопротивлением, как это сделано в предыдущей схеме).
Стабилитрон VD1 обеспечивает стабильное напряжение питания микросхемы, а диод VD3 позволяет уменьшить время готовности схемы для частого нажатия на кнопку. Время задержки выключения может регулироваться резистором R3 от 0 до 8,5 мин. Времязадающий конденсатор СЗ обязательно должен иметь маленькую утечку.
Литература: Радиолюбителям: полезные схемы, Книга 5. Шелестов И.П.
Задержка отключения и включения реле с помощью конденсатора и резистора 12В
Не обязательно прибегать к использованию интегральных таймеров по типу NE555 если требуется всего лишь задержка перед старт/стоп. Использование конденсатора в паре с резистором и транзистором решит задачу без сложных ИС. Воспользуйтесь схемой ниже
Это классическая схема с использованием конденсатора, резистора, диода и биполярного транзистора. В схеме используется транзистор n-p-n типа. Работает она так: после подачи напряжение на резистор N сопротивления, начинает заряжаться конденсатор N емкости. При достижении напряжение смещения диоды открываются, а затем открывается управляющий эмиттерный p-n переход транзистора, который «открывает» транзистор и ток начинает течь в направлении коллектор-эмиттер.
Работает наш полупроводник в активном режиме. Пока управляющая базой величина тока не выйдет из этого режима, коэффициент усиления не приобретет нисходящую форму. Так продолжается пока величина тока вовсе не переступит порога отсечения — переход коллектор-эмиттер закроется. При включении происходит все да наоборот.
Для сборки рекомендуется использовать транзистор КТ827 с n-p-n переходом. Диод подойдет КД105Б или аналогичный по параметрам. Конденсатор и резистор подбирается в каждом случае индивидуально, об этом ниже.
Сфера применения реле времени с задержкой выключения
Сфера применения временных реле крайне широка и зависит от типа устройства. Так, все реле времени делятся на устройства с задержкой включения после подачи питания и приборы с временной задержкой выключения после отключения нагрузки. Наиболее распространенными в бытовой сфере и коммунальном хозяйстве являются реле с временной задержкой выключения.
Чаще всего, устройства, создающие задержку на выключение, используют для:
- Автоматизации работы уличного и внутридомового освещения;
- Контроля над системами полива;
- Автоматизации вентиляционных систем;
- Контроля над работой бытовых насосов, газовых котлов, электрических водонагревателей.
Таким образом, реле времени позволяют использовать различное электрооборудование только по его фактической надобности, исключая вероятность его нецелесообразного использования. Это не только экономит расход электроэнергии, но и продлевает срок эксплуатации электроприборов.
Так, например, устройства можно использовать для автоматического восстановления работы бытовой техники, осветительных приборов, вентиляционных, и отопительных систем после возобновления подачи напряжения. При правильном подключении и хорошей настройке, реле с задержкой включения могут активировать систему “теплый пол” к вашему приходу, включать водонагреватели и бытовые приборы (например, кофемашину) после вашего пробуждения.
Главным критерием выбора временного реле для однофазных сетей (220 В) является диапазон задержки. Этот параметр определяется назначением устройства отключения. Так, например, для реле, подключенного к вентилятору в санузле, будет достаточно задержки выключения в диапазоне от 1 сек до 1 часа.
Это связано со сферой их использования. Зачастую, после восстановления энергоснабжение, включение промышленной, бытовой и хозяйственной автоматики должно выполняться незамедлительно. Так, задержка на включение бытового электрооборудования должна составлять не более 2 мин.
Кроме того, при выборе реле времени необходимо учитывать:
- Тип коммутируемого тока. Реле могут коммутировать как переменный, так и постоянный ток. Для коммутации переменного тока следует выбирать реле AC типа, для коммутации постоянного тока – DC типа. Существуют и универсальные устройства с маркировкой AC/DC.
- Максимальный коммутируемый ток. Для бытового использования подойдут реле, способные коммутировать нагрузку в диапазоне от 10 до 16 А.
- Степень защиты устройства. Для внутренней установки подойдут реле с индексом IP20. Для установки на улице этот показатель должен быть увеличен в два раза, либо реле должно быть установлено в защитном корпусе.
- Возможности подключения реле. Отдельные модели временных реле могут одновременно подключаться к двум элементам, управляющим нагрузкой (например, к двум выключателям). Так работу реле можно контролировать из двух точек, расположенных в разных концах помещения.
Не стоит забывать про габаритные размеры и способ монтажа устройства. Это позволит быстро вписать устройство в проект. Так, наименьшие габариты имеют электронные установки. Кроме того, временное реле может требовать или не требовать крепления DIN-рейки.
ТИПЫ ПРОМЕЖУТОЧНЫХ РЕЛЕ
Питание схем защиты и автоматики осуществляется от специальных цепей оперативного тока. По типу оперативный ток может быть переменным или постоянным.
Источниками напряжения постоянного оперативного тока могут служить аккумуляторные батареи, батареи конденсаторов или выпрямительные устройства, шинки переменного опертока питаются напряжением от трансформаторов собственных нужд.
Поскольку работают промежуточные реле в цепях оперативного напряжения, в зависимости от его типа они производятся с катушками на постоянный и переменный ток.
РП – 23.
Данный тип промежуточного реле предназначен для работы в цепях постоянного напряжения. РП – 23 состоит из катушки напряжения с магнитным сердечником. Подвижной частью магнитной системы является якорь, который при подаче напряжения на катушку притягивается к сердечнику.
С якорем механически связана траверса, на которой закреплены четыре контактных мостика. Притягиваясь к сердечнику, якорь опускает траверсу, сжимая пружину, на которой она установлена. При этом происходит замыкание нормально разомкнутых контактов и размыкание нормально замкнутого.
Неподвижные контакты РП – 23 выполнены в форме уголков из тонких медных пластин. Каждый из уголков может быть установлен одним из двух способов. Благодаря этому можно получить четыре типа комбинаций вариантов контактных групп (р – группа на размыкание, з – группа на замыкание):
- 1 р, 4 з;
- 2 р, 3 з;
- 3 р, 2 з;
- 4 р, 1 з.
Такая инвариантность позволяет приспособить этот прибор к работе в составе любой схемы.
При размыкании создаётся два воздушных промежутка на каждый контакт, благодаря чему повышается их дугогасительная способность.
Это свойство важно при работе релейного аппарата в цепях отключения высоковольтных выключателей, соленоиды которых обладают большой индуктивностью и поддерживают напряжение электрической дуги при разрыве цепи. РП – 23 выпускается в различных модификациях для работы в оперативных цепях напряжением 24 В, 48 В, 110 В и 220 В
РП – 23 выпускается в различных модификациях для работы в оперативных цепях напряжением 24 В, 48 В, 110 В и 220 В.
РП – 25.
Внутренняя схема электрических соединений промежуточного реле этого типа аналогична РП – 23. Катушка РП – 25 предназначена для работы на переменном напряжении. Варианты исполнения оснащаются катушками на напряжение 100 В, 127 В или 220 В.
Рабочий ресурс электромагнитного механизма промежуточных реле РП – 23 и РП – 25 составляет 100000 срабатываний. Контактная группа выдерживает 10000 циклов замыкания – размыкания с полной электрической нагрузкой по току и напряжению.
Перейдем теперь к программированию реле под мой сценарий использования, в качестве примера.
Итак, мне нужно чтобы реле включалось с задержкой 10 секунд после достижения верхнего предела напряжения (для стабилизации напряжения в бортовой сети, необязательно) и оставалось постоянно включенным после этого(из-за питания по плюсу зажигания реле само обесточится, а с ним и регистратор) . В P1 ставлю 010, далее 000. Ставлю здесь же «d-1», чтобы дисплей тух через 1 мин. В P2 и P4 не лезу. Активным будет режим P3. Здесь ставлю 13.0, далее 12.5 (подбираю эмпирически по состоянию аккумулятора и генератора), далее «ON H».
Визуализированная схема подключения

Как видите, я решил оставить старую кнопку безусловного включения регистратора в любой момент в обход реле.
Резюме
Работает в машине около месяца. Все четко, всем доволен. Однако при первой поездке с реле регистратор периодически вырубался и повторно включался с задержкой как в P1. Причину понять вначале не мог, но дедукция подсказала куда копать. Итак, реле было подключено к плюсу вентилятора печки. Как оказалось, электродвигатель вентилятора временами подкорачивало из-за дохлой мыши посторонних предметов в кожухе, что приводило к падению напряжения и соответствующему срабатыванию по запрограммированному нижнему пределу. Сложность была в том, что ни визуально, ни по вольтметру этого нельзя было увидеть – вентилятор работал как обычно, предохранитель не перегорал, вольтметр показывал выше верхнего предела. Разбором и чисткой системы вентиляции вопрос был закрыт. На этом все, спасибо что уделили время моему первому обзору!
Простая радиосхема

Схема печатной платы реле на 12 в
Приведем одну из наиболее простых схем. Для наглядности приводится схема и изображение печатной платы реле на 12 в.
Представим, что кнопка sb1 выключена. На обкладке конденсатора с1 сейчас напряжения нет. В результате этого, транзисторы закрыты и в обмотках реле ток отсутствует. После включения кнопки происходит заряд емкости с1, открывающий транзистор vt1, к базе которого прикладывается отрицательное напряжение. В итоге будет открыт второй транзистор и сработает реле k1.
Если отпустить кнопку, то произойдет разряд конденсатора по цепи: r2-r3 эмиттер vt1-r4.
Реле остается включенным, до того момента, когда напряжение на контактах емкости не снизится до 2-3 вольт. На протяжении этого времени соединения реле будут пребывать в одном из положений: либо включенном, либо отключенном.
Временная выдержка регулируется в пределах, которые зависят от емкости с1 и суммы сопротивлений подключенных к ней цепей. Задержка по длительности может регулироваться с помощью сопротивления r3. Получение более увеличенных пределов выдержек возможно с помощь увеличения номиналов с1 и r3. Схема простая, микросхемы отсутствуют.
https://youtube.com/watch?v=kDppeVyXo2c
Если нужно изготовить реле времени на 220 в, то можно воспользоваться следующей схемой. Здесь представлена очень простая схема подключения.

С включением соединенияs1 емкость с1 будет заряжаться, на управляющую ножку тиристора подается плюс, тиристор откроется и при этом загорится последовательно соединенная в цепь лампа L1. Пока конденсатор заряжается, по нему перестает проходить ток. Соответственно тиристор закрывается и происходит выключение лампы.
При выключении контакта s1 емкость разряжается посредством резистора r1 и реле времени возвращается в первоначальное положение. Продолжительность горения лампы будет около 4 -7 секунд. Для того, чтобы увеличить задержку, нужно изменить емкость конденсатора. Такое реле можно поставить для включения освещения на лестничной площадке или подключить к АВР.

10 часовой таймер на микросхемах К155ЛА3 и К176ИЕ5
В данной схеме основной упор сделан на микросхему D1. Подобная микросхема может работать с различными устройствами на 12 в.Вся же схема, собранная своими руками, тоже имеет различное применение. Например, если ее подключить к контактору, то можно дистанционно управлять электроприборами, как пускателем. Подобные контакторы, управляемые слабыми токами, могут использоваться в различных автоматических системах, например, открывать ворота гаража или включать в нем освещение.
https://youtube.com/watch?v=d7SIuRwWibg
На одном контакторе возможно своими руками собрать схему АВР. Такие схемы АВР устанавливаются для включения и *выключения устройств телемеханики и уличного освещения. Автоматическое включение резерва (АВР) необходимо для быстродействия при отключении питания. Система АВР содержит в себе часовой механизм, который через минимальную задержку времени отключает цепь силового трансформатора. Обычно такие АВР, использующие именно часовые механизмы работают на электрических подстанциях.
Сфера применения реле времени
Области использования таймера:
- регуляторы;
- датчики;
- автоматика;
- различные механизмы.
Все данные устройства делятся на 2 класса:
- Циклические.
- Промежуточные.
Первое считается самостоятельным прибором. Он подает сигнал через заданный временной промежуток. В автоматических системах циклическое устройство включает и отключает необходимые механизмы. С его помощью управляют освещением:
- на улице;
- в аквариуме;
- в теплице.
Циклический таймер является неотъемлемым устройством в системе «Умный дом». Его применяют для выполнения следующих задач:
- Включение и выключение отопления.
- Напоминание о событиях.
- В строго указанное время включает необходимые устройства: стиральную машинку, чайник, свет и др.

Кроме вышеуказанных, есть еще отрасли, в которых эксплуатируется циклическое реле задержки:
- наука;
- медицина;
- робототехника.
Промежуточное реле используется для дискретных схем и служит вспомогательным устройством. Оно осуществляет автоматическое прерывание электрической цепи. Сфера применения промежуточного таймера реле времени начинается там, где необходимы усиление сигнала и гальваническая развязка электрической цепи. Промежуточные таймеры разделяются на виды в зависимости от конструктивного исполнения:
- Пневматические. Срабатывание реле после поступление сигнала не происходит мгновенно, максимальная время срабатывания — до одной минуты. Используется в цепях управления металлорежущих станков. Таймер управляет приводами для ступенчатой регулировки.
- Моторные. Диапазон установки временной задержки начинается с пары секунд и заканчивается десятками часов. Реле задержки являются частью цепей защиты воздушных линий электропередач.
- Электромагнитные. Предназначены для цепей постоянного тока. С их помощью происходят разгон и торможение электропривода.
- С часовым механизмом. Основной элемент — взведенная пружина. Время регулирования — от 0,1 до 20 секунд. Используются в релейной защите воздушных линий электропередач.
- Электронные. Принцип действия построен на физических процессах (периодические импульсы, заряд, разряд емкости).
Что еще важно знать. 2 интересных факта
3Т=RC
У рассмотренной формулы T=RC есть некая особенность. Время Т – это всего 63% от максимума заряда, 95% — это 3Т.
Зависимость напряжения от времени
При разряде происходит обратно пропорциональная зависимость. За время Т конденсатор разрядится до 37%, за 3Т до 5% от максимума. Это происходит потом, что с увеличением или уменьшением внутреннего заряда потенциалы постепенно выравниваются.
То есть, предположим, что за 10 секунд заряжается кондер до 95%. Напряжение зарядки 10В, сопротивление цепи 10Ом, ток 1А. На седьмой секунде напряжение в цепи упадет на 30%, и станет 7В. Это происходит потому, что потенциал начинает выравниваться по мере зарядки конденсатора. Следовательно, ток в цепи также упадет на 30% — до 0,7А. И так будет происходить, пока не установится равновесие в цепи.
Переменное напряжение
Синусоидальное напряжение имеет несколько фаз. На пике восхождения, когда заканчивается полупериод, величина тока достигает максимальной отметки. Этот пик показывает амплитудный ток, максимальное мгновенное значение переменного тока, которое в 1,4 раза выше, чем действующее значение. То есть рассматриваемый нами переменный ток 220В в какой-то момент времени достигает пика 308В.
Реле времени своими руками
Разберем наиболее простые способы изготовить замедляющие системы своими руками.
12 Вольт
Нам понадобится печатная плата, паяльник, небольшой набор из конденсатора, исполняющего реле, транзисторы, эмиттеры.
Схема составляется таким образом, чтобы при отключенной кнопке напряжение на обкладках емкости отсутствовало. Во время короткого замыкания кнопки конденсатор быстро заряжается, а затем начинает разряжаться, подавая напряжение через транзисторы и эмиттеры.
При этом релюшка будет замкнута или разомкнута до тех пор, пока на конденсаторе не останется несколько вольт.
Регулировать длительность разрядки конденсатора можно его емкостью или величиной сопротивления подключенной цепи.
Порядок работ:
- подготавливается плата;
- дорожки пролуживаются;
- распаиваются транзисторы, диоды и реле.
220 вольт
Принципиально такая схема не очень отличается от предыдущей. Ток проходит через диодный мост и заряжает конденсатор. В это время зажигается лампа, которая выполняет роль нагрузки. Затем происходит процесс разрядки и срабатывания таймера. Порядок действий при сборке и набор инструментов такой же, как и при первой варианте.
Схема NE555
По-другому микросхема 555 называется интегральным таймером. Ее использование гарантирует стабильность выдерживания временного промежутка, устройство не реагирует на перепады напряжения в сети.
При выключенной кнопке один из конденсаторов разряжен, и система может находиться в таком состоянии неопределенное время. После нажатия кнопки начинает заряжаться емкость. Через определенное время происходит его разрядка через транзистор схемы.
Разрядный транзистор открывается, и система переходит в первоначальное состояние.
Существует 3 режима работы:
- моностабильный. При входном сигнале она включается, выходит волна определенной длины и выключается в ожидании нового сигнала;
- циклический. Через заданные промежутки схема переходит в рабочий режим и отключается;
- бистабильный. Или выключатель (нажал кнопку работает, отжал – не работает).
Таймер с задержкой включения
После подачи напряжения происходит зарядка емкости, открывается транзистор, в тоже время два других закрыты. Поэтому нагрузка на выходе отсутствует. Во время разрядки конденсатора первый транзистор закрывается, открываются два других. Питание начинает поступать на реле, выходные контакты замыкаются.
Период зависит от емкости конденсатора, переменного резистора.
Цикличное устройство
Чаще всего используются счетчики генераторы. Первый из которых вырабатывает сигнал через заданные промежутки времени, а второй принимает их, задавая через определенное их количество логические ноль или единицу.
Создается все это с использованием контролера, схем можно найти много, но потребуют они некоторых знаний радиотехники.
Другой вариант – полная разрядка или зарядка емкости с помощью микросхемы подает сигнал на управляющий транзистор, который работает в режиме ключа.
Разновидности реле времени
Сегодня промышленность выпускает большой ассортимент реле времени, и выбор определенного экземпляра зависит только от ваших потребностей и возможностей
Осуществляя подбор подходящего реле времени, прежде всего, важно продумать подходящее конструктивное решение. Существует ряд отличающихся друг от друга конструкций реле времени:
Существует ряд отличающихся друг от друга конструкций реле времени:
- Моноблок – представляет собой независимое устройство. Он имеет свое питание и отдельные входы, куда подключается нагрузка.
- Встраиваемое реле времени – представляет собой более простой аналог блочного устройства. Не имеет своего корпуса. Отсутствует и свое питание. С помощью таких приборов можно сконструировать более функциональное устройство, объединив их в единое целое.
- Реле времени модульного типа – некая разновидность моноблока, обычно монтируемая на дин рейку в электрический щиток.
Цикличные позволяют выдавать сигнал по прошествии установленных отрезков времени. Наибольшее распространение они получили в автоматических системах, отвечающих за выключение/включение различных механизмов.
Промежуточные реле времени дают возможность задержать генерацию сигнала на нужный срок. При этом данный тип реле оснащается часовым либо анкерным механизмом, или бывает моторным, пневматическим, электромагнитным или электронным.
Реле времени, имеющие часовое либо анкерное устройство, являлись первопроходцами в этой области. Фото реле времени, работающих вследствие завода пружины, возможно встретить не только в музеях. Этот тип реле существует и в наши дни и заслужил репутацию наиболее надежного устройства. Данные реле используются, например, в будильниках и таймерах для кухни, заводимых механически.
Широкое распространение получили моторные реле времени, представляющее собой механизм, укомплектованный синхронным двигателем. Такой тип реле времени подойдет, когда необходимо подсчитывать моточасы электрогенератора, чтобы вовремя делать все процедуры, необходимые для функционирования оборудования.
Пневматические реле осуществляют регулировку за счет изменения объема подачи воздуха. Они пригодятся в процессах автоматизации работы различного оборудования, например, металлорежущего станка.
В цепях управления разгоном и торможением электропривода применяется электромагнитное реле, где посредством использования дополнительного короткозамкнутого витка на катушке осуществляется регулировка подачи сигнала.
При этом возможности современной микроэлектроники позволяют легко задать любой алгоритм работы и получить обратную связь. В то же время габариты устройства и электропотребление минимальны и не влияют на его автономность.
Область применения
Сегодня все больше используются программные контроллеры, но таймеры по-прежнему востребованы, а в некоторых случаях является более рациональным, надежным решением. Рассмотрим наиболее распространенные варианты использования устройства:
- Элемент защиты. Чаще всего встречается на производствах, которые используют пресс-формы. Прибор контролирует время смыкания силовых пластин, при превышении заложенных показателей, происходит отключение системы с подачей разнообразных сигналов.
- Бытовая техника. Реле встречаются во многих приборах. Основная задача устройства – включить или отключить питание через определенный промежуток. Отдельно нужно сказать о стиральных машинах, инкубаторах.
- Стиральная машина. Тут используется два принципа работы – контроль подачи электроэнергии на элемент нагрева и реверсивный принцип. Через короткие промежутки времени барабан будет менять направление движения, при этом каждый элемент прибора будет включаться в определенной последовательности на заданные промежутки.
- Инкубатор. Если за поддержание комфортной температуры отвечает термодатчик, то переворачивание яйца другим боком полностью контролируется реле. Именно это устройство позволяет сделать инкубатор полностью автономным.
- Коммутация электрических цепей. Когда используются мощные трехфазные двигатели, другое промышленное оборудование, использование реле времени является необходимым защитным оборудованием, которое позволяет плавно снижать или увеличивать нагрузку.
- Приусадебное хозяйство. Полив газонов, обеспечение автономной работы теплиц, других специальных помещений;
- Экономия электроэнергии. Освещение будет выключаться через заданный промежуток времени. А в комплексе с датчиком движения двор или подъезд будут подсвечиваться когда необходимо, не используя огромное количество энергии.
- Аквариумы, террариумы. Можно автоматизировать подогрев, освещение, насыщение воды кислородом и кормление;
- Защита жилища. Включение света дома в ваше отсутствие спугнет потенциального вора. Этим активно пользуются на западе, но у нас подобные приспособления не очень распространены.
Способы подключения реле времени
Исключительно от самой модели устройства зависит то, как подключить нагрузку к реле времени. В частности, у комбинированных устройств обычно имеется штепсель. Соответственно, используется стандартная розетка для обеспечения электропитания.
Если рассматривать электронные таймеры, имеющие конструкцию в виде модулей и монтирующиеся на дин-рейку, то клеммы могут быть расположены совершенно по-разному, что определяется фирмой-изготовителем и назначением самого устройства.
Тем не менее практически у всех механизмов указанного типа существует разделение коммутирующих контактов и цепей питания таймера. В любом случае схема подключения реле времени обычно приводится на каком-либо элементе корпуса самого устройства.
Если необходимо недорогое устройство, подберите простой моноблочный таймер. При потребности управлять сложной автоматизированной системой, больше подойдет модульный вариант с монтажом на дин-рейку
А если интересуют более совершенные устройства, то следует остановить свое внимание на программируемых реле
В любом случае современные реле времени окажутся удобным и практичным механизмом, которое поможет вам наладить автономную работу необходимого оборудования.
Как работает электронный таймер
В отличие от самых первых таймеров с часовым механизмом, современные реле времени действуют гораздо быстрее и эффективнее. Многие из них сделаны на основе микроконтроллеров (МК), способных выполнять миллионы операций в секунду.
Для включения и отключения такая скорость не нужна, поэтому микроконтроллеры были соединены с таймерами, способными подсчитывать импульсы, возникающие внутри МК. Таким образом, центральный процессор выполняет свою основную программу, а таймер обеспечивает своевременные действия в определенные промежутки времени. Понимание принципа действия этих устройств понадобится даже при изготовление простого емкостное реле времени своими руками.
Принцип работы реле времени:
- После команды запуска таймер начинает считать с нуля.
- Под действием каждого импульса, содержимое счетчика увеличивается на единицу и постепенно приобретает максимальное значение.
- Далее происходит обнуление содержимого счетчика, поскольку он становится «переполненным». В этот момент как раз и заканчивается выдержка времени.
Такая простейшая конструкция позволяет получить максимальную выдержку в пределах 255 микросекунд. Однако в большинстве устройств требуются секунды, минуты и даже часы, в связи с чем и возникает вопрос, как создать требуемые временные промежутки.
Выход из этого положения довольно простой. Когда таймер переполняется, это событие приводит к прерыванию действия основной программы. Далее происходит переход процессора к соответствующей подпрограмме, складывающей из небольших выдержек любой промежуток времени, который требуется в настоящий момент. Данная подпрограмма, обслуживающая прерывание, очень короткая, состоящая не более чем из нескольких десятков команд. По окончании ее действия, все функции возвращаются в основную программу, продолжающую работать с того же места.
Обычное повторение команд происходит не механически, а под руководством специальной команды, резервирующей память и создающей короткие временные выдержки.
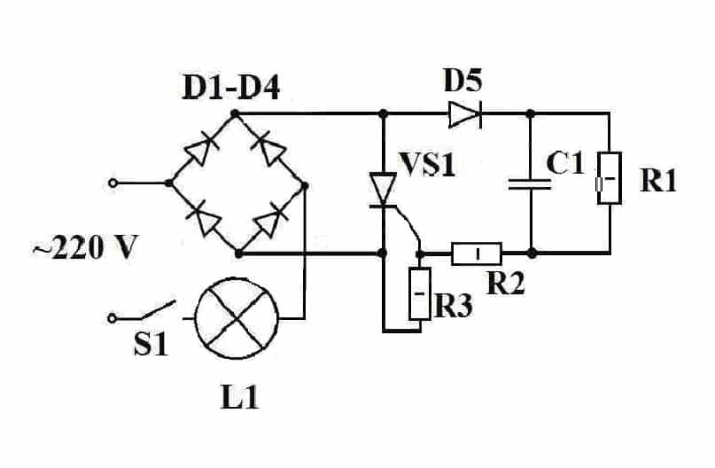
Идея 1. На диодах
Рассмотрим вариант простейшего логического элемента для работы в цепи 220В.

Рис. 4. Схема реле времени на 220В
Здесь включение происходит при нажатии кнопки S1, после чего напряжение подается на диодный мост. С моста потенциал переходит на времязадающий элемент, состоящий из резисторов и конденсатора. В процессе накоплении заряда тиристор VS1 откроется, и ток протечет через лампу освещения L1. Когда емкость конденсатора полностью зарядится, тиристор перейдет в закрытое состояние, после чего срабатывает реле и лампа гореть перестанет.
Максимальную выдержку здесь можно установить в несколько десятков секунд, так как ее величина будет задаваться сопротивлением резистора и емкостью. Существенным недостатком является то, что эта схема несет угрозу человеческой жизни при поражении электротоком. Поэтому далее рассмотрим пример изготовления реле времени на 12В.





